加油站主要危害因素和采取的防范措施.docx

上传人:p** 文档编号:1233437 上传时间:2024-12-16 格式:DOCX 页数:12 大小:21.09KB
下载 相关 举报
加油站主要危害因素和采取的防范措施.docx_第1页
第1页 / 共12页
加油站主要危害因素和采取的防范措施.docx_第2页
第2页 / 共12页
加油站主要危害因素和采取的防范措施.docx_第3页
第3页 / 共12页
加油站主要危害因素和采取的防范措施.docx_第4页
第4页 / 共12页
加油站主要危害因素和采取的防范措施.docx_第5页
第5页 / 共12页
加油站主要危害因素和采取的防范措施.docx_第6页
第6页 / 共12页
加油站主要危害因素和采取的防范措施.docx_第7页
第7页 / 共12页
加油站主要危害因素和采取的防范措施.docx_第8页
第8页 / 共12页
加油站主要危害因素和采取的防范措施.docx_第9页
第9页 / 共12页
加油站主要危害因素和采取的防范措施.docx_第10页
第10页 / 共12页
亲,该文档总共12页,到这儿已超出免费预览范围,如果喜欢就下载吧!
资源描述

《加油站主要危害因素和采取的防范措施.docx》由会员分享,可在线阅读,更多相关《加油站主要危害因素和采取的防范措施.docx(12页珍藏版)》请在第壹文秘上搜索。

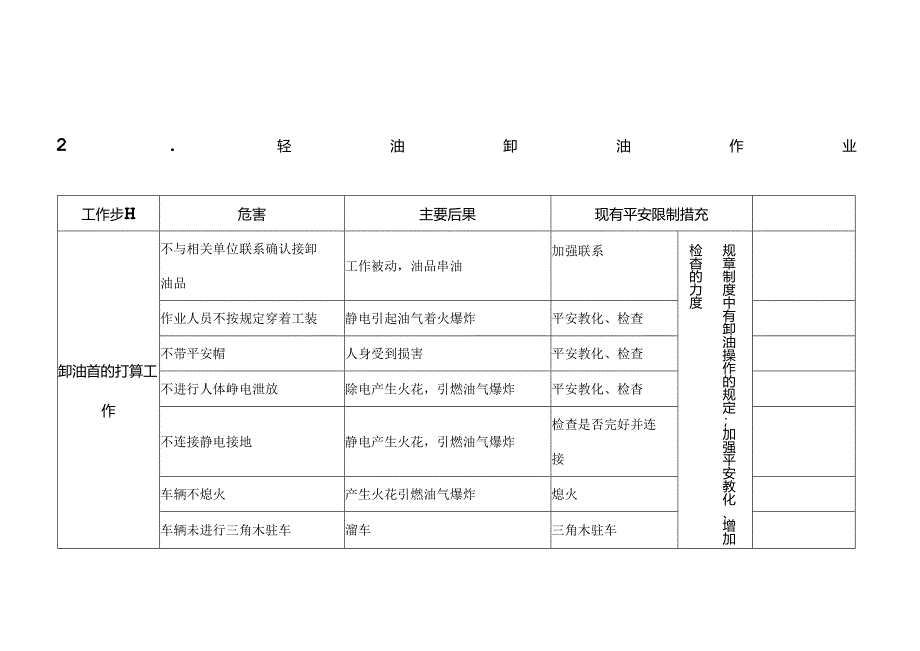
1、2.轻油卸油作业工作步H危害主要后果现有平安限制措充卸油首的打算工作不与相关单位联系确认接卸油品工作被动,油品串油加强联系规章制度中有卸油操作的规定;加强平安教化、增加检杳的力度作业人员不按规定穿着工装静电引起油气着火爆炸平安教化、检查不带平安帽人身受到损害平安教化、检查不进行人体峥电泄放除电产生火花,引燃油气爆炸平安教化、检杳不连接静电接地静电产生火花,引燃油气爆炸检查是否完好并连接车辆不熄火产生火花引燃油气爆炸熄火车辆未进行三角木驻车溜车三角木驻车3.轻油清作业工作步H危善主要后果现有平安限制措茶建设改曲t加清罐前的打算工作作业人员不按规定穿着工装静电引起油气着火爆炸平安教化、检查规章制度

2、中有清罐操作的规定;加强平安教化、增加检查的力度不带平安帽人身受到损害平安教化、检查不进行人体静电泄放静电产生火花,引燃油气爆炸平安教化、检查不连接静电接地静电产生火花,引燃油气爆炸检杳是否完好并连接车辆阻火器未打开产生火花引燃油气爆炸打开阻火器车辆未进行三角木驻车溜车三角木驻车作业人员手机未关闭产生火花,引燃油气爆炸手机关闭车辆有关阀门未关闭跑油检杳,关闭阀门未开清罐工作票平安措施无法落实开工作票雷雨天气作业雷击起火爆炸停止清罐作业清罐人员上罐车无防滑措施高空坠落抓好扶梯,平安教化提示油管未插入油罐底部产生静电,静电产生火花,引燃油包瞬检杳,插入油罐底部清罐人员不按规定监控液面离开罐车超装,

3、跑油平安教化、检查清墟人员在罐口的下风口中毒平安教化、检查清完毕有关阀门未关闭关闭驻车三角木未移除交通事故移除四周油气未散尽启动车辆产生火花引燃油气爆炸油气散尽后启动车辆4.轻油烟动火作业工作步探危害主要后果现有平安限制措施建议改进措施打算工作动火监护不拿灭火器材不能快速扑火初起火灾平安教化、班组教化、检杳规章制度中有动火作业票的规定;加强平安教化、增加检杳的力度不检查作业票是否合格违章作业平安教化、班组教化、检查不了解施工地点生产状况出现意外,不能精确处理平安教化、班组教化、检查不了解灭火器材的运用不能快速扑灭初起火灾平安教化、班组教化、检查动火管线不按规定处理动火时若火、爆炸手安教化、班组

4、教化、检查设备不按规定蒸煮合格着火、爆炸、中毒等事故平安教化、班组教化、检查加工中监护人离开现场出现意外,不能与时处理平安教化、班组教化、检查施工不在指定地点违章作业平安教化、班组教化、检查施工用具不符合平安要求违章作业平安教化、班组教化、检查没有切断施工设备电源触电事故平安教化、班组教化、检杳设备运转时,没有专项防护措施人身损害平安教化、班组教化、检杳加工完不检杳动火部位是否留有余火若火事故平安教化、班组教化、检杳5.押运作业工作步费危害主要后果现有平安限制措凝建议改出t施打算工作不按规定着装人身受到损害平安教化、检查规率制度中有押运员平安职责的规定;加强平安教化、增加检查的力度不检查车况发

5、生交通事故平安教化、检查无静电接地静电无法泄放、产生火花平安教化、检查无灭火器发生事故时无法灭火平安教化、检查押运不遵守交通规则发生交通事故平安教化、检查无押运员发生事故时不能妥当处理平安教化、检杳车辆超重发生交通事故平安教化、检查押运员接自离开所要押运的车辆发生事故时不能妥当处理平安教化、检查二、加油站主要毒鲁因素利实行的防宿指施1.加油站卸油作业工作步It危害现有平安限制指茶卸油首的打算工作作业人员不按规定穿着工装静电引起油气若火爆炸平安教化、检杳匕定制、:现场无人监护跑油监护,平安教化、检鬣中技作h5,加强平日:三W佥长油罐未检尺跑油检尺不进行人体静电泄放除电产生火花,引燃油气爆炸平安教

6、化、检杳不连接静电接地静电产生火花,引燃油气爆炸检查是否完好并连接车辆不熄火产生火花引燃油气爆炸熄火车辆未进行三角木驻车溜车三角木驻车作业人员手机未关闭产生火花,引燃油气爆炸手机关闭未核对卸油的流程油品串油检查流程未核对所要卸的油品油品串油核对油品连接软管漏油跑油检查,紧固未摆放交通警示路桩交通事故检杳,摆放工作人员运用非防爆工具产生火花引燃油气爆炸运用防爆工具,检查卸油雷雨天气卸油宙击起火爆炸停止卸油作业卸油人员不按规定监控液面*平安教化、检查离开罐区卸油人员在卸油口的卜.风口中毒平安教化、检查卸油完毕有关阀门未关闭跑油关闭驻车三角木未移除交通事故移除四周油气未敢尽启动车辆产生火花引燃油气爆

7、炸油气散尽后启动车辆2.加油站加油作业工作步It危害后果现有平安限制措施建议改谢t施加油作业人员不按规定穿着工装静电引起油气着火爆炸平安教化、检查七定加车辆不炮火产生火花引燃油气爆炸熄火Jff1.操作的规,加强平安教曾加至1的作业人员手机未关闭产生火花,引燃油气爆炸手机关闭未核对所要加的油品加错油品,损坏车辆核对油品四周油气未散尽启动车辆产生火花引燃油气爆炸油气散尽后启动车辆不在摩托车加油区对摩托车加油若火在摩托车加油区加油,平安教化、检杳布雨天气加油宙击起火爆炸停止加油作业3.加油站动火作业工作步II危害主要后果现有平安限制措篇建议改谢通动火监护不拿灭火器材不能快速扑灭初起火烫平安教化、班组教化规章制度中不检查作业票是否合格违章作业平安教化、班组教化打算工作不了解施工地点生产状况出现意外,不能精确处理平安教化、班组教化增不了解灭火器材的运用不能快速扑灭初起火灾平安教化、班组教化加检查动火管线不按规定处理动火时若火、爆炸平安教化、班组教化的力设备不按规定蒸煮合格着火、爆炸、中毒等事故平安教化、班组教化度加工中监护人尚开现场出现意外,不能与时处理平安教化、班组教化施工不在指定地点违章作业平安教化、班组教化施工用具不符合平安要求违章作业平安教化、班组教化没有切断施工设备电源触电事故平安教化设备运转时,没有专项防护措施人身损害平安教化加工完不检杳动火部位是否留有余火若火事故平安教化

展开阅读全文
相关资源
猜你喜欢
相关搜索

当前位置:首页 > 建筑/环境 > 环保行业

copyright@ 2008-2023 1wenmi网站版权所有

经营许可证编号:宁ICP备2022001189号-1

本站为文档C2C交易模式,即用户上传的文档直接被用户下载,本站只是中间服务平台,本站所有文档下载所得的收益归上传人(含作者)所有。第壹文秘仅提供信息存储空间,仅对用户上传内容的表现方式做保护处理,对上载内容本身不做任何修改或编辑。若文档所含内容侵犯了您的版权或隐私,请立即通知第壹文秘网,我们立即给予删除!