基层铺设施工技术.docx

上传人:p** 文档编号:1260482 上传时间:2024-12-24 格式:DOCX 页数:22 大小:230.58KB
下载 相关 举报
基层铺设施工技术.docx_第1页
第1页 / 共22页
基层铺设施工技术.docx_第2页
第2页 / 共22页
基层铺设施工技术.docx_第3页
第3页 / 共22页
基层铺设施工技术.docx_第4页
第4页 / 共22页
基层铺设施工技术.docx_第5页
第5页 / 共22页
基层铺设施工技术.docx_第6页
第6页 / 共22页
基层铺设施工技术.docx_第7页
第7页 / 共22页
基层铺设施工技术.docx_第8页
第8页 / 共22页
基层铺设施工技术.docx_第9页
第9页 / 共22页
基层铺设施工技术.docx_第10页
第10页 / 共22页
亲,该文档总共22页,到这儿已超出免费预览范围,如果喜欢就下载吧!
资源描述

《基层铺设施工技术.docx》由会员分享,可在线阅读,更多相关《基层铺设施工技术.docx(22页珍藏版)》请在第壹文秘上搜索。

1、18-3基层铺设18-3-1结构层18-3-1-1底层地面结构层底层地面结构层(即地面工程)一般均直接铺设在基上上,其结构层是基士,要求均匀密实,具体按本节的基土施工要求。有时因室内外标高差较大,室内填十.需大量十.料,而地区又缺乏土源,因此采用架空钢筋混凝土空心板作为底层地面结构层,其空心板的铺设应按木节找平层进行施工,并做好板缝填战工作。对铺设木地板的面层,其搁栅下的砖、石地垄墙m)作为底层地面的结构层,应以强度等级不低于MU7.5的普通乳上语或其他块材砌成,所用砂浆的强度等级不应低于M5,其砌筑施工应符合现行国家标准砌体工程施工质是验收规范5GB50203-2(X)2)的有关规定,凡后期

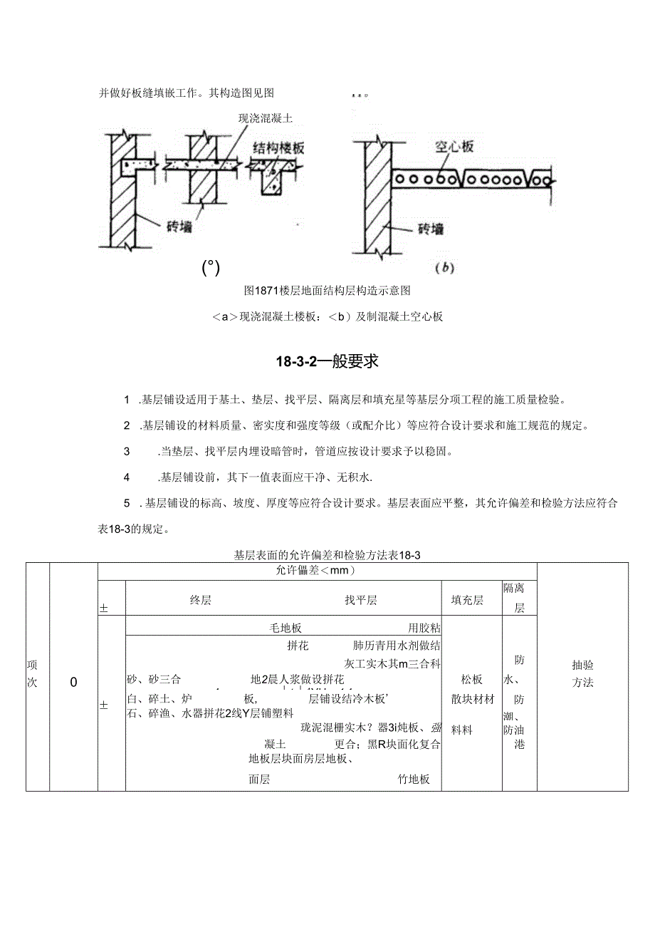
2、强度不稳定或受潮后会降低强度的人造块材,均不得使用,其构造图见图I8-I0,图18-10木地极面层下地垄墙或墩构造示意图(a砖墩:(b)地垄墙18-3-1-2楼层地面结构层楼房地面结构1.J(即楼面工程)基本上是现浇钢筋混凝土楼板或预制的整块钢筋混凝土板和预制钢筋混凝土空心板,其构造层是现浇和预制钢筋混凝上楼板,施工应符合现行国家标准d混凝土结构工程施工质量验收规范GB50204-2(X)2的有关规定,铺设钢筋混凝十.空心板应按本节找平层进行施工,并做好板缝填嵌工作。其构造图见图现浇混凝土()图1871楼层地面结构层构造示意图a现浇混凝土楼板:b)及制混凝土空心板18-3-2一般要求1 .基层

3、铺设适用于基土、垫层、找平层、隔离层和填充星等基层分项工程的施工质量检验。2 .基层铺设的材料质量、密实度和强度等级(或配介比)等应符合设计要求和施工规范的规定。3 .当垫层、找平层内埋设暗管时,管道应按设计要求予以稳固。4 .基层铺设前,其下一值表面应干净、无积水.5 .基层铺设的标高、坡度、厚度等应符合设计要求。基层表面应平整,其允许偏差和检验方法应符合表18-3的规定。基层表面的允许偏差和检验方法表18-3允许儡差mm)隔离终层找平层填充层层毛地板用胶粘拼花肺历青用水剂做结项灰工实木其m三合科防抽验次0砂、砂三合地2晨人浆做设拼花4、t1YUsn1.1松板水、方法白、碎土、炉板,层铺设结

4、冷木板石、碎渔、水器拼花2线Y层铺塑料散块材材防潮、珑泥混栅实木?器3i炖板、强料料防油凝土更合;黑R块面化复合地板层块面房层地板、港面层竹地板面层I表面平整度151510335352753用2m界尺和楔形塞尺检查2标高+0-50201055858444用水准仪检杳3坡度不大于房间相应尺寸的20.H.不大于30用坡度尺检变4厚度在个别地方不大于设计厚度的“10用钢尺椎查18-3-3基土1 .适用范围(1)基土系室内底片地面工程和室外收水、明沟、踏步、台阶和坡道等附属工程中垫层卜的土层,是承受由整个地面传来荷载的地基结构层,虽不同于地基基础,但仍然关系到地面工程的侦量。由于基土层不均匀密实,或因

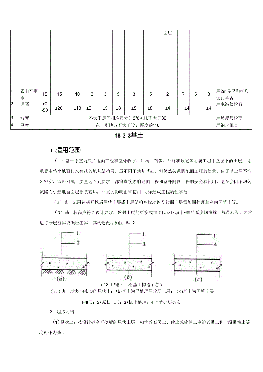
5、回填土质量达不到要求,都将直接影响地面工程和室外附同工程的安全和使用,甚至会因不均匀沉陷而引起地面面层断裂破坏,严重的影响正常使用,同样造成工程质证事故,(2)基上范用包括开挖后原状上层或土层结构被扰动以及软弱土层需加固处理和室内回填土等。(3)基土标高应符合设计要求,软弱土层的更换或加固以及回填十等的厚度均按施工规范和设计要求进行分层夯实或碾压密实。其构造做法如图18-12。图18-12地面工程基土构造示意图(八)基土为均匀密实的原状土:(b)基土为已处理原软弱土层:c)基土为回填土层I-Ift层:2原状土层:3机土处理;4回埴分层夯实2 .组成材料(1)原状土:按设计标高开挖后的原状土层,

6、如为碎石类土、砂土或编性土中的老黏土和一般黏性土等,均可作为基土(2)软弱土质:对于淤泥、淤泥质土和杂填上、冲填土以及其他高压缩性土层均属软弱地基。由于软弱土质具有抗剪强度低、压缩性高、均匀性差和渗透性小的特点,如在其上面直接铺设垫U、面U时,其变形特征是沉降大、不均匀沉降大,沉降速度快和沉降延续时间长,设计和施工必须考虑其可能造成的后果。因此,施工规范规定遇上述软弱土质施工时,应按设计要求进行利用与处理,根据不同情况可采取换上、机械夯实或加固等措施,认或做好基土层处理工作,以保证地面工程的质量。(3)填土:填土的质量应符合现行国家标准建筑地基基础工程施工质量验收规范S(GB50202-200

7、2)的有关规定。对淤泥、腐殖上、冻土、耕植上、膨胀土和有机物含量大于80%的土,均不得用作地而下的填土土料。应选用砂土、粉土、粘性十.及其他有效填料作为填H,十.料中的土块粒径不应大于50mm,并应消除土中的草皮杂物等。3 .过程控制基土层应在工艺流程和施工操作中进行施工质量过程控制,见图18-13。图1873基土层施工质量过程控制简图4 .籁工要点(I)基上层必须是均匀密实的土层。当基土开挖后,土层结构被扰动时,应做表面清理后压实至规定要求为止:如为软弱土层需进行更换或加固时,应做到分层夯实。(2)按设计要求对软弱土质进行更换或加固时,应符合现行的国家标准建筑地基基研!工程施工质量验收规范(

8、GB50202-2(X)2)和6建筑地基处理技术规范(JGJ79-91)的有关规定。(3)不论是土层结构被扰动或是软弱土层处理,或为回填土,均应经表而清底排夯后,方可进行下道工序的施工。(4)填上施工时应分层填上、分层夯(压)实、分层检验其密实度。若不符合要求时,应分析原因重新压实处理,达到规定后方可填上一层的土料。每层夯(压)实后的填土为压实填土,其压实系数c应符合设计要求,但不应小于0.9:压实系数即为土的控制干密度与最大干密度的比值。(5)施工时应采用机械或人工方法进行夯(压)实。压实系数应经现场试验确定,当无条件时,可根据压实机具、每U虚铺厚度和压实遍数和土质,参照表I84选定。每层虚

9、铺土厚度和压实遍数表18-4压实机具每层虚铺七厚度(mm)每层压实通数平碰200-3006-8羊足碾200750876蛙式打夯机200-25034人工打夯2003-4注;1.本表适用于选用粉土、翳性土等作土料,对砂土、灰土类填料应参照现行国家规范工建筑地基基础设计规葩(GB50007-2(X)2)有关规定执行:5 .本表适用于填土厚度在2m以内。(6)填土十.质宜控制在最优含水砥的状况下施工,因土料含水砥的大小将直接影响压实遍数和填土质量,也就是不易达到设计要求的每层压实后的压实系数或相应的最大干密度。为此,施工前宜取土样用击实试验确定填土土料含水量的控制范围。(7)在填黏性土前检验其含水量是

10、否在控制范围内,一般测定方法是:以手捏成团,碰之即碎为宜。当土料含水量偏高,可采取晒干、风干、睡松或均匀掺入干土(或吸水性材料)等措施降低其含水量;当土料含水量偏低,应预先洒水湿涧,并相应增加压实遍数或使用大功能压实机械进行压实。回填土的最优含水量亦可参照表18-5,土的最优含水量和最大干密度参考表表18-5士料种类最优含水贵(重盘比)最大干密度(tm)砂士8-121.80-1.88粉土9-151.85-2.08粉质黏土12211.857.95粘土19231.58-1.70(8)工业厂房和冷库等较重要的地面工程的填土,施工前应通过试验确定其最优含水量和施工含水量的控制范围。当黏性土料施工时,如

11、无忒验条件,其压实系数为09施工含水量与最优含水量之差可控制在-4%+2%范围内:使用振动碾时,可控制在-6%+2%范围内。(9)填上前,如遇高低不平处,应先城夯低处,直到填至同一水平后再大面积按顺序分段分层填实,以免局部虚铺厚度较序。(IO)人工夯实时,夯锤重量必须在40kg以上,提夯高度不小于400mm.落锤时要平稳,一夯压半夯,夯夯相连,行行相连,每遍纵横交叉,处处夯到,每层至少夯三遍,夯至规定的干密度为止,并达到表面平整坚实。机械压实时,宜先压外困后压中间,行走路线不重第,也不得漏压,后压路线紧跟先压路线,并应多次压实。(I1.)经处理后的软弱土质,在夯实后尚应按具体情况采用碎石、卵石

12、、砾石、碎破、矿渣或砂等一类的材料铺成一层并夯入土U中,以进行基十表面加强、加固处理。其铺设厚度不宜小于60mm,夯入土层深度不小于40mm,铺设材料的粒径直为4060mm。(12)室内地坪填土和房心回填土时,对与沿墙边和柱基础的连接部位,应分层重叠夯填密实:必要时采取与他、柱连接处设置隔离缝的构造措施,填土时与墙、柱分开。防止该部位夯填不实而出现下沉现象,造成地面空鼓或开裂,并沿墙、柱处脱开,影响使用。(13)如基土卜.为非湿陷性土层时,回填砂土可浇水至饱和后加以夯实或振实,每U虚铺厚度不应大于20Omm.(14)回填房心和管沟上时,如遇有上下水管道处,应先用人工将管道周用填土夯实。当填至管

13、顶以上50Omm时,在不损坏管道的情况下,方可采用蛙式打夯机夯实,填夯时应注意保护管道.(15)对厂房、仓库和冷库等地面工程,如属于季节性冰冻地区非采暖房屋或室内温度长期处于OC以下,且在冻结范闱内的冻胀性或强冻胀性土层上铺设地面时,应采取防止冻胀的措施,否则将会因上层冻胀导致地面工程开裂造成质量事故。防冻胀层的厚度应根据当地经验确定,也可按表18-6选用。防冻胀层月度表18-6土的标准冻深(mm)防冻张层厚度(mm)士为冻胀上土为强冻胀土600800I(X)150I2(X)200500180035045022500600注;土的标准冻深和土的冻眼性分类,应按现行国家规范建筑地茶葩础设计规范3

14、(GB5()007-2002)的规定确定.施工时,应将这部分冻胀性土层更换为水稳定性或冻稳定性好的建筑材料,如砂、炉渣、碎石、矿渣及灰土等均可采用.但具体的换土的冻胀层厚度和选用的更换建筑材料均应由设计确定。对于上述情况的地面工程,如设计虽为采暖房屋,但应事先考虑在已完成地面工程而尚未验收交工前,又需越冬而无条件采暖时,也应做好防冻胀处理或采取有效措施,以免因可能发生冻胀造成不应有的质量事故。(16)不得在冻土上进行填土施工。5.质标准(1)主控项目1)基土严禁用淤泥、腐殖土、冻十.、耕植土、膨胀土和含有有机物明含最大于8%的土作为填土。2)基土应均匀密实,压实系数应符合设计要求,设计无要求时,不应小于0.90。质量检查宜用环刀取样,测定其干潴度,求出密实度:或用轻便触探仪直接通过锤击来检测其干密度和密实度.一般情况下,回填土夯实后的干密度应等于或大于1.65gcm1.粘上可降低10%,检查数量按I0050011取样一组,但不少于组,取样应在每层厚度的2/3处,取样测定压实填土的密实度,其合格率不小90%,不合格干密度的最低值与设计值之差不应大于O.O8gcm3(2)一般项目博上

展开阅读全文
相关资源
猜你喜欢
相关搜索

当前位置:首页 > 建筑/环境 > 施工组织

copyright@ 2008-2023 1wenmi网站版权所有

经营许可证编号:宁ICP备2022001189号-1

本站为文档C2C交易模式,即用户上传的文档直接被用户下载,本站只是中间服务平台,本站所有文档下载所得的收益归上传人(含作者)所有。第壹文秘仅提供信息存储空间,仅对用户上传内容的表现方式做保护处理,对上载内容本身不做任何修改或编辑。若文档所含内容侵犯了您的版权或隐私,请立即通知第壹文秘网,我们立即给予删除!