工程场地平整施工技术.docx

上传人:p** 文档编号:1261340 上传时间:2024-12-24 格式:DOCX 页数:8 大小:134.61KB
下载 相关 举报
工程场地平整施工技术.docx_第1页
第1页 / 共8页
工程场地平整施工技术.docx_第2页
第2页 / 共8页
工程场地平整施工技术.docx_第3页
第3页 / 共8页
工程场地平整施工技术.docx_第4页
第4页 / 共8页
工程场地平整施工技术.docx_第5页
第5页 / 共8页
工程场地平整施工技术.docx_第6页
第6页 / 共8页
工程场地平整施工技术.docx_第7页
第7页 / 共8页
工程场地平整施工技术.docx_第8页
第8页 / 共8页
亲,该文档总共8页,全部预览完了,如果喜欢就下载吧!
资源描述

《工程场地平整施工技术.docx》由会员分享,可在线阅读,更多相关《工程场地平整施工技术.docx(8页珍藏版)》请在第壹文秘上搜索。

1、角点】填方宽度O.85X1.5O=1.28(m)角点2挖方宽度1.54X1.25=1.93(m)角点3挖方宽度O.4OI.25=O.5O11)一点4填方宽度1.401.50=2.10(m)按照场地四个控制角点的边坡宽度,利用作图法可得出边坡平面尺寸(如图6-8所示),边坡土方工程量,可划分为三角技体和三角梭柱体两种类型,按表6-34公式计算如下:(1)挖方区边坡土方量%=1X1.93;IJ4X48.5=-24.03(m3)V2=1,93-,542.4=-1.19(m3)匕=+X1.2若2.9=-1.44(m3)Vk引”!产+号耳X60=77.58(11?)V5=j0,5,40.59=-0.02

2、(m3)V6=-050,40.5-0.02(m3)V7-1.05Q-22.6=-0.75(m3)挖方区边坡的土方量合计:Vtt=-24.03+1.19+1.44+47.58+0.02+0.02+0.75)=-75.03(n)(2)城方区边坡的方量V81-57.4=28.13(m3)V9=x1.X223=1.09(m3)Vio=2,1142.28=1.12(m3)CVn=N严)x60=60.42面)Vi2=XxE28851.4=025(rn3)VTX1.当。EX1.22=0.22(n?)vhs1x1.28xO.85x315=571有)填方区边坡的土方呈合计:Vw=28.13+1.()9+1.12

3、+60.42+0.25+0.22+5.71=+96.94(m3)4.土方的平衡与调配计和计算出土方的施工标高、挖填区面积、挖填区土方量,并考虑各种变动因素(如上的松散率、压缩率、沉降量等)进行调整后,应对上方进行综合平衡与调配。土方平衡调配工作是土方规划设计的一项重要内容,其目的在于使土方运输量或十方运输成本为最低的条件下,确定填、挖方区土方的调配方向和数量,从而达到缩短工期和提前经济效益的目的。进行土方平衡与调配.必须综合考虐工程和现场情况、进度要求和土方施工方法以及分期分批施工工程的十方堆放和调运问题,经过全面研究,确定平衡调配的原则之后,才可着手进行土方平衡与调配工作,如划分土方调配区,

4、计算土方的平均运距、单位土方的运价,确定土方的最优调配方案。(1)上方的平衡与调配原则I)挖方与填方基本达到平衡,减少重复倒运。2)挖(填)方量与运距的乘积之和尽可能为最小,即总十方运输量或运输费用最小。3)好土应用在回填密实度要求较高的地区,以避免出现侦量问题。4)取土或弃土应尽量不占农田或少占农田,弃土尽可能有规划地造田。5)分区调配应与全场调配相协调,避免只顾局部平衡,任意挖填而破坏全局平衡。6)调配应与地下构筑物的施工相结合,地下设施的填土,应留土后填.7)选择恰当的调配方向、运输路线、施工顺序,避免土方运输出现对流和乱流现象,同时使于机具调配、机械化施工.(2)土方平衡与调配的步骤及

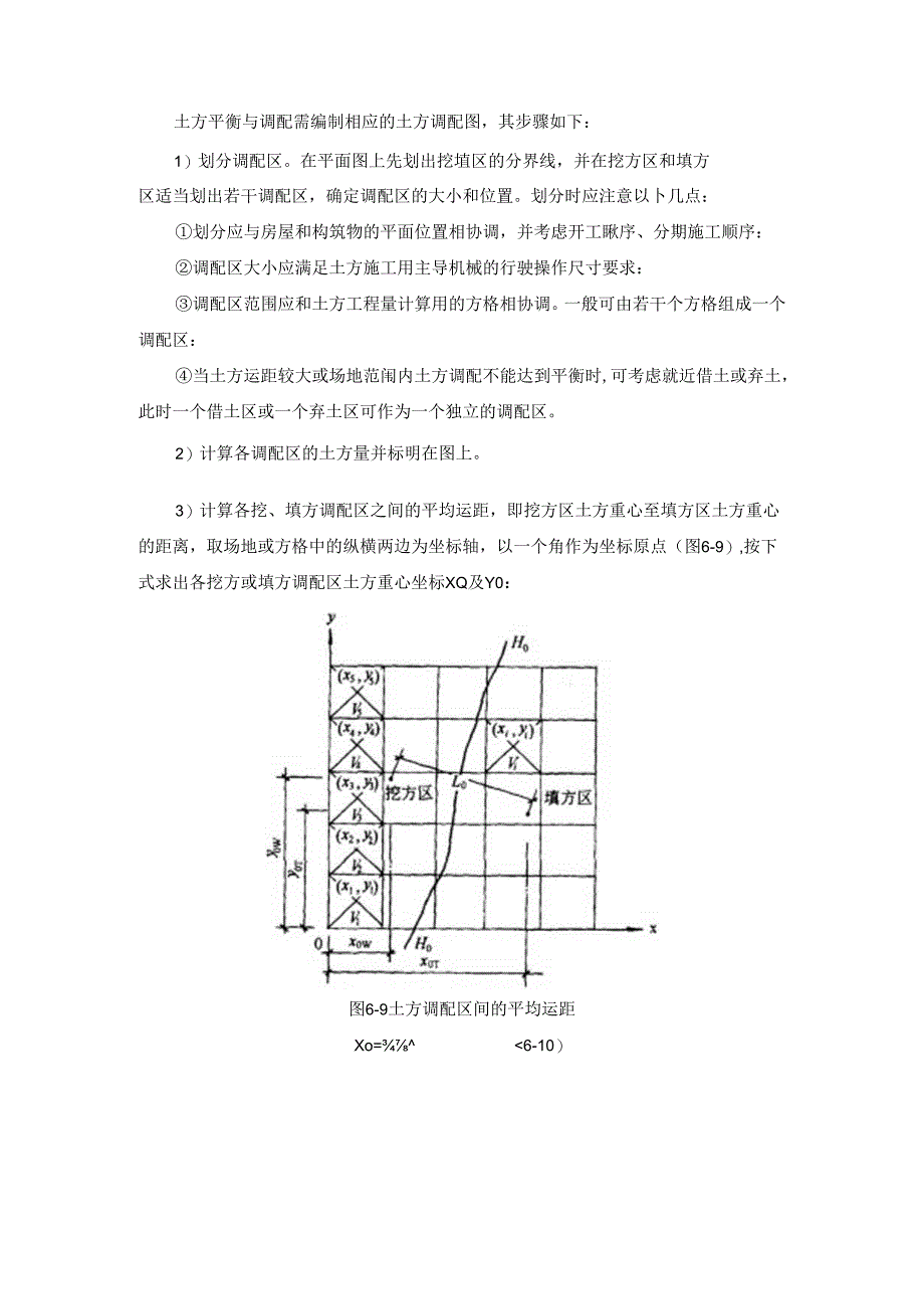
5、方法土方平衡与调配需编制相应的土方调配图,其步骤如下:1)划分调配区。在平面图上先划出挖埴区的分界线,并在挖方区和填方区适当划出若干调配区,确定调配区的大小和位置。划分时应注意以卜几点:划分应与房屋和构筑物的平面位置相协调,并考虑开工瞅序、分期施工顺序:调配区大小应满足土方施工用主导机械的行驶操作尺寸要求:调配区范围应和土方工程量计算用的方格相协调。一般可由若干个方格组成一个调配区:当土方运距较大或场地范闱内土方调配不能达到平衡时,可考虑就近借土或弃土,此时一个借土区或一个弃土区可作为一个独立的调配区。2)计算各调配区的土方量并标明在图上。3)计算各挖、填方调配区之间的平均运距,即挖方区土方重

6、心至填方区土方重心的距离,取场地或方格中的纵横两边为坐标轴,以一个角作为坐标原点(图6-9),按下式求出各挖方或填方调配区土方重心坐标XQ及Y0:图6-9土方调配区间的平均运距Xo=6-10)%w)(6-12)式中XOT.y11填方区的重心坐标:Xow,y(w挖方区的JR心坐标。一股情况卜.,亦可用作图法近似地求出调配区的形心位置O以代桥重心坐标.重心求出后,标于图上,用比例尺量出每对调配区的平均运输距离(1.u、1.I2、1.Ir)所有填挖方调配区之间的平均运距均需计算,并将计算结果列于土方平衡与运距表内(表6-35)。土方平衡与运距表表635注:1.11,1.I2、1.b挖填方之间的平均运

7、距.X1.1.OX2XiJ调配土方重。当填、挖方调配区之间的距离较远,采用自行式铲运机或其他运土工具沿现场道路或规定路线运土时,其运即应按实际情况进行计克.4)确定土方最优调配方案。对于线性规划中的运输间施,可以用“表上作业法”来求解,使总土方运输量为最小值,即为最优调配方案。上式中1.ij一一各调配区之间的平均运距(m):xij一一各调配区的上方量5)绘出土方调配图。根据以上计算,标出调配方向、土方数量及运距(平均运距再加施工机械前进、倒退和转弯必需的最短长度).例6-3矩形广场各调配区的土方量和相互之间的平均运距如图6-10所示,试求最优土方调配方案和土方总运输量及总的平均运距。解先将图6

8、-10中的数值标注在填、挖方平衡及运距表6-36中。图670各调配区的土方量和平均运距采用“最小元素法”编初始调配方案,即根据对应于最小的(平均运距)取尽可能最大的顺值的原则进行调配,首先在运距表内的小方格中找个。最小数值,如表中心2=4/=40,任取其中一个,如人,于是先确定XW的值,使其尽可能的大,即XM=max(4()0500)=400,由于4挖方区的土方全部调到必填方区,所以Xa=X,2=0,将400填入表&37中M格内,加一个括号,同时在六hxc格内打个“X”号,然后在没有“()”、“X”的方格内更史上面步骤,依次地确定其余HJ数值.最后得出初始调配方案(表6-37)。土方初始调配方

9、案表&37K方器、Bi抡方*(m,)A(S)I50X70100500A1.X70(550)40XI90AK550(300)60(100)110(50)70人,45080100(400)40400*力1(-,)8006S0450IWO在表6-37基础上,再进行谢配、调整,用“乘数法”比较不同谢配方案的总运输量,取其最小者,求得最优调配方案(表6-38).该土方最优调配方案的土方总运输量为:W=4005O+1(X)X70+550X40+400X60+5070+4(X)40=925(m3m)其总的平均运距为:1.O-W/V=925001.900-48.68m)土方最优调配方案表&38BiBi物方依(

10、m,)400501007()100A1.500705504。90A255040060no50TOAi45080100400“400中方(m,)800650450SoO最后将表6-38中的土方调配数值绘成土方调配图,如图6-11所列.图671土方调配图土方量(m)注:运距(m)施工现场安全施工注意事项:1、施工人员进入施工现场前,必须要进行施工安全、消防知识的教育和考核工作,对考核不合格的职工,禁止进入施工现场参加施工。2,进入施工现场必须戴好安全帽,系好帽带,并正确使用个人劳动防护用品.3、严格执行操作规程,不得违章指挥和违章作业,对违章作业的指令有权拒绝并有责任制止他人违章作业。4、施工作业

11、时必须正确穿戡个人防护用品,进入施工现场必须戴安全帽。不许私自用火,严禁酒后操作。5、穿拖鞋、高跟鞋、赤脚或赤膊不准进入施工现场。6、穿硬底鞋不得进行登高作业。7,在高空、钢筋、结构上作业时,一定要穿防滑鞋.8、现场用电,一定要有专人管理,同时设专用配电箱,严禁乱接乱拉,采取用电挂牌制度,尤其杜绝违章作业,防止人身、线路,设备事故的发生。9.电钻、电锤、电焊机等电动机具用电、配电箱必须要有漏电保护装置和良好的接地保护地线,所有电动机具和线缆必须定期检查,保证绝缘良好,使用电动机具时应穿绝绿鞋,戴绝缘手套。10、工地施工照明用电,必须使用36伏以下安全电压,所有电器机具在不使用时,必须随时切断电源,防止烧坏设法.11、在用喷灯、电焊机以及必要生火的地方,耍填写用火申请登记和设专人看管,随带消防器材等,保证消防措施的落实。施焊时,特别注意检杳下方有无易燃物,并做好相应的防护,用完后要检查,确认无火后再离开.12、未经安全教育培训合格不得上岗,非操作者严禁进入危险区域:特种作业必须持特种作业资格证上岗。13、凡2m以上的高处作业无安全设施,必须系好安全带:安全带必须先挂牢后再作业。14、高处作业材料和工具等物件不得上抛卜.掷.15、从事高空作业人员要定期体验。凡患有高血压、心脏病、贫血症、嫩痫病以及不适于高空作业的人员,不得从事高空作业。

展开阅读全文
相关资源
猜你喜欢
相关搜索

当前位置:首页 > 建筑/环境 > 施工组织

copyright@ 2008-2023 1wenmi网站版权所有

经营许可证编号:宁ICP备2022001189号-1

本站为文档C2C交易模式,即用户上传的文档直接被用户下载,本站只是中间服务平台,本站所有文档下载所得的收益归上传人(含作者)所有。第壹文秘仅提供信息存储空间,仅对用户上传内容的表现方式做保护处理,对上载内容本身不做任何修改或编辑。若文档所含内容侵犯了您的版权或隐私,请立即通知第壹文秘网,我们立即给予删除!