金属板材屋面施工技术.docx

上传人:p** 文档编号:1265272 上传时间:2024-12-25 格式:DOCX 页数:9 大小:169.31KB
下载 相关 举报
金属板材屋面施工技术.docx_第1页
第1页 / 共9页
金属板材屋面施工技术.docx_第2页
第2页 / 共9页
金属板材屋面施工技术.docx_第3页
第3页 / 共9页
金属板材屋面施工技术.docx_第4页
第4页 / 共9页
金属板材屋面施工技术.docx_第5页
第5页 / 共9页
金属板材屋面施工技术.docx_第6页
第6页 / 共9页
金属板材屋面施工技术.docx_第7页
第7页 / 共9页
金属板材屋面施工技术.docx_第8页
第8页 / 共9页
金属板材屋面施工技术.docx_第9页
第9页 / 共9页
亲,该文档总共9页,全部预览完了,如果喜欢就下载吧!
资源描述

《金属板材屋面施工技术.docx》由会员分享,可在线阅读,更多相关《金属板材屋面施工技术.docx(9页珍藏版)》请在第壹文秘上搜索。

1、16-6金属板材屋面金属板材屋面是指采用金属板材作为屋盖材制,将结构层和防水乂合二为一的屋盖形式。金底板材的种类很多,有锌板、镀铝锌板、铝合金板、铝镁合金板、钦合金板、铜板、不锈钢板等。厚度般为041.5mm,板的表面般进行涂装处理,由于材质及涂以质量的不同,有的板寿命可达50年以上。板的制作形状有多种多样,有的为复合板,即将保温层复合在两层金属板材之间,也有的为单板。施工时,有的板在工厂加工好后现场组装,有的根据屋面工程的需要在现场加工。保温层有的在工厂巨合好,也可以在现场制作。所以金域板材屋面形式多样,从大型公共建筑到厂房、库房、住宅等均有使用。故规范规定金属板材屋面的适用范围为防水等级为

2、IIII级的屋面。16-6-1材料要求16-6-1-1金属板材的规格及技术性能金属板材目前使用较多的是金属压型夹心板,其规格及技术性能可参考表16-77和图16-43。金屈板材应边缘整齐、表面光滑、外形规则,不得有扭糊、锈蚀等缺陷。!S2J有效宽度100O333313333,333.3散色涂层抠M图16-43金属压型夹心板断面金属板材规格性能表1&77项目现格和性能厘面板宽度100O屋面板每块长度(m)12屋面板19度(mm)406080板材厚度0.50.60.50.60.50.6适用谓度范围(c-50-120耐火极限(三)0.6重量(kgm2121413151416展角板、泛水板屋脊板厚度(

3、mm”060716-6-1-2金属板材连接件及密封材料的要求金属板材连接件及密封材料参见表6-78o连接件及密封材料的材料要求表16-78材料名称材料要求自攻螺栓6.3mm、45号钢镇律、塑料帽拉鲫钉铝质抽芯拉柳钉压萩不锈钢密封垫留乙丙橡胶垫圈密封材料丙烯酸、硅制密封青、丁基密封胶条16-6-1-3金属板材保管运输的要求金属板材的堆放场地应平坦、坚实,且便于排除地面水,堆放时应分必,并每隔35m处加放垫木。人工搬运时不得扳单层钢板处,机械运输时应有专用吊具包装。16-6-2施工准备工作I.槐条的规格和间距应根据结构计算确定,每块屋面板端除应设置槐条支承外,中间还应设置1根或I根以上檄条。檄条间

4、距可参考表16-79.金属压型夹心板允许襟条间距n)表16-79板厚(mm)钢板厚mm)荷我(kg.nr)6080I(X)12()150连续简支母肾连续筒支悬连续简支臂连续荷支,i连续简支籽400.54.03.40.93.53.00.83.12.70.72.82.4().62.32.00.50.64.64.11.14.23.60.93.73.20.83.32.90.72.92.50.6600.54.94.21.14.23.60.93.73.20.83.42.90.72.92.50.60.65.74.91.35.04.31.14.53.91.04.03.50.93.73.20.8800.55.9

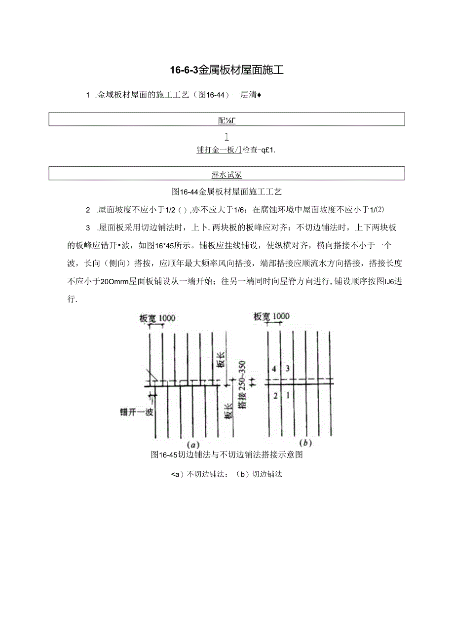
5、5.01.35.04.31.14.53.91.04.03.50.93.73.20.80.67.06.01.55.34.51.14.84.11.O4.63.90.94.13.50.X2 .铺板前应先检查檄条坡度是否准确,安装是否牢固.3 .铺板可采用切边铺法和不切边铺法,切边铺法应事先根据板的排列切割板块搭接处金属板,并将夹心泡沫清除干净。屋角板、包角板、泛水板均应事先切割好。16-6-3金属板材屋面施工1 .金域板材屋面的施工工艺(图16-44)一层清配铺打金一板/检查-q1.淋水试冢图16-44金属板材屋面施工工艺2 .屋面坡度不应小于1/2(),亦不应大于1/6:在腐蚀环境中屋面坡度不应小

6、于1/3 .屋面板采用切边铺法时,上卜.两块板的板峰应对齐:不切边铺法时,上下两块板的板峰应错开波,如图16*45所示。铺板应挂线铺设,使纵横对齐,横向搭接不小于一个波,长向(侧向)搭按,应顺年最大频率风向搭接,端部搭接应顺流水方向搭接,搭接长度不应小于20Omrm屋面板铺设从一端开始;往另一端同时向屋脊方向进行,铺设顺序按图IJ6进行.图16-45切边铺法与不切边铺法搭接示意图a)不切边铺法:(b)切边铺法诵板年最大须率风向图16-46铺板方向4 .每块金属板材两端支承处的板灌均应用M6.3白攻螺栓与檄条固定,中间支承处应每隔一个板峰用M6.3自攻螺栓与擦条固定,如图16-470馁孔时,应垂

7、直不偏斜,将板与橡条起站穿,螺栓固定前,先型好长短边的密封条,食上橡胶密封垫圈和不锈钢压盖一起拧紧。二i板览100O中间支承f1.1.条楠也按设计M63自攻螺线与穰条固定,隔波一个拉那仃10厚不螃!R压甚2X20通长密封般带饵向搭接拄I1.Hr连中距400M63t攻绢城与柳条固定,用波一个板贡100Off-I图16-47金属压型夹心板铺设槽条布置5 .铺板时两板长向搭接间应放置,一条通长密封条,端头应放置,二条密封条(包括屋脊板、泛水板、包加板等),密封条应连续不得间断。螺栓拧紧后,两板的搭接口处还应用丙烯酸或硅陋密封膏封严。6 .两板铺设后,两板的船向搭接处还得用拉铺钉连接,所用钾钉均应用丙

8、烯酸或硅削密封新封严,并用金属或塑料杯盖保护。7 .夹心板纵向搭接、屋脊、檐沟、槽口、山墙包角等细部构造作法见图密封材料像条按工程设计图16-48金属夹心板纵向搭接缝图16-49屋脊密封材料通长胶带图16-50樵沟密封材料通长胶带自攻螺仃与横条固定彩板封檀件图16-52山墙包角8 .金属板材屋面搭盖要求见表16-80.金局板材屋面搭盖要求表16-8()项次搭靛尺寸检骁方法I金属板材的横向搭接不小于I个波用尺度检查2金属板材的纵向搭接N2003金碣板材挑出墙面的长度Z2004金麻板材伸入槽沟内的长度Z1505佥思板材与泛水的搭接宽度20016-6-4质量要求1 .屋面不得有渗漏水:2 .制板的彩

9、色涂U要完整,不得有划伤或锈玛:3 .螺栓或拉钟钉应拧紧,不得松弛:4 .板间密封条应连续,螺栓、拉翎钉和搭接口均应用密封材料封严。16-6-5金属板材屋面的质量检验金底板材的质量直接影响到防水效果和耐久性,金属板材的连接和箔封处理是金属板材屋面防水的关键,故将其列为主控项目。金属板材的安装固定,屋面的排水坡度、檐口线、泛水等的质量也是金属板材屋面工程质量的重要部分,应作为检验项目。金属板材屋面工程质显检验项目、要求和检验方法见表16-81金属板材屋面工程质量检验项目、要求和检验方法表16-81检验JS目要求悔蛤方法主控项目1.金属板材及岫助材料的规格和侦审必须符合设计要求检衣出厂合格证和质疑

10、检验报告2.金姐板材的连接和密封处理必须符合设计要求,不得有海漏视察检查和雨后或淋水检5一般项目1.金屈板材的安装固定安装平整,囚定方法正确,密射完整观察检杳2.排水坡度应符合设计要求尺最检杳3.金属板材屋面的檐口线和泛水段应眼直,无起伏现象观察检查进入施工现场的金属板材应按表1682的要求进行抽样更验,不合格的材料不得在建筑工程中使用.金属板材现场抽样复骗项目表1&82材料名称现场抽样数量外观质崎检验金属板材同一批至少抽一次边缘整齐,表面光滑,色泽均匀,外形规则,不得有用翘、脱脱、锈蚀施工现场安全施工注意事项:1、施工人员进入施工现场前,必须要进行施工安全、消防知识的教育和考核工作,对考核不

11、合格的职工,禁止进入施工现场参加施工.2、进入施工现场必须戴好安全帽,系好帽带,并正确使用个人劳动防护用品.3、严格执行操作规程,不得违章指挥和违章作业,对违章作业的指令有权拒绝并有责任制止他人违章作业。4、施工作业时必须正确穿戡个人防护用品,进入施工现场必须戴安全帽。不许私自用火,严禁酒后操作。5、穿拖鞋、高跟鞋、赤脚或赤膊不准进入施工现场。6、穿硬底鞋不得进行登高作业。7,在高空、钢筋、结构上作业时,一定要穿防滑鞋.8、现场用电,一定要有专人管理,同时设专用配电箱,严禁乱接乱拉,采取用电挂牌制度,尤其杜绝违章作业,防止人身、线路,设备事故的发生。9.电钻、电锤、电焊机等电动机具用电、配电箱

12、必须要有漏电保护装置和良好的接地保护地线,所有电动机具和线缆必须定期检查,保证绝缘良好,使用电动机具时应穿绝绿鞋,戴绝缘手套。10、工地施工照明用电,必须使用36伏以下安全电压,所有电器机具在不使用时,必须随时切断电源,防止烧坏设法.11、在用喷灯、电焊机以及必要生火的地方,耍填写用火申请登记和设专人看管,随带消防器材等,保证消防措施的落实。施焊时,特别注意检杳下方有无易燃物,并做好相应的防护,用完后要检查,确认无火后再离开.12、未经安全教育培训合格不得上岗,非操作者严禁进入危险区域:特种作业必须持特种作业资格证上岗。13、凡2m以上的高处作业无安全设施,必须系好安全带:安全带必须先挂牢后再作业。14、高处作业材料和工具等物件不得上抛卜.掷.15、从事高空作业人员要定期体验。凡患有高血压、心脏病、贫血症、施痛病以及不适于高空作业的人员,不得从事高空作业。

展开阅读全文
相关资源
猜你喜欢
相关搜索

当前位置:首页 > 建筑/环境 > 建筑规范

copyright@ 2008-2023 1wenmi网站版权所有

经营许可证编号:宁ICP备2022001189号-1

本站为文档C2C交易模式,即用户上传的文档直接被用户下载,本站只是中间服务平台,本站所有文档下载所得的收益归上传人(含作者)所有。第壹文秘仅提供信息存储空间,仅对用户上传内容的表现方式做保护处理,对上载内容本身不做任何修改或编辑。若文档所含内容侵犯了您的版权或隐私,请立即通知第壹文秘网,我们立即给予删除!