星级饭店工程部电梯事故处理程序.docx

上传人:p** 文档编号:1271578 上传时间:2024-12-27 格式:DOCX 页数:1 大小:15.08KB
下载 相关 举报
星级饭店工程部电梯事故处理程序.docx_第1页
第1页 / 共1页
亲,该文档总共1页,全部预览完了,如果喜欢就下载吧!
资源描述

《星级饭店工程部电梯事故处理程序.docx》由会员分享,可在线阅读,更多相关《星级饭店工程部电梯事故处理程序.docx(1页珍藏版)》请在第壹文秘上搜索。

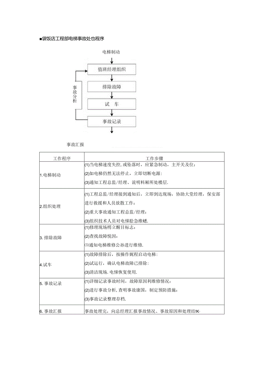
袋饭店工程部电梯事故处也程序电梯制动事故分析事故汇报工作程序工作步骤1.电梯制动(1)当电梯速度失控,或坠落时,应紧急制动,主开关及位:(2)如电梯仍然无法停止,立即切断电源:(3)通知工程总监/经理、说明料厢所处楼层.2.组织处理(1)工程总监/经理接到通知后,立即到达现场,协助大堂经理,保安部进行救援和人员放散工作:(2)重大事故通知工程总监/经理:(3)组织技术人员对电悌脍急维蟋.3.排除故障(1)修理现场樗立醒目标志:(2)查找故障悦因:通知电梯维修公孙进行维修.4.试车(1)故障排除后,按操作娓程启动电梯:(2)试运行,确认电梯故障已排除:(3)清洁现场.电悌恢复使用.5.事故记录(1)详细记录事故时间,故障原因利维修情况:(2)进行事故分析,查明事故康国,制定预防措施:(3)事故记录整理存档.6.事故汇报事故处理完,向总经理汇报事故情况、事故原因和处理结!K

展开阅读全文
相关资源
猜你喜欢
相关搜索

当前位置:首页 > 办公文档 > 事务文书

copyright@ 2008-2023 1wenmi网站版权所有

经营许可证编号:宁ICP备2022001189号-1

本站为文档C2C交易模式,即用户上传的文档直接被用户下载,本站只是中间服务平台,本站所有文档下载所得的收益归上传人(含作者)所有。第壹文秘仅提供信息存储空间,仅对用户上传内容的表现方式做保护处理,对上载内容本身不做任何修改或编辑。若文档所含内容侵犯了您的版权或隐私,请立即通知第壹文秘网,我们立即给予删除!