星级饭店工程部设备故障事故事故处理程序.docx

上传人:p** 文档编号:1271637 上传时间:2024-12-27 格式:DOCX 页数:1 大小:17.43KB
下载 相关 举报
星级饭店工程部设备故障事故事故处理程序.docx_第1页
第1页 / 共1页
亲,该文档总共1页,全部预览完了,如果喜欢就下载吧!
资源描述

《星级饭店工程部设备故障事故事故处理程序.docx》由会员分享,可在线阅读,更多相关《星级饭店工程部设备故障事故事故处理程序.docx(1页珍藏版)》请在第壹文秘上搜索。

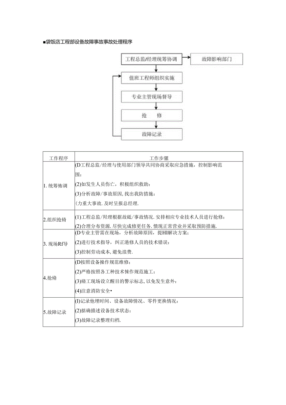
袋饭店工程部设备故障事故事故处理程序工作程序工作步骡1.统筹怖调(D工程总监/经理与使用部门领导共同协商采取应急措施,控制影响范围:(2)如发生人员伤亡,积极组织救助:(3)分析故障/事故原因,找出我防措施:(力重大事故.及时呈报总经理.2.组织抢脩(1)工程总监/羟理根据故砥/事故情况.安排相应专业技术人员进行抢修:(2)合理分布资源.尽快完成修更任务.愦现正常营业并采取预防措施.3.现场Rf导(D专业主管需在现场,分析故障原因,提HI解决方案;(2)进行技术指导,纠正港修人员的技术错误:(3)控制劳动成本,避免浪费.4.抢脩(D按照设备操作规范维修;(2)严格按照各工种技术悚作规范施工:(3)脩工现场设立醒目的警示标志,以免发生意外:(4)注意消防安全5.故障记录(I)记录他埋时间、设备故障情况、零件更换情况:(2)掂确描述设备技术状态:(3)故障记录整理归档.

展开阅读全文
相关资源
猜你喜欢
相关搜索

当前位置:首页 > 办公文档 > 事务文书

copyright@ 2008-2023 1wenmi网站版权所有

经营许可证编号:宁ICP备2022001189号-1

本站为文档C2C交易模式,即用户上传的文档直接被用户下载,本站只是中间服务平台,本站所有文档下载所得的收益归上传人(含作者)所有。第壹文秘仅提供信息存储空间,仅对用户上传内容的表现方式做保护处理,对上载内容本身不做任何修改或编辑。若文档所含内容侵犯了您的版权或隐私,请立即通知第壹文秘网,我们立即给予删除!