200x200x12柱脚计算书.docx

上传人:p** 文档编号:1279611 上传时间:2025-01-16 格式:DOCX 页数:9 大小:55.13KB
下载 相关 举报
200x200x12柱脚计算书.docx_第1页
第1页 / 共9页
200x200x12柱脚计算书.docx_第2页
第2页 / 共9页
200x200x12柱脚计算书.docx_第3页
第3页 / 共9页
200x200x12柱脚计算书.docx_第4页
第4页 / 共9页
200x200x12柱脚计算书.docx_第5页
第5页 / 共9页
200x200x12柱脚计算书.docx_第6页
第6页 / 共9页
200x200x12柱脚计算书.docx_第7页
第7页 / 共9页
200x200x12柱脚计算书.docx_第8页
第8页 / 共9页
200x200x12柱脚计算书.docx_第9页
第9页 / 共9页
亲,该文档总共9页,全部预览完了,如果喜欢就下载吧!
资源描述

《200x200x12柱脚计算书.docx》由会员分享,可在线阅读,更多相关《200x200x12柱脚计算书.docx(9页珍藏版)》请在第壹文秘上搜索。

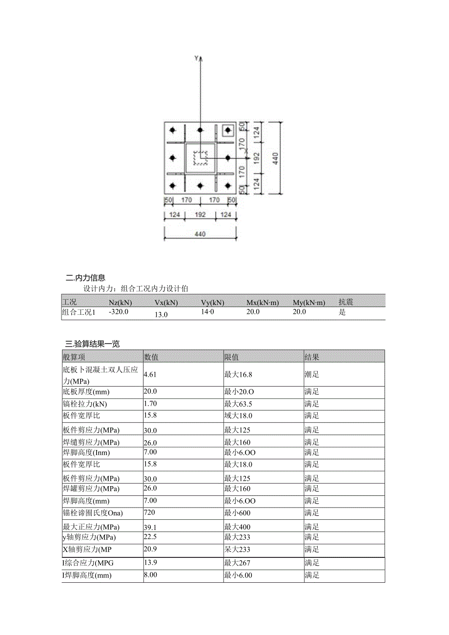
1、“箱形柱外露刚接”节点计算书一.节点基本资料设计依据:建筑抗震设计规范GB500112010(2016版)刑结构连接节点设计手册第四版节点类型为:箱形柱外露刚接柱豉面:BOX-2O012,材料:Q345柱全截面与底板采用对接焊继.焊健等级为:二级,采用引强板:底板尺寸:1.*B=HOrrn410am.厚:T=20InB锚栓信息:个数:8采用锚栓:双端用炸板锚松库Q3I5-M24方形懒栓垫板尺寸(Inn):BT7020底板下混凝土采用C30节点前视图如下:节点下视图如下:二.内力信息设计内力:组合工况内力设计伯工况Nz(kN)Vx(kN)Vy(kN)Mx(kNm)My(kNm)抗震组合工况1-3

2、20.013.014020.020.0是三.验算结果一览般算项数值限值结果底板卜混凝土双人压应力(MPa)4.61最大16.8潮足底板厚度(mm)20.0最小20.O满足镐栓拉力(kN)1.70最大63.5满足板件宽厚比15.8域大18.0满足板件剪应力(MPa)30.0最大125满足焊缱剪应力(MPa)26.0最大160满足焊脚高度(Inm)7.00最小6.OO满足板件宽厚比15.8最大18.0满足板件剪应力(MPa)30.0最大125满足焊罐剪应力(MPa)26.0最大160满足焊脚高度(mm)7.00最小6.OO满足锚栓谛囿氏度Ona)720最小600满足最大正应力(MPa)39.1最大

3、400满足y轴剪应力(MPa)22.5最大233满足X轴剪应力(MP20.9呆大233满足I综合应力(MPG13.9最大267满足I焊脚高度(mm)8.00最小6.00满足四.底板下混凝土局部承压验算控制工况:组合工况1.NH320)kN(受压):M,=20kNm:M,-20kNm1 .按单向公式双向叠加计算1.1 单独X向偏压下计解偏心距;O=2032010,=62.5mm底板计尊方向长度:1.,=440Im底板垂直计算方向长度:B.-140rrm锚怆在计算方向离底板边缘距离:d=50mm1=1.6=4406=73.333me2=1.,6+d3=4406+503=90raneet=73.33

4、3,故底板下混凝土全部受压,受压区长度Xn=1.尸MOfr1.n。.=N(1.+6*1.)1.B.=320(11662.510)440440103=3.062N11m2锚栓群承受的拉力:T.-0单个锚栓承受的最大拉力:NX=O1.2 单独丫向偏压下计豫偏心距:e=2032010=62.5mm底板计豫方向长度:1.-440三底板垂直计算方向长度:B,=44Omm锚性在计算方向离底板边缘距离;d=50mme=1.6=4406=73,3330e1=1.6+d3M406J503=90me=126Hn分布弯矩:Mr,=0.0818X2.333X192X19210,=7.032kNm4海土反力作用下丫向加

5、劲的间区格分布穹炬计算Y向加劲肋间区格按三边支承板it算,偏安全取区格加大混凝上压应力控制工况:组合工况1,最大混凝土压应力:。,=2.803Wmm(已抗震调整)跄度:=192mm悬挑长度:h=0.5M40-200-12)=126tun分布穹矩:U.105)=10511三反力区面积:Sr=(96+105)X105X101.=211.05cm31.Y向加劲助板件睑算控制工况:加合工况1,混凝上压应力:。)2.816Wnmy已抗徭调整)计算区域混凝土反力,F.846X211.05/10-60.074kN控制工况:组合工况1.承担筛检反力:F.=1.277kN(已抗段调整)板件验算控制剪力:Vr=三

6、ax(F.F.)=60.074kN计蚌宽度取为上切边到角点距离:b,=126.717Bm板件宽厚比限值:18X(235235)=18一件宽厚比:brtr=1.26.717/8=15.8418,满足扣除切角加劲肋高度:h,=270-20=25011m板件剪应力:,=V,h.t,=60.074X107(250X8)=30.037MPaWI25WI满足2Y向加劲助饵曲算焊缝的铝控制中J力和控制工况同短件验算,=6O.O74k.X角焊缝有效焊脚高度:h.=0.7X7M.9mm角焊缝计算长用Uh,-2hf=250-2X7=23611n角焯域剪应力:.=Vr(20.7*h,*1.)=60.074X107(24.9X236)=25.975Nmm160N三m2,满足十.锚栓锚固长度

展开阅读全文
相关资源
猜你喜欢
相关搜索

当前位置:首页 > 建筑/环境 > 建筑设计

copyright@ 2008-2023 1wenmi网站版权所有

经营许可证编号:宁ICP备2022001189号-1

本站为文档C2C交易模式,即用户上传的文档直接被用户下载,本站只是中间服务平台,本站所有文档下载所得的收益归上传人(含作者)所有。第壹文秘仅提供信息存储空间,仅对用户上传内容的表现方式做保护处理,对上载内容本身不做任何修改或编辑。若文档所含内容侵犯了您的版权或隐私,请立即通知第壹文秘网,我们立即给予删除!