2024年山东省职业技能等级认定试卷 真题 智能楼宇管理员三级_技能__试卷.docx

上传人:p** 文档编号:1279819 上传时间:2025-01-16 格式:DOCX 页数:6 大小:84.40KB
下载 相关 举报
2024年山东省职业技能等级认定试卷 真题 智能楼宇管理员三级_技能__试卷.docx_第1页
第1页 / 共6页
2024年山东省职业技能等级认定试卷 真题 智能楼宇管理员三级_技能__试卷.docx_第2页
第2页 / 共6页
2024年山东省职业技能等级认定试卷 真题 智能楼宇管理员三级_技能__试卷.docx_第3页
第3页 / 共6页
2024年山东省职业技能等级认定试卷 真题 智能楼宇管理员三级_技能__试卷.docx_第4页
第4页 / 共6页
2024年山东省职业技能等级认定试卷 真题 智能楼宇管理员三级_技能__试卷.docx_第5页
第5页 / 共6页
2024年山东省职业技能等级认定试卷 真题 智能楼宇管理员三级_技能__试卷.docx_第6页
第6页 / 共6页
亲,该文档总共6页,全部预览完了,如果喜欢就下载吧!
资源描述

《2024年山东省职业技能等级认定试卷 真题 智能楼宇管理员三级_技能__试卷.docx》由会员分享,可在线阅读,更多相关《2024年山东省职业技能等级认定试卷 真题 智能楼宇管理员三级_技能__试卷.docx(6页珍藏版)》请在第壹文秘上搜索。

1、2024年山东省职业技能等级认定试卷智能楼宇管理员技能等级认定三级技能考核试卷01注意事项1、考试时间;15Q分钟。2、请首先按要求在试卷的标封处期(写您的姓名、准考证号和所在单位的名称。3、请仔细阅读各种题目的回答要求.在规定的位置填写您的答案.4、不要在试卷上乱写乱行,不要在标封区填写无关的内容.二本题分值:30分三、具体考核内容:根据如下的室内光畿接续示曲图完成光境的开刹装盘、光纤熔接、光纤回盘以及接入光纤稿合器并验收测试,具体要求如下:1、将进畿光缆穿过光缆终端;,并固定在终端盆中。2、完成光缆刺纤与分纤.3、选择合适尾纤.做好光纤和尾纤烙接前的准备工作.4、完成光纤熔接,加热使热缩管

2、缩紧以保护熔接点.5、将热缩管整齐装入光纤终端盒上的盘燃板内。6、将多余光纤盘好并用封箱胶纸固定在光纤终端盒盒内。7、光纤固定好、做光纤完成后招光纤接头接入光纤适配湍(稿合器).8、光纤跳税接入光纤适配器,并完成光纤连通性和光衰值般试.四、考核要求:1、光纤糊合涔接口类型可为SC、ST或FG2、所有操作符合行业安全文明生产规范.五、否定项说明:若考生出现下列情况之一,则应及时终止其考试,考生本题成绩记为零分。1、不懂光纤熔接机操作.2,违反安全操作规定造成大事故.3、考核时间到后,不服从考评员的管理仍雉续操作。3、谛ff细阅读各种题目的回答要求,在规定的位置M写您的答案,4、不要在试卷上乱写乱

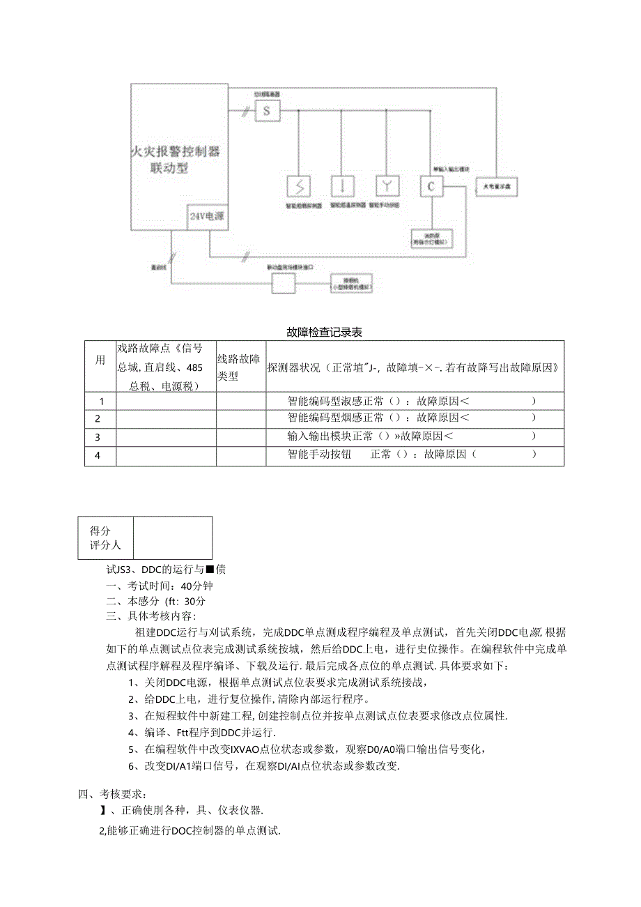
3、痴,不要在标封区填写无关的内容.e三三三三三三三三三三无产*金卡ti得分评分人试题2、火灾自动报警烧故障排除一、考试时间:20分神二、本题分值:10分三、具体考核内容:在规定时间内完成如卜系统图中火灾自动报警系统线路,探测器及模块故障检测与排查.具体要求如下,1、消防主机在开机商用万用表检测系统中信号总线、直启线、485总线、电源税的税路是否正常,并指出设路故障类型(开路、接地),并将线跖故障检测结果填入下表,2、对系统图中探测器、单输入输出模块及智能手动报警按钮进行测试,判断其是否完好.将检查结果及故障原因填C故障检查记录表h3、检测完后排除所有故I.四、考核要求:1、IE确使用各种接线工具

4、、仪式仪罂。2、未经考评员同意不得私自接通设招电源.3、所有操作符合行业安全文明生产规范,五、否定项说明:若考生出现卜列情况之一,则应及时终止其考试,考生本题成绩记为零分。1、不会使用电子编码器或者万用发:2、投坏仪器设备;3、违反安全操作规定造成大事故.4、考核时间到后,不服从考评员的管理仍继续操作.故障检查记录表用戏路故障点信号总城,直启线、485总税、电源税)线路故障类型探测器状况(正常埴J-,故障填-.若有故降写出故障原因1智能编码型淑感正常():故障原因)2智能编码型烟感正常():故障原因)3输入输出模块正常()故障原因)4智能手动按钮正常():故障原因()得分评分人试JS3、DDC

5、的运行与债一、考试时间:40分钟二、本感分(ft:30分三、具体考核内容:祖建DDC运行与刈试系统,完成DDC单点测成程序编程及单点测试,首先关闭DDC电源,根据如下的单点测试点位表完成测试系统按城,然后给DDC上电,进行史位操作。在编程软件中完成单点测试程序解程及程序编译、下载及运行.最后完成各点位的单点测试.具体要求如下:1、关闭DDC电源,根据单点测试点位表要求完成测试系统接战,2、给DDC上电,进行复位操作,清除内部运行程序。3、在短程蚊件中新建工程,创建控制点位并按单点测试点位表要求修改点位属性.4、编译、Ftt程序到DDC并运行.5、在编程软件中改变IXVAO点位状态或参数,观察D

6、0/A0端口输出信号变化,6、改变DI/A1端口信号,在观察DI/AI点位状态或参数改变.四、考核要求:】、正确使刖各种,具、仪表仪器.2,能够正确进行DOC控制器的单点测试.3、所有操作符合行业安全文明生产规范。五否定顶说明:若考生出现下列情况之一,则应及时终止其考试,考生本区成绩记为零分.1、考核装置电源开关自动跳闸:2、损坏仪器设番:3、违反安全操作规定造成大事故.4、考核时间到后,不服从考评员的管理仍继续操作。点能试点位表序号点位名称信号类型点位属性1DIO1.内流电压输入1.=on.0=off;Norma1.1.yopen2D1.02无海触点谕入1.=a1.armt0=no11na1

7、.;Norma1.Iyc1osed3DOO1.可控硅输出24YAC1.-on,O-off;Noina1.Iyopen.-1AIO1.FI流电压输入DfR.O-IOv=O-1005AI02NTC输入Deg,NTC6AOO1.直流电压输出Pct,O-IOv=O-100得分评分人试题4、门兼控帆系线配与排故一、考试时间:30分神二、本题分值:20分:三、具体考核内容:按照如卜的门禁控制系统结性图对电源、设备及接战进行排查,找出故障点并排除“然:后配置系统,完成功旎调试与测试具体要求如下:1、根据门禁控制系统结构图检查电源、设福及接线,学2,捧变故f点并解决问题,将/我的故隙点位汽及故障原因埴入匕故隘

8、检杳记录表h3,正确配置门禁控制器;:4、门禁控制器与计算机的通讯联接:;5、密码开门设定与测试:设世全时段公共开门密码,具体密码由考评员指定:6、IC卡/生物识别信息开门设定与测试:设符注册、增加开门IC卡/生物识别信息,:具体数量由考评员指定::7、IC卡/生物识别信息级别设定:设定优先级别高的IC卡/生物识别信息:8、IC卡/生物识别信息时间段管埋:设定一张IC卡/生物识别信恩允许开门的时间段.:具体由考评员指定,:四、考核要求::1、正确使用各种调试工具、仪表仪.:2、由考评员考前设理两处以上故闲.考生需排查并解决故障.3、按门禁控制系统维护管理规范,正确完成各项操作.1、所有操作符合

9、行业安全文明生产规范,万.、否定项说明:若考生出现下列情况之一,则应及时终止其考试,考生本题成绩记为零分。1、考核装置电源开关自动跳间:2、损坏仪器设备:3、违反安全操作规定造成大犷故,4、考核时间到后,不服从考评员的管理仍绯续操作。故障检查记录表序号故障点位徨故障原因12得分评分人试题6、会议系统配与排故一考试时间:20分钟二、本题分值:10分三、具体考核内容:按照如下的会议系统结构图对电源、设的及接线及进行排查,找出故障点并排除.然后配置系统,完成功能调试与测试.具体要求如下:】、根据会议系统结构图检修电源、设备及接战。2、持堂故障点并解决问题,将杳找的故障点位置及故障原因埴入故障检变记录表机3、对高清会议系统进行基本配置.进入主操作界面.4、配置高清会议终端的视版、音频、多媒体显示设备常规参数.5、配祝网络连接,实现与主会场的通信.6、配置无线传屏,实现手持终端视频显示。四、考核要求:1、正确使用各种安袋工具、仪表仪器.2、按视频会议系统安装操作规范,正确连接、调试各设在。3、所有操作符合行业安全文明生产规范。五、否定项说明:若考生出现下列情况之一,则应及时终止其考试,考生本超成绩记为零分.1、所有设备均未连接成功,2、违反安全操作规定造成大事故.3、考核时间到后,不服从考评员的管理仍维续操作.AftWW高清会议件局清影城”故障检查记录衰序号故的点位盥故障原因I2

展开阅读全文
相关资源
猜你喜欢
相关搜索

当前位置:首页 > 高等教育 > 习题/试题

copyright@ 2008-2023 1wenmi网站版权所有

经营许可证编号:宁ICP备2022001189号-1

本站为文档C2C交易模式,即用户上传的文档直接被用户下载,本站只是中间服务平台,本站所有文档下载所得的收益归上传人(含作者)所有。第壹文秘仅提供信息存储空间,仅对用户上传内容的表现方式做保护处理,对上载内容本身不做任何修改或编辑。若文档所含内容侵犯了您的版权或隐私,请立即通知第壹文秘网,我们立即给予删除!