危险性较大工程清单和安全管理措施.docx

上传人:p** 文档编号:1281310 上传时间:2025-01-16 格式:DOCX 页数:3 大小:13.60KB
下载 相关 举报
危险性较大工程清单和安全管理措施.docx_第1页
第1页 / 共3页
危险性较大工程清单和安全管理措施.docx_第2页
第2页 / 共3页
危险性较大工程清单和安全管理措施.docx_第3页
第3页 / 共3页
亲,该文档总共3页,全部预览完了,如果喜欢就下载吧!
资源描述

《危险性较大工程清单和安全管理措施.docx》由会员分享,可在线阅读,更多相关《危险性较大工程清单和安全管理措施.docx(3页珍藏版)》请在第壹文秘上搜索。

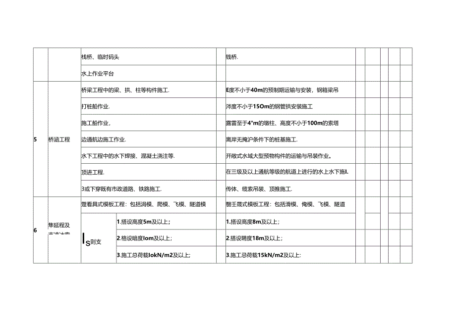
1、危险性较大工程清单和安全管理措施序号獭危险性较大的分部分项工程范围r嬲赢舞糯触般的1i预计周期1三1基坑工程,挖鳏超麻嚼含5m)的基坑(槽)的土方开三三藤全品虢徵犒2滑坡处理中型及以上滑坡体处理疆骤*髓骤S2米且土直翻舞臀蹦;蔚微高度郃米且土万万西是填方边坡高度28米填方边坡高度之12米曾发生过安全事故的高边坡项目3基础工程挡土墙基础金勰麟小于6m且面积不小于1200m2的砌体挡沉井等深水基础水深不小于20m的各类深水基础4盍型临时工围堰工程水深不小于IOm的围堰工程。挂篮猫道、移动模架.栈桥、临时码头钱桥.水上作业平台5桥涵工程桥梁工程中的梁、拱、柱等构件施工.E度不小于40m的预制期运输与

2、安装,钢箱梁吊打桩船作业.涔度不小于15Om的钢管拱安装施工施工船作业,露雷至于4m的墩柱、高度不小于100m的索塔边通航边施工作业.离岸无掩沪条件下的桩基施工.水下工程中的水下焊接、混凝土浇注等.开敞式水域大型预物构件的运输与吊装作业。顶进工程.在三级及以上通航等级的航道上进行的水上水下施I.3或下穿既有市政道路、铁路施工.传体、缆索吊装、顶推施工.6隼延程及蹩看具式模板工程:包括涓模、爬模、飞模、隧道模翳壬晟式模板工程:包括滑模、俺模、飞模、隧道Is则支1.搭设高度5m及以上;1.搭设高度8m及以上;支凌冰索2.格设暗度Iom及以上;2.搭设聘度18m及以上;3.施工总荷载IokN/m2及

3、以上;3.施工忌荷载15kN/m2及以上:4.集中或荷载15kNm及以上;4.集中线荷载20kNm及以上:遵盘点需黑露瀛翳蹩独承里支撑体系:用于钢结构安装等满堂支撑体系舞蕤藉那IW安招满堂支撑体系承7三三三-s*三m三1kn三三三且单件起吊声”采用起重机械进行安装的工程.起击机械安装和拆卸工程.采用非常规方式进行的起击机械安装和拆卸工程.8J抑手架工程舞翳勰瑞翔yER程(包括梏设高度50m及以上的落地式钢管脚手架工程.附着式升售脚手架工程.摩曼懿躁晕咎强的弱式旋脚手架工程或悬另显脚手架工程.分段架体搭设高度20m及以上的悬挑式脚手架工程.高处作业吊篮.镰戳褊翳的或无法按产品说明书要求安装的卸料平台、麋作平台工程.异型脚手架工程。

展开阅读全文
相关资源
猜你喜欢
相关搜索

当前位置:首页 > 管理/人力资源 > 工程管理

copyright@ 2008-2023 1wenmi网站版权所有

经营许可证编号:宁ICP备2022001189号-1

本站为文档C2C交易模式,即用户上传的文档直接被用户下载,本站只是中间服务平台,本站所有文档下载所得的收益归上传人(含作者)所有。第壹文秘仅提供信息存储空间,仅对用户上传内容的表现方式做保护处理,对上载内容本身不做任何修改或编辑。若文档所含内容侵犯了您的版权或隐私,请立即通知第壹文秘网,我们立即给予删除!