单位消防安全检查表.docx

上传人:p** 文档编号:1281730 上传时间:2025-01-16 格式:DOCX 页数:4 大小:14.17KB
下载 相关 举报
单位消防安全检查表.docx_第1页
第1页 / 共4页
单位消防安全检查表.docx_第2页
第2页 / 共4页
单位消防安全检查表.docx_第3页
第3页 / 共4页
单位消防安全检查表.docx_第4页
第4页 / 共4页
亲,该文档总共4页,全部预览完了,如果喜欢就下载吧!
资源描述

《单位消防安全检查表.docx》由会员分享,可在线阅读,更多相关《单位消防安全检查表.docx(4页珍藏版)》请在第壹文秘上搜索。

1、单位消防安全检杳表被有单位(部位):年月FI序号检查内检查的具体内容检查结备注容果OI有Q2无O消防1、是否制定了符合本单位、本岗位实际的消防安全3不全04落安全制度和操作规程以及执行落实情况实05未落实-制度2、是否建立了每日防火巡资、检查制度O1.建立建立02未建立健全3、是否建立了义务消防队防队,职责明确,定期是O1.建立02未建立1、消防安全责任是否明确,是否确定消防安全责任01明确人和管理人。02未明确二消防2、是否落实逐级消防安全员任制和闵位安全员任03落实安全制,明确各询位的消防安全职责.04未落实管埋3、是否建立了本单位消防安全理点单位的防火档05建立案,对防火档案是否及时进行

2、补充和完善.06未建立1、被检fi单位的建筑黝或者场所在施工、使用或者开业前,是否依法办理了有关审核、验收或者检查01办理手续.02未办理三隹筑物2、建筑物管理单位与使用、承包、租赁等单位是否O1.明确消防管理订立合同(或协议,是否明确各自的消防安全贡任.02未明确3、建筑物管理单位与使用、承包、租赁等单位(或01依行个体商户是否履行各自的联责.02未屐行建筑水1、消防水泵是否运转正常O1.正常消防灭02有故隙四设施火系统2、室内外消火栓是否完好,供水是否正常O1.完好正常管理02有问题3、应放空的供水管网是否完全放空、是否有枳水现象O1.放空02未放空4、消防水然水量是否充足01充足02缺水

3、5、各种喷头是否完好O1.完好02有故障6、对现场消防设施、器材的维护、保笄情况I有记录2无记录7.消防设施清洁,无跑、日、滴、漏.O1.无02有四建筑消防设他管F:火灾自动报警系统1、报警系统是否完好、正常01正常02有故障2、消防中心抄制器是否完好正常01正常02有故障3、报警按钿是否正常01正常02不正常4、防、排烟系统是否完好、正常01M常02不正常其它1、其它消防设施、渊材是否完好合格.01合格02不合格五现场管理1、工作现场、岗位有无火灾陷忠01有02无2,安全警示标志齐全、解目。O1.有02无3、岗位人员是否了解本岗位的火灾危险性及按防措施,并且做到会报警、会使用消防器材、会扑救

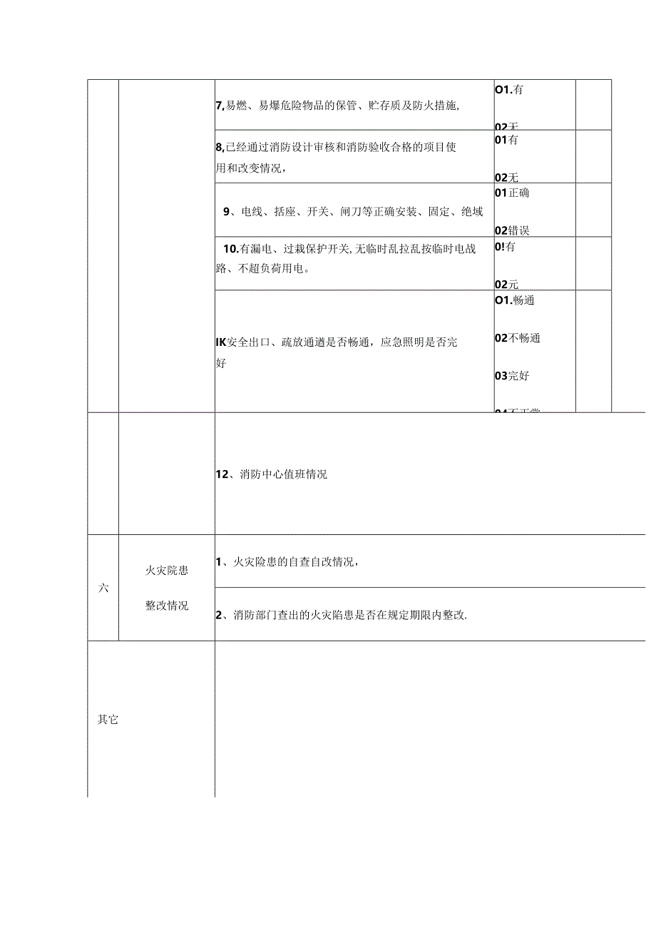
4、初起火灾、会加织人员疏散。01熟悉02不熟悉4、职工对灭火疏散预案的掌握及熟练操作的能力01掌握02不掌握5、用电设备接地正确,接地电阻符合标准,测址有记录.0!有02无6、消防涔材鼠备到位,定期检建。01有02无7,易燃、易爆危险物品的保管、贮存质及防火措施,O1.有02无8,已经通过消防设计审核和消防验收合格的项目使用和改变情况,01有02无9、电线、括座、开关、闸刀等正确安装、固定、绝域01正确02错误10.有漏电、过栽保护开关,无临时乱拉乱按临时电战路、不超负荷用电。0!有02元IK安全出口、疏放通遒是否畅通,应急照明是否完好O1.畅通02不畅通03完好04不正常12、消防中心值班情况六火灾院患整改情况1、火灾险患的自查自改情况,2、消防部门查出的火灾陷患是否在规定期限内整改.其它务改要求检查人员

展开阅读全文
相关资源
猜你喜欢
相关搜索

当前位置:首页 > 办公文档 > 统计图表

copyright@ 2008-2023 1wenmi网站版权所有

经营许可证编号:宁ICP备2022001189号-1

本站为文档C2C交易模式,即用户上传的文档直接被用户下载,本站只是中间服务平台,本站所有文档下载所得的收益归上传人(含作者)所有。第壹文秘仅提供信息存储空间,仅对用户上传内容的表现方式做保护处理,对上载内容本身不做任何修改或编辑。若文档所含内容侵犯了您的版权或隐私,请立即通知第壹文秘网,我们立即给予删除!