全自动等离子(PAW)(不填丝)对接焊工艺作业指导书.docx

上传人:p** 文档编号:1286724 上传时间:2025-01-16 格式:DOCX 页数:2 大小:14.04KB
下载 相关 举报
全自动等离子(PAW)(不填丝)对接焊工艺作业指导书.docx_第1页
第1页 / 共2页
全自动等离子(PAW)(不填丝)对接焊工艺作业指导书.docx_第2页
第2页 / 共2页
亲,该文档总共2页,全部预览完了,如果喜欢就下载吧!
资源描述

《全自动等离子(PAW)(不填丝)对接焊工艺作业指导书.docx》由会员分享,可在线阅读,更多相关《全自动等离子(PAW)(不填丝)对接焊工艺作业指导书.docx(2页珍藏版)》请在第壹文秘上搜索。

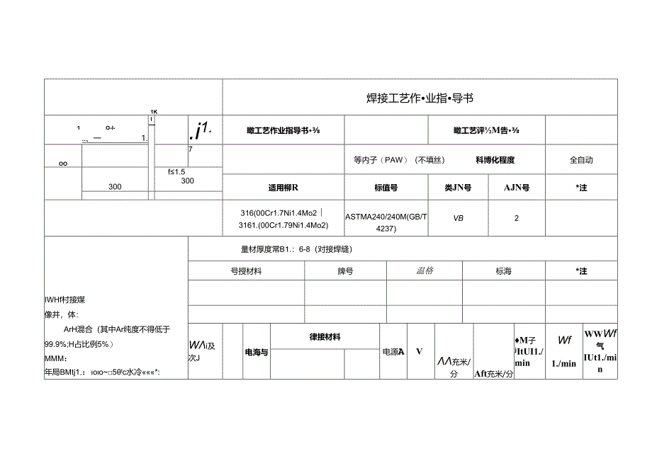
1、1K焊接工艺作业指导书1O-I-.、一1.I一.i1.瞰工艺作业指导书瞰工艺评M告OO7等内子(PAW)(不填丝)科博化程度全自动300f1.5300适用柳R标值号类JN号AJN号*注316(00Cr1.7Ni1.4Mo23161.(00Cr1.79Ni1.4Mo2)ASTMA240/240M(GB/T4237)VB2IWHf村接煤像井,体:ArH混合(其中Ar纯度不得低于99.9%;H占比例5%)MMM:年局BMtj1.:oo5tc水冷*:量材厚度常B1.:6-8(对接焊缝)号授材料牌号温格标海*注Wi及次J电海与律接材料电源AV充米/分Aft充米/分M子jItUI1./minWf1./mi

2、nWWWf气IUt1./minPAW咬嘴孔径4.8mm或3.2mmMK*:PAW的极直径3.2mm,饰糙1等国子焊直潦正接-2502802226300*330-3.5*4.510*162025工艺要求1 .从事焊接工作的焊工,应参加焊工基本知识和操作技能培训和考试,并取得由质收技术监督部门签发的焊工合格证的人员2 .焊接前的准备检查焊机、焊枪、钙极、外保护气托盘(杆)、焊丝、焊剂、冷却水等,只有在各个系统正常的情况下才能焊接。核对工艺流通卡与待焊钢管的标识和内容,检查材质、规格、厚度等是否与工艺流通卡一致。对待焊焊缝两侧各20mm的纵向进行清理,用酒精、丙阳、棉纱、钢丝(轮)等清理影响焊接质址

3、的油污、锈蚀等,并在酒精、丙阳完全发挥后才允许焊接。检查焊丝是否与母材匹配,焊丝是否足够焊完一道焊缝。M*A/0审核3 .焊接时的要点焊接匚艺指导书中的匚艺参数焊接。起孤和炮弧必须在引、收弧板上进行,起弧和炮弧处应在不大于引、收弧板外边缘的50mm处。焊接电流若大于喷嘴允许的最大电流以及铛极与喷啸的不同心会造成等离子煤出现双弧现象,这是不允许的”工件表面的间距一般取35mm过而会使焊透能力降低,过低会使喷啸沾满8溅物).喷嘴的孔径决定等离子弧直径的大小,应根据使用电流和离子气流所决定。焊接时要随时观察饵接电孤情况,并视情况可对焊接参数进行微调,焊接过程中不允许停弧。4 .焊接完成后要对焊健进行自检,对自检发生的缺陷,可按相关规定进行处理,并认真填写相关记录。焊健应与母材网沿过度,不得有裂纹、气孔、咬边、未焊透、焊制、内凹等缺陷.一5.短笆件接后调运苜,必须招焊接小车移至安全位nft日期

展开阅读全文
相关资源
猜你喜欢
相关搜索

当前位置:首页 > 高等教育 > 理学

copyright@ 2008-2023 1wenmi网站版权所有

经营许可证编号:宁ICP备2022001189号-1

本站为文档C2C交易模式,即用户上传的文档直接被用户下载,本站只是中间服务平台,本站所有文档下载所得的收益归上传人(含作者)所有。第壹文秘仅提供信息存储空间,仅对用户上传内容的表现方式做保护处理,对上载内容本身不做任何修改或编辑。若文档所含内容侵犯了您的版权或隐私,请立即通知第壹文秘网,我们立即给予删除!