全面精细化管理汇报材料.docx

上传人:p** 文档编号:1287406 上传时间:2025-01-16 格式:DOCX 页数:12 大小:25.17KB
下载 相关 举报
全面精细化管理汇报材料.docx_第1页
第1页 / 共12页
全面精细化管理汇报材料.docx_第2页
第2页 / 共12页
全面精细化管理汇报材料.docx_第3页
第3页 / 共12页
全面精细化管理汇报材料.docx_第4页
第4页 / 共12页
全面精细化管理汇报材料.docx_第5页
第5页 / 共12页
全面精细化管理汇报材料.docx_第6页
第6页 / 共12页
全面精细化管理汇报材料.docx_第7页
第7页 / 共12页
全面精细化管理汇报材料.docx_第8页
第8页 / 共12页
全面精细化管理汇报材料.docx_第9页
第9页 / 共12页
全面精细化管理汇报材料.docx_第10页
第10页 / 共12页
亲,该文档总共12页,到这儿已超出免费预览范围,如果喜欢就下载吧!
资源描述

《全面精细化管理汇报材料.docx》由会员分享,可在线阅读,更多相关《全面精细化管理汇报材料.docx(12页珍藏版)》请在第壹文秘上搜索。

1、全面精细化管理汇报材料精细化管理是一个系统,也是一个过程,涉及到企业每项制度,每个环节,每道工序及每个指令,其中任何一个局部出现问题都会影响到企业整体的管理质量与效益。*是为电厂发电、供热供应机械加工效劳的生产协助保障单位,主要是为机组大、小修及维护保养供应零配件加工及修复工作,每年加工及修复件5万件左右,每个零件质量的好坏都会在机组运行中产生影响。实施全过程精细化管理,就是紧紧围绕保障机组发电、供热用零配件及修复件这个中心,从根底、点滴入手,完善管理及生产加工过程,以到达工作有标准,过程有追溯,事事有人管,限制全方位的目标,结合*实际,实施全面精细化管理就是要到达:一、平安生产精细化管理到达

2、加工件、修复件刚好、优质、高效完成,平安事故为零。二、材料精细化管理到达方案精确,质量到达本钱降低,库存配置优化、合理。三、文明生产精细化管理到达环境清洁、美丽,办公室、库房、车间等定正管理,标识清晰,摆放标准,工危料净,场地清。*全面推动精细化管理主要从三个方面入手进展细化。一是培育树立精细化管理理念。*始终坚持以观念更新推动管理创新,在全体员工中开展学习?细微环节确定成败?和精细化管理相关学问,并举办一期班组长及管理人员参与的精细化管理培训班,使员工驾驭精细化管理的丰富内涵和精神实质,树立推行精细化管理的紧迫感,激发干好本职工作的主动性,使全体员工都懂得推行精细化管理是提高员工素养,促进企

3、业开展的必经之路,是企业生存和开展的须要。每项工作只有得到全体员工的理解、支持和努力,才能顺当地开展下去,才能取得预期的效果。经过主动开展主题教化活动,激发了全体职工的责任感和工作热忱,为全面实施精细化管理奠定了坚实的根底。二是细化全过程管理,抓住管理重点。*在实施精细化管理工作中,紧紧围绕平安管理、生产加工管理、材料本钱限制、风险限制等环节深化开展,将质量保证体系和一体化管理体系两个体系引入精细化管理中,标准*的各项制度和管理行为,进而堵塞管理漏洞,提高水平。上半年以细化车削加工过程中材质与刀具对应上为点,制订了重点工作推动表,目前已经按此细那么正在执行。上半年与去年同期相比照加工任务多,提

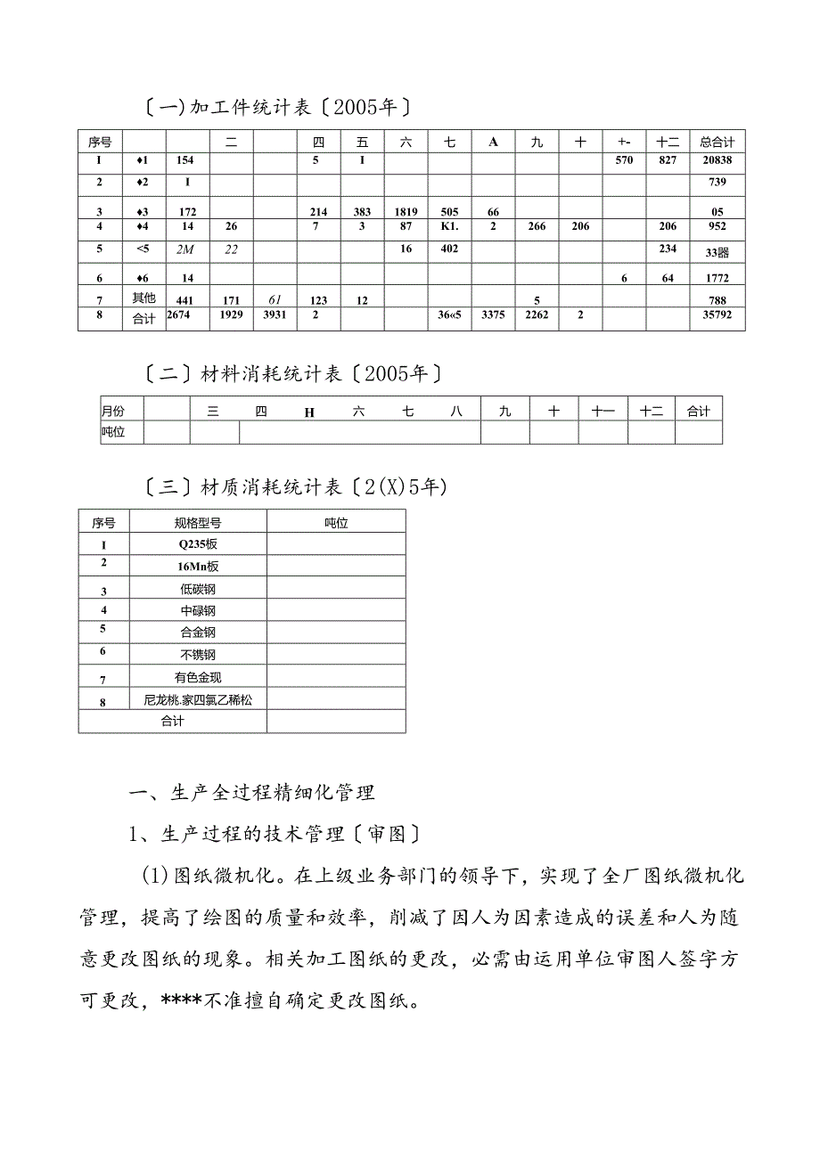
4、高了工作效益(加工工时同比削减100O小时左右),刀具运用材料费用降低了4000元,得到了明显的效益。三是注意数据统计工作,为精的确施精细化管理供应牢靠的数据保证。通过对*工作票、图纸、材料消耗方面的统计,对工时、材料消耗状况进展分类汇总,通过统计可以看出,机组大、小修各月份加工任务的多少,各种材质的材料须要多少,进而及早、刚好与各检修单位沟通,做到材料供应上刚好、精确,加工件完成上优质、高效。(下附05年加工件统计表、05年材料消耗统计表、05年材质消耗统计表一)加工件统计表2005年序号二四五六七A九十+-十二总合计I11545I5708272083822I7393317221438318

5、1950566054414267387K1.2266206206952552M221640223433器661466417727其他441171611231257888合计267419293931236533752262235792二材料消耗统计表2005年月份三四H六七八九十十一十二合计吨位三材质消耗统计表2(X)5年)序号规格型号吨位IQ235板216Mn板3低碳钢4中碌钢5合金钢6不镌钢7有色金现8尼龙桃.家四氯乙稀松合计一、生产全过程精细化管理1、生产过程的技术管理审图(1)图纸微机化。在上级业务部门的领导下,实现了全厂图纸微机化管理,提高了绘图的质量和效率,削减了因人为因素造成的误差

6、和人为随意更改图纸的现象。相关加工图纸的更改,必需由运用单位审图人签字方可更改,*不准擅自确定更改图纸。(2)由专工对加工图纸的工艺性、技术性进展细化审核,刚好发觉图纸上存在的问题,刚好和相关用户沟通,把住生产过程的第一关。在加工材质上,严格核对,精确无误,并对加工图纸按图号登记,刚好转交调度支配生产。(3)由专工结合图纸要求对生产过程的工艺性管理和技术性进展指导,制订较困难工件的工艺设计、工装夹具的设计、试制,生产现场的技术指导和加工措施的制定和实施。2、生产过程中的调度管理(1)工时定额标准化。严格执行国家机械加工行业工时定额标准,合理安排各工种间的工时,充分表达多劳多得的奖金安排原那么,

7、利用工时奖这一杠杆调动广袤工人的工作热忱。(2)工作票下达微机化。在全厂实现图纸微机化管理后,工作票要实现微机化管理,节约时间,操作精确,便于查找。(3)工作票下达刚好、精确,无特别状况严禁无票操作。工作票内容必需字迹清晰、内容完整,工时定额精确率达60%以上,月工作票更改率低于5%。(4)精确计算工件材料,由保管员开用料单,工作票、材料齐全后由调度下达执行。(5)调度全面驾驭生产进度,有效组织生产,每月交生产任务完成状况报表,刚好驾驭加工件的完成状况。(6)在严格执行国家工时定额标准的同时,对大件、单件、急特件的工时定额可适当增加,各岗位人员必需按调度下达的工时标准,按期完成生产任务,工时下

8、达的精确性、合理性均要超过80机3、生产过程的材料管理(1)提高材料方案的精确性,按生产所需进料。收集用料信息,统计图纸和工作票,以知道全年、每月的材料消耗状况;回访用户可知各单位加工件的详细支配;依据生产技术部检修方案可知机组检修的开场和完毕时间,从这些信息中可得到全年检修工作量及各项检修工作详细时间,这样就能精确上报各月材料方案,既能保证生产用料须要,又能降低材料库存,削减资金积压。(2)材料员要严把材料购入关,凡方案内购入的材料,牌号要与方案相符,并要有材质检验报告单和出厂合格证。(3)物资入库要严把质量关,要先验收、后入库,做到手续齐全,杜绝不合格品入库,验收人员要做到仔细细致,数量、

9、规格、品种无误,质量完好,配套齐全。(4)物资出库要严格依据材料调拔单、领料单所列的名称、规格、数量执行,保证数量精确、质量合格,交接清晰。(5)要坚持发料到现场,按图纸要求材质和数量发放,多余材料刚好退库。下料时要指定下料范围,合理利用边角料,削减不必要的奢侈。(6)刚好回收边角料、废料头,标明钢号,以备再用。4、生产过程中的材料、刀具消耗管理在生产加工过程中,由于电厂高温、高压筝特别工作条件的要求,加工和修复的工件品种多,材质特别,每年全*1/3的费用消耗在刀具上,不同材质的刀具适合加工的材质各不一样,假如选择的刀具和所加工的材质不匹配,就会增加平安上的风险,材料上的奢侈也很难保证质量要求

10、。依据前面的统计资料,得出相应的统计数据,合理配备刀具,操作者就能选用相宜的刀具加工。一是能削减岗位风险性;二是能削减加工工序,减轻工人劳动强度,提高工作效率;三是能提高工件质量;四是降低刀具的材料消耗。各种材质消耗状况低碳钢中碳钢合金钢不锈钢有色金属铸件特别大垃采纳大量采纳采纳少用少用少用少用材质和加工件用量对应表件种类材料轴类盘类协作类特别件A3板大量采纳20#钢小型螺杆45#钢采纳采纳铸铁少址采纳有色金属采纳合金钢少量采纳大量运用不锈钢采纳刀具和材料对应表料种类体材料低碳钢中碳钢铸铁有色金属非金属材料YG8采纳采纳采纳YTI4、YT1.5、YT30采纳采纳WI8Cr4V采纳(冷却)采纳(

11、冷却)采纳(冷却)采纳(冷却)W9Cr4V2采纳(冷却)采纳(冷却)采纳(冷却)采纳(冷却)刀具种类和加工材质对应表工材料种类刀体材料、合金钢不锈钢T8W6YT14YTI5米纳YWIYW2采纳采纳采纳YT726YT610米纳从统计图表可知,*加工件的材质及各种材质相匹配的刀具,按着不同操作者加工量和适合加工的工件材质的不同,合理配发刀具,严格管理,细心选用合理的刀具,削减风险,提高加工件质量,降低材料消耗,提高劳动生产率。(附车工刀具配备种类及定额表)类别刀体型号刀块规格数量/100小时外圆车刀9090W2531303C2外圆车刀90反刀90W25Z31303CZ1外圆车刀7575W25413

12、052外圆车刀75反刀75W25ZI13O5Z1外圆车刀4545W2541305A2外圆车刀45反刀75W25Z41305AZ1挑扣刀1.25JCH25-1201内孔车刀9090W30-T3K1331303CZ2内孔车刀45。15W20-TZK1341305AZ1切断刀4Q25J2014焊接刀体序号类别刀体型号数量/月1内孔焊接刀体90。内孔22内孔焊接刀体挑扣6023内孔焊接刀体切刀2524外圆焊接刀体外挑扣2高速钢切刀/月:镀做25X25=7件16X16=3件5、生产过程中的质量管理(1)建立健全产品检查及验收的各项质量标准和制度,严格按要求进展检验,提高产品质量。(2)坚持质量现场检验、

13、抽检、批量件首检及各工序转序检验,并做好相应记录。(3)检验过程中发觉不合格品,要依据详细状况,刚好处理,尽量实行补救措施,防止产生次品。(4)对加工过程中出现的废品,要刚好隔离并填写废品报告单,向主管领导汇报,坚决杜绝废品出厂。(5)定期召开质量现场会和质量分析会,总结加工过程中经验,分析出现次品的缘由,实行相应的措施,并按相关制度进展奖罚。(6)坚持每月的用户质量回访,收集用户的反应看法,对用户提出的问题和看法进展分类整理,并提出整改方案。(7)工件转序经检验员检验,并做好记录。各道工序必需按调度指令刚好转序,上道工序为下道工序负责,工序交接时要检查验收。(8)工件完成后,由最终一序人员连同工作票、图纸交质检员检查验收,工件入库并做好记录。工件取走一周后,质检员将图纸交资料室保存,工作票每天清理上交*调度,并与调度台帐核对,对未按期返回的工作票要查明缘由。(9)生产工艺要科学、精确。质检员要按规定检验,因生产工艺影响工期和造成奢侈由专工负责;因生产指令不清影响工期由调度负责;因漏检出现质量问题,由质检员负责。(10)质检员每月提交产品质量状况,并纳入*月度考核。

展开阅读全文
相关资源
猜你喜欢
相关搜索

当前位置:首页 > 办公文档 > 工作总结

copyright@ 2008-2023 1wenmi网站版权所有

经营许可证编号:宁ICP备2022001189号-1

本站为文档C2C交易模式,即用户上传的文档直接被用户下载,本站只是中间服务平台,本站所有文档下载所得的收益归上传人(含作者)所有。第壹文秘仅提供信息存储空间,仅对用户上传内容的表现方式做保护处理,对上载内容本身不做任何修改或编辑。若文档所含内容侵犯了您的版权或隐私,请立即通知第壹文秘网,我们立即给予删除!