吊篮施工计算书.docx

上传人:p** 文档编号:1289061 上传时间:2025-01-16 格式:DOCX 页数:9 大小:36.59KB
下载 相关 举报
吊篮施工计算书.docx_第1页
第1页 / 共9页
吊篮施工计算书.docx_第2页
第2页 / 共9页
吊篮施工计算书.docx_第3页
第3页 / 共9页
吊篮施工计算书.docx_第4页
第4页 / 共9页
吊篮施工计算书.docx_第5页
第5页 / 共9页
吊篮施工计算书.docx_第6页
第6页 / 共9页
吊篮施工计算书.docx_第7页
第7页 / 共9页
吊篮施工计算书.docx_第8页
第8页 / 共9页
吊篮施工计算书.docx_第9页
第9页 / 共9页
亲,该文档总共9页,全部预览完了,如果喜欢就下载吧!
资源描述

《吊篮施工计算书.docx》由会员分享,可在线阅读,更多相关《吊篮施工计算书.docx(9页珍藏版)》请在第壹文秘上搜索。

1、吊篮施工计算书1吊篮计算1.1验算依据1、4建筑施工工具式脚手架安全技术规范(JGJ2O2-2OIO)高处作业吊篮(GB/TI9155-20I7)2、已知条件悬挂机构:1.64X2=328kg(不含配址)钢平台自重:477kg(悬吊平台、安全锁、提升机、电箱)钢丝绳:15kg(按长度O25kgX3O米X2根)安全钢丝绳:I5kg(按长度O25kgX3O米X2根)电缆线:9kg(按长度30米)领定载重:630kg木工程吊篮允许载重量取400kg,也满足吊篮使用说明书要求,即Q=4KN1.2荷载选取根据建筑施工工具式脚手架安全技术规范(JGJ2O2-2OIO),高处作业吊篮的荷载可分为永久荷载(即

2、恒载)和可变荷载(即活载)两类。永久荷载包括:悬挂机构、吊篮(含电缆和提升机)、钢丝绳、配重块:可变荷载包括:悬挂机构、海工工具、施工材料和风荷载。永久荷栽标准值()应根据生产厂家使用说明书提供的数据选取。海工活荷载标准值),宜按均布荷我考虑,应为IKNm吊篮风荷载标准值应按下式计算:QwK=卬xF式中Q“-一加篮的风荷载标准值(KN):吸一一风荷载标准值(KNm,);F吊篮受风面积(11)1.3吊篮动力钢丝绳强度核算本工程中吊篮最大长度为6米(1)登向荷载标准值动力钢丝绳竖向荷载标准值应按下式计算:GA=(477+15+15+9)8/1000=5168/1000=5.06KNQX=4KNQ1

3、.=(GA+&)/2=(5.06+4)2=4.53KN式中Q卅篮动力钢丝绳蟠向荷栽标准值(N);GM篮及钢丝绳自重标准值(N);Q施工安全荷载标准值(N)。(2)水平风荷载标准值风振系数BZ=I高度变化系数UZ=I.39(按照B类取值(SGB5(X)9-2012中8.2.1)体形变化系数s=0.3(隹GB5009-20I2中续表8.3.1)根据规范要求:工作状态取3o=O35KNm(查GB5(X)9-2()I2中附表E.5)Wk=IX1.39X0.3X0.35=O.I5kNm,已知6米标准吊篮篮体迎风面积计算吊篮受风面积:F=61.18=7.08m标准篮体最大风荷载标准值为:QWK=wkXF=

4、0.15KN/m*X7.08m,=1.06KN水平荷载标准值计算:Q=QWJ24=/2=06z2=053KN(3)动力钢丝绳所受拉力吊篮在使用时,其动力钢丝绳所受拉力应按下式核算:Qo=KJQi2+Qj=9,4.532+0.532=41.05KN式中Q”动力钢丝绳所受拉力的施工核算值(KN);K-安全系数,选取9吊篮在使用时,动力钢丝绳所受拉力(QD)不应大于钢丝绳的破断拉力,即:施工用钢丝绳规格4X31WS+FC8.3mm最小破断拉力53kN41.05kN经计算证明,海工中4X31WS+FC-8.3mm规格钢丝绳符合GB/T19155-2017吊篮标准6.6的安全要求1.4支撑悬挂机构前支架

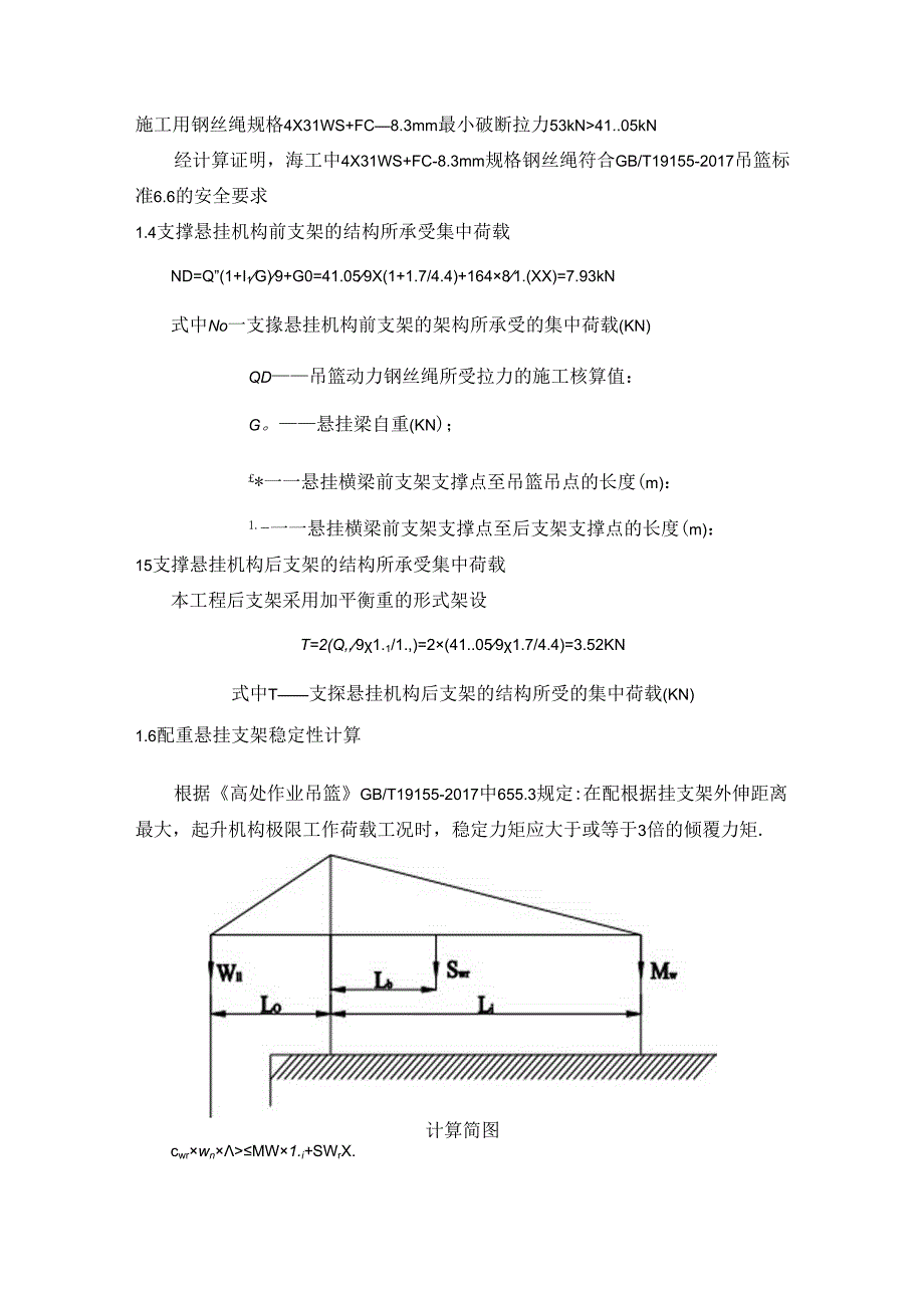
5、的结构所承受集中荷载ND=Q”(1+I1G)9+G0=41.059X(1+1.7/4.4)+16481.(XX)=7.93kN式中No一支掾悬挂机构前支架的架构所承受的集中荷载(KN)QD吊篮动力钢丝绳所受拉力的施工核算值:G。悬挂梁自重(KN);*一一悬挂横梁前支架支撑点至吊篮吊点的长度(m):1.-一一悬挂横梁前支架支撑点至后支架支撑点的长度(m):15支撑悬挂机构后支架的结构所承受集中荷载本工程后支架采用加平衡重的形式架设T=2(Q,91.1/1.,)=2(41.0591.7/4.4)=3.52KN式中T支探悬挂机构后支架的结构所受的集中荷载(KN)1.6配重悬挂支架稳定性计算根据高处作

6、业吊篮GB/T19155-2017中655.3规定:在配根据挂支架外伸距离最大,起升机构极限工作荷载工况时,稳定力矩应大于或等于3倍的倾覆力矩.计算简图cwrwnMW1.i+SWrX.cxf5+S.,x1.t,JOOO/2x4.4+164x(1.7+4.42-1.7)一(至、?*,%.-4.561.(XX)9.81.7满足要求式中C配或悬挂支架稳定系数,大于或等于3:起升机构极限工作战荷,单位为千克(kg):一一配至悬挂支架外侧长度,单位为米(m;M配重版量,单位为千克(kg):一一配重悬挂支架内侧长度,单位为米(m):5配重悬挂支架旗量,单位为千克(kg):1.支点到配或悬挂支架全心的距离,

7、单位为米(m)。1.7后支架增高计算1 .钢结构设计标准GB50017-20172 .构件受力类别:轴心受拉构件.3 .强度验算:3.1 轴心受拉构件的强度,可按下式计算:。=NAf(钢结构设计标准规范第七章)式中N轴心拉力,取N=3.52KNA净截面面积,取A=(70-4)44-1642=928mm2轴心受拉构件的强度。=N/A=3520/928=3.79Nmm2;f钢材的抗拉强度设计值,取f=205Nm111:由丁轴心受拉构件强度。=3.79Nmr112W承载力设计值f=205N/mnr,故满足要求。3. 2受拉构件的长细比,可按下式计算:=1/i式中I构件的计算长度,取1=5300inn

8、;i构件的回转半版取i=Jh=J,严=26.99:YAfr2-(-2f)N1056构件的长细比,入=1.i=5300/26.99-196.37:构件的允许长细比,取=250;构件的长细比X=196.37Wm=250,满足要求!(钢结构设计标准规范第七堂,满足要求!1.8前支架增高计算本工程所用吊篮前支架处所受力为Nn=Qn(+1.,1.2)9+G=4.05,9(1+1.7/4.4)+16481.(XX)=7.93kN5佥克依据:学钢结构设计标准GB50017-20171构件受力类别:轴心受压构件。2强度验算:2.1 轴心受压构件的强度,可按F式计算:。=N/(叫Sf式中N轴心压力,取N=7.9

9、3kN:8轴心受压构件稳定系数,取=0.398mm:A净截面面积,取A=928mn2轴心受压构件的强度O=N/(始)=(7.931000)/)/2=5.o6+42=4.53KN式中a一一吊篮动力钢丝绳竖向荷载标准值(N):G吊篮及钢丝绳自重标准值(N):Q施工安全荷我标准值(N)e(2)水平风荷载标准值风振系数Z=I高度变化系数PZ=1.39(按照B类取值(查GB5009-2012中8.2.1)体形变化系数Ms=0,3(查GB5(X)9-2()12中续表8.3.1根据规位要求:工作状态取3o=035KN11T(杳GB5009-20I2中附表E.5)Wk=1XI.390.3X0.35=0.15k

10、Nm,已知6米标准吊篮篮体迎风面枳计算吊篮受风面积:F=61.18=7.08m,标准篮体最大风荷数标准值为:QWK=uXXF=0J5KN/m,X7.08m,=1.()6KN水平荷载标准值计算:乌=Q2&=痣/2=062=0.53KN(3)动力钢丝绳所受拉力吊篮在使用时,其动力掴丝绳所受拉力应按卜.式核算:Qo=KM+Qj=9x4.532+O.532=41.05KN式中QD-动力钢丝绳所受拉力的施工核算值(KN);K一安全系数,选取9吊篮在使用时,动力钢丝绳所受拉力(QD)不应大于钢丝绳的破断拉力,即:施工用钢丝绳规格4X31WS+FC-8.3mm最小破断拉力53kN41.05kN经计算证明,施

11、工中4X31WS+FC-8.3mm规格钢丝绳符合GB/T19155-2017用篮标准6.6的安全要求2.4 支撑悬挂机构前支架的结构所承受集中荷教前梁1.7米,后梁3米Nd=Qd(1+1.11.2)+Gd41.05/9(1+1.7/3)+17581000=8.86kN式中一支撵悬挂机构前支架的架构所承受的集中荷载(KN)QD吊篮动力钢丝绳所受拉力的施工核算值:G。悬挂梁自重(KN):0一悬挂横梁前支架支撑点至吊篮吊点的长度m);1.-一一悬挂横梁前支架支撑点至后支架支掾点的长度(m):2.5 支撑悬挂机构后支架的结构所承受集中荷载本工程后支架采用加平衡重的形式架设前梁1.7米,后梁3米T=3(QDWN=3x(41.05/9x1.7/3)=7.75KN式中T支撑悬挂机构后支架的结构所受的集中荷载(KN)2.6根据建筑施工扣件式钢管脚手架安全技术规

展开阅读全文
相关资源
猜你喜欢
相关搜索

当前位置:首页 > 建筑/环境 > 设计及方案

copyright@ 2008-2023 1wenmi网站版权所有

经营许可证编号:宁ICP备2022001189号-1

本站为文档C2C交易模式,即用户上传的文档直接被用户下载,本站只是中间服务平台,本站所有文档下载所得的收益归上传人(含作者)所有。第壹文秘仅提供信息存储空间,仅对用户上传内容的表现方式做保护处理,对上载内容本身不做任何修改或编辑。若文档所含内容侵犯了您的版权或隐私,请立即通知第壹文秘网,我们立即给予删除!