吊篮施工技术交底.docx

上传人:p** 文档编号:1289215 上传时间:2025-01-16 格式:DOCX 页数:5 大小:53.45KB
下载 相关 举报
吊篮施工技术交底.docx_第1页
第1页 / 共5页
吊篮施工技术交底.docx_第2页
第2页 / 共5页
吊篮施工技术交底.docx_第3页
第3页 / 共5页
吊篮施工技术交底.docx_第4页
第4页 / 共5页
吊篮施工技术交底.docx_第5页
第5页 / 共5页
亲,该文档总共5页,全部预览完了,如果喜欢就下载吧!
资源描述

《吊篮施工技术交底.docx》由会员分享,可在线阅读,更多相关《吊篮施工技术交底.docx(5页珍藏版)》请在第壹文秘上搜索。

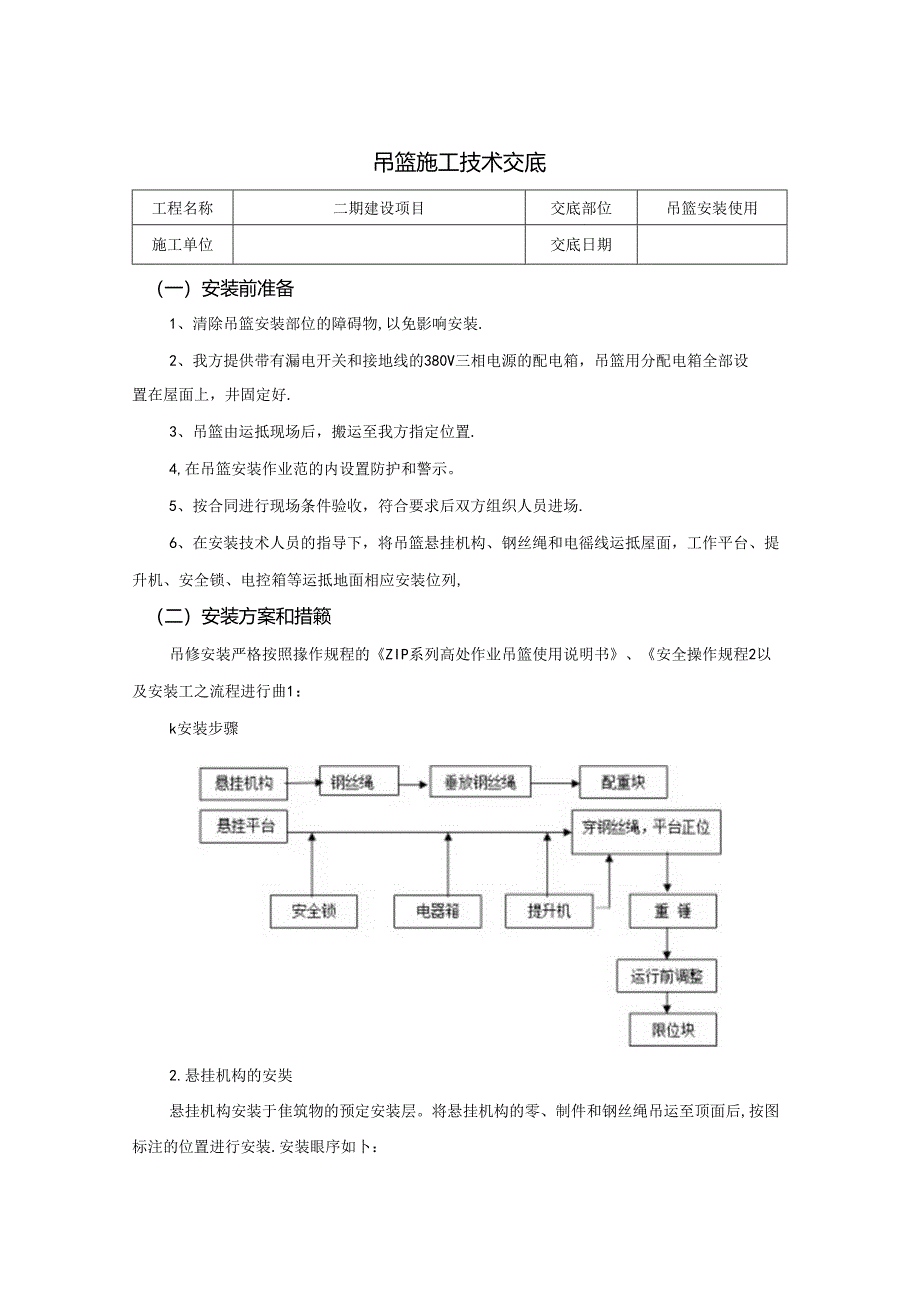
1、吊篮施工技术交底工程名称二期建设项目交底部位吊篮安装使用施工单位交底日期(一)安装前准备1、清除吊篮安装部位的障碍物,以免影响安装.2、我方提供带有漏电开关和接地线的380V三相电源的配电箱,吊篮用分配电箱全部设置在屋面上,井固定好.3、吊篮由运抵现场后,搬运至我方指定位置.4,在吊篮安装作业范的内设置防护和警示。5、按合同进行现场条件验收,符合要求后双方组织人员进场.6、在安装技术人员的指导下,将吊篮悬挂机构、钢丝绳和电徭线运抵屋面,工作平台、提升机、安全锁、电控箱等运抵地面相应安装位列,(二)安装方案和措籁吊修安装严格按照掾作规程的ZIP系列高处作业吊篮使用说明书、安全操作规程2以及安装工

2、之流程进行曲1:k安装步骤2.悬挂机构的安奘悬挂机构安装于隹筑物的预定安装层。将悬挂机构的零、制件和钢丝绳吊运至顶面后,按图标注的位置进行安装.安装眼序如卜:施工单位交底日期(1)谓节悬挂支架的前伸缩架,使前梁下测而略高于女儿墙(或其它障碍物)高度.在可能的情况下,在悬挂机构定位后,在前梁伸出端下恻面与女儿墙间加垫木块固定。(2)曲梁伸出端悬伸长度Z1.P630型为O.81.7米.前、后座间距肉在场地允许情况下.尽Ift冏整最大距离.(3)张紧加强钢丝掰时,使前梁略微上翅3-5网米,产生预应力,提海前梁刚度。(4)装夹钢统绳时.绳夹的数量是4个,IJ形开口在钢丝绳尾端对侧,且方向对齐.绳夹应从

3、吊装点处开始依次夹紧,并在最后一个绳夹和前一个绳夹间,使钢丝掰有少许拱起.(5)垂放钢丝绳时,将铜丝绳自由盘放在楼台面,将绳头ff细抽出后沿墙而暖檄向卜滑入,制丝绳放先后应将缠结的微小心分开压住,地面多余的钢丝堤仔细盘好扎紧.悬挂支架定位后,带前后座脚轮的刖插削固定.配重块每块25公斤,将配重块均衡套置于后座的四根配重块安装杆上.配重块数址根据前梁延伸氏度、前后座间距愍和悬吊我荷验算确定.3、悬吊平台的安装:悬吊平价的安装断!序:施工单位交底日期悬吊平台的安装、调整:(I)选择平整的地坪做安袋面.(2)用底架、高、低栏杆分别把基本节加装并初步连接好,调整而、低栏杆,使它们保持在一条宜线上.(3

4、)安装两用提升机安装架使安全锁支板朝向平台外侧.(4)装成后均匀紧固全部连接螺栓,(5)在低栏杆一侧的中部横杆的适当位设装好瓶墙支撞轮.4、安全锁及提升机的安装:(1)安全锁和提升机分别安装于悬吊平台两端提升机安该架上的安全锁支架和提升机支承中,安全锁安袋时使摆曾滚轮朝向平台内侧.(2)提升机安装于悬吊平台内,安装时将提升机搬运至悬吊平台内,使提升机背面的矩形凹框对准提升机支承.插入的轴并用锁销锁定后.在提升机箱体上端用二只连接蝶栓将提升机固定在提升机安装架的横框上,也可以在通电后,在悬吊平台外将工作钢丝绳穿入提升机内,并点动上升按钮将提升机吊入悬吊平台内进行安装.枭用后一种方法安装时,须将提

5、升机出绳门处桧妥垫空,并在钢丝绳战出出绳”时用于小心格绳引出,防止钢丝绳头部冲击地面受损。5、电控箱安装于悬吊平台中间部位的高栏杆上,电箱门刈向悬吊平台内仰.再将电控箱固定在栏杆的方管上.电控箱安装固定后,将电源电缆、电机电缆、操纵开关电缆的接研头插入电箱卜玷的相应插座中。6、通电、检查(I)电源是否380V电源,电源电缆接出是否可靠固定,工程名称二期建设项目交底部位吊篮安装使用施工单位交底日期(2)顶面悬挂机构安放邛稳,固定可靠连接螺栓无松动,平衡无曳块固定可靠,(3)钢丝绳连接处的绳口装夹正确,螺母拧紧可提。(4)悬垂钢丝绳应分开,无打结、煽绕和折弯,(5)提升机、安全锁及悬吊平台安装正确

6、,连接可拳连接螺栓无松动或虚紧,连接处构件无变形或开裂现象,(6)电缆接插件接插正确无松动,保险锁扣可靠领紧.(7)建筑施工立面上无明显凸出物或其它陈阳勃。通电后检查及要求:(8)闭合电箱内开关,电气系统通电.(9)将转换开关置于左位置,分别点动操纵开关的上升和卜降按钮,左提升机电机正反运转.(IQ)将转换开关置于中间位祝,分别点动操纵开关的上升和下降按钮,左、右提升机电机同时正反运转.(I1.)将转换开关置于中间位置启动左右提升机后,按下电箱门上紧停按钮(红色),电机停止运转,旋动紧停按钮使其笈位后,可绑续启动.(12)将转换开关置千中间位比后动左右提升机后分别按下各行程开关触头时电机应停止

7、运转。放开触头后,可继续启动。7,穿工作钢丝绳穿工作钢丝绳:位于悬拄机构前端内侧位置的二根钢丝绳是工作钢丝绳,穿入提升机机内。D将钢准绳穿入端穿过安全锁接普上的滚轮槽后.插入提升机上端进绳口,至插不进时将钢丝绳略做提起后用力下捅,使钢丝绳抽紧后提升机内.2转动转换开关并按下相应的上升按钮,使别丝绳平衡抱自动穿绕于提升机的转动盘上。3)将穿出的钢丝绳通过提升机支架下端,垂II引放到悬品平台外侧,并做放好。(力两端提升机分别穿绳至钢丝,操拉紧时即刻停止,然后将转换开关游至中间位置,点动上升按钮,同时拉住悬吊平台两端,使其在自柬作用下平衡处于赳吊状态,防止悬吊平工程名称二期建设项目交底部位吊篮安装使

8、用施工单位交底日期台高开地面时与墙面或其他物体撞击.待能吊平台离地面20-30厘米时停止上升,并检查抵小平台是否处于水平状态,如有倾斜,可将转换开关转至低端检查,并点动上升按钮,使悬吊平台低端提升机宜至处于水平位置.8、穿安全钢丝掰将位于悬挂机构前梁端头外侧的钢丝绳,穿入安全锁内。穿绳时先将安全钺找特向上抬起,再将钢丝绳穿入端插入安全锁上方的进绳门中,用手推进,自由通过安全锁后,从安全钺卜方的出绳口符纲丝绳拉出,点至将钢丝绳拉紧。9、安装上限位装S1.当工作吊篮上升时,装在安全钺上的限位开关碰触上限位块.可使吊篮停止上升,保障施工安全.10、垂镣是固定在安全网丝绳下端用来拉紧和秘定钢丝绳,防止悬吊平台在提升机将审准绳的同拉起而影响悬吊平台正常运行.安装时.将二个半片夹在钢丝绳下端离开地面约5-6硬米,然后用蝶松紧固于钢丝绳上。IK险收、交接安装完毕后,组织有关人员进行检查,并填写4电动吊篮安装交接衣h由使用地位项目负成人签字后方可投入使用。12、安全大提及自惭器的安装安全大在楼顶的堆挂点必须牢固,切不可将安全大掰攀挂悬挂机构上面,顶部挂完后安全大绳放置于吊篮的中间,自锁器直:接安装在安全人绳上面。注意:自钺器不得装反.审核人交底人质景检杳员交底接受人:

展开阅读全文
相关资源
猜你喜欢
相关搜索

当前位置:首页 > 建筑/环境 > 设计及方案

copyright@ 2008-2023 1wenmi网站版权所有

经营许可证编号:宁ICP备2022001189号-1

本站为文档C2C交易模式,即用户上传的文档直接被用户下载,本站只是中间服务平台,本站所有文档下载所得的收益归上传人(含作者)所有。第壹文秘仅提供信息存储空间,仅对用户上传内容的表现方式做保护处理,对上载内容本身不做任何修改或编辑。若文档所含内容侵犯了您的版权或隐私,请立即通知第壹文秘网,我们立即给予删除!