药业公司挂靠、走票风险控制措施和预防措施评估记录表.docx

上传人:p** 文档编号:1290842 上传时间:2025-01-16 格式:DOCX 页数:2 大小:10.59KB
下载 相关 举报
药业公司挂靠、走票风险控制措施和预防措施评估记录表.docx_第1页
第1页 / 共2页
药业公司挂靠、走票风险控制措施和预防措施评估记录表.docx_第2页
第2页 / 共2页
亲,该文档总共2页,全部预览完了,如果喜欢就下载吧!
资源描述

《药业公司挂靠、走票风险控制措施和预防措施评估记录表.docx》由会员分享,可在线阅读,更多相关《药业公司挂靠、走票风险控制措施和预防措施评估记录表.docx(2页珍藏版)》请在第壹文秘上搜索。

1、药业公司挂靠、走票风险控制措施和预防措施评估记录表序号:4风险分析风险类别经营基本情况风险名称挂靠、走票风险描述4.挂靠、走票的经营行为风险后果4.无法保证药品进销的合法性、真实性,带来财务、质量风险预期风险评估(未发生)风险的影响程度(SEV)评分标准及评分风险发生的可能性(OCC)评分标准及评分风险的可识别性采取控制措施前风险级别及坐标位置严重危害()高O 中等() 低O 微小()SEV评分:5 非常高O口高O 中等O低O 微小OOCC评分:2 不易发现或危害已经爆发后必须专项检查才能发现 内审、排查时才能发现很快能够发现 日常检查就能发现高风险(红色)中等风险(黄色)低风险(绿色)SEV

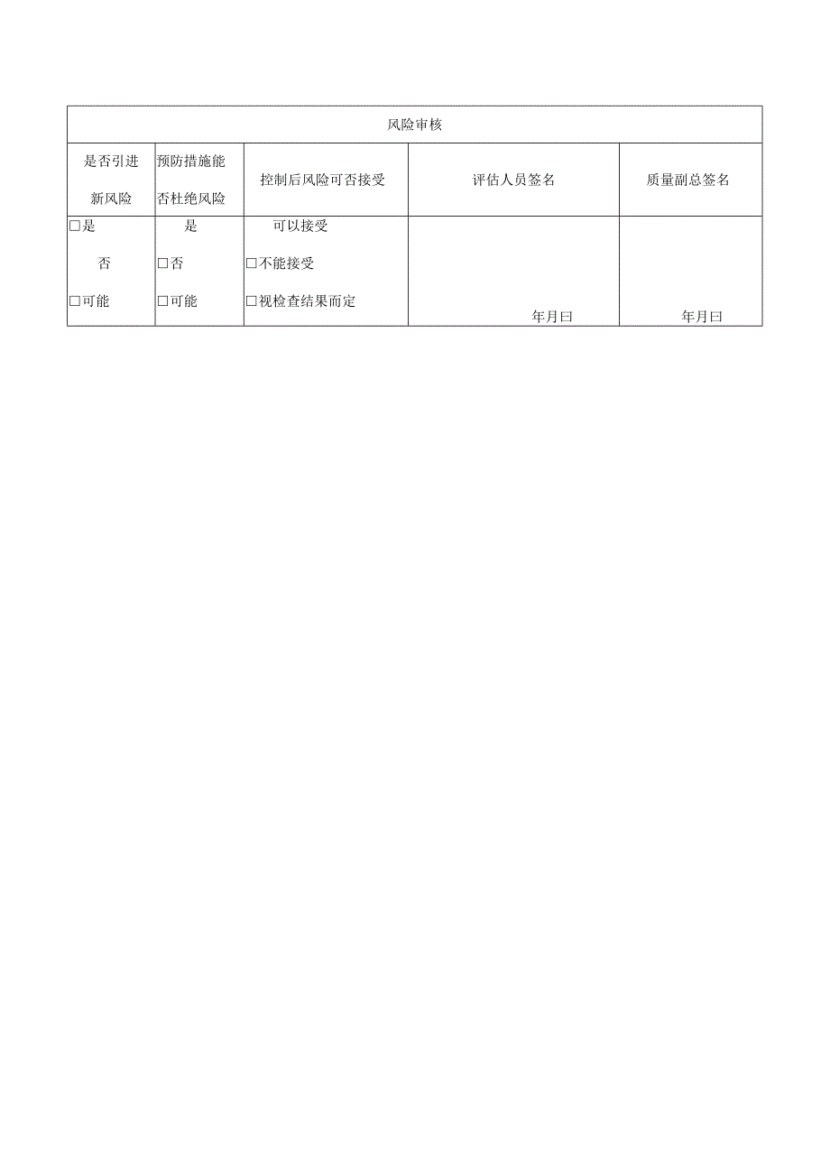
2、X0CC:10风险控制措施和预防措施严格管理,所有业务均为公司正式入职业务人员负责风险实际发生后的评估(已采取控制)采取控制措施后的严重程度(SEV)评分采取控制措施后的发生几率(OCC)评分风险控制彻底性米取控制措施后风险级别及坐标位置 严重危害() 高O 中等()低O 微小()SEV评分:2 非常高O口高O 中等O 低O微小OOCC评分:1 存有较大隐患,会延续下去 存有一定隐患,会延续下去存有较小隐患,会延续下去 存有较小隐患,无延续性 不再存有任何隐患,无延续性高风险(红色)中等风险(黄色)低风险(绿色)SEVX0CC:2风险审核是否引进新风险预防措施能否杜绝风险控制后风险可否接受评估人员签名质量副总签名是否可能是否可能可以接受不能接受视检查结果而定年月曰年月曰

展开阅读全文
相关资源
猜你喜欢
相关搜索

当前位置:首页 > 论文 > 毕业论文

copyright@ 2008-2023 1wenmi网站版权所有

经营许可证编号:宁ICP备2022001189号-1

本站为文档C2C交易模式,即用户上传的文档直接被用户下载,本站只是中间服务平台,本站所有文档下载所得的收益归上传人(含作者)所有。第壹文秘仅提供信息存储空间,仅对用户上传内容的表现方式做保护处理,对上载内容本身不做任何修改或编辑。若文档所含内容侵犯了您的版权或隐私,请立即通知第壹文秘网,我们立即给予删除!