药业公司企业负责人人员与培训风险控制措施和预防措施评估记录表.docx

上传人:p** 文档编号:1291054 上传时间:2025-01-16 格式:DOCX 页数:2 大小:11.22KB
下载 相关 举报
药业公司企业负责人人员与培训风险控制措施和预防措施评估记录表.docx_第1页
第1页 / 共2页
药业公司企业负责人人员与培训风险控制措施和预防措施评估记录表.docx_第2页
第2页 / 共2页
亲,该文档总共2页,全部预览完了,如果喜欢就下载吧!
资源描述

《药业公司企业负责人人员与培训风险控制措施和预防措施评估记录表.docx》由会员分享,可在线阅读,更多相关《药业公司企业负责人人员与培训风险控制措施和预防措施评估记录表.docx(2页珍藏版)》请在第壹文秘上搜索。

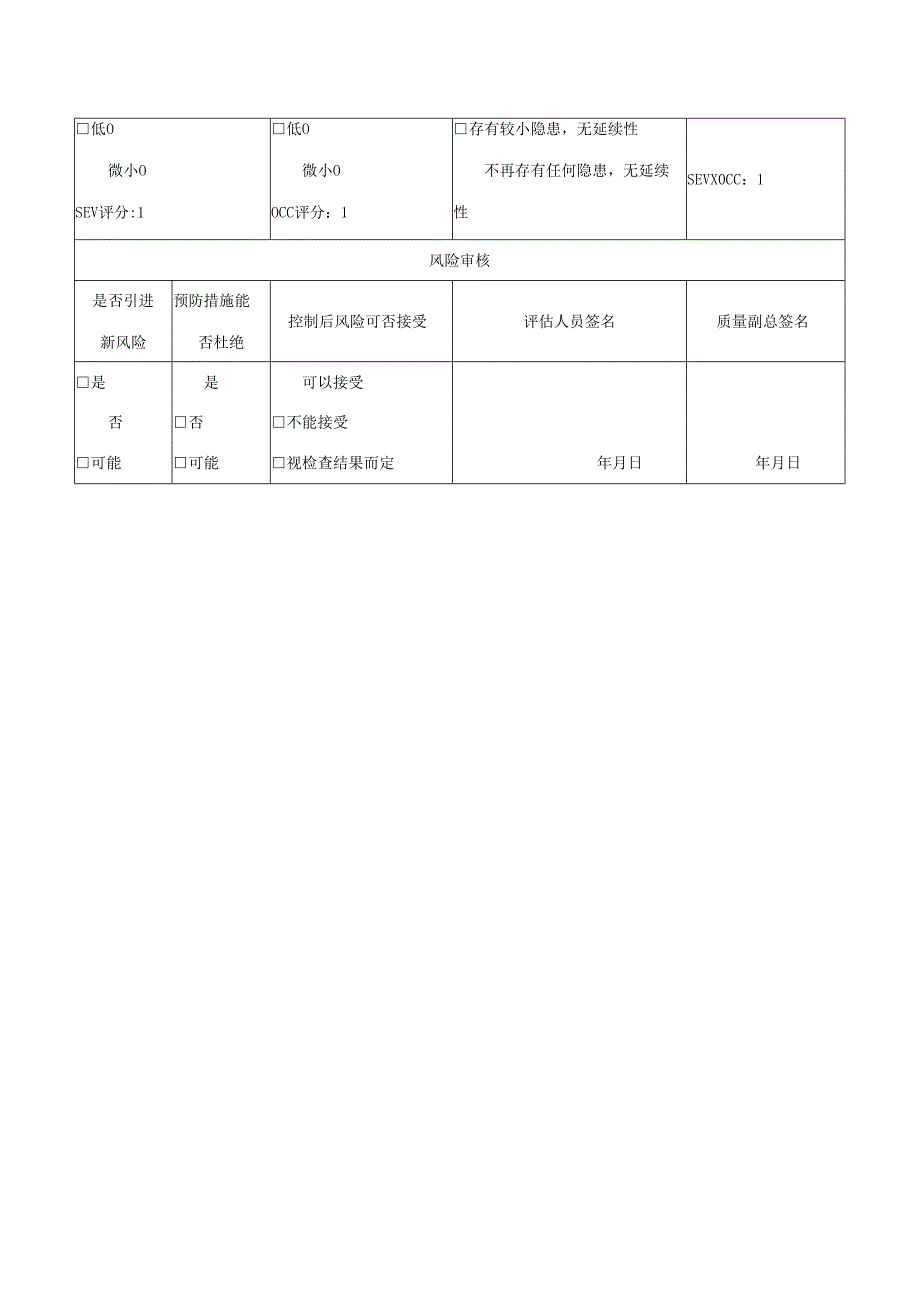
1、药业公司企业负责人人员与培训风险控制措施和预防措施评估记录表序号:21、22风险分析风险类别人员与培训风险名称企业负责人风险描述21 .企业负责人无大专以上学历和中级以上专业技术职称22 .未经过基本的药学专业知识培训或不熟悉有关药品管理的法律法规及本规范风险后果21 .基础学历技能不够,不能保证其管理能力和质量意识22 .不能确保其能够提供足够的质量支持,不能保证体系运行预期风险评估(未发生)风险的影响程度(SEV)评分标准及评分风险发生的可能性(OCC)评分标准及评分风险的可识别性采取控制措施前风险级别及坐标位置严重危害O 高O 中等() 低O 微小OSEV评分:5 非常高O口高O 中等O

2、低O 微小OOCC评分:2 不易发现或危害已经爆发后必须专项检查才能发现 内审、排查时才能发现很快能够发现 日常检查就能发现高风险(红色)中等风险(黄色)低风险(绿色)SEVX0CC:10风险控制措施和预防措施21 .企业负责人具有大专学历22 .经过基本的药学专业知识培训,熟悉有关药品管理的法律法规及本规范风险实际发生后的评估(已采取控制)采取控制措施后的严重程度(SEV)评分采取控制措施后的发生几率(OCC)评分风险控制彻底性米取控制措施后风险级别及坐标位置 严重危害O 高O 中等()非常高O口高O中等O 存有较大隐患,会延续下去 存有一定隐患,会延续下去 存有较小隐患,会延续下去高风险(红色)中等风险(黄色)低风险(绿色)低O微小OSEV评分:1低O微小OOCC评分:1存有较小隐患,无延续性不再存有任何隐患,无延续性SEVX0CC:1风险审核是否引进新风险预防措施能否杜绝控制后风险可否接受评估人员签名质量副总签名是是可以接受否否不能接受可能可能视检查结果而定年月日年月日

展开阅读全文
相关资源
猜你喜欢
相关搜索

当前位置:首页 > 管理/人力资源 > 咨询培训

copyright@ 2008-2023 1wenmi网站版权所有

经营许可证编号:宁ICP备2022001189号-1

本站为文档C2C交易模式,即用户上传的文档直接被用户下载,本站只是中间服务平台,本站所有文档下载所得的收益归上传人(含作者)所有。第壹文秘仅提供信息存储空间,仅对用户上传内容的表现方式做保护处理,对上载内容本身不做任何修改或编辑。若文档所含内容侵犯了您的版权或隐私,请立即通知第壹文秘网,我们立即给予删除!