职业技术学校《电力机车控制》实训手册.docx

上传人:p** 文档编号:1291339 上传时间:2025-01-16 格式:DOCX 页数:13 大小:284.30KB
下载 相关 举报
职业技术学校《电力机车控制》实训手册.docx_第1页
第1页 / 共13页
职业技术学校《电力机车控制》实训手册.docx_第2页
第2页 / 共13页
职业技术学校《电力机车控制》实训手册.docx_第3页
第3页 / 共13页
职业技术学校《电力机车控制》实训手册.docx_第4页
第4页 / 共13页
职业技术学校《电力机车控制》实训手册.docx_第5页
第5页 / 共13页
职业技术学校《电力机车控制》实训手册.docx_第6页
第6页 / 共13页
职业技术学校《电力机车控制》实训手册.docx_第7页
第7页 / 共13页
职业技术学校《电力机车控制》实训手册.docx_第8页
第8页 / 共13页
职业技术学校《电力机车控制》实训手册.docx_第9页
第9页 / 共13页
职业技术学校《电力机车控制》实训手册.docx_第10页
第10页 / 共13页
亲,该文档总共13页,到这儿已超出免费预览范围,如果喜欢就下载吧!
资源描述

《职业技术学校《电力机车控制》实训手册.docx》由会员分享,可在线阅读,更多相关《职业技术学校《电力机车控制》实训手册.docx(13页珍藏版)》请在第壹文秘上搜索。

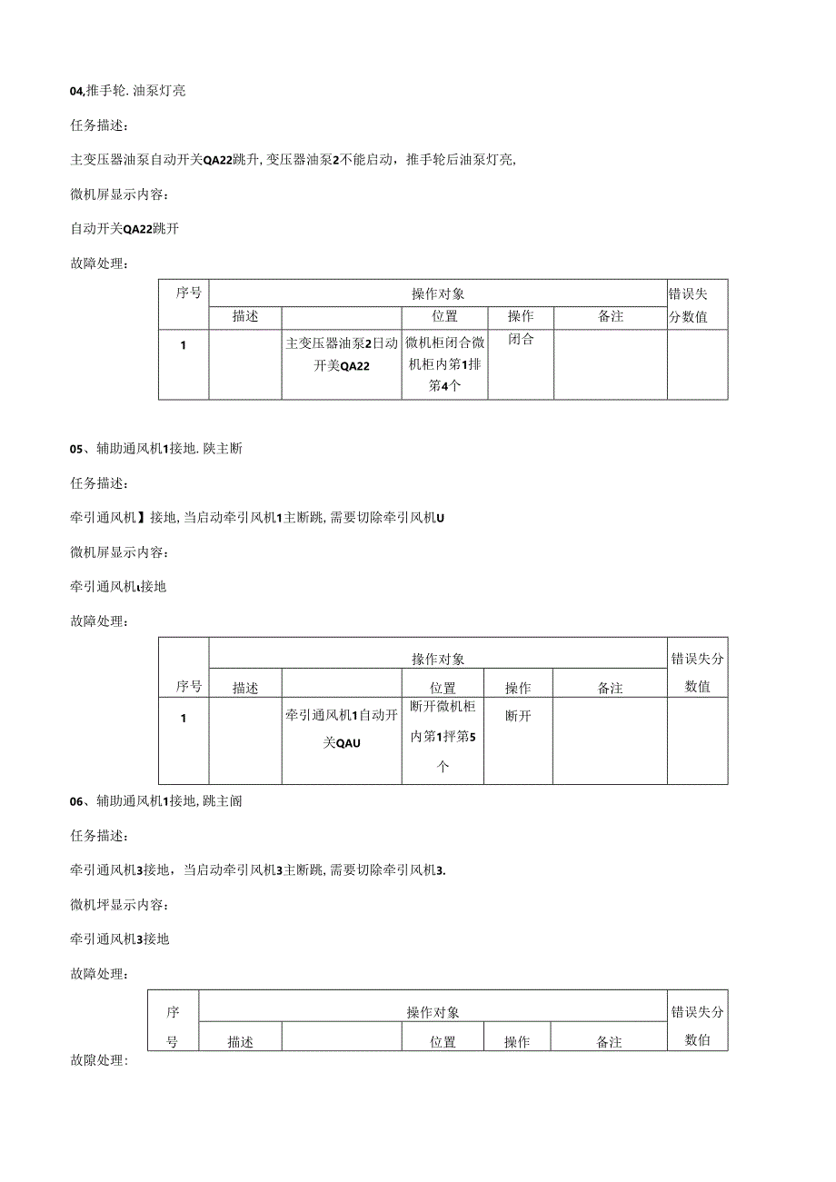
1、附录1电力机车控制实训手册实训1应急故障处理考核采用计算机自动判分Ok合电钥匙电钥匙无电任务描述:因为QA13断开,导致合电钥匙全车无电,故障灯全部不亮。微机屏显示内容:自动开关QM3跳开.故障处理:序号操作对象错误失分数值描述名称位祝操作爸注1司机控制1自动开关QA43微机柜内第2和第6个闭合X02、合机车控制开关,控制接地灯亮任务描述:QA59断开.故障导致主置合不上微机屏显示内容:控制接地线榴有电故障处理:序号操作对象错误失分数值描述名稼位祝操作备注1控制口1路接地自动开关QA59闭合微机柜内第2持第9个闭合03、推手轮,油泵灯亮任务描述:主变压潺油泵自动开关QA21跳升.变味器油泵1不

2、能启动,推手轮后油柒灯亮.微机屏显示内容:自动开关Q21跳开故障处理:序号操作对象错误失分数值描述位置操作任注1主变压器油泵1自动开关QR21闭合微机柜内笫1排第3个闭合04,推手轮.油泵灯亮任务描述:主变压器油泵自动开关QA22跳升,变压器油泵2不能启动,推手轮后油泵灯亮,微机屏显示内容:自动开关QA22跳开故障处理:序号操作对象错误失分数值描述位置操作备注1主变压器油泵2日动开美QA22微机柜闭合微机柜内笫1排笫4个闭合05、辅助通风机1接地.陕主断任务描述:牵引通风机】接地,当启动牵引风机1主断跳,需要切除牵引风机U微机屏显示内容:牵引通风机接地故障处理:序号掾作对象错误失分数值描述位置

3、操作备注1牵引通风机1自动开关QAU断开微机柜内笫1抨第5个断开06、辅助通风机1接地,跳主阍任务描述:牵引通风机3接地,当启动牵引风机3主断跳,需要切除牵引风机3.微机坪显示内容:牵引通风机3接地故障处理:序号操作对象错误失分数伯描述位置操作备注故隙处理:序号操作对象倍误失分数值描述位置操作符注1坡位按钮SB61按司机台左面上的黄色狂位按钮复也19、受电弓升不起任务描述:司机控制1自动开关QA43跳开,受电弓开不起,微机屏显示内容:自动开关QN3跳开故隙处理:序号操作对象错误失分数值描述位置操作备注1司机控制1自动开关QA43闭合微机柜内第2排第6个闭合20、受电弓升不起任务描述:前弓故障升

4、不起,使用后弓维持运行。微机屏显示内容:前弓升不起故障处理:序号操作对象错误失分数值描述位置操作备注1升弓扳键司机台闭合司机台面上的升弓扳键升后弓21、主断合不上任务描述:按下了司机军操纵台上的紧急按钮SMO3,主斯合不J1.微机屏显示内容:紧急按钮SAIo3按F序号操作对象错误失分数俏代号操作描述1.E运转位制动缸风压降至Oo15BREAKSNG1.E小闸手柄“全副”位机车制动缸风压2-3秒升至300kPa.16Bkeaksinc1.E小间手柄“运转”位机车制动缸风压3-5秒降至0.17SKQ_SH0VBING换向手柄前”位18Brrakaiain大闸手柄“紧急”位列车管风压迅速降到0,制动

5、显示屏显示“动力切除”:均衡风缸风乐线慢降至0:自动嫩砂5秒:机车制动缸风压3-5秒升至20OkPa,并维续升至450kPa.19BREAKSING1.E-DOUN小网手柄W1.f1.E制动缸风压降至0:20BREAKSING1.E-DOVN小闸手檎松开松开小附手柄机车制动缸风压不回升。21BREAKMAIN大间手柄“运转”位22SKQ-S1.1.(XJBING换向手柄“0”位制动机试船完毕,采取防溜措施后,断电降弓,压缩机板键开关置0位.23SB-13主断断开24SB41降弓25S&I5压缩机闭合参考文献1张友松、朱龙聃韶山4:型电力机车:中国铁道出版社20062许聪明电力机车控制:中国铁道

6、出版社20083华平电力机车控制:中国铁道出版社2003电干柜电源保沪装置24V24V稳W用肩工作灯I5V015VS压触触电痢/B组转假开关048V048V发发AB回i三A电源BBff1.电双柜电子插件电干柜A/B组转夜开关照明开关I电函运行位捌率开关故障位桥切除装置电子柜插座M1.O1.-KioeQSiQS3电干柜电子插件陶风扇层自动开关675SB电子柜电子持件B组i运行充电闸刀666QSft负蜕H5刀667QSW联用刀668QS正常位蓄电池充电桥装置整流笞(接地669XB)故障转校开关学压一卷地236QS237QSff1.功补I牵引风速573QSmD1.5nR1制动闯几575QS58IQS

7、mff1.受电弓单节开弓587Q3588QS囚】制动风速588S备用mD丹IYVr3YV口286KT528KT530KT632KT533STD546KA546KA544KA548KA285KE558KA2MKE560KAO561KA口562口566KA三567KA三83KJ26OR)25Kd(255C)(257C)I28ITC1.29IUCM1.RJt1.(262R)503VT5卜504V-f-509V-510V-44OKM442KK219QA223224HEJ22?QA接线以于I接线端子22042052012022033XI电容247C电容249C电容251C故潭转换开关券相机2率引风速24

8、2QS574QSmm2日引风机压缩机578S579QSmm*i恸风机油泵582QS534QSff1.D主断路器2郑动风速58SS590QSmm主变风机备用599QSff1.R劈相机启动电阻OOOO4v523Kr526KT527K7535KT536KT539KTDDDDD54IKA542KA549KA560KA551KA口540KA556KA557KA559KA563KA口564KA565KA568KA569KA678KAO口raJDOOOO固定分玷电阻C)。,Q)Q)磁场削弱电阻27KI17Y7/18YVf1.IOTYVF前18KM17KH122SV)91KI库用闸刀20QP空栽试验闸刀IOQ

9、PI1.I1.II1.1.1.1.II11I1.II反向器卒朝开关匚n匚=匚=二zEZ=nUn(=CZzI=J&工&工107YVBV眉d107QPBW107QPF107QPB107QPT107YVBIOTYVT制革主接地间刀95QS接地电ffi191R193R195ROOOOOO固定分跖电阻磁场削弱电阻47YV/48YVf1.92KM108YVBV108YVF108YVB108YVT启前制革dddd50QP1111主接地用刀108QPBW108QPF108QPBIOKJPT96QS然地电团192R194R196RA3三15IXSS1B*刷I;第E0强演谓义演幽演aSS俄觐力群咨狷蚪购)-故然聋=St=X=4盎量t=x=:遢-jk-三-量孟母;:二42JIRMr5TIE4EIfTTNUBEppg:逢“中U:nH:瑞MmCCCppOQUt4fcmwKMffUtIt1”wW1tfmTHMINVD-I71Nr2k11.1:3MU1.MN卜Im11的口411|情也7H11MVND却诩AIMIM(M)5C:1.*-J-nmNMf14A车24M-211FCIJWCIWTCMfFC.13g.g.1

展开阅读全文
相关资源
猜你喜欢
相关搜索

当前位置:首页 > 中学教育 > 职业教育

copyright@ 2008-2023 1wenmi网站版权所有

经营许可证编号:宁ICP备2022001189号-1

本站为文档C2C交易模式,即用户上传的文档直接被用户下载,本站只是中间服务平台,本站所有文档下载所得的收益归上传人(含作者)所有。第壹文秘仅提供信息存储空间,仅对用户上传内容的表现方式做保护处理,对上载内容本身不做任何修改或编辑。若文档所含内容侵犯了您的版权或隐私,请立即通知第壹文秘网,我们立即给予删除!