变压器交流耐压试验标准化作业指导卡.docx

上传人:p** 文档编号:1293430 上传时间:2025-01-16 格式:DOCX 页数:3 大小:23.46KB
下载 相关 举报
变压器交流耐压试验标准化作业指导卡.docx_第1页
第1页 / 共3页
变压器交流耐压试验标准化作业指导卡.docx_第2页
第2页 / 共3页
变压器交流耐压试验标准化作业指导卡.docx_第3页
第3页 / 共3页
亲,该文档总共3页,全部预览完了,如果喜欢就下载吧!
资源描述

《变压器交流耐压试验标准化作业指导卡.docx》由会员分享,可在线阅读,更多相关《变压器交流耐压试验标准化作业指导卡.docx(3页珍藏版)》请在第壹文秘上搜索。

1、变压器交流耐压试验标准化作业指导卡实训空名称:变压器检修实训空适用专业:发电厂及电力系统、供用电技术一、作业准备阶段序号准务工作内容1试验原理讲解变压器交流耐压试验原理2操作人员准备穿戴各种防护用品,包括工作服、绝缘鞋等3工器具准符变压器交流耐压试验装置一套、安全护栏等4开工会在现场向工作班人员详细交待工作任务、安全措施和技术措俺.并让工作人员在工作票上签名.方可开始工作.二、作业实施阶段序号试验内容操作方法和注意事项1接线参照冏录接线原理图进行接战,保证所有接地良好可靠.2自动试验准备按照规程规建布置好护栏,检杳接线无误后打开试验箱开关等待设备升代至显示屏上显示出主菜中.选择自动试蛤,按照设

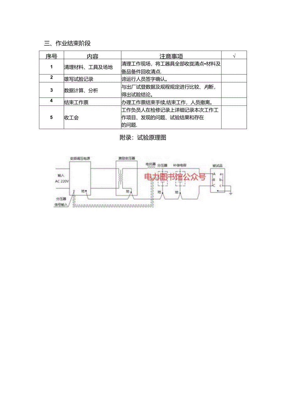
2、备怙牌逐项进行参数设徨。注意:保护电压-般按照测试电压的1.1倍整定,最高不得超过1.1倍数值.3自动试脸型数设过完毕后自动进入试验界面,仪器自动寻找谐振频率(先粗调后细调),找到谐振频率后可选则自动升出(或者手动升压)进行升压测试,-1升压试验电逐渐升高至测试电压值后等待一分钟测试完成(测试过程中如果变压器内部发出异响要立刻切断电源,H至发现并解决设备向时之前不得反复试睑)5测录结果试胎结束后,显示屏出现试验数据,6记录数据手动记录试验数据.7手动试验准备选择手动试脸按照设备铭牌逐项进行参数设式8手动试验参数设置完毕后自动进入试验界面,手动寻找谐振痂率(按“-雄”可以调整调痂步进),找到谐振频率后可手动升压进行升压测试,9测量结果试验结束后,显示屏出现试验数据.10记录数据手动记录试验数掘,11比较结果比较向动试验和手动试验的结果三、作业结束阶段序号内容注意事项1清理材料、工具及场地清理工作现场,将工器具全部收拢清点材料及备品备件回收清点.2雄写试脸记录谛运行人员签字确认。3数据计算、分析与出厂试登数据及规程规定进行比较、判断,得出试睑结论。4结束工作票办理工作票结束手续,结束工作,人员撤离。5收工会工作负员人在检修记录上详细记录本次工作工作项目、发现的问题、试验结果和存在的问题.附录:试验原理图

展开阅读全文
相关资源
猜你喜欢
相关搜索

当前位置:首页 > 行业资料 > 国内外标准规范

copyright@ 2008-2023 1wenmi网站版权所有

经营许可证编号:宁ICP备2022001189号-1

本站为文档C2C交易模式,即用户上传的文档直接被用户下载,本站只是中间服务平台,本站所有文档下载所得的收益归上传人(含作者)所有。第壹文秘仅提供信息存储空间,仅对用户上传内容的表现方式做保护处理,对上载内容本身不做任何修改或编辑。若文档所含内容侵犯了您的版权或隐私,请立即通知第壹文秘网,我们立即给予删除!