基于S7-300 PLC的货物仓储系统中的对直线导轨的定位控制.docx

上传人:p** 文档编号:1294415 上传时间:2025-01-16 格式:DOCX 页数:12 大小:320.40KB
下载 相关 举报
基于S7-300 PLC的货物仓储系统中的对直线导轨的定位控制.docx_第1页
第1页 / 共12页
基于S7-300 PLC的货物仓储系统中的对直线导轨的定位控制.docx_第2页
第2页 / 共12页
基于S7-300 PLC的货物仓储系统中的对直线导轨的定位控制.docx_第3页
第3页 / 共12页
基于S7-300 PLC的货物仓储系统中的对直线导轨的定位控制.docx_第4页
第4页 / 共12页
基于S7-300 PLC的货物仓储系统中的对直线导轨的定位控制.docx_第5页
第5页 / 共12页
基于S7-300 PLC的货物仓储系统中的对直线导轨的定位控制.docx_第6页
第6页 / 共12页
基于S7-300 PLC的货物仓储系统中的对直线导轨的定位控制.docx_第7页
第7页 / 共12页
基于S7-300 PLC的货物仓储系统中的对直线导轨的定位控制.docx_第8页
第8页 / 共12页
基于S7-300 PLC的货物仓储系统中的对直线导轨的定位控制.docx_第9页
第9页 / 共12页
基于S7-300 PLC的货物仓储系统中的对直线导轨的定位控制.docx_第10页
第10页 / 共12页
亲,该文档总共12页,到这儿已超出免费预览范围,如果喜欢就下载吧!
资源描述

《基于S7-300 PLC的货物仓储系统中的对直线导轨的定位控制.docx》由会员分享,可在线阅读,更多相关《基于S7-300 PLC的货物仓储系统中的对直线导轨的定位控制.docx(12页珍藏版)》请在第壹文秘上搜索。

1、设计说明书课程名称:货物仓储系筑中的对线导轨的定位控制课程代码:题目:学生姓名:学号:年级/专业/班:学院(直属系):指导教师:第一章引三-3-1.1 课题背景和意义-3-1.2 发展趋势-3-第二章总体设计-5-2. 1主要内容-5-第三章硬件设计-6-3IP1.X选择-6-3.2 主电路设计-6-33控制电路设计-7-3.4 输入和输出分配表-7-3.5 P1.C输入和愉出接线图-8-3.6 器件清单-IO-第四章软件设计-12-4.1 P1.C内部使用地址-12-4.2 硬件配置-12-4.3 定义符号-15-4.4 编程界面-16-4.5 P1.C程序设计-16-第五章调试-28-结论

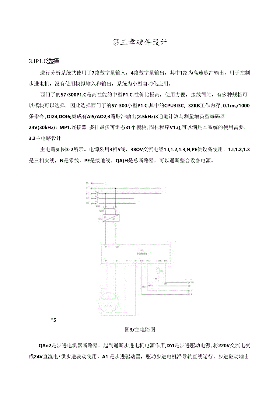
2、-34-叁考文献-35-附录-36-附录1总电路图-36-第三章硬件设计3.IP1.C选择进行分析系统共使用了7路数字量输入,4路数字量输出,其中1路为高速脉冲输出,用于控制步进电机,没有使用模拟输入和输出,系统为小型自动化应用。西门子的S7300P1.C是高性能的中型P1.C,性价比极高,使用方便,接线简雎,有多种规格可以模块可以选择,因此选择西门子的S7-300小型P1.C.其中的CPU3I3C,32KB工作内存;0.1ms/1000条指令;DI24,DOI6;集成有AI5/AO2;3路脉冲输出(2.5kHz)3通道计数与测量增员型编码器24V(30kHz):MP1.连接器;多排最多可组态

3、31个模块;固化程序V1.(),可以满足本系统的使用需要,3.2主电路设计主电路如图3-2所示。电源采用3相5线,38OV交流电经1.I,1.2,1.3,N,PE供设备使用。1.I,1.2,1.3是三相火线,N是零线,PE是接地线。QA(H是总断路器,可以通断整台设备电源。“5图3/主电路图QAo2是步进电机器断路器,起到通断步进电机电源作用,DYI是步进驱动电源,将220V交流电变成24V直流电供步进驶动使用。A1.是步进驱动罂,驱动步进电机沿导轨直线运行。步进驱动输出的A+,A-,B+,B-接步进电机的A+,A-.B+,B-24V直流电源接步进驱动的ENA,用于使能步进卵动,24V直流电源

4、的OV接步进聊动的CoM,用于提供公共端回路。P1.C输出的Q0.0接步进驶动的PU1.用于发送脉冲,控制步进的速度和移动距离。P1.e输出的Q()I接步进骈动的DIR,用于控制步进的方向。3. 3控制电路设计控制电路如图3-2所示.QA03是电源电路断路器,DY2是开关电源,将220V交潦电变成24V直流电,供P1.C的输入和输出使用。PG1.是电源指示灯,灯亮表示有控制电源.PG1.3.4输入和输出分配表P1.C输入和输出分配表见表3-1,3-2所示.次3-1P1.C数字量输入分配表名称P1.C地址外部潴号启动10.0SF1.停止10.1SF2急停10.2SF3光电开关110.3KF1.光

5、电开关210.4KF2限位开关110.5BG1.限位开关210.6BG2表3-2P1.C数字量询出分配表第五章调试STEP7编程软件里,点仿真器启动/大闭按钮,打开仿真器。图5-1打开仿真器仿我器打开初始画面如下图5-2仿式器打开初始蕉面打开仿真器后,编程软件里点下我,下我配置和程序到仿式器P1.a图5-5启动P1.C启动系统,点启动按钮,10。为ON,观察到Q0.2点亮,系统臼动运行。MOQ为ON,执行初始步骤。图5-6后动系统执行初始步螺模拟检测到物料,假设是规格1.不点10.4,然后点10.3为ON,观察到M0.0熄灭,执行MO.1.前行.观索到DBI4.DBW24为100O0.前行移动

6、到仓1.图5-7执行前行到仓1前行到位,执行停留,定时T3执行定时,定时3秒。图5-8停留定时停留定时到,执行返回。图5-9执行返回模拟返回到位,点10.5,观察到循环执行,开始执行初始步骤。图5-10返阿到位循环执行模拟规格2,点光电开关2,10.4为0N,然后点光电开关1,10.3为0N,观察到M1.O为ON,检测到是规格2,观察到DB4.DB*24为20000,移动距离为移动到仓2距离.图5TI前行到仓2其他测试类似,不再累述。结论本文运用西门子S7-300P1.C设计了个觉物仓储系统的直线导轨定位控制系统.系统采用S7-313CP1.C,模拟一货物仓储,有2个仓位,对2种规格的货物进出

7、存储。通过光电检测货物规格,通过光电检测货物到达,使用步进抠动潺业动步进电机控制在直线导轨直线移动,检测到规格1,将货物运送到仓位1门口:检测到规格2,则将货物运送到仓位2门口,运送到位,停留一定时间,自动返回待命。通过分析控制要求,进行了总体设计,设计了主电路控制电路,P1.C输入和输出接线,进行了软件设计,进行了硬件配置,设计J梯形图程序,最后进行r仿真测试.虽然对这次的设计已经认真对待,但仍存在很多的不足,主要因为自己还不熟悉整个的电气设计过程,不清晰自己在整个设计过程中的位身,而I1.先进的电气技术水平在不断的提高,不能及时获得设计所需的先进资料。我相信在技术资料更丰富的前提下,设计的系统会更先进。由设计时间紧迫,查阅资料不够全面,以及本人能力水平有限,本次的电气设计中难免有些不妥之处,在此还清诸位老师指导与纠正。参考文献1邵裕森,巴筱云.过程控制及仪表.机械工业出版社,2012(2邵裕森,岐先中.过程控制工程.机械工业出版社,20133中国电子学会.2000/2001传感器与执行器大全.电子工业出版社,20114柴瑞娟,陈海诙.西门子P1.C编程技术及工程应用.机械工业出版社,20125文锋,陈计.自动控制理论.中国电力出版社.20136廖常初.P1.C编程及应用.机摊工业出版社,20127林德杰.过程控制仪表及控制系统.机械工业出版社,2011附录I总电路图

展开阅读全文
相关资源
猜你喜欢
相关搜索

当前位置:首页 > 研究报告 > 技术指导

copyright@ 2008-2023 1wenmi网站版权所有

经营许可证编号:宁ICP备2022001189号-1

本站为文档C2C交易模式,即用户上传的文档直接被用户下载,本站只是中间服务平台,本站所有文档下载所得的收益归上传人(含作者)所有。第壹文秘仅提供信息存储空间,仅对用户上传内容的表现方式做保护处理,对上载内容本身不做任何修改或编辑。若文档所含内容侵犯了您的版权或隐私,请立即通知第壹文秘网,我们立即给予删除!