某企业节假日前安全检查表.docx

上传人:p** 文档编号:1297745 上传时间:2025-01-16 格式:DOCX 页数:3 大小:13.24KB
下载 相关 举报
某企业节假日前安全检查表.docx_第1页
第1页 / 共3页
某企业节假日前安全检查表.docx_第2页
第2页 / 共3页
某企业节假日前安全检查表.docx_第3页
第3页 / 共3页
亲,该文档总共3页,全部预览完了,如果喜欢就下载吧!
资源描述

《某企业节假日前安全检查表.docx》由会员分享,可在线阅读,更多相关《某企业节假日前安全检查表.docx(3页珍藏版)》请在第壹文秘上搜索。

1、序号查目检项检查内容检查评议符合不符合的问题安全生产1、制定了节假日工作计划2、开展安全生产大检查和隐患排查治理活动3、加强对危化品生产储存现场的巡回检查和管理。4、节前安全培训教育。5、加强值班和信息报送工作,确保沟通迅速有效。6、合理安排值班人员和岗位人员。7、严格门卫管理,对进出人员、车辆认真检查。8、加强巡逻,防止失盗和人为破坏。9、道路和作业现场无积水、无坑洼、无撒落物。10、设备、管道以及员工的保温防冻措施到位。IK厂区内的供水管道是否完好,有无跑、帽、滴、漏现象安全纪律1、现场无违章作业。2、不迟到、不早退、不班前、班中饮酒。3、坚守工作岗位,不脱岗、窜岗、睡岗。4、上岗人员劳保

2、着装,在岗期间不干与工作无关的事。三应急准备1、节前进行了预案培训学习。2、应急器材符合要求。3、应急队伍、人员到位。4、抢修器材配备齐全,5、通讯系统畅通。6、消防报警按钮完好。四艺料理工原管1、主要控制参数有明显的标记。2、严格工业指标操作,不超温、超严、超负荷。3、各种物料计量准确。4、原料、辅料储存量满足节假口需求。5、供水、供电、供气等系统完好。6、存放物料的库房、罐区符合要求。!i电器管理1、电线、电缆用电符合安全规范。2、符合防爆级别和组别。3、无盖、盒缺失,变、配电室门窗完好,房小动物网、挡鼠板有效。4、一、二类电动工具有漏电保护器。5、电气接零或接地可靠。6、电气作业符合规定

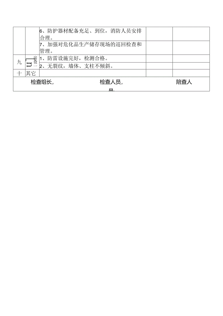
3、。7、电工绝缘用品完好,定期检验合格。8、电气有无老化、绝缘失效,温度过高现象。9、防雨、防尘设施完好。10、安全标识牌是否完好。;.设备管理1、设备台账、档案齐全,账物相符。2、备用设备完好,备品备件齐全。3、特种设备及其检查、维护、保养到位。4、危化品储罐、高大的塔釜防雷防静电设施完好。5、各种设备编号挂牌,设备管线无明显锈蚀,管道应介质流向清晰可见。6、转动设备的转动部分安全防护罩齐全有效。七防理消管1、禁火区域内无违章动火、用火、吸烟等现象。2、灭火器、消防栓、水龙带、消防沙存放规范。3、消防泵站、消防电源、消费管网、消防水压符合要求。4,消防器材维护保养到位,有记录。5、消防同道畅通,无堵塞。6消防人员安排合理,消防车辆车辆处于备战状态。八危化品管理1、生产现场无跑、帽、滴、漏。2、储存场所储罐完好,防火堤符合要求。3、充装设施满足防火间距,车辆充装符合规定。4、气体泄露报警仪定期检测。5、防雷、防静电设施完好。6、防护器材配备充足、到位,消防人员安排合理。7、加强对危化品生产储存现场的巡回检查和管理。九房设一n重1、防雷设施完好,检测合格。2、无裂纹,墙体、支柱不倾斜。十其它检查组长,检查人员,陪查人员I

展开阅读全文
相关资源
猜你喜欢
相关搜索

当前位置:首页 > 办公文档 > 活动策划

copyright@ 2008-2023 1wenmi网站版权所有

经营许可证编号:宁ICP备2022001189号-1

本站为文档C2C交易模式,即用户上传的文档直接被用户下载,本站只是中间服务平台,本站所有文档下载所得的收益归上传人(含作者)所有。第壹文秘仅提供信息存储空间,仅对用户上传内容的表现方式做保护处理,对上载内容本身不做任何修改或编辑。若文档所含内容侵犯了您的版权或隐私,请立即通知第壹文秘网,我们立即给予删除!