生态修复项目山洪整治及边坡隐患治理工程机电及金属结构工程 施工图设计说明.docx

上传人:p** 文档编号:1298635 上传时间:2025-01-16 格式:DOCX 页数:3 大小:17.74KB
下载 相关 举报
生态修复项目山洪整治及边坡隐患治理工程机电及金属结构工程 施工图设计说明.docx_第1页
第1页 / 共3页
生态修复项目山洪整治及边坡隐患治理工程机电及金属结构工程 施工图设计说明.docx_第2页
第2页 / 共3页
生态修复项目山洪整治及边坡隐患治理工程机电及金属结构工程 施工图设计说明.docx_第3页
第3页 / 共3页
亲,该文档总共3页,全部预览完了,如果喜欢就下载吧!
资源描述

《生态修复项目山洪整治及边坡隐患治理工程机电及金属结构工程 施工图设计说明.docx》由会员分享,可在线阅读,更多相关《生态修复项目山洪整治及边坡隐患治理工程机电及金属结构工程 施工图设计说明.docx(3页珍藏版)》请在第壹文秘上搜索。

1、生态修复项目山洪整治及边坡隐患治理工程机电及金属结构工程施工图设计说明1电气工程一、工H慨况本次设if内容为生态修,141日山洪整治及边坡IS患治理工程山坪堵电动阀泥电设i.二、供电工程2.1. &计界面和内容(I)设计界Sf以山坪培电助阀拉制箝分界,本册图浓配电至控制粕逆线扁端门以下部分配电及控M索统由设品供ISift配条供应.(2)设计内二I)供限:电系烧2)机电系统3)安全按地系统2.2. -IE电第线设计(1)山坪期电动阀的容M为6.6kW.(2)电动脚控制冷阳电接自现状相变.(3)无动补检:配电系统乘用现状箱变低压集中补偿的补偿方K.(4)计量方式I用低压计量方式.2.3. 机电底货

2、设计(1) ”-“力抨就分别设M1.台电动闪椅IWK1控M箱配诂ITS做为品用电淑以品断电对开/冏电动对.断电后转入UpS供电.UPS供电M长不低于IXImin.分别SSJTF各山纬城阀门井务,落地安装.(2)上线采用YJH1.V22-5X1O名保非音引至控M箱.Ia经性M的配电吼出访水电灌(由*IK穿保妒付至电防阀2.4. 管我敬议(I)机电系统供电r线柔用YJH1.V221.kV多芯电段.按国*相关忧他分别采用红、M.箱加以区分.支线年找果用浅质色,PE我采用的维双色.供电干线分别从KI式变电站引出后.穿PVC保护件引至山坪时电动阀控;WKUW、手孔井般格新it管线直混段I米及M角处设fM

3、(wr孔井.所仃的电&连接必城任井内充成.保妒评内八讲行电遹接头仔个手孔井内掘用电边0.5米,井底泄水孔采用砾石自然港池,I水.三、防蕾与接地!,石及过电压傀护拉曲。要求各配电箝均装i2”浪涌保护,a.#行相应的良好接坳泰就.安全接地系统I)低压配电系统选用TNSii.2)T.HtHPE.PEtt1.Hff1.零级内改由的铜芯线,J1.M笥城设3)电气装置的下列金规加分.均应与PE找可能电气连接.所白外场议占均应做接触连按.值点接地电阻不大干40.配电柜(箱.1)等的金喝底座或外光.空内外闻也装W的金”构柒及能近带电就位的公(遗匕和金1.门.电力电茹的金质护我、接线点和保铲湾.配电和路灯的金M

4、杆塔.N它闪用绿破坏可能使其带电的外露S体.为偷保设备的正常垢行.娈求卜列电5S设备外潴,电部分均应接地或投保妒所勺的父今均需徽”与铜帝柒的等电位连接楂触电乐的控刎与假护胤电出线网路i5I?断路K时利路故师r以!(.末端短路电Ift的控制与保拉在各配电出境网路设置合道的新路希以实段I秋末制殷路电流的保护.四、七能指殊站构iih二.金依结构工用21、设H内咨1) IaM1.h评妫网门设计:2)1小水体制倒设计.22、余M结构设计1)山坪塘分别世就I台网“并本次设计网门井内过兄自动控MhHJ,对Ih抨用实现自动化,信息化控M.即在*泯期时山坤城热水,ffiRPI*fti.根蛔气象站必In依警仿必.

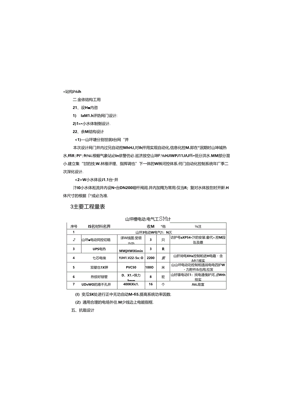
5、巡济放空山坤P.HJIWPJ11JJffi低分洪水.MM部分混小.建立集“甘的技;W.林维评理、指挥调也”下一体的W河控体系.何门自动化控制系统年厂季二次深化设计.W小水体设J1.1台井汴I0小水体淞流井内设N台DN200暗杆闱闾.井内加羯为常用.仅当R;复对水体放在时开鼾.H体尺寸的根据*成必为准.3主要工程量表山坪槽电动.电气工SM计序号IS名材料名界收M*他注1山坪3电动W电气1:N仄2山坪电动同控切箱译W线图.受领力功3只访护号aXP54汴的安装.畲代.控M段缶及雌3UPS电热MWjHWIXimin3R4七芯电埃YJH1.V22-5xO2200累山肝坳电XHa控制粕进H电趣含Mt1.核

6、实5双壁也1X钾PVC50100O米山山坪电动功控制相遗战电电四护W力附件&也用,拉发6热惊好掰管D、X1.惧力3mm8宏山好雄电动E1:找电通傀妒河,含Wth技实7UDvWO的港不孔井400KXIc1.16个tt.故富(I)变瓜SK处进行正中无功自动Mfi5.提高系统功率因数.(2)通用合理的电场外往.M少线边上电能指框.五、抗戢设计本工程位于抗我iS防烈度为6度及以上地区,放阳S机电设冬安装及丈弓站构体的连接用运行抗震设计,设在女装及埃路敷设须满足(史筑机电1:曲抗震改计规范GB5(W1.-2OZ规范第7率节要求:(1)配电箱(柜”无电Kk柜)、通信设备的安装螺沱或需按强慢趣满足抗藐要求:

7、桥I:安装的配电机.通信设品机机或M安笠应牢固.当因定安笠为索栓连接时,需采用防松自演螺母成双螺母固定.(2)电气评路帙设:当线路果用金胧,转、HH1.零料导评、电圾梯架或电场敷设M.应使用刚性托架或支架同定,不宜使用小架.力必顼使用吊架W.应安装搐向防J4吊架:金W.刚性取*19管的H线P29t分年隔5Om应过JI伸蜡节;配电笠就至用电设茶何连收当果W疗佥肮导管,刚性寝门导管照设网.避I1处应林为拄性线管过渡.(3)接触找槎未取防止地震时枝初断的端故.(4)本Jj1.目通力jit1.8kN的设备:内冷人干等于DNahnm的电气配管;15KMn或以上的电遒桥策.电度秋立、田觌槽都应遂行抗赛过防

8、.抗表桶关指南清苗满足,建筑机电工ft!1.ft葭设计观范,要求,七H它注点3尔(1)电气转工孔、洞,穿墙、板M埋管”要用防火(防淮)用料密H.(2)所有电(世缶底逡用国享现行的技术先选、可林的产丛,不同采用闺京明令闷汰的产A1.设计采用防SiF孔井.手孔井3、户外路灯配电柜,均应i置需使用专用工具加0的创怪防法笠制和防盗播检.灯杆检临门婴求设Ji合狈式劭盗校检.并配用制用MSS(4)主城区政Iff投期费堀目住用建筑收城资源化再生产占,依代用量即不少干30%.C)图中未尽本口,应叁眼闰双及当地相关规范、知准执行I施工中出现同鹿,应及时通知设计和选谀串位协育“决.工独立直工MMkt范)的安求、2金属结构工程一、工H假况本次设H内容为窑山评科学谷片区牛.仓代豆取HIn洪壑治及边坡Ift塔治火1.群山评城色

展开阅读全文
相关资源
猜你喜欢
相关搜索

当前位置:首页 > 建筑/环境 > 设计及方案

copyright@ 2008-2023 1wenmi网站版权所有

经营许可证编号:宁ICP备2022001189号-1

本站为文档C2C交易模式,即用户上传的文档直接被用户下载,本站只是中间服务平台,本站所有文档下载所得的收益归上传人(含作者)所有。第壹文秘仅提供信息存储空间,仅对用户上传内容的表现方式做保护处理,对上载内容本身不做任何修改或编辑。若文档所含内容侵犯了您的版权或隐私,请立即通知第壹文秘网,我们立即给予删除!