重点区域森林草原防火道路建设项目路线设计说明.docx

上传人:p** 文档编号:1300057 上传时间:2025-01-16 格式:DOCX 页数:4 大小:21.50KB
下载 相关 举报
重点区域森林草原防火道路建设项目路线设计说明.docx_第1页
第1页 / 共4页
重点区域森林草原防火道路建设项目路线设计说明.docx_第2页
第2页 / 共4页
重点区域森林草原防火道路建设项目路线设计说明.docx_第3页
第3页 / 共4页
重点区域森林草原防火道路建设项目路线设计说明.docx_第4页
第4页 / 共4页
亲,该文档总共4页,全部预览完了,如果喜欢就下载吧!
资源描述

《重点区域森林草原防火道路建设项目路线设计说明.docx》由会员分享,可在线阅读,更多相关《重点区域森林草原防火道路建设项目路线设计说明.docx(4页珍藏版)》请在第壹文秘上搜索。

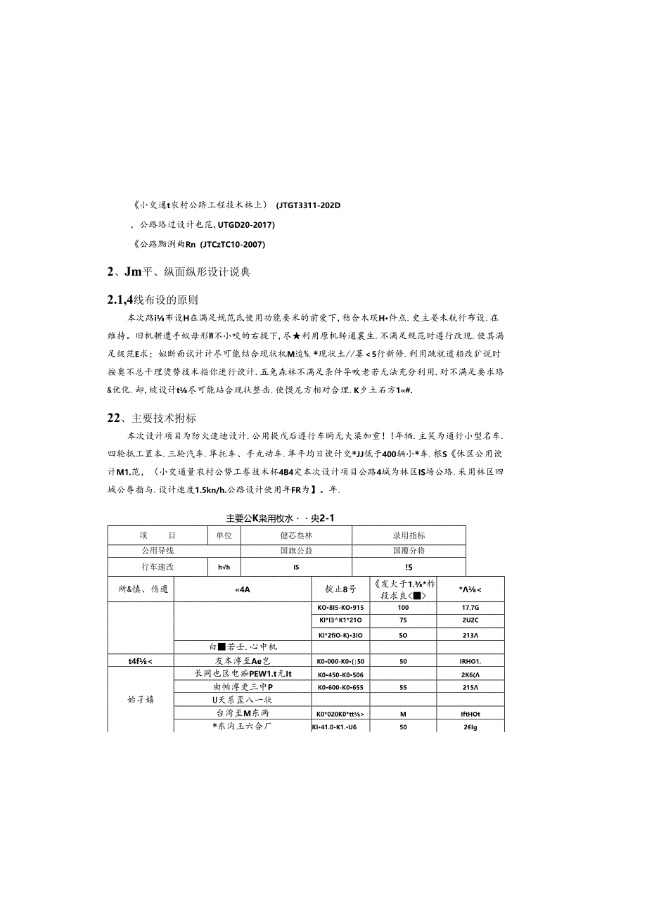
1、路线设计说明琮S皋性电拘坊参条用指标停隼长跑G20204*t阜率爱)K(4行车遢豆学车遗Q3.03.04立觅皮G2X0.52X0.5模m*小卒箜Q12(10)8大乱战%12(/凸里费越嫉爱小冷祝KiTO12(1ssH*sB70120冷南G4,51.5最小装长QSOSOttHWU公庵I1.城公落1.ift:第。内4C置根底中无中更假,汽本向中型*无求MiHi1.行小型半场力士的目望0枭*疗4遂、通论注片标证安全的端慢下取值23、膝级平设计本次项目为农忖公鬲代计,在谪足级先没使用功能事求的前提下,结合本项目特电及Ik主要求就行专设.M*X*2-2加需美蜕四*A中蜕)250-2002U0-KI5QI

2、SKKD100JK705050-?303062525-K202031516、38Bft1.1.0.20.250.35.0.60.911.31.62.3第二篇1、设计依福林区公力谀计规龙)1.Y/T5005-2014小交通t农村公跻工程技术林上)(JTGT3311-202D,公路珞过设计也范,UTGD20-2017)公路黝洌曲Rn(JTCzTC10-2007)2、Jm平、纵面纵形设计说典2.1,4线布设的原则本次路i布设H在满足规范氐使用功能要米的前爱下,秸合木琰H件点.史主晏未航行布设.在维持。旧机耕遭手蚁母形W不小咬的右提下,尽利用原机转通襄生.不满足规范时遵行改现.使其满足级范E求;姒断面

3、试计计尽可能结合现状机M迨%.*现状土/萋5行新修.利用跳就道船改犷说时按奥不总干理烫势技术指你进行谀计.五兔森林不满足条件导畋老若无法充分利用.对不满足要求珞&优化.却,坡设计t尽可能玷合现状整击.使馍尼方相对合理.K夕土石方1#.22、主要技术拊标本次设计项目为防火速迪设计.公用提戊后遵行车眄无大梁加重!!年牺.主笑为通行小型名车.四轮抵工置本.三轮汽车.隼托车、手丸动车.隼平均日谀计交*JJ低于400辆小*车.根S休区公用谀计M1.范,(小交通量农村公势工卷技术杯4B4定本次设计项目公路4城为林区IS场公珞.采用林区四城公辱指与.设计速度1.5kn/h.公路设计使用年FR为】。年.主要公

4、K枭用枚水央2-1项目单位健芯叁林录用指标公用导线国旗公益国覆分将行车速改hhIS!5所&慎、伤遗4A靛止8号发火于1.*柞段求良*KO8I5-KO91510017.7GKI*I3K1*21O752U2CKI*2fiO-K)3IOSO213白若壬.心中机t4fMIftHOt*东沟玉六合厂KI41.0-K1.U6502Ig大和被到新*.,1岛KQCggMIR60%178新修。火府用机*mjm及优,下,(1) *用th*,*鼻.京*开槽.rxft*.(2) 利用熨状I1.IHt*,达夕土石方开卷.土石方外重方便.*段Jh 3)*用机,*局改处,用越性In1.单,*的用*,*分新鹿方大麻木*ft.4

5、小立力/坏.3,篇工注宠小项点项目采用的坐券案为国家2000大地至林案.1.985Be;i.ft4ttaft+的生/单位均为来. 2)4&救仲前应对4我控制点通行复测.转乩文允洋一次支身&.若此戴样必采严格技0标法篦工,对于路线平.姒而故计不能修意修改.ftft,反加本Jt工恰笈.京案有效的保护措施,做好交通分通及琉导工作,防止交通墙事及交通事故的发生,保迂人民生命安全及国家财产不受Ifi央. 5)做灯土石方的利纪利用.要注京华后弃土场的环境保炉杓后掂也用.*JfeS*MR.地势Fi蚊.启救好相立屿箱措苴.以免发生安事板.*计(Wh)ISa*1.*+fi*X*5t34士桂的史观力立村/给方靖M-K665熟WtfstaaKOHTO-Mh-K1.28S250Ia70X*笫W至赶*茶熄KOHja-MHIW50办孙次为壬大4月KO1.3Mi7IiS527.IS王栏K交士泡于由边大今社区A国/三,社区至支,总孑为收尢平社区BRft格击求家询王大青因轲曲075WM)15521.CVIHOsag

展开阅读全文
相关资源
猜你喜欢
相关搜索

当前位置:首页 > 建筑/环境 > 设计及方案

copyright@ 2008-2023 1wenmi网站版权所有

经营许可证编号:宁ICP备2022001189号-1

本站为文档C2C交易模式,即用户上传的文档直接被用户下载,本站只是中间服务平台,本站所有文档下载所得的收益归上传人(含作者)所有。第壹文秘仅提供信息存储空间,仅对用户上传内容的表现方式做保护处理,对上载内容本身不做任何修改或编辑。若文档所含内容侵犯了您的版权或隐私,请立即通知第壹文秘网,我们立即给予删除!