风电场发电工程土建工程质量验收通用标准.docx

上传人:p** 文档编号:1300533 上传时间:2025-01-16 格式:DOCX 页数:31 大小:129.45KB
下载 相关 举报
风电场发电工程土建工程质量验收通用标准.docx_第1页
第1页 / 共31页
风电场发电工程土建工程质量验收通用标准.docx_第2页
第2页 / 共31页
风电场发电工程土建工程质量验收通用标准.docx_第3页
第3页 / 共31页
风电场发电工程土建工程质量验收通用标准.docx_第4页
第4页 / 共31页
风电场发电工程土建工程质量验收通用标准.docx_第5页
第5页 / 共31页
风电场发电工程土建工程质量验收通用标准.docx_第6页
第6页 / 共31页
风电场发电工程土建工程质量验收通用标准.docx_第7页
第7页 / 共31页
风电场发电工程土建工程质量验收通用标准.docx_第8页
第8页 / 共31页
风电场发电工程土建工程质量验收通用标准.docx_第9页
第9页 / 共31页
风电场发电工程土建工程质量验收通用标准.docx_第10页
第10页 / 共31页
亲,该文档总共31页,到这儿已超出免费预览范围,如果喜欢就下载吧!
资源描述

《风电场发电工程土建工程质量验收通用标准.docx》由会员分享,可在线阅读,更多相关《风电场发电工程土建工程质量验收通用标准.docx(31页珍藏版)》请在第壹文秘上搜索。

1、风电场发电工程土建工程质量验收通用标准1 一般规定1. 1基坑工程应满足GB50202、JGJ120,JGJ94的要求.1.2 钢筋、钢材进场时,其品种.级别、规格和数量应符合设计要求。并按国家现行相关标准的规定抽取试件作力学性能检查验收,其质量应符合有关标准GB1499的规定。1.3 水泥进场时,应对其品种、级别、包装或散装仓号、出厂日期等进行检查,并应时其强度、安定性及其他必要的性能指标进行复验,其质疑应符合现行国家标准GB175的规定。1.4 模板及其支架应根据工程结构形式、荷或大小、地基土类别、施工设备和材料供应等条件进行设计、制作。模板及其支架应具有足筋的承我能力、刚度和椀定性.能可

2、靠地承受浇筑混凝土的重量、侧压力以及施工荷栽。1.5 混凝土应严格按照试脸室配合比进行拌制,混凝土强度检态般收应符合GB50107相关规定:如混凝土中掺用外加剂,相关质量及应用技术应符合GB8076、GB50119等规定。1.6 混凝土结构工程的施工应符合GB50204的相关规定。2 土方工程2.1 开挖场地内存在原有的沟道、管我等地下设施时,土方开挖之前应对原有的地下设施做好标记或相应的保护措施。2.2 开挖前应根据施工设计等资料,建立全场高程控制网、平面控制网。平面控制桩与水准控制点需要定期进行复测。2.3 按照阵列方向通长开挖.基坑两侧宜堆放需要回熄的土方,多余的土方应运至弃土场地堆放。

3、2.4 回填前应检查回填土的含水量,并分层夯实。对于踪合楼等重要工程,应现场试粉检测合格。2.5 单位工程定位放线(见表1):a)适用范围:本条适用于各单位工程(各速、构筑物和主要设备基础)。b)检查数量:全数检查。c)质量标准和检验方法表9单位工程定位放线质量标准和检查验收方法类别序号检及项目房标准单位检索收方法及4具I控制桩测设根据建构策物的主要轴线设控制桩。桩深度应断过冰冻土层。主要建观察检查和检查测设主(构)筑物不应少于4个控项2平面控制桩精应符合二欲导线的精度要求经纬仪和钢尺检杳Ii1.度3高程控制由r精度应符合三等水准的精度要求水准仪检杳4全站仪定位精度应符合现行有关标准的规定桧查

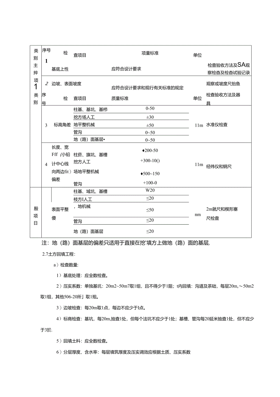
4、测最记录2.6 土石方及基坑工程2. 6.1方开挖工程a)检查数量:1)基底土性:全数检查。2)边坡检查:每20m取1点,每边不应少于1点。3)长度、宽度和标高检查:基坑,每20m抽查I处,但每个基坑不应少于1处;基槽、管沟每20延米抽查1处,但不应少于3处。4)平整度检查:基坑,每20m2抽查1处,但每个基坑不应少于1死:基枪、管沟每20延米抽交1处,但不应少于3处。b)质量标准和检验方法:见表10表10土方开挖工程质量标准和检查验收方法类别主捽序号1检基底上性查项目项量标准应符合设计要求单位检查验收方法及SA观察检杳及检杳试验记录项112边坡、表面坡度应符合设计要求和现行有关标准的规定观察

5、或坡度尺抬鱼类别序号检查项目质量标准单位检查验收方法及器具标高角差柱基、基坑、基栉0-50挖方场人工303地平整机械5011m水准仪检查管沟050地(路)面基层050长度、宽Fff(小铅柱菸、旗坑、基槽200-504计中心线挖方人工+300-10()11m经纬仪和钢尺向两边fit)偏差场地平整机械500150管沟+100-0柱基、域坑、基槽W20枝方I人工20殷项日表面平整傻,地机械50nm2m就尺和楔形塞尺检查管沟20地(路)面基层20注:地(路)面基层的偏差只适用于直接在挖填方上做地(路)面的基层,2.7土方回填工程:a)检查数量:1)基底处理:应全数检查。2)压实系数:单独基坑:20m2

6、50m7取1组,且不得少于1阻;t内回填:沟道及茶础,每层20m,50m2取1组,其他506-20所取1殂。3)边坡检查:每20m取1点,每边不应少于I点。4)标商检查:基坑,每20m,抽查1处,但每个法坑不应少于1处;基槽、管沟每20延米抽查1处,但不应少于3於.5)回填土料:应全数检查。6)分层厚度、含水率:每层填筑厚度及压实调效应根据土质、压实系数及所用机具确定。如设计无要求时,应按现行有关标准执行。7)平整度检查:基坑,等20抽查1处,但每个基坑不应少于1处;基槽、管沟每20延米抽查1处,但不应少于3处。b)质量标准和检超方法:见表I】。表11土方回填工程质量标准和检查验收方法类别序号

7、1杳项目项,标准单位检查3收方法及M1基底处理必须符合设计要求和现行有关标准的规定观处恰作反田行班工记录2分层压实系数必须符合设计要求检查试脸记录主控3边坡坡僮应符合设计骁求和现行有关标准及施工技术措施规定观察或坡度尺检资I1.下基、基坑、标基槽0-504高场地人工30水准仪检查偏平整I机械50mm管沟0-50地(路)面基层0-501回M上料应符合设计要求观察检杳或取样试验-工分层厚度及含水域应符合设计要求观察检科及检告试验记录度表而平整度柱基、基坑、权槽20I1.3挖方场人工202m藁尺和楔形塞地平整I机械W30mm尺检杳管沟20地(路)面基层W203风电基础施工3.1管控要求通点I:序阶段

8、篁点工序步骤需留存或反馈的记录信息反馈形式信息反馈时间施1:前准备阶段图纸会审图纸公审记录照片作业前施工方案报审施工方案审批记录照片或文件作业前他1:机械确定选型机械技术参数及施认记录照片或文件作业的安全技术交底工作安全、技术交底记录照片或文件作业前内部培训交底记业施I:例位内部安全、技术培训交速记录照片作业前施工阶段定位放戏定位放线记录照片年次进场原材料检验水泥、砂石、钢筋等产品合格证照片或文件每批次材料出厂校喊报告照片或文件每批次M科进场亚检Hi告照片或文件每批次的筋绑扎验收记录照片年次混凝土配合比、塌落试监记录照片或文件每批次浇筑作业彼晓筑、振捣记录照片每次养护验收阶段基础脸收基础垂直度

9、、鼓而尺寸、预理螺栓偏差验收记录、外观检宣照片年批拉拔试验报告照片或文件每批碎强度测试报告照片或文件年枇3.2混凝土遂注基础3.2.1锚笼环a)检查数量:全数检查。b)质量标准和检验方法:见表12。表12混凝土灌注锚笼环质量标准和检验方法英别序号检查项目IS=标准单位检验触及器具1受力钢筋的品种、徼别规格和数量必须符合设计要求NB,,T10311检查出厂证件和试验报铃,尺量和观察检宣2柄筋焊接或机械连接接头质录观察、尺fit.检查试蛤报告主控项03钢筋的表面质Ja平直、洁净,不应有伤痕、油污、片状老锈和麻点观察检查4下锚板,火线包置上表面永平度5rmKft3Fnn水准仪5上锚板与下腌板同心收5

10、rmrb锚性上精密出上锚板长度外蔗长度O-MSff111.尺量7上锚板上表面水平度浇筑前1.511m水平仪上表面水平度浇筑后2rrm水平仪8纲筋能安装深度偏差100rrm用钢尺检查混凝土灌注:1.风机基础台柱灌浆前应进行下列准备工作:(D.采用上锚板方案时,上锚板的水平度应符合设计要求,上锚板采取紧固及定位措施;(2) .灌浆层的模板安装应符合设计要求,并对模板接缝进行封堵,防止漏浆;(3) .灌浆材料、设备及人员的配置应满足连续灌浆的要求。灌浆墓础面的处理应符合下列规定:(1),基础表面应进行凿毛处理,或采用专用材料做界面处理。(2),基础表面不得有碎石.浮浆、浮灰、油污和脱模剂等杂物。(3)、灌浆前24h,基础表面应充分湿润,灌浆前Ih,应清除表面枳水.灌浆施工应符合下列规定:(1) .漆浆浇筑应从上锚板单他多点同时进行,直至从另一例溢出为止。不将从上锚板两侧同时进行灌浆。(2) .灌浆过程应按谑浆材料厂家要求进行遽浆;应严格控制灌浆时间,单台风机灌浆时间应控制在40min以内,液浆时间自灌浆开始捷拌起计时。灌浆过程不应中断。(3) .灌浆过程应注意排气引气,确保灌浆层域充密实:(4) .灌浆结束后,应时灌浆层加以覆盖及保温保湿养护,养护时间不少于71.OO)100+0.01112nm用例尺检杳控食管成1.)50070Om用钢尺检查项孔灌注1.)500100um用钢尺检查

展开阅读全文
相关资源
猜你喜欢
相关搜索

当前位置:首页 > 建筑/环境 > 施工组织

copyright@ 2008-2023 1wenmi网站版权所有

经营许可证编号:宁ICP备2022001189号-1

本站为文档C2C交易模式,即用户上传的文档直接被用户下载,本站只是中间服务平台,本站所有文档下载所得的收益归上传人(含作者)所有。第壹文秘仅提供信息存储空间,仅对用户上传内容的表现方式做保护处理,对上载内容本身不做任何修改或编辑。若文档所含内容侵犯了您的版权或隐私,请立即通知第壹文秘网,我们立即给予删除!