新增耕地土壤污染状况调查所需收集资料信息表、重点行业企业分类、人员访谈表、报告编制大纲.docx

上传人:p** 文档编号:1314052 上传时间:2025-01-29 格式:DOCX 页数:7 大小:19.68KB
下载 相关 举报
新增耕地土壤污染状况调查所需收集资料信息表、重点行业企业分类、人员访谈表、报告编制大纲.docx_第1页
第1页 / 共7页
新增耕地土壤污染状况调查所需收集资料信息表、重点行业企业分类、人员访谈表、报告编制大纲.docx_第2页
第2页 / 共7页
新增耕地土壤污染状况调查所需收集资料信息表、重点行业企业分类、人员访谈表、报告编制大纲.docx_第3页
第3页 / 共7页
新增耕地土壤污染状况调查所需收集资料信息表、重点行业企业分类、人员访谈表、报告编制大纲.docx_第4页
第4页 / 共7页
新增耕地土壤污染状况调查所需收集资料信息表、重点行业企业分类、人员访谈表、报告编制大纲.docx_第5页
第5页 / 共7页
新增耕地土壤污染状况调查所需收集资料信息表、重点行业企业分类、人员访谈表、报告编制大纲.docx_第6页
第6页 / 共7页
新增耕地土壤污染状况调查所需收集资料信息表、重点行业企业分类、人员访谈表、报告编制大纲.docx_第7页
第7页 / 共7页
亲,该文档总共7页,全部预览完了,如果喜欢就下载吧!
资源描述

《新增耕地土壤污染状况调查所需收集资料信息表、重点行业企业分类、人员访谈表、报告编制大纲.docx》由会员分享,可在线阅读,更多相关《新增耕地土壤污染状况调查所需收集资料信息表、重点行业企业分类、人员访谈表、报告编制大纲.docx(7页珍藏版)》请在第壹文秘上搜索。

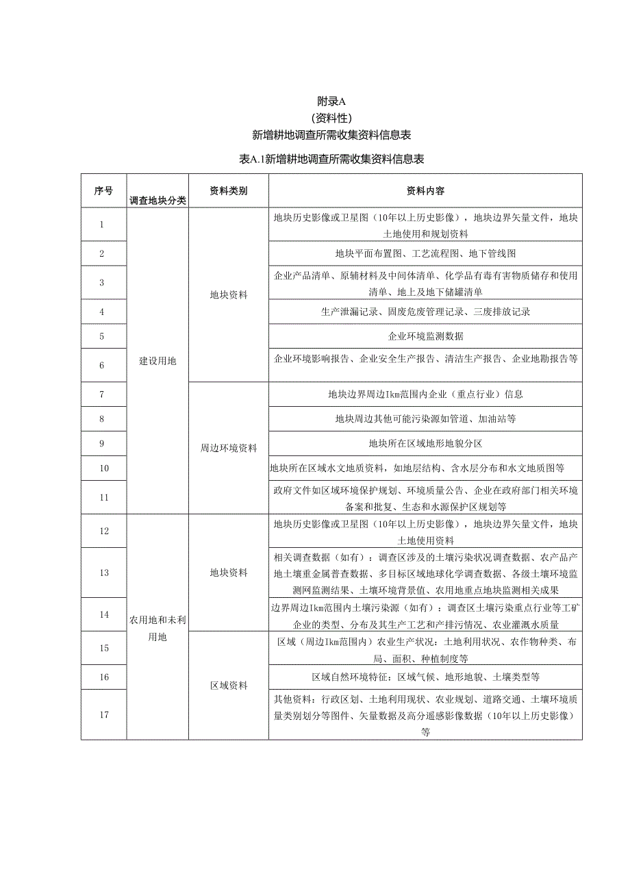
1、附录A(资料性)新增耕地调查所需收集资料信息表表A.1新增耕地调查所需收集资料信息表序号调查地块分类资料类别资料内容1建设用地地块资料地块历史影像或卫星图(10年以上历史影像),地块边界矢量文件,地块土地使用和规划资料2地块平面布置图、工艺流程图、地下管线图3企业产品清单、原辅材料及中间体清单、化学品有毒有害物质储存和使用清单、地上及地下储罐清单4生产泄漏记录、固废危废管理记录、三废排放记录5企业环境监测数据6企业环境影响报告、企业安全生产报告、清洁生产报告、企业地勘报告等7周边环境资料地块边界周边Ikm范围内企业(重点行业)信息8地块周边其他可能污染源如管道、加油站等9地块所在区域地形地貌分

2、区10地块所在区域水文地质资料,如地层结构、含水层分布和水文地质图等11政府文件如区域环境保护规划、环境质量公告、企业在政府部门相关环境备案和批复、生态和水源保护区规划等12农用地和未利用地地块资料地块历史影像或卫星图(10年以上历史影像),地块边界矢量文件,地块土地使用资料13相关调查数据(如有):调查区涉及的土壤污染状况调查数据、农产品产地土壤重金属普查数据、多目标区域地球化学调查数据、各级土壤环境监测网监测结果、土壤环境背景值、农用地重点地块监测相关成果14边界周边Ikm范围内土壤污染源(如有):调查区土壤污染重点行业等工矿企业的类型、分布及其生产工艺和产排污情况、农业灌溉水质量15区域

3、资料区域(周边Ikm范围内)农业生产状况:土地利用状况、农作物种类、布局、面积、种植制度等16区域自然环境特征:区域气候、地形地貌、土壤类型等17其他资料:行政区划、土地利用现状、农业规划、道路交通、土壤环境质量类别划分等图件、矢量数据及高分遥感影像数据(10年以上历史影像)等表A.2新增耕地调查踏勘内容序号调查地块分类踏勘重点内容1建设用地对已收集到的资料及存疑资料进行现场核实和补充2有毒有害物质的使用、储存、转运、处置场所3生产过程和设备、储槽与管线4建(构)筑物的墙壁、地面完整度和硬化状况,分区防渗措施的落实情况,自然破损、明显的污渍和腐蚀痕迹5恶臭、化学品味道和刺激性气味6排水管、污水

4、池或其他地表水体、井等,及其跑、冒、滴、漏的情况7外来堆土、固体废物、危险废物及其分布区域8排污及环保治理设施9地块内及邻近区域现有的地下水井10农用地和未利用地对已收集到的资料及存疑资料进行现场核实和补充11调查区域内土壤和农产品的超标点位、曾发生环境污染事故的区域、存在明显污染痕迹或植被生产异常的区域12异常气味、颜色(疑似污染痕迹)13固体废物、畜禽养殖废弃物堆存区域14灌溉水及灌溉设施情况15周边工矿企业生产和污染物产排情况(参考建设用地),判断可能对调查地块产生的影响附录B(资料性)人员访谈内容及访谈对象要求表B.1人员访谈内容及访谈对象要求调查地块分类访谈对象访谈内容建设用地地块管

5、理机构、自然资源和生态环境行政主管部门、地方政府的工作人员地块历史变迁、生产经营范围、生产能力、生产工艺变化、原辅材料变化、各类污染物排放和处理处置设施的使用情况、分区防渗措施的落实情况、地块过去和现在的环境污染状况、环境事故及其对地块环境的影响(如有)地块过去和现在各阶段的使用者地块所在地或熟悉地块的第三方了解地块及周边地区现状及历史变迁农用地和未利用地地块的承包经营人地块使用历史、农药化肥农膜等投入品使用情况、农产品生长及超标情况、是否有疑似填埋等农业农村、自然资源等行政主管部门的政府工作人员区域内现存及历史上存在工矿企业的生产经营人员、当地生态环境行政主管部门参考建设用地访谈内容污染事故

6、责任单位有关人员、参与应急处置工作的知情人员(如有)污染事故发生的时间、地点、类型、事件经过、影响范围和应急措施地块所在地或熟悉地块的第三方(周边居民或相邻地块使用权人)地块使用历史、农药化肥农膜等投入品使用情况、农产品生长及超标情况、是否有疑似填埋等附录C(资料性)重点行业企业分类表Ql重点行业企业分类大类中类小类07石油和天然气开采业071石油开采0710石油开采08黑色金属矿采选业081铁矿采选0810铁矿采选082铸矿、铝矿采选0820锦矿、铭矿采选089其他黑色金属矿采选0890其他黑色金属矿采选(钮矿)09有色金属矿采选业091常用有色金属矿采选0911铜矿采选0912铅锌矿采选0

7、913银钻矿采选0914锡矿采选0915锡矿采选0916铝矿采选0919其他常用有色金属采选(汞)092贵金属矿采选0921金矿采选0922银矿采选093稀有稀土金属矿采选0931鸨铝矿采选0932稀土金属矿采选17纺织业171棉纺织及印染精加X1713棉印染精加工172毛纺织及染整精加工1723毛染整精加工173麻纺织及染整精加X1733麻染整精加工174丝绢纺织及印染精加工1743丝印染精加工175化纤织造及印染精加工1752化纤织物染整精加工176针织或钩针编织物及其制品制造1762针织或钩针编织物印染精加工大类中类小类19皮革、毛皮、羽毛及其制品和制鞋业191皮革糅制加工1910皮革。

8、制加工193毛皮糅制及制品加工1931毛皮糅制加工22造纸和纸制品业221纸浆制造2211木竹浆制造2212非木竹浆制造25石油加工、炼焦和核燃工业251精炼石油产品制造2511原油加工及石油制品制造2512人造原油制造252炼焦2520炼焦26化学原料和化学制品制造业261基础化学原料制造2611无机酸制造2613无机盐制造2614有机化学原料制造2619其他基础化学原料制造26化学原料和化学制品制造业263农药制造2631化学农药制造264涂料、油墨、颜料及类似产品制造2643颜料制造2644染料制造265合成材料制造2651初级形态塑料及合成树脂制造2652合成橡胶制造2653合成纤维单

9、(聚合)体的制造2659其他合助才料制造266专用化学品制造2661化学试剂和助剂制造2662专项化学用品制造2664信息化学品制造2669其他专用化学产品制造267炸药、火工及焰火产品制造2671炸药及火工产品制造27g三W271化学药品原料药制造2710化学药品原料药制造28化学纤维制造业281纤维素纤维原料及纤维制造2811化纤浆粕制造2812人造纤维(纤维素纤维)制造282合成纤维制造2822涤纶纤维制造大类中类小类2823月青纶纤维制造2826氨纶纤维制造2829其他合成纤维制造31黑色金属冶炼和压延加工业311炼铁3110炼铁312炼钢3120炼钢315铁合金冶炼3150铁合金冶炼

10、32有色金属冶炼和压延加工业321常用有色金属冶炼3211铜冶炼3212铅锌冶炼3213银钻冶炼3214锡冶炼3215睇冶炼3216铝冶炼3217镁冶炼3219其他常用有色金属冶炼322贵金属冶炼3221金冶炼3222银冶炼323稀有稀土金属冶炼3231鸨铝冶炼3232稀土金属冶炼33金属制品业336金属表面处理及热处理加工3360金属表面处理及热处理加工38戒和器材制造业384电池制造3841锂电子电池制造3842镖氢电池制造3849其他电池制造59仓储业599其他仓储业5990其他仓储业77生态朋和环境治理业772环境治理业7724危险废物治理78公共设施管理业782环境卫生管理7820环

11、境卫生管理(生活垃圾处置)附录D(资料性)报告编制大纲拟新增耕地土壤污染状况调查报告大纲1项目概述1.1 项目背景1.2 项目目的1.3 调查范围与对象1.4 工作程序与技术路线1. 5编制依据2地块概况1.1 区域概况2. 2地块边界与利用历史2.3地块周边自然环境及用地状况3.地块资料收集与分析3.1资料收集3. 2实地踏勘3. 3人员访谈3.4调查资料综合分析与(污染识别)结论4布点采样分析(若有)4. 1布点采样方案4. 2现场采样4.3样品分析测试4. 4质量保证与质量控制5. 结果与分析5.1 土壤污染物检出与评价5.2 其他介质污染物检出与评价(若有)6结论与建议6. 1结论7. 2不确定性分析6.3建议

展开阅读全文
相关资源
猜你喜欢
相关搜索

当前位置:首页 > 办公文档 > 事务文书

copyright@ 2008-2023 1wenmi网站版权所有

经营许可证编号:宁ICP备2022001189号-1

本站为文档C2C交易模式,即用户上传的文档直接被用户下载,本站只是中间服务平台,本站所有文档下载所得的收益归上传人(含作者)所有。第壹文秘仅提供信息存储空间,仅对用户上传内容的表现方式做保护处理,对上载内容本身不做任何修改或编辑。若文档所含内容侵犯了您的版权或隐私,请立即通知第壹文秘网,我们立即给予删除!