GB 50343-2004 建筑物电子信息系统防雷技术规范附录.docx

上传人:p** 文档编号:1323332 上传时间:2025-03-03 格式:DOCX 页数:18 大小:90.47KB
下载 相关 举报
GB 50343-2004 建筑物电子信息系统防雷技术规范附录.docx_第1页
第1页 / 共18页
GB 50343-2004 建筑物电子信息系统防雷技术规范附录.docx_第2页
第2页 / 共18页
GB 50343-2004 建筑物电子信息系统防雷技术规范附录.docx_第3页
第3页 / 共18页
GB 50343-2004 建筑物电子信息系统防雷技术规范附录.docx_第4页
第4页 / 共18页
GB 50343-2004 建筑物电子信息系统防雷技术规范附录.docx_第5页
第5页 / 共18页
GB 50343-2004 建筑物电子信息系统防雷技术规范附录.docx_第6页
第6页 / 共18页
GB 50343-2004 建筑物电子信息系统防雷技术规范附录.docx_第7页
第7页 / 共18页
GB 50343-2004 建筑物电子信息系统防雷技术规范附录.docx_第8页
第8页 / 共18页
GB 50343-2004 建筑物电子信息系统防雷技术规范附录.docx_第9页
第9页 / 共18页
GB 50343-2004 建筑物电子信息系统防雷技术规范附录.docx_第10页
第10页 / 共18页
亲,该文档总共18页,到这儿已超出免费预览范围,如果喜欢就下载吧!
资源描述

《GB 50343-2004 建筑物电子信息系统防雷技术规范附录.docx》由会员分享,可在线阅读,更多相关《GB 50343-2004 建筑物电子信息系统防雷技术规范附录.docx(18页珍藏版)》请在第壹文秘上搜索。

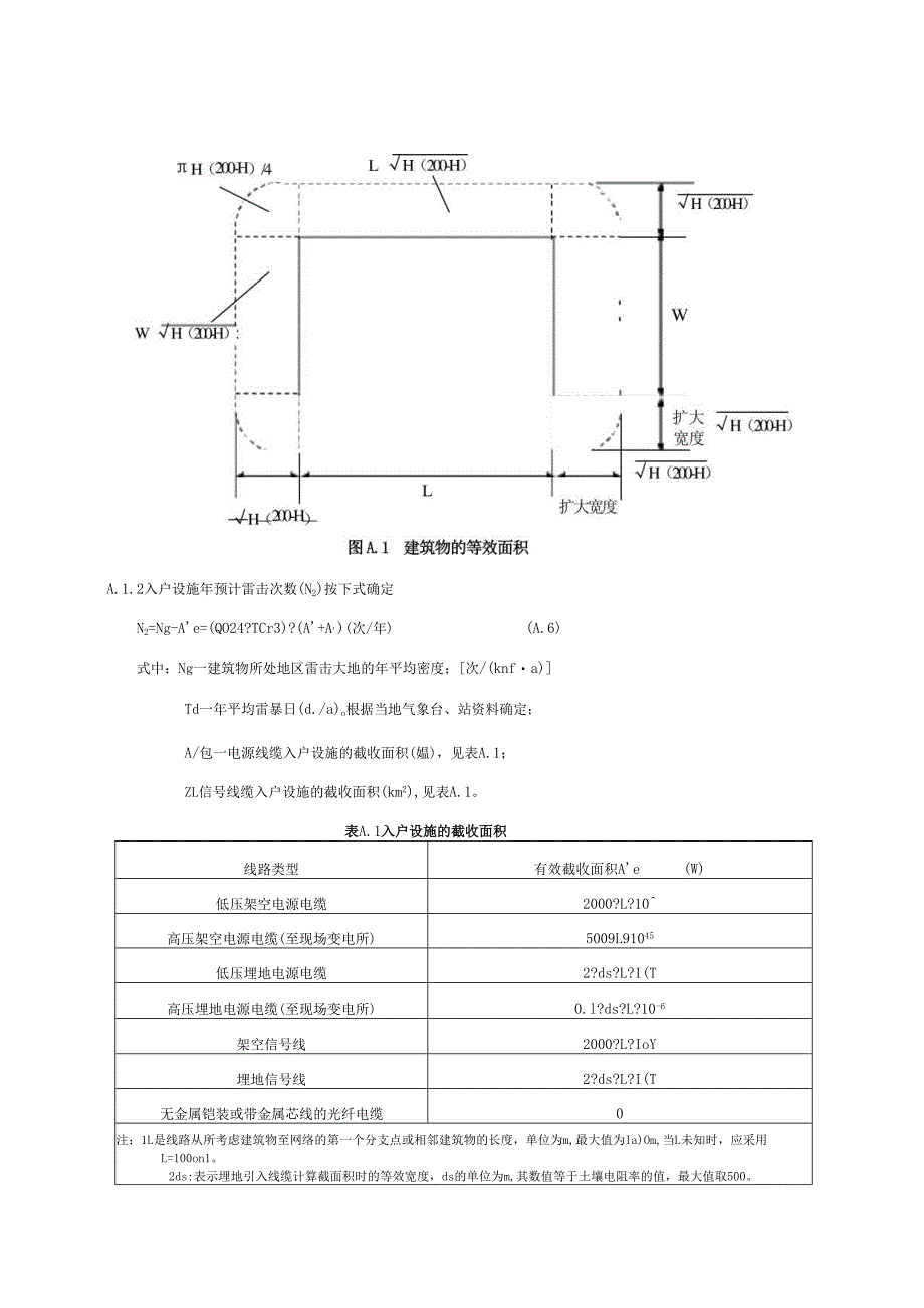
1、建筑物电子信息系统防雷技术规范附录(GB50343-2004附录)目录附录A用于建筑物电子信息系统雷击风险评估的N和NC的计算方法1附录B雷电波参数5附录C验收检测表7附录D全国主要城市年平均雷暴日数统计表18本规范用词说明20附录A用于建筑物电子信息系统雷击风险评估N和NC的计算方法A.1建筑物及入户设施年预计雷击次数(N)的计算A.1.1建筑物年预计雷击次数(N1)可按下式确定1N1=K-Ng-Ae(次/年)(A.1)式中:K校正系数,在一般情况下取1,在下列情况下取相应数值:位于旷野孤立的建筑物取2;金属屋面的砖木结构的建筑物取1.7;位于河边、湖边、山坡下或山地中土壤电阻率较小处,地下

2、水露头处、土山顶部、山谷风口等处的建筑物,以及特别潮湿地带的建筑物取1.5。Ng建筑物所处地区雷击大地的年平均密度次/(kn?a);Ng=0.024TJ3(次/tarfa)(A2)Td年平均雷暴日(da)。根据当地气象台、站资料确定;Ae建筑物截收相同雷击次数的等效面积(汨);2等效面积Ae,其计算方法应符合下列规定D当建筑物的高度HVlOOm时,其每边的扩大宽度(D)和等效面积(Ae)应按下列公式计算确定:III(200ID(m)(A.3)Ae=LW+2(L+W)H(20O-H)+JIH(200-H)106(A.4)式中:L、W、H分别为建筑物的长、宽、高(m)2)当建筑物的高HNloOnI

3、时,其每边的扩大宽度应按等于建筑物的高H计算。建筑物的等效面积应按下式确定Ae=LW+2H(L+W)+11H2106(A.5)3)当建筑物各部位的高不同时,应沿建筑物周边逐点计算出最大的扩大宽度,其等效面积Ae应按每最大扩大宽度外端的连线所包围的面积计算。建筑物扩大后的面积如图A.1中周边虚线所包围的面积。A.1.2入户设施年预计雷击次数(N2)按下式确定N2=Ng-Ae=(QO24?TCr3)?(A+A,)(次/年)(A.6)式中:Ng一建筑物所处地区雷击大地的年平均密度;次/(knfa)Td一年平均雷暴日(d./a)o根据当地气象台、站资料确定;A/包一电源线缆入户设施的截收面积(媪),见

4、表A.1;ZL信号线缆入户设施的截收面积(km2),见表A.1。表A.1入户设施的截收面积线路类型有效截收面积Ae(W)低压架空电源电缆2000?L?10高压架空电源电缆(至现场变电所)5009L91045低压埋地电源电缆2?ds?L?I(T高压埋地电源电缆(至现场变电所)0.l?ds?L?10-6架空信号线2000?L?IoY埋地信号线2?ds?L?I(T无金属铠装或带金属芯线的光纤电缆0注:1L是线路从所考虑建筑物至网络的第一个分支点或相邻建筑物的长度,单位为m,最大值为Ia)Om,当L未知时,应采用L=100on1。2ds:表示埋地引入线缆计算截面积时的等效宽度,ds的单位为m,其数值等

5、于土壤电阻率的值,最大值取500。A.1.3建筑物及入户设施年预计雷击次数(N)的计算:N=N1+N2(次/年)(A.7)A.2可接受的最大年平均雷击次数NC的计算因直击雷和雷电电磁脉冲引起电子信息系统设备损坏的可接受的最大年平均雷击次数N按下式确定:Nc=5.810l7C(A.8)式中:C各类因子C=C1+C2+C3+C4+C5+C6G为信息系统所在建筑物材料结构因子。当建筑物屋顶和主体结构均为金属材料时,G取0.5;当建筑物屋顶和主体结构均为钢筋混凝土材料时,G取1.0;当建筑物为砖混结构时,G取1.5;当建筑物为砖木结构时G取2.0;当建筑物为木结构时,G取2.5。C2信息系统重要程度因

6、子,等电位连接和接地以及屏蔽措施较完善的设备G取2.5;使用架空线缆的设备C2取1.0;集成化程度较高的低电压微电流的设备G取3.0。G电子信息系统设备耐冲击类型和抗冲击过电压能力因子,一般,C3m0.5;较弱,C3取1.0;相当弱,C3取3.0。注:一般指设备为GB/T16935.1-1997中所指的I类安装位置设备,且采取了较完善的等电位连接、接地、线缆屏蔽措施;较弱指设备为GB/T16935.1-1997中所指的I类安装位置的设备,但使用架空线缆,因而风险大;相当弱指设备集成化程度很高,通过低电压、微电流进行逻辑运算的计算机或通信设备。C4电子信息系统设备所在雷电防护区(LPZ)的因子,

7、设备在LPZ2或更高层雷电防护区内时,C,取0.5;设备在LPZl区内时,C,取1.0;设备在LPZOB区内时,C4取1.52.0。Cs为电子信息系统发生雷击事故的后果因子,信息系统业务中断不会产生不良后果时,Cs取0.5;信息系统业务原则上不允许中断,但在中断后无严重后果时,Cs取1.0;信息系统业务不允许中断,中断后会产生严重后果时,C51.5-2.OoCe表示区域雷暴等级因子,少雷区Ce取0.8;多雷区CeWl;f雷区Ce取1.2;强雷区Ce取1.4。附录B雷电流参数Bl闪击中出现的三种雷击波形见医iit(c)长时间雷击波形t(八)短时首次雷击波形(b)t首次以后的雷击波形(后续雷击)图

8、Bl闪击中出现的三种雷击波形T2半值时间(八)短时雷击iT一从波头起自峰值10%至波尾降到峰值1%之间的时间Q1一长时间雷击的电荷量(b)长时间雷击图B.2雷击参数定义B3雷电流参数见表B3-1表B3-3的规定。表B3-1首次雷击的雷电流参数雷电流参数防雷建筑物类别一类二类三类I幅值(kA)200150100TI波头时间(US)101010丁2半值时间(s)350350350Qs电荷量(C)1007550W/R单位能量(MJ)105.62.5注:1.因为全部电荷量QS的本质部分包括在首次雷击中,故所规定的值考虑合并了所有短时间雷击的电荷量。2.由于单位能量W/R的本质部分包括在首次雷击中,故所

9、规定的值考虑合并了所有短时间雷击的单位能量。表B3-2首次以后雷击的雷电流参数雷电流参数防雷建筑物类别一类二类三类I幅值(kA)5037.525波头时间(US)0.250.250.25丁2半值时间(s)1001001001/1平均陡度(kA/s)200150100表B3-3长时间雷击的雷电流参量雷电流参数防雷建筑物类别一类二类三类Q1电荷量(C)200150100T时间(三)0.50.50.5平均电流IQT附录C验收检测表表COI接地装置验收检测表1验收结果:检测时间、天气、温度验收项目验收意见建设单位(业主)工程监理单位施工单位施工员年月曰接地装置W2检测记录:序号检测内容检测结果是否达到规

10、范要求质量情况整改意见优良合格不合格01垂直接地体材料02垂直接地体数量03垂直接地体规格04垂直接地体长度(m)05垂直接地体间距(m)06埋设深度(m)07水平接地体材料08水平接地体规格09水平接地体总长度(m)10连接方式11防腐措施12测试点标志13接地电阻值()14总体工艺水平备注:检测员1验收结果:检测时间、天气、温度验收项目验收意见建设单位(业主)工程监理单位施工单位施工员年月日接地线W2检测记录:序号检测内容检测结果是否达到规范要求质量情况整改意见优良合格不合格Ol接地装置至总等电位连接带连接导体材料、截面、连接方法02接地干线、接地线材料、截面、敷设和连接方法03PE线与接

11、地端子板连接方法、防腐措施04接地线与金属管道等自然接地体连接方法、防腐措施0506总体工艺水平备注:检测员1验收结果:检测时间、天气、温度验收项目验收意见建设单位(业主)工程监理单位施工单位施工员年月日等电位接地端子板(等电位连接带)W2检测记录:序号检测内容检测结果是否达到规范要求质量情况整改意见优良合格不合格Ol总等电位接地端子板设置位置02总等电位接地端子板材料和连接方式03楼层等电位接地端子板设置ts04楼层等电位接地端子板材料和连接方式05局部等电位接地端子板设置06局部等电位接地端子板材料和连接方式07设备机房等电位连接网络型式和材料、规格08总等电位接地端子板至楼层等电位接地端

12、子板连接导体材料、规格09楼层等电位接地端子板至局部等电位接地端子板连接导体材料、规格10天面金属物接地11金属管道接地12电梯轨道接地13低压配电保护接地14线缆金属屏蔽层接地15设备金属外壳、机架接地16走线桥、架接地17其它等电位接地18总体工艺水平备注:检测员1验收结果:检测时间、天气、温度验收项目验收意见建设单位(业主)工程监理单位施工单位施工员年月日屏蔽设施W2检测记录:序号检测内容屏蔽方式材料及尺寸是否合格整改意见Ol电子信息系统设备机房屏蔽利用建筑物自身屏蔽外加屏蔽网格壳体屏蔽02备注:检测员1验收结果:检测时间、天气、温度验收项目验收意见建设单位(业主)工程监理单位施工单位施工员年月日电源SPD安装W2检测记录:序号检测内容检测数据SPD防护级数一级二级三级四级五级Ol线缆敷设方式(埋地、架空)

展开阅读全文
相关资源
猜你喜欢
相关搜索

当前位置:首页 > 建筑/环境 > 建筑规范

copyright@ 2008-2023 1wenmi网站版权所有

经营许可证编号:宁ICP备2022001189号-1

本站为文档C2C交易模式,即用户上传的文档直接被用户下载,本站只是中间服务平台,本站所有文档下载所得的收益归上传人(含作者)所有。第壹文秘仅提供信息存储空间,仅对用户上传内容的表现方式做保护处理,对上载内容本身不做任何修改或编辑。若文档所含内容侵犯了您的版权或隐私,请立即通知第壹文秘网,我们立即给予删除!