办公楼暖气更换工程安全保证技术组织措施和保证体系.docx

上传人:p** 文档编号:1331215 上传时间:2025-03-18 格式:DOCX 页数:7 大小:51.06KB
下载 相关 举报
办公楼暖气更换工程安全保证技术组织措施和保证体系.docx_第1页
第1页 / 共7页
办公楼暖气更换工程安全保证技术组织措施和保证体系.docx_第2页
第2页 / 共7页
办公楼暖气更换工程安全保证技术组织措施和保证体系.docx_第3页
第3页 / 共7页
办公楼暖气更换工程安全保证技术组织措施和保证体系.docx_第4页
第4页 / 共7页
办公楼暖气更换工程安全保证技术组织措施和保证体系.docx_第5页
第5页 / 共7页
办公楼暖气更换工程安全保证技术组织措施和保证体系.docx_第6页
第6页 / 共7页
办公楼暖气更换工程安全保证技术组织措施和保证体系.docx_第7页
第7页 / 共7页
亲,该文档总共7页,全部预览完了,如果喜欢就下载吧!
资源描述

《办公楼暖气更换工程安全保证技术组织措施和保证体系.docx》由会员分享,可在线阅读,更多相关《办公楼暖气更换工程安全保证技术组织措施和保证体系.docx(7页珍藏版)》请在第壹文秘上搜索。

1、办公楼暖气更换工程安全保证技术组织措施和保证体系1、安全文明施工保证体系2、安全文明施工目标、杜绝重大伤亡事故。、杜绝重大火灾、交通、机械事故。、工伤事故频率低于3%。,其中重伤事故频率低于0.5%。、加强环保,清洁生产,杜绝环境污染事故发生。3、安全保证措施3. 1建立安全管理制度:召开“安全生产管理委员会”工作例会,总结前一阶段的安全生产情况,布置下一阶段的安全生产工作;严格执行施工现场安全生产管理的技术方案和措施,在执行中发现问题应及时向有关部门汇报。更改方案和措施时,应经原设计方案的技术主管部门领导审批签字后实施,否则任何人不得擅自更改方案和措施;建立并执行安全生产技术交底制度。要求各

2、施工项目必须有书面安全技术交底,安全技术交底必须具有针对并有交底人与被交底人签字;建立并执行班前安全生产讲话制度。建立并执行安全生产检查制度。由项目经理部组织一次由各施工单位安全生产负责人参加的联合检查,对检查中所发现的事故隐患和违章现象,开出“隐患问题通知单”,各施工单位在收到“隐患问题通知单”后,应根据具体情况,定时间、定人、定措施予以解决,项目经理部有关部门应监督落实问题的解决情况。若发现重大不安全隐患问题,检查组有权下达停工指令,待隐患问题排除,并经检查组批准后方可施工;建立机械设备、临电设施设置完成后的验收制度。未经过验收和验收不合格的严禁使用。安全检查程序见上图:、安全教育与安全检

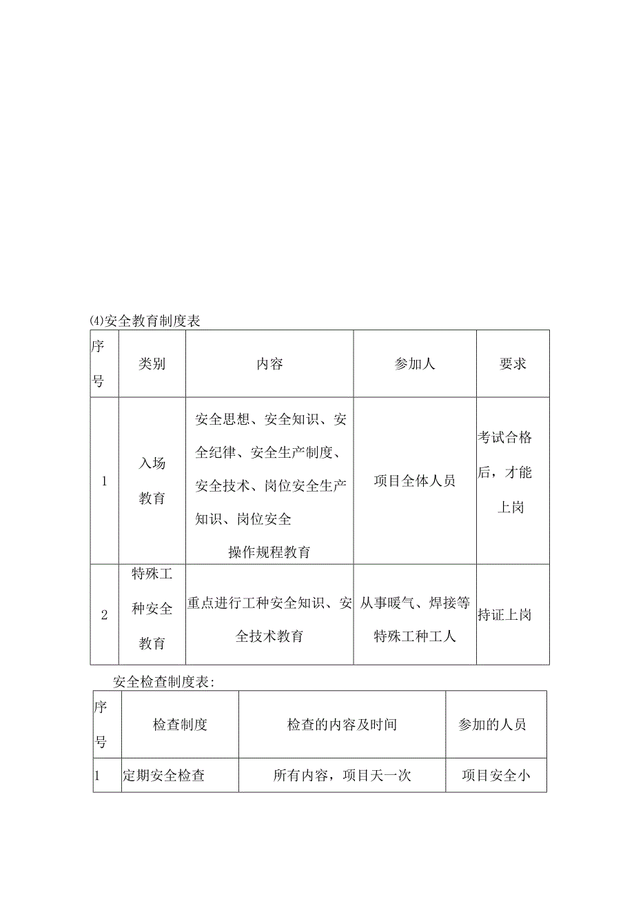
3、查制度为确保安全目标的实现,应建立对现场施工人员进行安全教育制度与安全检查制度。安全检查程序图安全教育制度表序号类别内容参加人要求1入场教育安全思想、安全知识、安全纪律、安全生产制度、安全技术、岗位安全生产知识、岗位安全操作规程教育项目全体人员考试合格后,才能上岗2特殊工种安全教育重点进行工种安全知识、安全技术教育从事暖气、焊接等特殊工种工人持证上岗安全检查制度表:序号检查制度检查的内容及时间参加的人员1定期安全检查所有内容,项目天一次项目安全小序号检查制度检查的内容及时间参加的人员组成员2专项性施工检查压力容器、焊接工具、电气设备等项目安全小组成员3安全管理检查责任制及规章、制度的落实情况项

4、目安全、技术部门、施工现场临时用电安全技术规范JGJ46-2005和建筑施工安全检查评分标准JGJ59-2011。3.2 设一名专职安全员,负责现场安全生产措施及施工设备各项安全检查的落实和执行情况,及时排除安全事故隐患,项目经理全面负责安全生产工作。3.3 坚持“三级”安全教育和培训制度,专职安全员和特种作业人员必须持证上岗,完善安全责任制,组织和健全安全生产管理体系,形成纵向到底,横向到边,专管成线,群管成网,责任明确的安全管理体系,协调配合,共同努力,把安全生产真正落到实处。认真进行安全技术措施交底,做到安全交底应有书面材料和双方签字及日期,明确责任,加强安全意识。安全教育内容分别为安全

5、生产思想教育、安全知识教育、安全技能教育。我单位的安全教育分三个层次进行,一是对各级领导和管理人员的安全教育。每次生产会、调度会、协调会布置生产任务先强调安全生产,对本工程易发生事故的地方和行为尽量作到事先提醒,要求各级管理人员高度警觉,防止不安全因素滋长,做到警钟长鸣。二是对基层单位领导、工地施工负责人、安全员开展的安全业务培训。在安全专业技术培训方面,进一步学习建筑法及有关建筑安全生产管理的条例,使管理人员提高认识,转变单纯追求经济效益的观念,把“安全第一”变成依法办事的自觉行动。并不断介绍安全管理的新知识新技术、新经验,提高管理队伍整体业务水平和安全管理效能。三是对工地施工人员的入场教育

6、,每一批工人进场,由项目部组织进行岗前安全培训,由安全部门统一命题考试,合格者才能上岗,并在分项工程施工前由施工负责人进行安全技术交底。抓好岗位培训,特别是安全管理人员和特种工种操作人员的岗位培训,坚持持证上岗。以有效地提高职工和各级管理人员和职工的安全意识和业务素质,加强防范各种隐患的能力,提高安全生产的管理水平。3.4临时用电按JGJ46-2005和JGJ59-2On要求编制施工组织设计,现场临时用电按临时用电平面图布设,严禁未经技术部门批准而随意修改方案的行为,从而保证安全生产。进入现场所以人员必须遵守安全六大纪律,电气焊、剔凿等作业的人员要使用面罩或护目镜,特种人员持证上岗,并佩戴相应

7、的劳动保护用品。3.5安全技术措施和保证制度:、严格执行施工用电安全规定、施工机械设备现场管理规定、高处作业临边防护等有关规定。施工现场认真执行“六个统一”,严格执行安全生产规定和各有关安全生产文件,建立和贯彻落实工程安全生产责任制,切实做到“安全第一、预防为主”的方针,做到安全生产及文明施工。建立健全各级各部门的安全生产责任制,责任落实到人,各项经济承包及分包合同均有明确的安全指标和奖罚办法。、在编制施工组织设计,制定施工方案和下达施工计划时,必须同时制定和下达施工安全技术措施。无安全措施技术交底,不得施工。、所有参加施工的作业人员必须经安全技术、操作培训合格后方可进入现场进行施工,特殊工种

8、必须持有操作证上岗作业,严禁无证上岗,各工种、各工序施工前须由安全负责人进行书面交底后方可进行施工作业。生产工人应掌握本工种操作技能,熟悉安全技术操作规程,经考试合格,持证上岗,认真建立“职工安全教育记录卡”,及时做好记录。、进入施工现场必须每天有佩带袖章的安全员值班。现场设有安全生产管理制度牌、防火须知牌、安全无重大事故计数牌、安全责任区划分牌。在主要施工部位、作业点、危险区、都必须挂有安全警示牌。、安全防护用品、钢管、扣件、螺栓、电力线等材料的质量必须符合规范规定的要求。、中小型施工机具均必须专人使用,专人保养,并挂安全操作牌。、参加施工的驻地管理人员一律持证上岗。佩证内容有姓名、职务和本人像片,安全员的配证为红色以示醒目。、建立定期和不定期的现场安全检查制度。专职安全员根据安全生产的制度和有关规定,经常进行现场检查,如发现严重不安全的情况,有权指令停止施工,并立即上报项目经理,经处理后方可继续施工。、定期检查:项目经理部每天进行一次安全检查;安全员和作业班组随时注意安全检查。、每次检查都必须做好记录,发现事故隐患要及时签发安全隐患通知单,并本着五定的原则(即定整改负责人、定整改时间、定整改的完成时间、定整改措施、定整改的验收人)及时解决,将事故苗头消灭在萌芽状态。

展开阅读全文
相关资源
猜你喜欢
相关搜索

当前位置:首页 > 建筑/环境 > 设计及方案

copyright@ 2008-2023 1wenmi网站版权所有

经营许可证编号:宁ICP备2022001189号-1

本站为文档C2C交易模式,即用户上传的文档直接被用户下载,本站只是中间服务平台,本站所有文档下载所得的收益归上传人(含作者)所有。第壹文秘仅提供信息存储空间,仅对用户上传内容的表现方式做保护处理,对上载内容本身不做任何修改或编辑。若文档所含内容侵犯了您的版权或隐私,请立即通知第壹文秘网,我们立即给予删除!