煤矿通风标准化评分表.docx

上传人:p** 文档编号:1333003 上传时间:2025-03-18 格式:DOCX 页数:3 大小:10.54KB
下载 相关 举报
煤矿通风标准化评分表.docx_第1页
第1页 / 共3页
煤矿通风标准化评分表.docx_第2页
第2页 / 共3页
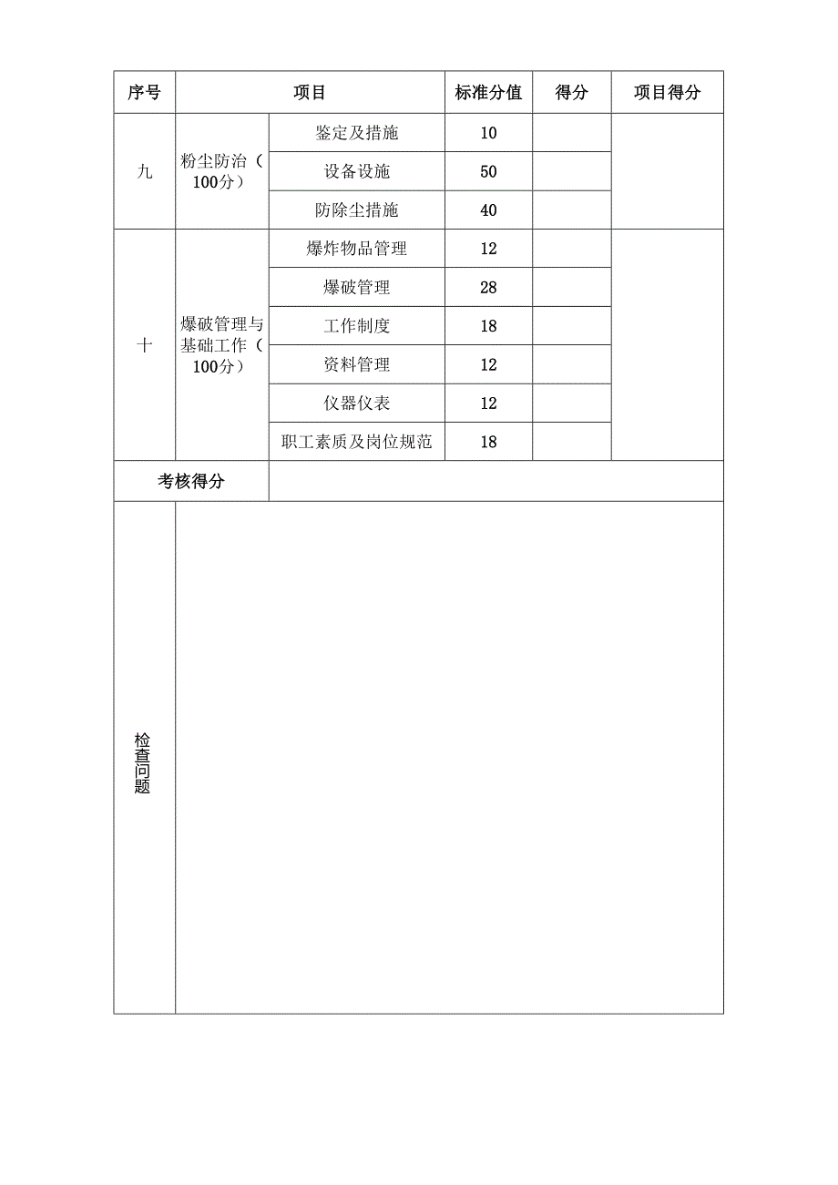
煤矿通风标准化评分表.docx_第3页
第3页 / 共3页
亲,该文档总共3页,全部预览完了,如果喜欢就下载吧!
资源描述

《煤矿通风标准化评分表.docx》由会员分享,可在线阅读,更多相关《煤矿通风标准化评分表.docx(3页珍藏版)》请在第壹文秘上搜索。

煤矿通风标准化评分表序号项目标准分值得分项目得分*通风系统(100分)系统管理55风量配置45二局部通风(100分)装备措施50风筒敷设50三通风设施(100分)设施管理30密闭20风门风窗30风桥20四瓦斯管理(100分)鉴定及措施25瓦斯检查35现场管理40五突出防治(100分)突出管理65设备设施35六瓦斯抽采(100分)抽采系统30检查与管理70七安全监控(100分)装备设置55调校测试15监控设备20资料管理10八防灭火(100分)防治措施40设施设备45控制指标10封闭时限5序号项目标准分值得分项目得分九粉尘防治(100分)鉴定及措施10设备设施50防除尘措施40十爆破管理与基础工作(100分)爆炸物品管理12爆破管理28工作制度18资料管理12仪器仪表12职工素质及岗位规范18考核得分检查问题受检单位:检查人:检查时间:

展开阅读全文
相关资源
猜你喜欢
相关搜索

当前位置:首页 > 行业资料 > 矿业工程

copyright@ 2008-2023 1wenmi网站版权所有

经营许可证编号:宁ICP备2022001189号-1

本站为文档C2C交易模式,即用户上传的文档直接被用户下载,本站只是中间服务平台,本站所有文档下载所得的收益归上传人(含作者)所有。第壹文秘仅提供信息存储空间,仅对用户上传内容的表现方式做保护处理,对上载内容本身不做任何修改或编辑。若文档所含内容侵犯了您的版权或隐私,请立即通知第壹文秘网,我们立即给予删除!