起重机械吊具、索具检查记录表(卸扣).docx

上传人:p** 文档编号:1333567 上传时间:2025-03-18 格式:DOCX 页数:1 大小:7.64KB
下载 相关 举报
起重机械吊具、索具检查记录表(卸扣).docx_第1页
第1页 / 共1页
亲,该文档总共1页,全部预览完了,如果喜欢就下载吧!
资源描述

《起重机械吊具、索具检查记录表(卸扣).docx》由会员分享,可在线阅读,更多相关《起重机械吊具、索具检查记录表(卸扣).docx(1页珍藏版)》请在第壹文秘上搜索。

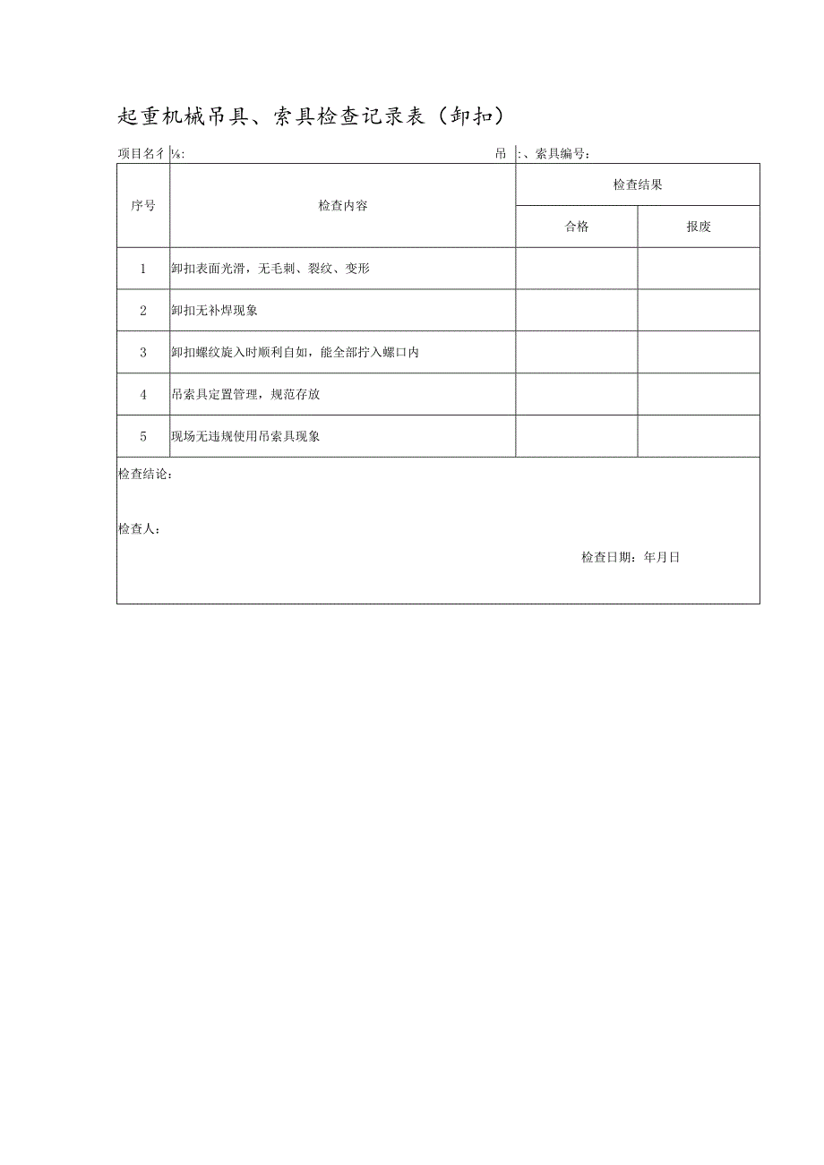
起重机械吊具、索具检查记录表(卸扣)项目名彳:吊具:、索具编号:序号检查内容检查结果合格报废1卸扣表面光滑,无毛刺、裂纹、变形2卸扣无补焊现象3卸扣螺纹旋入时顺利自如,能全部拧入螺口内4吊索具定置管理,规范存放5现场无违规使用吊索具现象检查结论:检查人:检查日期:年月日

展开阅读全文
相关资源
猜你喜欢
相关搜索

当前位置:首页 > 行业资料 > 国内外标准规范

copyright@ 2008-2023 1wenmi网站版权所有

经营许可证编号:宁ICP备2022001189号-1

本站为文档C2C交易模式,即用户上传的文档直接被用户下载,本站只是中间服务平台,本站所有文档下载所得的收益归上传人(含作者)所有。第壹文秘仅提供信息存储空间,仅对用户上传内容的表现方式做保护处理,对上载内容本身不做任何修改或编辑。若文档所含内容侵犯了您的版权或隐私,请立即通知第壹文秘网,我们立即给予删除!