远程数字高清视频监控系统系统培训、测试和验收.docx

上传人:p** 文档编号:1333594 上传时间:2025-03-18 格式:DOCX 页数:7 大小:18.73KB
下载 相关 举报
远程数字高清视频监控系统系统培训、测试和验收.docx_第1页
第1页 / 共7页
远程数字高清视频监控系统系统培训、测试和验收.docx_第2页
第2页 / 共7页
远程数字高清视频监控系统系统培训、测试和验收.docx_第3页
第3页 / 共7页
远程数字高清视频监控系统系统培训、测试和验收.docx_第4页
第4页 / 共7页
远程数字高清视频监控系统系统培训、测试和验收.docx_第5页
第5页 / 共7页
远程数字高清视频监控系统系统培训、测试和验收.docx_第6页
第6页 / 共7页
远程数字高清视频监控系统系统培训、测试和验收.docx_第7页
第7页 / 共7页
亲,该文档总共7页,全部预览完了,如果喜欢就下载吧!
资源描述

《远程数字高清视频监控系统系统培训、测试和验收.docx》由会员分享,可在线阅读,更多相关《远程数字高清视频监控系统系统培训、测试和验收.docx(7页珍藏版)》请在第壹文秘上搜索。

1、远程数字高清视频监控系统系统培训、测试和验收1系统培训1Ll培训目标11.2培训计划表21.3培训具体安排21.4 培训内容、地点及时间31.5 治安动态监控系统41.6 数字视频共享平台和软件51.7厂商总部培训61.8培训结果检验62系统测试和验收61总述62系统试运行63系统检测74系统竣工验收75竣工验收递交的竣工文档7系统培训、测试和验收本项目工程,时间紧、质量要求高。为此,我单位将在人、材、物等方面予以全力支持,专门成立项目领导小组和项目经理部。做到精心设计、合理安排、控制质量、按时保质完成任务,争创优良工程。具体方法和方案如下:1系统培训对于本工程,我们提供常规培训和专业培训I。

2、常规培训免费提供,不限人数,直到用户能熟练使用和操作,并能进行常见故障的日常简单维护和排除。我方在施工过程中对甲方相关技术人员进行现场培训。竣工后,同设备供应厂商一起提供系统工程及所供设备的技术培训(包括公司总部及施工现场),免费培训甲方工程技术人员2名。Ll培训目标对于本工程来说,建设成一个优良的系统集成工程固然非常重要。但是,要使整个系统运行达到稳定、高效、节能,为在其中工作的人们提供一个安全、舒适的环境和便利的工作方式,还必须要有合格的操作人员和管理人员来操作、维护该系统,使该系统能够正常运行,从而实现系统的设计功能。培训是一个非常重要的环节,是整个项目管理工作的重要组成部分。通过培训使

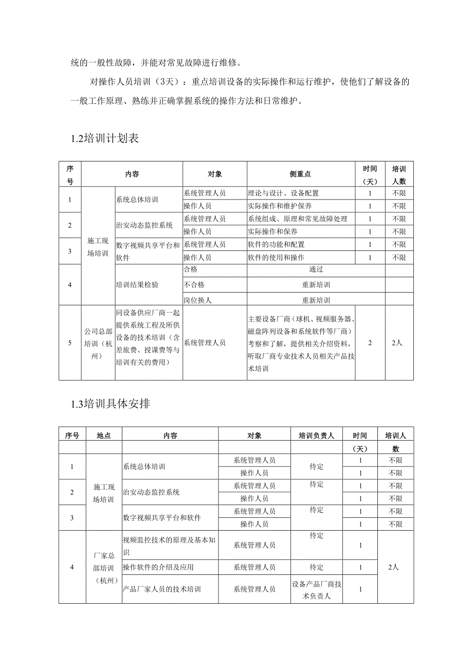
3、得培训后的人员能了解和掌握系统结构和工作原理、设备性能、设备操作,并能排除一般的系统故障,使得这些管理人员能担负起系统的日常运行、维修、维护和保养工作,保障系统正常运行。针对本工程,我们计划安排二个层次的培训:一是针对系统的管理人员的培训,另一个是对操作人员的培训。对管理人员培训(5天):重点培训系统的工作原理、系统设计、管理、设备配置等,使他们达到熟练掌握整个系统的工作原理,各子系统设计和管理,配置系统参数,分析系统的一般性故障,并能对常见故障进行维修。对操作人员培训(3天):重点培训设备的实际操作和运行维护,使他们了解设备的一般工作原理、熟练并正确掌握系统的操作方法和日常维护。1.2培训计

4、划表序号内容对象侧重点时间(天)培训人数1施工现场培训系统总体培训系统管理人员理论与设计、设备配置1不限操作人员实际操作和维护保养1不限2治安动态监控系统系统管理人员系统组成、原理和常见故障处理1不限操作人员实际操作和保养1不限3数字视频共享平台和软件系统管理人员软件的功能和配置1不限操作人员软件的使用和操作1不限4培训结果检验合格通过不合格重新培训岗位换人重新培训5公司总部培训(杭州)同设备供应厂商一起提供系统工程及所供设备的技术培训(含差旅费、授课费等与培训有关的费用)系统管理人员主要设备厂商(球机、视频服务器、磁盘阵列设备和系统软件等厂商)考察和了解,提供相关介绍资料,听取厂商专业技术人

5、员相关产品技术培训22人1.3培训具体安排序号地点内容对象培训负责人时间培训人(天)数1施工现场培训系统总体培训系统管理人员待定1不限操作人员1不限2治安动态监控系统系统管理人员待定1不限操作人员1不限3数字视频共享平台和软件系统管理人员待定1不限操作人员1不限4厂家总部培训(杭州)视频监控技术的原理及基本知识系统管理人员待定12人操作软件的介绍及应用系统管理人员待定1产品厂家人员的技术培训系统管理人员设备产品厂商技术负责人11.4培训内容、地点及时间培训内容分为管理人员培训课程和操作人员课程,针对不同的系统将有不同培训内容,下面分系统进行叙述:1)系统总体培训A.系统管理人员培训课程时间:1

6、天地点:现场培训人:待定内容: 系统介绍系统组成及其原理; 系统介绍各子系统的主要功能、系统参数、通讯接口、协议; 针对系统的组成及设计思路; 系统运行管理中应注意的其他事项。B.操作人员培训课程时间:1天地点:现场培训人:待定内容:介绍监控系统的组成及其一般原理;介绍系统的实际操作方法和日常保养及其他应注意的事项。1. 5治安动态监控系统1)系统管理人员培训课程时间:1天地点:现场培训人:待定内容: 掌握治安动态监控系统的组成; 熟练掌握矩阵的工作原理及操作; 熟练掌握光纤和光端机工作原理; 熟练掌握图像编码器的工作原理; 熟练掌握数字录像机的工作原理; 会根据现场的实际环境进行摄像机的操作

7、; 根据现场的应用条件的改变,会对系统进行修改; 理解矩阵的编程方法,会对其进行编程操作; 熟练掌握摄像机的使用与维护,会对其进行焦距、光圈的调整; 熟练掌握系统使用与维护保养的规程、方法及处理办法。2)操作人员培训课程时间:2天地点:现场培训人:待定内容: 了解监控系统的组成; 熟练掌握矩阵、数字录像机的操作; 会根据现场的实际环境进行摄像机的操作; 熟练掌握多媒体软件的操作; 熟练掌握摄像机的使用与维护,会对其进行焦距、光圈的调整; 熟练掌握系统使用与维护保养的规程、方法及处理手段、常见故障的处理。1.6数字视频共享平台和软件培训目的:使甲方网络监控系统管理和维护人员掌握系统运用系统软件平

8、台的管理和使用。1)系统管理人员培训课程时间:1天地点:现场培训人:待定内容: 了解数字视频共享平台设备的基本工作原理、系统结构; 掌握数字视频共享平台的组成和原理; 了解系统各软件平台功能; 各软件模块的使用; 软件模块的管理、升级和维护; 安装实习; 掌握系统软件、硬件的安装、配置、操作及维护; 应用软件和业务软件的功能、操作、维护; 熟练掌握系统使用管理。2)操作人员培训课程时间:1天地点:现场培训人:待定内容: 掌握数字视频共享平台的组成; 了解系统软件平台功能,各软件模块的使用; 系统常见故障分析及排除; 实践操作培训;应用软件和业务软件的功能、操作、维护;掌握设备常见故障的定位和排

9、除;熟练掌握系统使用与维护保养的规程、方法及处理办法。1.7厂商总部培训为使系统管理人员能进一步熟悉和掌握设备具体情况,我们将为系统管理人员提供厂商总部考察和培训,内容分为主要产品厂商参观考察和厂商专业技术人员相关产品技术培训,时间:2天;人员:2名;地点:杭州。1.8培训结果检验培训结束,要对培训的结果进行检验,检验方式有实际操作和理论考试二部分。实际操作主要考核操作员对设备的开启、控制和关闭程序,设备的维护,常见故障的排除等。理论考试通过书面考试的形式对系统的组成、基本原理、维护常识、操作步骤等进行考试。不合格者需要重新学习、培训,希望建设方授培训人员予以配合支持。2系统测试和验收1总述项

10、目负责人应组织项目设计人参加阶段性验收工作,对验收中提出的问题要及时整改;参加工程竣工验收,检查施工与设计图纸的一致性,认真听取各方面对设计图纸的意见、建议。经验收合格后,办理竣工和移交甲方正式手续,并提交验收报告、测试数据及竣工图纸等竣工资料;同时将该工程所有档案交公司档案室保管并移交售后服务中心。各子系统的测试、验收标准均依据国家和河北省有关标准执行。2系统试运行工程安装调试完毕后,进入试运行后,协助甲方做好试运行记录,按相关规定时间进行试运行。3系统检测工程试运行结束后,由甲方委托检测部门对系统进行检测,并出具检测报告。对于检测不合格的地方及时进行整改和调整,直至检测合格。4系统竣工验收

11、工程竣工,试运行后,出具检测报告后由甲方组织进行竣工验收。工竣工验收需出具竣工申请报告、工程整套报验资料,提交甲方报批,由甲方组织竣工验收,根据河北省公安厅有关安全防范工程规定,按城市监控报警联网系统通用技术要求(GA/T792-2008)相关标准进行验收,由甲方办理验收手续,进行现场验收,出具工程竣工报告。项目验收通过后移交甲方,正式运行。5竣工验收递交的竣工文档在系统竣工验收前,公司按下列内容编制验收文件,一式三份交建设单位。一份由建设单位签收盖章后,退还施工单位存档。工程验收的主要文件如下:技术方案、竣工设备清单、主要产品说明书、报关单、系统试运行报告、系统测试报告、系统接线图、系统竣工图、系统操作手册、结算报告及其它规定的有关文件或图纸。竣工验收文件应保证质量,做到内容齐全、标记详细、缮写清楚、数据准确、互相对应。系统工程验收合格后,验收小组应签署验收证书。

展开阅读全文
相关资源
猜你喜欢
相关搜索

当前位置:首页 > 通信/电子 > 监控

copyright@ 2008-2023 1wenmi网站版权所有

经营许可证编号:宁ICP备2022001189号-1

本站为文档C2C交易模式,即用户上传的文档直接被用户下载,本站只是中间服务平台,本站所有文档下载所得的收益归上传人(含作者)所有。第壹文秘仅提供信息存储空间,仅对用户上传内容的表现方式做保护处理,对上载内容本身不做任何修改或编辑。若文档所含内容侵犯了您的版权或隐私,请立即通知第壹文秘网,我们立即给予删除!