风险管理定量评估表.docx

上传人:p** 文档编号:1333722 上传时间:2025-03-18 格式:DOCX 页数:12 大小:34.59KB
下载 相关 举报
风险管理定量评估表.docx_第1页
第1页 / 共12页
风险管理定量评估表.docx_第2页
第2页 / 共12页
风险管理定量评估表.docx_第3页
第3页 / 共12页
风险管理定量评估表.docx_第4页
第4页 / 共12页
风险管理定量评估表.docx_第5页
第5页 / 共12页
风险管理定量评估表.docx_第6页
第6页 / 共12页
风险管理定量评估表.docx_第7页
第7页 / 共12页
风险管理定量评估表.docx_第8页
第8页 / 共12页
风险管理定量评估表.docx_第9页
第9页 / 共12页
风险管理定量评估表.docx_第10页
第10页 / 共12页
亲,该文档总共12页,到这儿已超出免费预览范围,如果喜欢就下载吧!
资源描述

《风险管理定量评估表.docx》由会员分享,可在线阅读,更多相关《风险管理定量评估表.docx(12页珍藏版)》请在第壹文秘上搜索。

1、风险管理定量评估表序号检查内容检查方式检查依据检查情况符合度系数评分满分备注一、风险分级管控及隐患排查治理制度的制定情况1是否制定风险管理、隐患排查相关管理制度。检查制度关于加强化工过程安全管理的指导意见(安监总管三(2013)88号)化工过程安全管理导则(AQ/T3034-2022)是42020符合度:NA/是/否2企业是否建立安全风险研判与承诺公告管理制度。检查制度应急管理部关于全面实施危险化学品企业安全风险研判与承诺公告制度的通知(应急1201874号)化工过程安全管理导则(AQ/T3034-2022)是21010符合度:NA/是/否3风险管理及隐患排查等相关制度是否明确相应的管理流程、

2、部门及岗位职责、全生命周期风险管理的要求、风险辨识范围、风险辨识方法、频次、风险分析结果的应用和改进措施落实情况。检查制度关于加强化工过程安全管理的指导意见(安监总管三(2013)88号)化工过程安全管理导则(AQ/T3034-2022)584040审核所有制度内容,职责明确,内容包含全生命周期风险管理要求,满足国家法规标准要求且便于实施,得5分;制度总体满足国家要求,可指导企业开展全生命周期风险管理,得4分;除第项以外,根据制度内容完善情况,评审员判断得3分。单项小计7070二、风险分级标准与可接受标准制定情况4企业是否制定了风险分级管理标准。检查制度关于加强化工过程安全管理的指导意见(安监

3、总管三(2013)88号)化工过程安全管理导则(AQ/T3034-2022)是21010符合度:NA/是/否序号检查内容检查方式检查依据检查情况符合度系数评分满分备注5企业风险分级标准是否满足国家相关法规要求,风险标准是否可以满足风险分级管理的需求。检查制度关于加强化工过程安全管理的指导意见(安监总管三(2013)88号)化工过程安全管理导则(AQ/T3034-2022)是42020符合度:NA/是/否6企业是否制定了用于残余风险评价的可接受风险频率值。检查制度关于加强化工过程安全管理的指导意见(安监总管三(2013)88号)化工过程安全管理导则(AQ/T3034-2022)是21010符合度

4、:NA/是/否7可接受风险频率值是否满足危险化学品重大危险源监督管理暂行规定(国家安全监管总局令第40号)、GB36894等要求,且适用于企业开展残余风险评价工作。检查制度关于加强化工过程安全管理的指导意见(安监总管三(2013)88号)化工过程安全管理导则(AQ/T3034-2022)是42020符合度:NA/是/否单项小计6060三、风险管理活动的开展情况8“两重点一重大”的生产储存装置是否每3年开展一次HAZOP分析,其余生产设施是否每5年开展一次风险辨识分析。查报告、查记录关于加强化工过程安全管理的指导意见(安监总管三(2013)88号)是42020符合度:NA/是/否存在一处遗漏未分

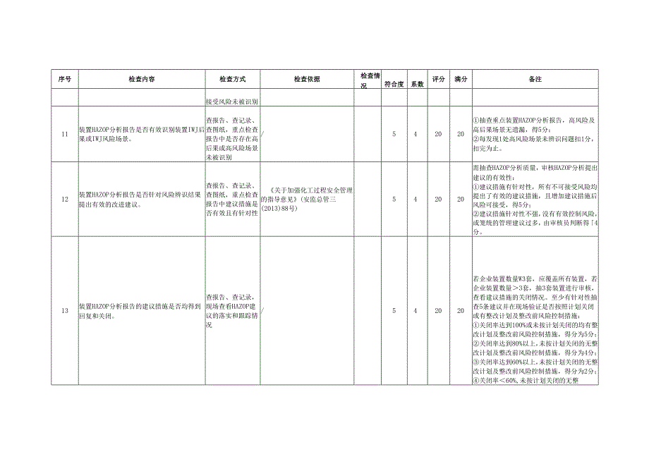
5、析的装置或罐区,即为不满足。9装置HAZOP分析记录是否与实际生产装置和储存设施相符合。查报告,重点检查工艺节点划分是否涵盖了生产装置的所有流程。关于加强化工过程安全管理的指导意见(安监总管三(2013)88号)563030审核装置或罐区HAZOP分析报告内容是否覆盖装置罐区所有设施、单元,未出现遗漏,得5分;每发现装置设施、单元有1处遗漏,扣2分;发现装置设施、单元存在3处及以上遗漏情况,得0分。10装置HAZOP分析报告是否有效识别装置残余风险不可接受的场景。查报告、查记录、查图纸,重点检查报告中是否存在不可/542020抽查重点装置HAZOP报告,不可接受风险无遗漏,得5分;现场每发现1

6、项不可接受风险未被辨识的问题扣1分,扣完为止。序号检查内容检查方式检查依据检查情况符合度系数评分满分备注接受风险未被识别11装置HAZOP分析报告是否有效识别装置IWJ后果或IWJ风险场景。查报告、查记录、查图纸,重点检查报告中是否存在高后果或高风险场景未被识别/542020抽查重点装置HAZOP分析报告,高风险及高后果场景无遗漏,得5分;每发现1处高风险场景未辨识问题扣1分,扣完为止。12装置HAZOP分析报告是否针对风险辨识结果提出有效的改进建议。查报告、查记录、查图纸,重点检查报告中建议措施是否有效且有针对性关于加强化工过程安全管理的指导意见(安监总管三(2013)88号)542020需

7、抽查HAZOP分析质量,审核HAZOP分析提出建议的有效性:建议措施有针对性,所有不可接受风险均提出了有效的建议措施,且增加建议措施后风险可接受,得5分;建议措施针对性不强,没有有效控制风险,或笼统的管理建议过多,由审核员判断得4分。13装置HAZOP分析报告的建议措施是否均得到回复和关闭。查报告、查记录,现场查看HAZOP建议的落实和跟踪情况/542020若企业装置数量W3套,应覆盖所有装置,若企业装置数量3套,抽3套装置进行审核,查看建议措施的关闭情况。至少有针对性抽查5条建议并在现场验证是否按照计划关闭或有整改计划及整改前风险控制措施:关闭率达到100%或未按计划关闭的均有整改计划及整改

8、前风险控制措施,得分为5分;关闭率达到80%以上,未按计划关闭的无整改计划及整改前风险控制措施,得分为4分;关闭率达到60%以上,未按计划关闭的无整改计划及整改前风险控制措施,得分为2分;关闭率60%,未按计划关闭的无整序号检查内容检查方式检查依据检查情况符合度系数评分满分备注改计划及整改前风险控制措施,得分为0分。14风险评估方法以及评估标准的选择是否满足已制定的规定制度的要求。企业应组织工艺、设备、安全等专业小组,采取适用的安全风险识别与分析方法,全面识别各专业的安全风险。可选用JHA/JSA法对作业活动、SCL法对设备设施(安全生产条件)进行危险、有害因素辨识;可选用HAZOP法对危险性

9、工艺进行危险、有害因素辨识;选用其他方法对相关方面进行危险、有害因素辨识。审核企业的HAZOP、SIL报告,是否存在不同单位采用不同风险标准、分析的基本原则与取值是否一致等情况。化工过程安全管理导则(AQ/T3034-2022)是42020符合度:NA/是/否15企业是否及时对高后果风险或高风险场景的残余风险进行评估,确保其风险可接受。查评估结果化工过程安全管理导则(AQ/T3034-2022)是42020符合度:NA/是/否16企业应针对所处阶段或评估对象特点选择适用的危害辨识和风险评估方法,开展风险管理活动。查看危害辨识与评估的方法是否合理化工过程安全管理导则(AQ/T3034-2022)

10、531515结合实际审核企业风险管理实施情况,全部满足,未发现问题,得5分;虽开展的风险管理活动,但执行存在不足的,每发现1项问题扣1分;开展风险管理活动,评估方法采用错误的,发现1项问题扣1分;结合实际审核企业风险管理实施情况,未开展风险管理活动的,得。分。17审核企业是否通过接入风险监测预警系统的视频监控和重大危险源工艺参数、可燃气体/有毒有害气体检测等关键安全数据对风险进行实时监测。查看风险监测预警系统危险化学品重大危险源在线监控及事故预警系统建设指南(试行)531515审核企业通过接入风险监测预警系统的视频监控和重大危险源的相关参数是否完整无遗漏,得5分;介入数据有一处遗漏,扣2分,扣

11、完为止。序号检查内容检查方式检查依据检查情况符合度系数评分满分备注18是否依据GB/T37243的要求开展了外部安全防护距离的确定,且选用的方法符合GB/T37243的要求。查报告危险化学品生产建设项目安全风险防控指南(试行)(应急2022)52号)521010外部安全防护距离报告确定满足GB/T37243要求,与企业及周边实际相符,得5分;选择方法错误、与企业及周边实际不符等情况,由评审员判断得4分。19涉及精细化工的建设项目,设计前是否按有关要求进行反应安全风险评估。1、涉及重点监管的危险化工工艺和金属有机物合成反应(包括格氏反应)的间歇和半间歇的精细化工反应,有下列情形之一的,应开展反应

12、安全风险评估:a)首次使用新工艺、新配方投入工业化生产的;b)国外首次引进的新工艺且未进行反应安全风险评估的;c)现有工艺路线、工艺参数或装置能力(不包括增加设备台套数)发生变更的;d)因反应工艺问题,发生过生产安全事故的。2、涉及硝化、氯化、氟化、重氮化、过氧化工艺的精细化工生产建设项目应进行有关产品生产工艺全流程的反应安全风险评估,并对相关原料、中间产品、产品及副产物进行热稳定性测试和蒸储、干燥、储存等单元操作的风险评估。审核反应风险评估报告。化工过程安全管理导则(AQ/T3034-2022)危险化学品生产建设项目安全风险防控指南(试行)(应急2022)52号)是31515如不是精细化工企

13、业建设项目,选“NA”;涉及精细化工企业建设项目,开展满足要求的反应安全风险评估,选“是”;如发现本评估项要求的任意1项未开展反应安全风险评估,选“否”。单项小计225225四、风险管控清单的建立及风险监控情况20企业是否依据风险评估结果建立风险管控措施清单,包括可接受风险的管控措施清单、不可接受风险的管控措施清单及高风险后果清单。审核抽查装置的风险管控清单中控制措施是否有针对性化工过程安全管理导则(AQ/T3034-2022)是31515符合度:NA/是/否;说明:企业可以没有不可接受风险清单,但审核发现企业存在不可接受风险,而企业未制订不可接受风险清单,该项得0分。序号检查内容检查方式检查依据检查情况符合度系数评分满分备注21企业不可接受风险的管控措施清单是否逐项提出相应的管控要求和削减措施(管控措施一般从工程技术、维护保养、人员操作、应急措施等方面制定),并明确责任部门、责任人和完成时间,对管控措施跟踪落实,确保风险削减措施按要求落实。查清单化工过程安全管理导则(AQ/T3034-2022)542020审核确定企业确实不涉及不可接受风险,选NA;审核发现企业不可接受风险清单中措施有效,责任明确,并按要求监督落实,得5分;措施不能削减风险、职责不明确、措施未按时落实等,由评审员判断得1-4分。22管控措施落实后是否及时更新安全生产信息,

展开阅读全文
相关资源
猜你喜欢
相关搜索

当前位置:首页 > 管理/人力资源 > 信息管理

copyright@ 2008-2023 1wenmi网站版权所有

经营许可证编号:宁ICP备2022001189号-1

本站为文档C2C交易模式,即用户上传的文档直接被用户下载,本站只是中间服务平台,本站所有文档下载所得的收益归上传人(含作者)所有。第壹文秘仅提供信息存储空间,仅对用户上传内容的表现方式做保护处理,对上载内容本身不做任何修改或编辑。若文档所含内容侵犯了您的版权或隐私,请立即通知第壹文秘网,我们立即给予删除!