冷负荷计算书.docx

上传人:p** 文档编号:1346695 上传时间:2025-07-10 格式:DOCX 页数:28 大小:168.34KB
下载 相关 举报
冷负荷计算书.docx_第1页
第1页 / 共28页
冷负荷计算书.docx_第2页
第2页 / 共28页
冷负荷计算书.docx_第3页
第3页 / 共28页
冷负荷计算书.docx_第4页
第4页 / 共28页
冷负荷计算书.docx_第5页
第5页 / 共28页
冷负荷计算书.docx_第6页
第6页 / 共28页
冷负荷计算书.docx_第7页
第7页 / 共28页
冷负荷计算书.docx_第8页
第8页 / 共28页
冷负荷计算书.docx_第9页
第9页 / 共28页
冷负荷计算书.docx_第10页
第10页 / 共28页
亲,该文档总共28页,到这儿已超出免费预览范围,如果喜欢就下载吧!
资源描述

《冷负荷计算书.docx》由会员分享,可在线阅读,更多相关《冷负荷计算书.docx(28页珍藏版)》请在第壹文秘上搜索。

1、新建项目冷负荷计算书工程名称新建项目设计编号建设单位设计单位计算人校对人审核人计算日期2023年11月19日采用软件暖通负荷BECH2023软件版本20220808(SPl)研发单位北京绿建软件股份有限公司正版授权码T188186789631建筑概况11.1 概况11.2 室外温湿度11.3 太阳辐射照度11.4 其他气象参数12计算依据23计算原理23.1 外窗的日射得热冷负荷23.2 外窗传热的冷负荷23.3 外墙和屋盖的冷负荷33.4 新风冷负荷33.5 内墙、内窗、楼板、地面的冷负荷33.6 渗透空气冷负荷43.7 设备冷负荷53.8 照明冷负荷53.9 人体冷负荷63.10 冷负荷的

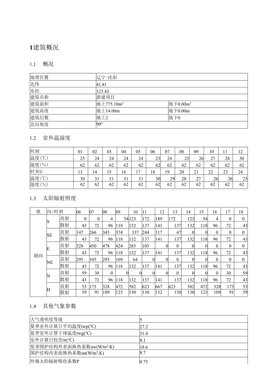
2、修正64外围护构造74.1 屋顶74.1.1 屋顶构造一74.2 外墙74.2.1 外墙构造一74.3 梁柱84.3.1 梁柱构造一85内围护构造85.1 内墙85.1.1 内墙构造一85.2 楼板8521楼板构造一86封闭阳台构造97地下围护构造97.1 周边地面97.1.1 周边地面构造一97.2 非周边地面97.2.1 非周边地面构造一98窗构造109门构造1010负荷指标1011建筑按楼层汇总表1012新风负荷表101213房间冷负荷详细表1建筑概况1.1 概况地理位置辽宁-沈阳北纬41.81东经123.43建筑名称新建项目建筑面积地上775.10m2地下0.00m2建筑高度地上14.

3、00m地下0.00m建筑层数地上2地下0北向角度901.2 室外温湿度时刻010203040506070809101112温度()252424242423242526272830湿度()626262626262626262626262时亥U131415161718192021222324温度()303131313130292827262625湿度()6262626262626262626262621.3 太阳辐射照度就向/时刻06070809101112131415161718朝向S直射0045412317218917212354400散射437296118132137141137132118

4、967243SE直射1472663453743372441174700000散射437296118132137141137132118967243E直射3284504784242851050000000散射437296118132137141137132118967243NE直射2953452931696400000000散射437296118132137141137132118967243N直射59300000000003059散射437296118132137141137132118967243H直射5317332847258262366762358247232817353散射599110

5、912313013013213013012310991591.4 其他气象参数大气透明度等级5夏季室外计算日平均温度twp()27.2夏季室外计算干球温度twg()31.4室外计算日较差tr()8.1夏季围护结构外表面换热系数w(Wm2K)18.6围护结构内表面换热系数n(Wm2.K)8.7外墙太阳辐射吸收系数P0.75屋顶太阳辐射吸收系数P0.75夏季空气调节室外计算湿球温度()25.4夏季大气压力(Pa)1000702计算依据1 .民用建筑供暖通风与空气调节设计规范GB50736-2012.中国建筑工业出版社,20122 .空气调节设计手册.中国建筑工业出版社,20053 .实用供热空调设

6、计手册.中国建筑工业出版社,20084 .公共建筑节能设计标准GB50189-2015.中国建筑工业出版社,20153计算原理3.1 外窗的日射得热冷负荷Qc(臬-月)%SC%ZJcmaC+/IXSCXZ(JCma)N(。仪)N公式中:Qc各小时的日射冷负荷(W);Fc包括窗框的窗的面积(itf);Fi该时刻玻璃窗被遮挡部分的面积(itf);Xsc窗的自遮阳系数;Xm窗的有效面积系数:Xb窗玻璃修正系数,即不是3mm厚的单层普通玻璃时的修正系数:Xz窗的内遮阳的遮阳系数,无内遮阳时Xz=LJcmax窗日射得热量最大值(Wltf),如果选择了“精确计算坡屋顶等的太阳辐射得热”,将按坡屋顶的太阳辐

7、射总照度计算方法计算精确值。Ccl冷负荷系数,分无内遮阳和有内遮阳;(Jcmax)N北向(北纬20、25地区为南向)日射得热量的最大值;(Jcl)n该时刻北向(北纬20。、25地区为南向)的冷负荷系数。3.2 外窗传热的冷负荷外窗传到室内的热量,按照对流和辐射两种方式传入室内,由于玻璃窗传热温差的波动幅度比太阳辐射热的波动幅度小很多,因此室内蓄热的温度波衰减对冷负荷影响很小,可认为外窗传热的得热即为冷负荷。Qz=KFc(twp+Ntk-G式中:Q2玻璃窗传热冷负荷(W);Xk玻璃窗传热系数的修正系数;Kc窗玻璃的传热系数W/(m2);Fc包括窗框的窗的面积(itf);twp夏季空气调节室外计算

8、日平均温度();t11室内计算温度();tk夏季室外逐时温差,Ntk=BMYB室外温度逐时变化系数;tr夏季室外计算平均日较差()。3.3 外墙和屋盖的冷负荷QW=KVVKV(+g+几乙)式中:QW屋盖(或外墙)“计算时间”的冷负荷(W);Kw屋盖(或外墙)的传热系数W/(m2);Fw屋盖(或外墙)的面积(4);twp夏季空气调节室外计算日平均温度();tfp屋盖(或外墙)外表面辐射平均温升(),Jp太阳辐射日平均照度(Wtf);w围护结构外表面换热系数,一般可取18.6W(m2);P围护结构外表面太阳辐射吸收系数。tn室内计算温度。tw屋盖(或外墙)“作用时间”室外温度波动部分的综合负荷温差

9、();3.4新风冷负荷新风全热冷负荷=(室外熔一室内熔)X新风量(1774)式中:n全热回收效率(0I),没有热回收时为0排风比例(01),即热回收装置的排风量/新风量。3.5内墙、内窗、楼板、地面的冷负荷内墙、内窗、楼板等围护结构,当邻室为非空气调节房间时,可用“设计温度法”或“按发热情况计算法”,其中,按发热情况计算法是邻室温度采用邻室平均温度,其冷负荷按下式计算:Q4=KFQwp+Atls-tn)式中:Q4通过内墙或楼板传热的冷负荷(W);K内墙或楼板的传热系数W/(m2);F内墙或楼板的面积(itf);tis邻室平均温度与夏季空气调节室外计算日平均温度的差值();“设计温度法”则采用温

10、差传热计算,冷负荷按下式:。4=KF-4)式中:tls邻室设计温度内墙、内窗、楼板等围护结构的邻室为空气调节房间时,其室温与本房间温差小于3时,不计算冷负荷,反之亦按上式计算。地面的冷负荷,舒适性空调房间夏季地面冷负荷可不必计算,对于工艺性空调房间,有外墙时,仅计算距外墙2M以内的地面传热作为冷负荷。即:Qd=KDFD(%Tj式中:Qd地面冷负荷(W);Kd地面传热系数,无保温地面取K=O.52W/(m2);Fd距外墙2米以内的地面面积(itf);1.1 6渗透空气冷负荷空调房间在室内维持不了正压的情况下,可以按以下方法计算:(1)通过空调房间外门渗入室内空气量按下式估算:L=n1V1式中:L

11、门渗透空气量(n?/h);111每小时通过的人数(h-1);Vi每进入一人渗入的空气量(n?)。(2)渗透空气量的全热冷负荷Qq(W)按下式计算:Qq=(v-4)式中:L渗入室内的总空气量(疗/人);PW夏季空调室外计算干球温度下的空气密度,一般可取Pw=1.13kgm3;hw在夏季室外计算参数时的熔值;hn室内空气的熔值。(3)渗透空气量的湿负荷W(kg)按下式计算:W=-i-pHd-d)100O4WQ式中:hw在夏季室外计算参数时的含湿量(g/kg);hn室内空气的含湿量(g/kg)。其他符号与上同。3.7 设备冷负荷(1)热设备及热表面散热形成的计算时刻冷负荷a(w)可按下式计算:式中:

12、热源投入使用的时刻(点钟);-T从热源投入使用的时刻算起到计算时刻的时间(三);X-工-T时间设备、器具散热的冷负荷系数;Qs热源的计算散热量(W);(2)热设备及热表面散热形成的冷负荷Q(W),当不能确定连续使用的小时数时,按照下式估算:Q=2sn4式中:114蓄热系数、热源的冷负荷与计算散热量之比;Qs热源的计算散热量(W)。3.8 照明冷负荷(1)照明设备散热形成的计算时刻的冷负荷Q(W),可按照下式计算:式中:开灯时刻(点钟);-T从开灯时刻算起到计算时刻的时间(三);XT-T-T时间照明散热的冷负荷系数;Qs照明设备的散热量(W);当不能确定照明灯开关的确切时间时,照明的冷负荷可按照下式估算:Q=2%式中:n4蓄热系数,明装荧光灯可取0.9,暗装的荧光灯或明装的白炽灯可取0.85。Qs(W)的值需要自行计算,计算过程如下:对于明装的白炽灯Qs=100ON对于荧光灯Qs=100O%4%N式中:N照明设备的安装功率(kW);113同时使用系数,一般为0.50.8;

展开阅读全文
相关资源
猜你喜欢
相关搜索

当前位置:首页 > 建筑/环境 > 绿化工程

copyright@ 2008-2023 1wenmi网站版权所有

经营许可证编号:宁ICP备2022001189号-1

本站为文档C2C交易模式,即用户上传的文档直接被用户下载,本站只是中间服务平台,本站所有文档下载所得的收益归上传人(含作者)所有。第壹文秘仅提供信息存储空间,仅对用户上传内容的表现方式做保护处理,对上载内容本身不做任何修改或编辑。若文档所含内容侵犯了您的版权或隐私,请立即通知第壹文秘网,我们立即给予删除!