住宅用综合信息箱尺寸、功能模块配置参考、综合布线要求、软总线、外置式信息箱.docx

上传人:p** 文档编号:1350430 上传时间:2025-07-14 格式:DOCX 页数:17 大小:161.30KB
下载 相关 举报
住宅用综合信息箱尺寸、功能模块配置参考、综合布线要求、软总线、外置式信息箱.docx_第1页
第1页 / 共17页
住宅用综合信息箱尺寸、功能模块配置参考、综合布线要求、软总线、外置式信息箱.docx_第2页
第2页 / 共17页
住宅用综合信息箱尺寸、功能模块配置参考、综合布线要求、软总线、外置式信息箱.docx_第3页
第3页 / 共17页
住宅用综合信息箱尺寸、功能模块配置参考、综合布线要求、软总线、外置式信息箱.docx_第4页
第4页 / 共17页
住宅用综合信息箱尺寸、功能模块配置参考、综合布线要求、软总线、外置式信息箱.docx_第5页
第5页 / 共17页
住宅用综合信息箱尺寸、功能模块配置参考、综合布线要求、软总线、外置式信息箱.docx_第6页
第6页 / 共17页
住宅用综合信息箱尺寸、功能模块配置参考、综合布线要求、软总线、外置式信息箱.docx_第7页
第7页 / 共17页
住宅用综合信息箱尺寸、功能模块配置参考、综合布线要求、软总线、外置式信息箱.docx_第8页
第8页 / 共17页
住宅用综合信息箱尺寸、功能模块配置参考、综合布线要求、软总线、外置式信息箱.docx_第9页
第9页 / 共17页
住宅用综合信息箱尺寸、功能模块配置参考、综合布线要求、软总线、外置式信息箱.docx_第10页
第10页 / 共17页
亲,该文档总共17页,到这儿已超出免费预览范围,如果喜欢就下载吧!
资源描述

《住宅用综合信息箱尺寸、功能模块配置参考、综合布线要求、软总线、外置式信息箱.docx》由会员分享,可在线阅读,更多相关《住宅用综合信息箱尺寸、功能模块配置参考、综合布线要求、软总线、外置式信息箱.docx(17页珍藏版)》请在第壹文秘上搜索。

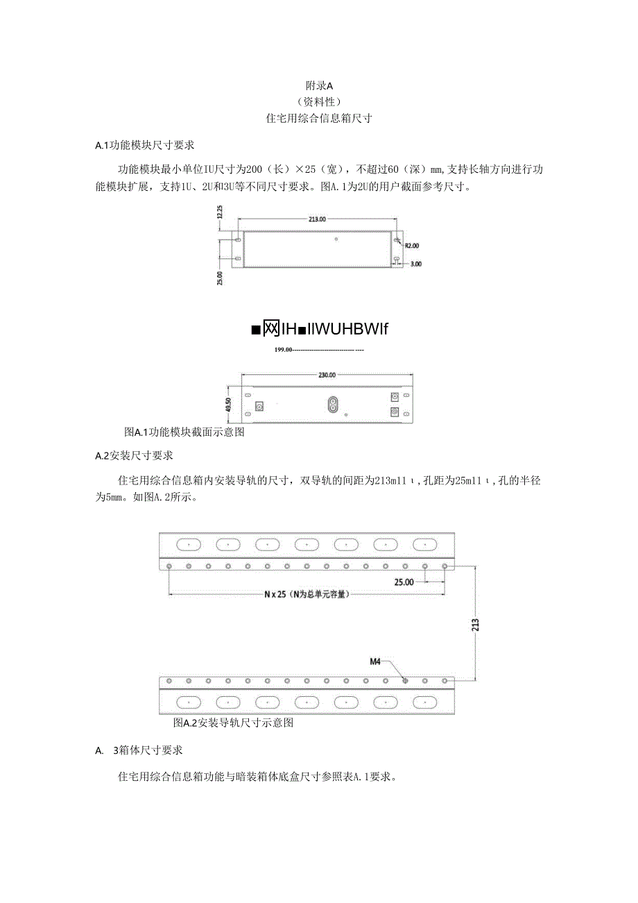
1、附录A(资料性)住宅用综合信息箱尺寸A.1功能模块尺寸要求功能模块最小单位IU尺寸为200(长)25(宽),不超过60(深)mm,支持长轴方向进行功能模块扩展,支持1U、2U和3U等不同尺寸要求。图A.1为2U的用户截面参考尺寸。网IHIlWUHBWIf199.00图A.1功能模块截面示意图A.2安装尺寸要求住宅用综合信息箱内安装导轨的尺寸,双导轨的间距为213m11,孔距为25m11,孔的半径为5mm。如图A.2所示。图A.2安装导轨尺寸示意图A. 3箱体尺寸要求住宅用综合信息箱功能与暗装箱体底盒尺寸参照表A.1要求。表A.1住宅用综合信息箱功能与暗装箱体底盒尺寸暗装箱体底盒规格1尺寸(长X

2、宽X深)(mm)总单元容量推荐配置典型尺寸50040012019U直流电源模块2U路由交换模块2U家庭安全控制模块3U宽带接入模块2U有线电视接入模块2U家庭存储模块2U家庭娱乐模块2U控制协议转换模块2U扩展功能模块2U45030012017U直流电源模块2U路由交换模块2U家庭安全控制模块3U宽带接入模块2U有线电视接入模块2U家庭存储模块2U控制协议转换模块2U扩展功能模块2U40030012015U直流电源模块2U路由交换模块2U家庭安全控制模块3U宽带接入模块2U有线电视接入模块2U家庭存储模块2U预留扩展空间2U注:暗装箱体底盒深度12OnlnI仅为参考值。附录B(资料性)信息箱功

3、能模块配置参考B. 1新建房屋配置信息箱内各功能模块配置安装参见表B.1。表B.1住宅用综合信息箱功能模块的配置情况模块名称各模块的配置阶段商品房交房电信/电视运营商接入用户入住直流电源模块家庭安全控制模块宽带接入模块路由交换模块及无线AP(接入面板)有线电视接入模块控制协议转换模块家庭存储模块O家庭娱乐模块OO扩展功能模块OO应配置宜配置O可配置如果选用广电宽带网络服务可用有线电视接入模块代替宽带接入模块。C. 2旧改房屋配置旧改房屋项目配置模块参见以下要求,无法配置的用外置式信息箱代替,外置式信息箱的详细要求见附录E:参见配置家庭安全控制模块;参见配备220V交流电源插座或直流电源模块;宜

4、配置宽带接入模块;宜配置路由交换模块及无线AP(接入面板);可配置有线电视接入模块;可配置家庭存储模块;可配置家庭娱乐模块;可配置控制协议转换模块;可配置扩展功能模块。B. 3扩展设备配置信息箱扩展设备包括路由交换模块通过P。E连接的AP面板,以及智慧中控屏设备和智能配电箱,如图B.1所示。电视信号家庭宽带小区局域网图B.1信息箱扩展设备连接示意图扩展设备满足以下要求:社区可视对讲参见GA/T678-2007技术要求;智能配电箱具有以太网或WIFl接口,支持TCP/IP协议;智能配电箱具备计量功能,以满足实时电压、电流、有功功率,及用电量的计量(精度为2级);智能配电箱过载电流可修改,最小1A

5、,最大63A,中间行程可参考传统机械空开,过载跳断时间特性可借鉴GB/T10963.1标准;智能配电箱具备欠压、过压预警及跳断保护功能。保护可调整参数范围为220V25%o其中,跳断保护为可关闭选项;智能配电箱接口导线线温监测及预警和跳断保护功能。线温达到75高温预警,达到90跳断。线温低于70告警解除。附录C(资料性)住宅用综合信息箱综合布线要求C. 1网络布线要求C1.1信息箱外部网络接入参见以下要求:满足广电网络接入住宅用综合信息箱的需求;满足宽带接入住宅用综合信息箱的需求;满足社区网络接入住宅用综合信息箱的需求;满足可视对讲室内机接入住宅用综合信息箱的需求。C1.2信息箱和住宅内信息点

6、的连接链路参见以下要求:参见GB50311-2016综合布线设计规范要求;参见GB/T50312-2016综合布线验收规范要求。D. 2光纤到房间(FTTR)布线要求光纤到房间(FTTR)布线示意见图C.1,参见以下要求:满足广电网络接入住宅用综合信息箱的需求;满足宽带接入住宅用综合信息箱需求;家庭FTTR终端设备要求采用光纤复合线缆实施网络布线,满足POF供电的需求;主从设备的线缆布线参见GB/T51380要求;当采用光电复合缆为从设备供电时,参见YD/T5242中的规定。图C.1FTTR网络布线示意图C.3信息箱扩展AP设备布线要求信息箱扩展AP设备布线接入示意见图C.2,参见以下要求:A

7、P设备通讯线缆采用超五类(cat5e)或以上等级网线,满足P。E供电需求;满足家庭无线WIFl多点接入,无线宽带网络全覆盖的要求;满足家庭无线窄带IoT多点接入,参见GB/T35136无线传感网全覆盖要求。图C2信息箱扩展AP设备布线示意图C.4信息箱扩展中控屏设备布线要求信息箱扩展中控屏设备布线接入示意见图C.3,参考以下要求:网络通讯线缆采用超五类(cat5e)或以上等级网线;满足家庭无线WIFI接入的要求。图C.3信息箱扩展中控屏设备布线示意图C.5信息箱协议转换模块(RS485)布线要求信息箱协议转换模块(RS485)布线接入见图C.4,参见以下要求:485通讯线缆要求采用RVS或RV

8、SP2*2*1.0/0.75mm2规格型号;485终端设备采用手拉手方式并接到485通讯电缆中,数字家庭中单组485通讯电缆不超过300米,485通讯电缆末端安装120Q匹配电阻;在条件许可情况下,为提高485终端设备的信号通讯传输速度,建议同一品类的485终端设备接入同一组综合信息箱485网关模块的同一组485端口。图C.4信息箱协议转换模块(RS485)布线示意图C.6信息箱协议转换模块(PLC)布线要求采用电力线PLC通讯方式布线见图C.5,参考以下要求: 智能化设备/开关/插座等位置预留零线和火线; 采用树形布线,每个房间为一个PLC回路,与信息箱连接; 从家庭信息箱到电子设备零火线的

9、最远点长度不超过300m; PLC回路与非PLC家电或插座所在的回路之间采用滤波器隔离; 非智能化设备/插座(变压器/充电器/USB插排等),避免接入智能化回路;若无法避免,则对非智能化设备增加滤波器隔离。图C5信息箱协议转换模块(PLC)布线示意图附录D(资料性)软总线D.1软总线基础智能体(agent)是运行在数字家庭网关内部,具有依据软总线上家庭状态数据和人工操作学习用户习惯,逐步自主完成家庭任务能力的数字家庭实体设备的抽象程序。软总线(Softbus)是运行在数字家庭网关、终端设备上,实现多Agent协同工作的软件中间件。软总线提供完整的总线发现、总线管理、数据发布和任务发布的功能。软

10、总线架构如图D.1所示,包括BrOker、空间感知Agent、人体感知Agent、展示交互Agent、实体设备Agent、家庭服务Agent和路由Agent。图D.1软件总线架构智能体的具体要求如下:Broker的要求包括定时发送总线接入信息广播报文、响应Agent请求和心跳请求,以及处理总线注册和注销请求的能力。此外,Broker能接收Agent订阅和发布消息,并具备总线消息队列、持久化和分发的能力,以及Agent发布消息的能力。空间感知Agent具备发布空间环境数据和空间安全数据的能力。人体感知Agent包括发布人体状态数据、人体健康数据以及人体偏好数据的能力。展示交互Agent能够通过W

11、eb展示总线状态、配置总线参数,并通过APP发布任务和展示总线状态,以及配置总线参数。实体设备Agent能够直接连接实体设备,并接收总线数据进行分析和控制实体设备的能力,能够获取控制实体设备状态并将分析结果发布到总线。家庭服务Agent直接连接家庭服务提供者,能够接收总线数据并呼叫家庭服务,同时获取控制家庭服务作业状态并将分析结果发布到总线。路由Agent参见YD/T4657的要求,通过路由Agent接入总线的设备也参见此标准和消息格式。D.2软总线模型总线通讯的请求响一般要求如下:a) Agent/Broker请求响由Agent先发送请求数据,BrOker接收到Agent的消息后,再发送应答

12、数据给Agent,如图D.2所示;图D.2Agent/Broker请求响应模型b) Agent/Agent请求响由其中的一个Agent先发送请求数据,另外一个Agent接收到请求数据后,再发送应答数据给Agent,如图D.3所示;图D.3Agent/Agent请求响应模型D.2.2订阅发布模型总线通讯的订阅发布一般要求如下:a)发布者只发布消息,订阅者只接收消息,如图D.4所示;b)发布者发布消息过程中,如果有订阅者退出,不影响发布者继续发布消息;c)订阅者再次连接上来,收到的消息是后来发布的消息,中间消息不应转发。图D.4订阅发布模型D.2.3任务作业模型总线通讯的任务作业一般要求如下:a)

13、由任务发起Agent向总线发起;b)作业执行Agent接收任务,总线交互如图D.5所示,过程如下:StePl:任务发起Agent向Broker发布作业消息;Step2:订阅作业消息的作业执行Agent通过Broker接收到该消息;Step3:作业执行Agent向任务发起Agent请求作业;Step4:任务发起Agent向作业执行Agent发送作业内容;Step5:作业执行Agent执行作业,完成后向任务发起Agent交作业,并结束作业过程。1c)作业执行Agent可有多个,为多个一对多叠加。任务发起Agent发布求务请服作业发I收Broker订阅请求接收作业执行作业执行作业Agent图D.5任

14、务作业模型D.2.4感知Agent模型空间感知Agent/人体感知Agent模型一般要求如下:a)当数字家庭“人一物一环境”信息发生变化时,Agent从家庭软总线获得订阅的数据,根据算法,对订阅数据进行分析生成软传感器,可参照图D.6;b)当数字家庭“人一物一环境”信息发生变化时,Agent从实体传感器获得数据;c)Agent数据融合模块对多个传感器的数据进行融合,形成数据子集,并通过总线发布数据。空间感知Agent(人体感知Ageilt)图D.6感知Agent模型发布订阅数据子集软传感器2软传感器m软传感器1实体传感器n数据融合软总线实体传感器2实体传感器1实体设备Agent/家庭服务Agent模型一般要求如下:a)Agent首先接收任务设置,在设定任务下自主运行;b)当数字家庭“人一物一环境”信息发生变化时,Agent从家庭软总线获得订阅的某个子集数据,参见图D.7;c)Agent获得某个子集数据启动内部场景感知,并结合当前状态,作用决策模块搜索相对应的条件一作用,并输送动作到服务驱动实体设备(家庭服务)对状态调整;a)Agent

展开阅读全文
相关资源
猜你喜欢
相关搜索

当前位置:首页 > IT计算机 > 网络与通信

copyright@ 2008-2023 1wenmi网站版权所有

经营许可证编号:宁ICP备2022001189号-1

本站为文档C2C交易模式,即用户上传的文档直接被用户下载,本站只是中间服务平台,本站所有文档下载所得的收益归上传人(含作者)所有。第壹文秘仅提供信息存储空间,仅对用户上传内容的表现方式做保护处理,对上载内容本身不做任何修改或编辑。若文档所含内容侵犯了您的版权或隐私,请立即通知第壹文秘网,我们立即给予删除!