安全投入计划.docx

上传人:p** 文档编号:1352471 上传时间:2025-07-14 格式:DOCX 页数:3 大小:11.60KB
下载 相关 举报
安全投入计划.docx_第1页
第1页 / 共3页
安全投入计划.docx_第2页
第2页 / 共3页
安全投入计划.docx_第3页
第3页 / 共3页
亲,该文档总共3页,全部预览完了,如果喜欢就下载吧!
资源描述

《安全投入计划.docx》由会员分享,可在线阅读,更多相关《安全投入计划.docx(3页珍藏版)》请在第壹文秘上搜索。

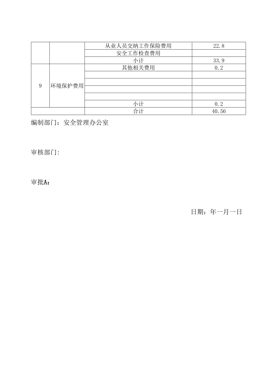
1、公司2025年度安全投入计划遵照财政部及国家安全应急管理总局关于印发企业安全生产费用提取和使用管理办法的通知要求,公司为加强安全生产费用管理,保障企业安全生产资金投入,特制定本计划。一序号投入项目费用投入明细计划投入金额(万元)1安全教育培训费用主要负责人培训0.3安全管理人员培训0.3从业人员培训0.2特种作业人员培训0.3购置安全生产书籍、刊物0.05购置安全教育培训器材0.05聘请安全专家授课0.05小计1.252劳保用品购置费用安全帽、安全带0.05工作服防护手套0.05呼吸、防尘用具0.1眼防护用具、耳塞0.1防护鞋0.02防毒面具小计0.323消防设施设备购置费用灭火器(购买)、(

2、充装检验)0.6喷淋装置消防水带、水枪0.1消防栓、消防箱0.04防火、防爆、防泄漏设施、设备消防设施保养、维护费用0.1小计0.94一序号投入项目费用投入明细计划投入金额(万元)4安全检测与评价费防雷、防静电检测费0.45特种设备(含附件)检测费0.8小计1.255安全及预防事故设施费各种安全警示标志、安全标语0.3防护栏杆、护罩、安全梯、井盖防雷、防静电接地装置2各类机电设备安全装置0.2温度、液位、压力控制报警装置购置安全阀、压力表、温度计小计2.56应急救援器材及演练费应急照明0.05疏散指示标志0.05个人防护、救援器材0.1应急通讯设备及器材应急药箱及器材应急救援演练支出费用应急救援建设费用小计0.2序号投入项目费用投入明细计划投入金额(万元)8其他支出费用安管人员的工资、差旅费、办公费8安全生产奖励费0.6防暑降温费0.3专项安全技术措施费事故隐患整改费2工伤事故处理所发生的费用0.2从业人员交纳工作保险费用22.8安全工作检查费用小计33.99环境保护费用其他相关费用0.2小计0.2合计40.56编制部门:安全管理办公室审核部门:审批A:日期:年一月一日

展开阅读全文
相关资源
猜你喜欢
相关搜索

当前位置:首页 > 办公文档 > 工作计划

copyright@ 2008-2023 1wenmi网站版权所有

经营许可证编号:宁ICP备2022001189号-1

本站为文档C2C交易模式,即用户上传的文档直接被用户下载,本站只是中间服务平台,本站所有文档下载所得的收益归上传人(含作者)所有。第壹文秘仅提供信息存储空间,仅对用户上传内容的表现方式做保护处理,对上载内容本身不做任何修改或编辑。若文档所含内容侵犯了您的版权或隐私,请立即通知第壹文秘网,我们立即给予删除!