工程变流量水力系统全面平衡.docx

上传人:p** 文档编号:1354816 上传时间:2025-07-16 格式:DOCX 页数:10 大小:58.30KB
下载 相关 举报
工程变流量水力系统全面平衡.docx_第1页
第1页 / 共10页
工程变流量水力系统全面平衡.docx_第2页
第2页 / 共10页
工程变流量水力系统全面平衡.docx_第3页
第3页 / 共10页
工程变流量水力系统全面平衡.docx_第4页
第4页 / 共10页
工程变流量水力系统全面平衡.docx_第5页
第5页 / 共10页
工程变流量水力系统全面平衡.docx_第6页
第6页 / 共10页
工程变流量水力系统全面平衡.docx_第7页
第7页 / 共10页
工程变流量水力系统全面平衡.docx_第8页
第8页 / 共10页
工程变流量水力系统全面平衡.docx_第9页
第9页 / 共10页
工程变流量水力系统全面平衡.docx_第10页
第10页 / 共10页
亲,该文档总共10页,全部预览完了,如果喜欢就下载吧!
资源描述

《工程变流量水力系统全面平衡.docx》由会员分享,可在线阅读,更多相关《工程变流量水力系统全面平衡.docx(10页珍藏版)》请在第壹文秘上搜索。

1、工程变流量水力系统全面平衡在暖通空调工程中,水力平衡的调节是个重要的课题。本文分析了暖通空调工程定流量和变流量系统水力平衡的特点;提出了变流量系统全面平衡的概念;同时对水力平衡和水力失调系统进行了比较;最后结合工程实例分析了全面平衡水力系统的舒适节能性。水力平衡的概念及分类:1、静态水力失调和静态水力平衡:由于设计、施工、设备材料等原因导致的系统管道特性阻力数比值与设计要求管道特性阻力数比值不一致,从而使系统各用户的实际流量与设计要求流量不一致,引起的水力失调,叫做静态水力失调。静态水力失调是稳态的、根本性的,是系统本身所固有的。通过在管道系统中增设静态水力平衡设备,在水系统初调试时对系统管道

2、特性阻力数比值进行调节,使其与设计要求管道特性阻力数比值一致,此时当系统总流量到达设计总流量时,各末端设备流量同时到达设计流量,实现静态水力平衡。2、动态水力失调和动态水力平衡:系统实际运行过程中当某些末端阀门开度改变引起水流量变化时,系统的压力产生波动,其它末端的流量也随之发生改变,偏离末端要求流量,引起的水力失调,叫做动态水力失调。动态水力失调是动态的、变化的,它不是系统本身所固有的,是在系统运行过程中产生的。通过在管道系统中增设动态水力平衡设备,当其它用户阀门开度改变引起水流量变化时,通过动态水力平衡设备的屏蔽作用,自身的流量并不随之变化,末端设备流量不互相干扰,实现动态水力平衡。3、全

3、面水力平衡:全面水力平衡就是消除了静态和动态水力失调,使系统同时到达静态和动态水力平衡。二.定流量系统的静态水力平衡:定流量系统是早期的暖通空调工程中常见的水力系统。定流量系统是指系统不含任何调节阀门,系统在初调试完成后阀门开度无须做任何改变,系统各处流量始终保持恒定。定流量系统主要适用于末端设备无须通过流量来进行调节的系统,如采用变风量来调节的风机盘管和空调箱等。定流量系统只存在静态水力失调,根本不存在动态水力失调,因此只需在相关部位安装静态水力平衡设备即可。通常在系统机房集水器以及一些主要分支回水管上安装静态水力平衡阀。三.变流量系统的全面水力平衡:随着人们对空调品质要求、节能意识的不断提

4、高以及空调系统的大型化,变流量水力系统在暖通空调工程中占据越来越重要的位置。变流量系统是指系统在运行过程中各分支环路的流量随外界负荷的变化而变化。由于暖通空调工程在一年的大局部时间均处于局部负荷运行工况,变流量系统大局部时间管道流量都低于设计流量,因此这种系统是高效节能的。变流量系统一般既存在静态水力失调,也存在动态水力失调,因此必须采取相应的水力平衡措施来实现系统的全面平衡。1、静态水力平衡的实现:通过在相应的部位安装静态水力平衡设备,使系统到达静态水力平衡。实现静态水力平衡的判断依据是:当系统所有的自力式阀门均设定到设计参数位置,所有末端设备的温控阀(电、气动阀)均处于全开位置时,系统所有

5、末端设备的流量均到达设计流量。从上可以看出,实现静态水力平衡的目的是使系统能均衡地输送足够的水量到各个末端设备,并保证末端设备同时到达设计流量。但是,末端设备在大局部时间是不需要这么大的流量的。因此,系统不但要实现静态水力平衡,还要实现动态水力平衡。2、动态水力平衡的实现:通过在相应部位安装动态水力平衡设备,使系统到达动态水力平衡。实现动态水力平衡的判断依据是:在系统中各个末端设备的流量到达末端设备实际瞬时负荷要求流量的同时,各个末端设备流量的变化只受设备负荷变化的影响,而不受系统压力波动的影响,即系统中各个末端设备流量的变化不互相干扰。变流量系统的动态水力平衡在保证系统供应和需求水量瞬时一致

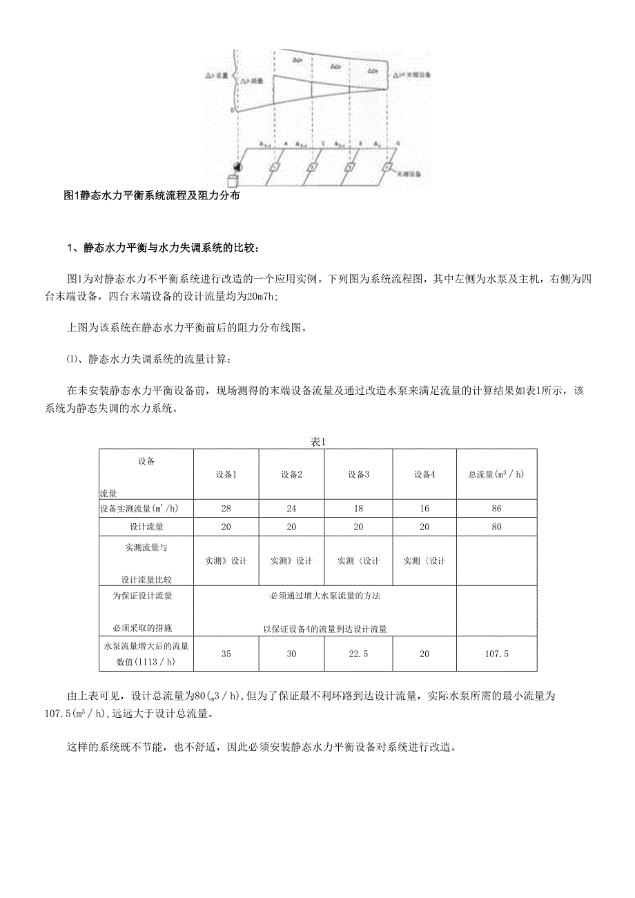
6、性(这个功能是由各类调节阀门来实现的)的同时,防止了各末端设备流量变化的相互干扰,从而保证系统能高效稳定地将设备在各个时刻所须的流量准确地输送过去。目前在暖通空调变流量系统中常用的兼具动态平衡与调节功能的动态水力平衡设备主要有动态平衡电动二通阀(风机盘管用)、动态平衡电动调节阀(各类空调箱用)等。四.水力平衡和水力失调系统的比较:图1静态水力平衡系统流程及阻力分布1、静态水力平衡与水力失调系统的比较:图1为对静态水力不平衡系统进行改造的一个应用实例。下列图为系统流程图,其中左侧为水泵及主机,右侧为四台末端设备,四台末端设备的设计流量均为20m7h;上图为该系统在静态水力平衡前后的阻力分布线图。

7、、静态水力失调系统的流量计算:在未安装静态水力平衡设备前,现场测得的末端设备流量及通过改造水泵来满足流量的计算结果如表1所示,该系统为静态失调的水力系统。表1设备流量设备1设备2设备3设备4总流量(m3h)设备实测流量(m/h)2824181686设计流量2020202080实测流量与设计流量比较实测设计实测设计实测设计实测设计为保证设计流量必须采取的措施必须通过增大水泵流量的方法以保证设备4的流量到达设计流量水泵流量增大后的流量数值(l113h)353022.520107.5由上表可见,设计总流量为80(m3h),但为了保证最不利环路到达设计流量,实际水泵所需的最小流量为107.5(m3h)

8、,远远大于设计总流量。这样的系统既不节能,也不舒适,因此必须安装静态水力平衡设备对系统进行改造。、静态水力平衡系统的流量计算:表2为安装了静态水力平衡阀并调试合格前后的末端设备流量的实测数值。表2设备流量设备1设备2设备3设备4总流量(m3h)设备实测流量(11)3h)2824181686设计流量2020202080实测流量与设计流量比较实测设计实测设计实测设计实测设计为保证静态水力平衡采取的措施安装静态水力平衡设备,并通过一定的调试方法,使各个末端设备的实际流量比值与设计要求的流量比值一致,再将系统总流量调至设计总流量静态水力平衡后的实测流量(Hl,/!)2020202080由上表可见,设计

9、总流量为80(m3h),系统静态水力平衡后的实际总流量也是80(m3h),且各个末端设备的流量同时到达设计流量。因此这种系统实现了静态水力平衡,并且舒适节能。2、全面平衡水力系统与动态失调水力系统的比较:、动态失调水力系统(采用传统的电动调节阀调控空气处理机回风温度的多路并联系统)水力特性分析:如图2所示,为一组多台空气处理机并联环路(图中只画出2路、已实现静态平衡),每路通过电动调节阀调节目标区域的回风温度,其中区域一的设定温度为25,区域二的设定温度为27。温度控制器设箭度-d电动调节阀EV2IC-Y卷I;温度控制器设朝度电动调节阀EvlICTwD图2动态水力失调的电动调节阀环路假定处于夏

10、季工况,区域一已调至平衡状态,即目标区域的温度Tl已稳定在25,这时电动调节阀的开度维持在某一位置以输出一个恒定的流量。区域二还处于不稳定状态,测量回风温度T2为24,低于设定温度27,这时测量温度和设定温度在温度控制器进行比较,输出信号将电动调节阀关小以减少流过空气处理机二的冷水量,这时制冷量减少,使测量温度T2升高,接近设定温度;但以此同时,系统立管C、D二点的压差会增大,空气处理机一环路电动调节阀EVl二端C、Bl二点的压差也相应增大,电动调节阀流量增大,空气处理机一的制冷量增大,导致回风温度Tl下降,偏离平衡状态。由上可见,由于空气处理机二环路的调节导致空气处理机一环路偏离平衡状态,也

11、就是空气处理机二环路对一环路产生了干扰,因此这两个环路间存在动态水力失调。对于多环路系统,任何一个环路的调节都会对其它环路产生干扰,同时任何一个环路都会受到其它环路调节的影响,系统越大,这种影响就越明显,也就是动态水力失调的程度就越大,因此系统很难调到平衡状态,即使到了平衡状态,要想维持稳定也很难。、全面平衡水力系统(采用动态平衡电动调节阀调控空气处理机回风温度的多路并联系统)水力特性分析:图3动态水力平衡的动态平衡电动调节阳环路如图3所示,为一组多台空气处理机并联环路(图中只画出2路)。每路通过动态平衡电动阀来调节目标区域的回风温度,其中区域一的设定温度为25,区域二的设定温度为27。假定处

12、于夏季工况,区域一已调至平衡状态,即目标区域的温度Tl已稳定在25,这时动态平衡电动阀的开度维持在某一位置保持不变以输出一个恒定的流量。区域二还处于不稳定状态,测量回风温度T2为24,低于设定温度27,这时测量温度会和设定温度在温度控制器进行比较,输出信号将动态平衡电动阀关小以减少流过空气处理机二的冷水量,这时制冷量会减少,使测量温度T2升高,接近设定温度;以此同时,系统立管C、D二点的压差会增大,空气处理机一环路动态平衡电动阀DVl二端C、Bl二点的压差也相应增大。但是由于动态平衡电动阀的动态平衡功能(动态平衡阀芯PVl的定压差作用),该阀电动调节阀芯二端Al、BI点的压差并不发生变化,因此

13、空气处理机一环路的流量维持不变,制冷量不变,相应的区域一仍处于平衡状态。由上可见,空气处理机二环路的调节没有对已经平衡的空气处理机一环路产生干扰,因此这两个环路间不存在动态水力失调。对于多环路系统,任何一个环路的调节都不会对其它环路产生干扰,同时任何一个环路都不会受到其它环路调节的影响,系统越大,这种动态平衡的特性就越明显,每一个环路只受自己区域负荷变化的影响,而不受系统压力波动的影响,因此很容易到达并维持平衡状态。这种全面平衡的变流量水力系统能根据各个目标区域的负荷变化适时、准确、稳定地输送所需要的水量到各个末端设备,因此这种系统具有更高的效率、更好的节能效果和舒适程度。五.暖通空调变流量水

14、力系统的全面平衡在工程实际中的应用:下面以上海美岚广场空调工程为例来说明全面平衡水力系统的调试,并分析其舒适节能性(该系统由于新风机组选用了电动调节阀,因此存在一定的动态水力失调)。该工程建筑面积约三万五千平米,其中空调使用面积三万多平米,地下二层,地上十八层,主要的功能区域划分及选用空调系统的形式详见表30由于建筑物的功能区域较多,管路复杂,而且各功能区域的工作时段各不相同,因此采用了变流量水力系统全面平衡的方案以消除系统的静态和动态水力平衡(新风机组除外)。该系统的流程简图如图4所示(此图仅为缩略图,实际新风、风盘、空气处理机各有二套立管,且风盘分上下区)。系统水力平衡设备分布如表4所示。

15、表41、静态水力平衡调试:由于该系统供热与制冷共用一套风机盘管和新风机组水系统,因此采取两个步骤以完成系统的静态水力平衡调试。、夏季制冷静态水力平衡调试:、将热水分水器干管碟阀关闭;、将电动调节阀、动态平衡电动调节阀、动态平衡电动二通阀通电至全开位置;按夏季各末端设备的设计流量计算所有的静态水力平衡阀的设计流量;、按照从末端到主机的顺序对系统各并联环路的静态平衡阀流量比进行调节,直至与计算出的设计流量比值一致;、调节冷冻水调频泵转速,直至冷冻水集水器主管的静态水力平衡阀流量与设计流量一致,此时系统所有末端设备的流量均等于夏季设计流量,记录下此时分集水器压差,此即为压差控制器的设定压差。、冬季供热静态水力平衡调试:按以上步骤(关闭冷冻水分水器干管碟阀、按照冬季设计流量进行计算、调节热水调频泵等),调节热水集水器上的静态平衡阀,就可完成供热静态水力平衡调试。2、动态水力平衡调试:动态平衡电动二通阀是根据风

展开阅读全文
相关资源
猜你喜欢
相关搜索

当前位置:首页 > 建筑/环境 > 给排水/暖通与智能化

copyright@ 2008-2023 1wenmi网站版权所有

经营许可证编号:宁ICP备2022001189号-1

本站为文档C2C交易模式,即用户上传的文档直接被用户下载,本站只是中间服务平台,本站所有文档下载所得的收益归上传人(含作者)所有。第壹文秘仅提供信息存储空间,仅对用户上传内容的表现方式做保护处理,对上载内容本身不做任何修改或编辑。若文档所含内容侵犯了您的版权或隐私,请立即通知第壹文秘网,我们立即给予删除!