职工安全教育档案.docx

上传人:p** 文档编号:1364449 上传时间:2025-07-29 格式:DOCX 页数:3 大小:13.80KB
下载 相关 举报
职工安全教育档案.docx_第1页
第1页 / 共3页
职工安全教育档案.docx_第2页
第2页 / 共3页
职工安全教育档案.docx_第3页
第3页 / 共3页
亲,该文档总共3页,全部预览完了,如果喜欢就下载吧!
资源描述

《职工安全教育档案.docx》由会员分享,可在线阅读,更多相关《职工安全教育档案.docx(3页珍藏版)》请在第壹文秘上搜索。

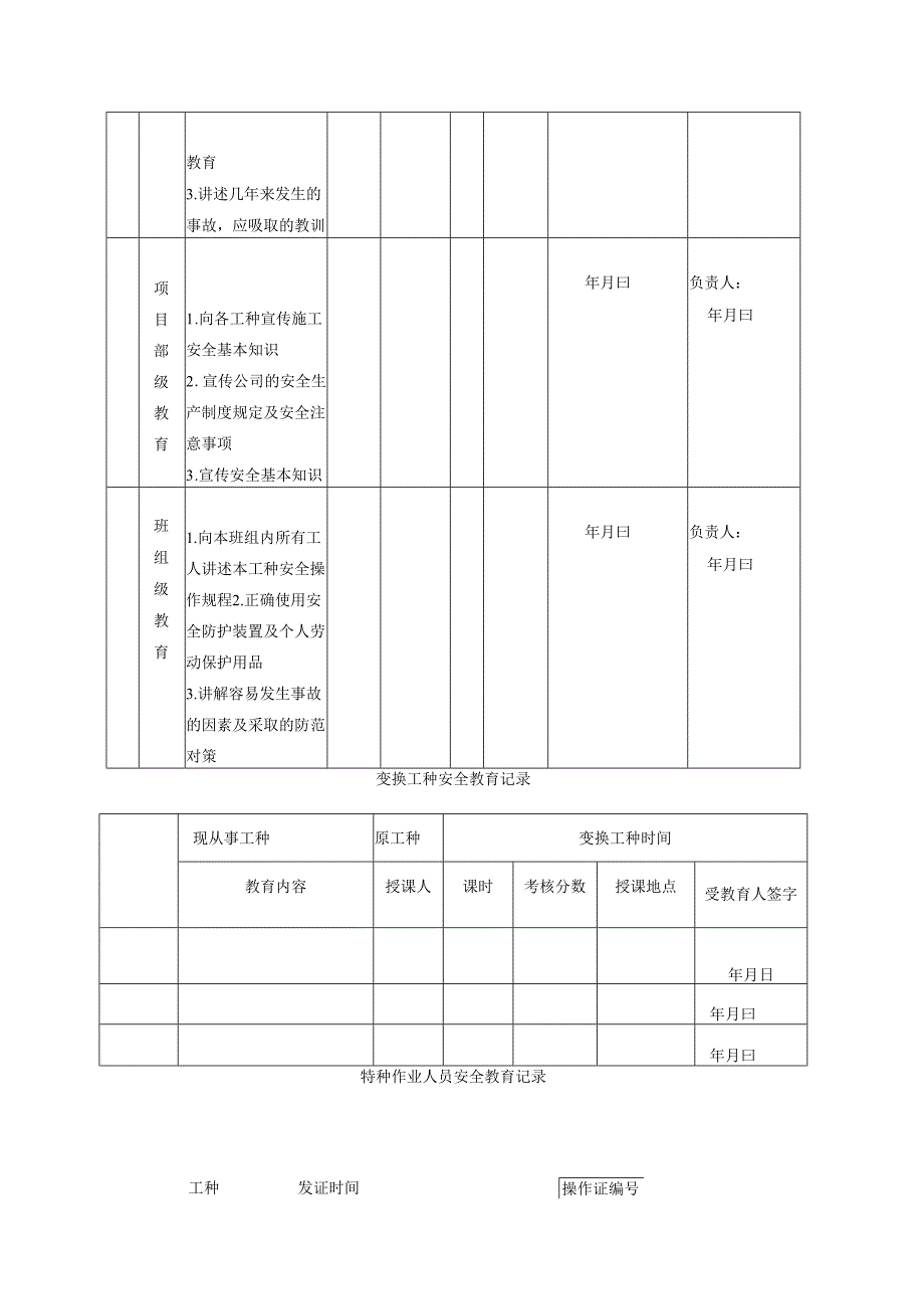
1、LJA63建筑业企业职工安全教育档案施工单位:工程名称:日期:资料员(章):山东省建筑施工安全监督总站监制档案编号:企业名称:姓名:性别:出行:程喽入厂时间:工种(岗位):籍贯:现家庭住址:身份证号:新入厂工人三级安全教育记录教育内容时间授课人课时考核分数受教育人签字上岗意见及负责人签字1公司级教育1.宣传党和国家的安全生产方针2.对工人进行安全生产法规和标准及法制观念年月日负责人:年月日教育3.讲述几年来发生的事故,应吸取的教训项目部级教育1 .向各工种宣传施工安全基本知识2 .宣传公司的安全生产制度规定及安全注意事项3 .宣传安全基本知识年月曰负责人:年月曰班组级教育1.向本班组内所有工人

2、讲述本工种安全操作规程2.正确使用安全防护装置及个人劳动保护用品3.讲解容易发生事故的因素及采取的防范对策年月曰负责人:年月曰工种发证时间操作证编号变换工种安全教育记录现从事工种原工种变换工种时间教育内容授课人课时考核分数授课地点受教育人签字年月日年月曰年月曰特种作业人员安全教育记录年目月II教育内容授课人课时考核分数授课地点受教育人签字学习安全生产法律法规、安全技术操作规程年月日年月日年月日年月日年月日年月日经常性安全教育记录7月教育内容授课人课时授课地点受教育人签字L本岗位的作业环境及使用的机械设备、工具的安全要求2.班组安全活动制度及纪律年月日L本班组作业特点,及安全操作规程2.要正确使用安全防护装置及个人劳动防护用品年月日L进行本工种岗位操作及班组安全制度纪律教育2.宣传党和国家安全方针年月日L宣传防毒、防尘、防火、防薄知识及紧急情况的安全处理和安全疏忽的知识2.如何抢救相关知识年月日年月日年月日

展开阅读全文
相关资源
猜你喜欢
相关搜索

当前位置:首页 > 论文 > 管理论文

copyright@ 2008-2023 1wenmi网站版权所有

经营许可证编号:宁ICP备2022001189号-1

本站为文档C2C交易模式,即用户上传的文档直接被用户下载,本站只是中间服务平台,本站所有文档下载所得的收益归上传人(含作者)所有。第壹文秘仅提供信息存储空间,仅对用户上传内容的表现方式做保护处理,对上载内容本身不做任何修改或编辑。若文档所含内容侵犯了您的版权或隐私,请立即通知第壹文秘网,我们立即给予删除!