湖北省民用建筑信息模型工程量计算-木结构工程.docx

上传人:p** 文档编号:1369603 上传时间:2025-08-20 格式:DOCX 页数:2 大小:12.20KB
下载 相关 举报
湖北省民用建筑信息模型工程量计算-木结构工程.docx_第1页
第1页 / 共2页
湖北省民用建筑信息模型工程量计算-木结构工程.docx_第2页
第2页 / 共2页
亲,该文档总共2页,全部预览完了,如果喜欢就下载吧!
资源描述

《湖北省民用建筑信息模型工程量计算-木结构工程.docx》由会员分享,可在线阅读,更多相关《湖北省民用建筑信息模型工程量计算-木结构工程.docx(2页珍藏版)》请在第壹文秘上搜索。

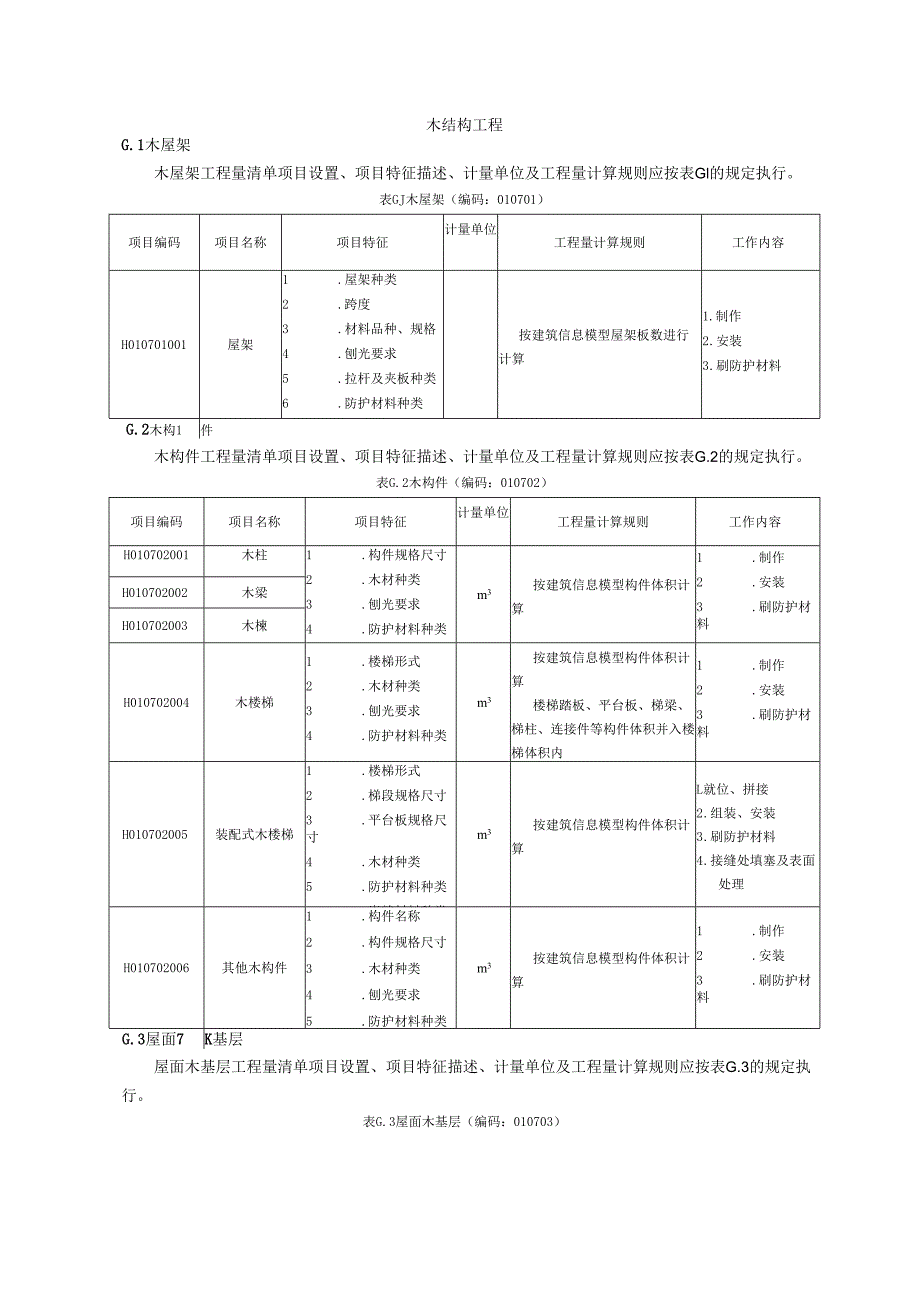
1、木结构工程G.1木屋架木屋架工程量清单项目设置、项目特征描述、计量单位及工程量计算规则应按表Gl的规定执行。表GJ木屋架(编码:010701)项目编码项目名称项目特征计量单位工程量计算规则工作内容H010701001屋架1 .屋架种类2 .跨度3 .材料品种、规格4 .刨光要求5 .拉杆及夹板种类6 .防护材料种类按建筑信息模型屋架板数进行计算1.制作2 .安装3 .刷防护材料G.2木构1件木构件工程量清单项目设置、项目特征描述、计量单位及工程量计算规则应按表G.2的规定执行。表G.2木构件(编码:010702)项目编码项目名称项目特征计量单位工程量计算规则工作内容H010702001木柱1

2、.构件规格尺寸2 .木材种类3 .刨光要求4 .防护材料种类m3按建筑信息模型构件体积计算1 .制作2 .安装3 .刷防护材料H010702002木梁H010702003木楝H010702004木楼梯1 .楼梯形式2 .木材种类3 .刨光要求4 .防护材料种类m3按建筑信息模型构件体积计算楼梯踏板、平台板、梯梁、梯柱、连接件等构件体积并入楼梯体积内1 .制作2 .安装3 .刷防护材料H010702005装配式木楼梯1 .楼梯形式2 .梯段规格尺寸3 .平台板规格尺寸4 .木材种类5 .防护材料种类6 .嵌缝材料种类m3按建筑信息模型构件体积计算L就位、拼接2 .组装、安装3 .刷防护材料4 .

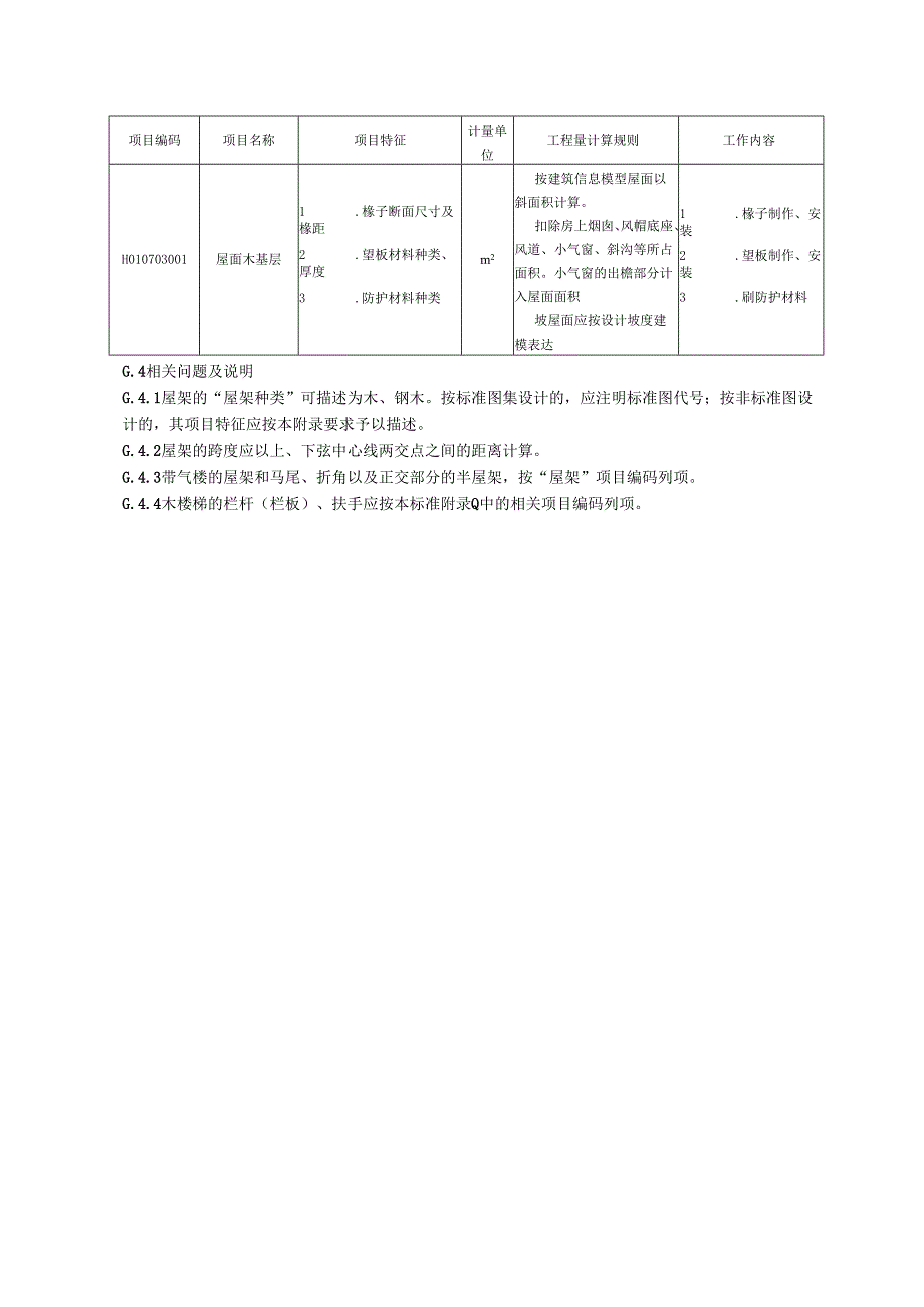
3、接缝处填塞及表面处理H010702006其他木构件1 .构件名称2 .构件规格尺寸3 .木材种类4 .刨光要求5 .防护材料种类m3按建筑信息模型构件体积计算1 .制作2 .安装3 .刷防护材料G.3屋面7K基层屋面木基层工程量清单项目设置、项目特征描述、计量单位及工程量计算规则应按表G.3的规定执行。表G.3屋面木基层(编码:010703)项目编码项目名称项目特征计量单位工程量计算规则工作内容H010703001屋面木基层1 .椽子断面尺寸及椽距2 .望板材料种类、厚度3 .防护材料种类m2按建筑信息模型屋面以斜面积计算。扣除房上烟囱、风帽底座、风道、小气窗、斜沟等所占面积。小气窗的出檐部分计入屋面面积坡屋面应按设计坡度建模表达1 .椽子制作、安装2 .望板制作、安装3 .刷防护材料G.4相关问题及说明G.4.1屋架的“屋架种类”可描述为木、钢木。按标准图集设计的,应注明标准图代号;按非标准图设计的,其项目特征应按本附录要求予以描述。G.4.2屋架的跨度应以上、下弦中心线两交点之间的距离计算。G.4.3带气楼的屋架和马尾、折角以及正交部分的半屋架,按“屋架”项目编码列项。G.4.4木楼梯的栏杆(栏板)、扶手应按本标准附录Q中的相关项目编码列项。

展开阅读全文
相关资源
猜你喜欢
相关搜索

当前位置:首页 > 建筑/环境 > 工程造价

copyright@ 2008-2023 1wenmi网站版权所有

经营许可证编号:宁ICP备2022001189号-1

本站为文档C2C交易模式,即用户上传的文档直接被用户下载,本站只是中间服务平台,本站所有文档下载所得的收益归上传人(含作者)所有。第壹文秘仅提供信息存储空间,仅对用户上传内容的表现方式做保护处理,对上载内容本身不做任何修改或编辑。若文档所含内容侵犯了您的版权或隐私,请立即通知第壹文秘网,我们立即给予删除!