《数控车床项目化教学(第四版)》项目四 成形面类零件加工(章节任务习题及答案).docx

上传人:p** 文档编号:1371356 上传时间:2025-09-01 格式:DOCX 页数:14 大小:100.64KB
下载 相关 举报
《数控车床项目化教学(第四版)》项目四 成形面类零件加工(章节任务习题及答案).docx_第1页
第1页 / 共14页
《数控车床项目化教学(第四版)》项目四 成形面类零件加工(章节任务习题及答案).docx_第2页
第2页 / 共14页
《数控车床项目化教学(第四版)》项目四 成形面类零件加工(章节任务习题及答案).docx_第3页
第3页 / 共14页
《数控车床项目化教学(第四版)》项目四 成形面类零件加工(章节任务习题及答案).docx_第4页
第4页 / 共14页
《数控车床项目化教学(第四版)》项目四 成形面类零件加工(章节任务习题及答案).docx_第5页
第5页 / 共14页
《数控车床项目化教学(第四版)》项目四 成形面类零件加工(章节任务习题及答案).docx_第6页
第6页 / 共14页
《数控车床项目化教学(第四版)》项目四 成形面类零件加工(章节任务习题及答案).docx_第7页
第7页 / 共14页
《数控车床项目化教学(第四版)》项目四 成形面类零件加工(章节任务习题及答案).docx_第8页
第8页 / 共14页
《数控车床项目化教学(第四版)》项目四 成形面类零件加工(章节任务习题及答案).docx_第9页
第9页 / 共14页
《数控车床项目化教学(第四版)》项目四 成形面类零件加工(章节任务习题及答案).docx_第10页
第10页 / 共14页
亲,该文档总共14页,到这儿已超出免费预览范围,如果喜欢就下载吧!
资源描述

《《数控车床项目化教学(第四版)》项目四 成形面类零件加工(章节任务习题及答案).docx》由会员分享,可在线阅读,更多相关《《数控车床项目化教学(第四版)》项目四 成形面类零件加工(章节任务习题及答案).docx(14页珍藏版)》请在第壹文秘上搜索。

1、项目四成形面类零件加工任务一一、填空题1 .加工尺寸较小的圆弧形凹槽或半径较小的半圆槽应选用车刀。2 .用菱形车刀车凹圆弧容易产生刃干涉。3 .用尖头车刀车凹圆弧面发生主、副切削刃干涉。(填“会”或“不会”)4 .粗车凹圆弧面路径有、和o5 .用二维CAD软件辅助查找编程点坐标时,工件原点与CAD软件原点应o6 .凹圆弧面的形状精度主要用测量。7 .G02、G03是指有效指令。8 .G02指令含义是,G03指令含义是o9 .法那科系统G02/G03X_Z_R_F_指令格式中,X、Z指坐标,R是指,F含义是o10 .西门子系统G02/G03X_Z_CR=_F_指令格式中,X、Z指坐标,CR后数值

2、是,F含义是o11 .数控车床上采用圆弧插补指令时,平面选择指令应有效。12 .圆头车刀常取刀头的作为刀位点。二、判断题1 .成形面轴类零件是由曲线回转形成表面的零件。2 .带阶梯的成形面宜用圆头车刀切削。3 .尖头车刀不易产生副切削刃干涉。4 .粗车凹圆弧路径中,车同心圆形式编程计算简单。5 .粗车凹圆弧路径中,车三角形形式编程计算简单,且余量均匀,切削路径短。6 .法那科系统可以用G71循环指令粗车凹圆弧余量。7 .西门子系统可以用CYCLE952循环指令粗车凹圆弧余量。8 .大部分二维CAD软件都具有查询点的坐标功能。9 .数控车床使用圆弧插补指令时常指定G19平面。10 .外圆表面车凹

3、圆弧用G02指令。11 .数控车床上不论是车凹圆弧还是车凸圆弧都是用G02指令。12 .法那科系统数控车床上使用G02/G03X_Z_R_F_指令,R值可以为负。13 .西门子系统数控车床上使用G02/G03X_Z_CR=_F_指令,CR值可以为负。14 .G02、G03指令是模态有效指令,一经使用持续有效,直至同组G代码取代为止。15 .法那科系统圆弧插补指令G02/G03X_Z_R_F_中,R是模态有效指令。16 .西门子系统圆弧插补指令G02/G03X_Z_CR=_F_中,CR是程序段有效指令。三、选择题1 .车带阶梯的成形面应选择oA.圆头车刀B.棱形车刀C.尖头车刀D.内孔刀2 .车

4、圆弧面,车刀刀尖与工件回转中心的关系是oA.等高B.略低于C.略高于D.高于或低3 .编程坐标计算简单,切削路径短,余量均匀的车凹圆弧形式是OA.等径圆B.同心圆C.梯形D.三角形4 .数控车床上圆弧插补平面指令是oA.G17B.G18C.G19D.G205 .车某一段圆弧,前置刀架用G02指令,则后置刀架采用的指令是oA.GOlB.G02C.G03D.G02或G036 .法那科系统圆弧插补指令格式G02X_Z_R_FX、Z表示以下哪点坐标。A.圆弧起点B.圆弧终点C.圆弧圆心D.机床参考点7 .法那科系统数控车床使用圆弧插补指令格式G02X_Z_R_F_;其中R的值一般为OA.0B.负值C.

5、180D.小于180的正值8 .西门子系统数控车床使用圆弧插补指令格式G03X_Z_CR=_F_;其中CR的值一般为oA.0B.负值C.180D.小于180的正值9 .西门子系统圆弧插补指令格式G02X_Z_CR=_F_;X、Z表示以下哪点坐标。A.圆弧起点B.圆弧终点C.圆弧圆心D.机床参考点10.外圆表面上,车凹圆弧的指令是一OA.GOlB.G02C.G03D.G02或G0311.顺时针圆弧插补指令是OA.GOlB.G02C.G03D.G0412.逆时针圆弧插补指令是OA.GOlB.G02C.G03D.G04四、简答题1 .什么是顺时针圆弧插补,指令是什么?2 .什么是逆时针圆弧插补,指令

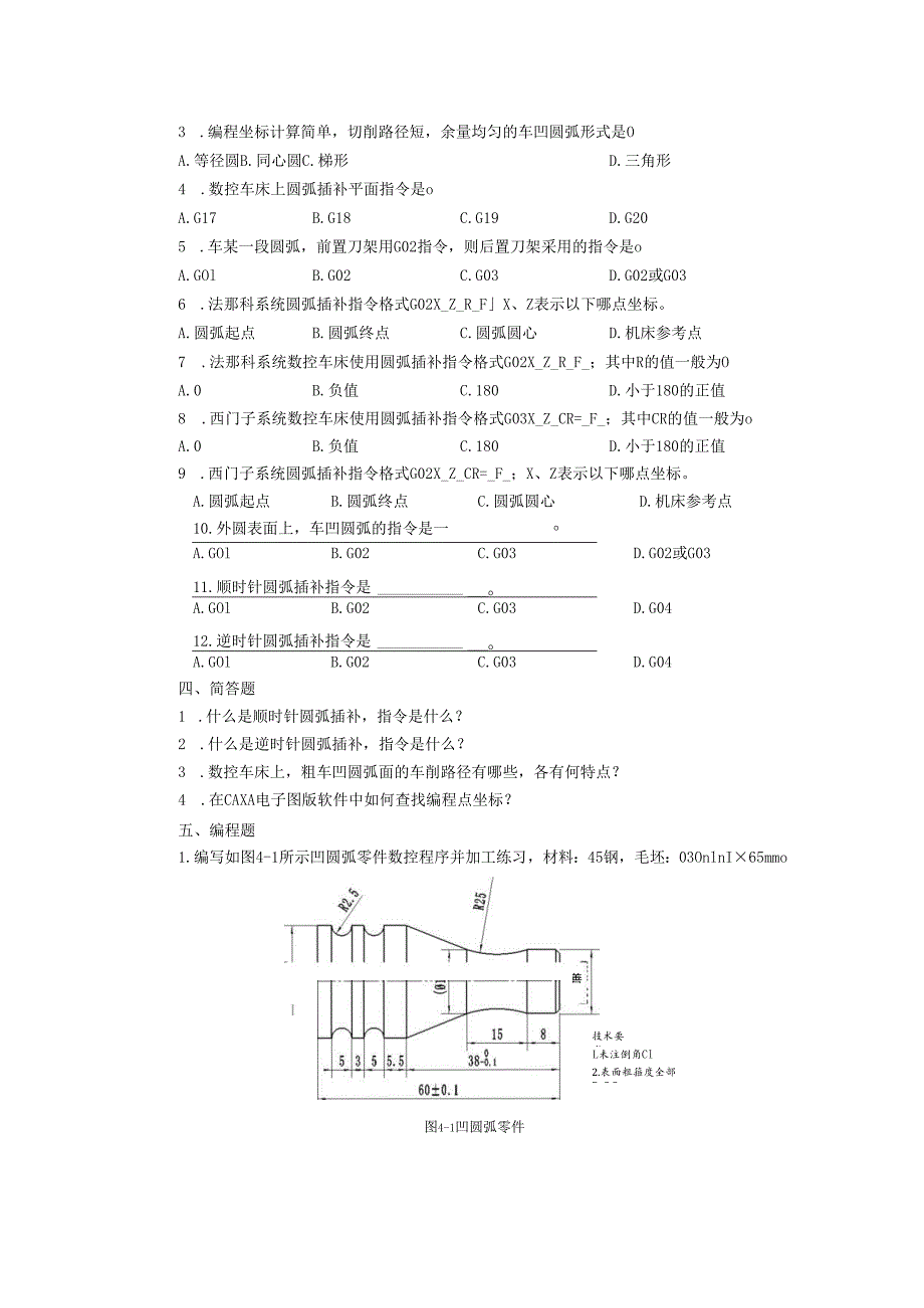
6、是什么?3 .数控车床上,粗车凹圆弧面的车削路径有哪些,各有何特点?4 .在CAXA电子图版软件中如何查找编程点坐标?五、编程题1.编写如图4-1所示凹圆弧零件数控程序并加工练习,材料:45钢,毛坯:03OnlnI65mmo善.技术要求:2.表面粗箍度全部Ra3.2图4-1凹圆弧零件L未注倒角Cl任务二一、填空题1 .车凸圆弧面采用棱形车刀容易发生刃干涉现象。2 .车凸圆弧面采用尖头车刀容易发生刃干涉现象。3 .车带阶梯的凸圆弧面,车刀主偏角应o4 .粗车凸圆弧面的车削方法有、o5 .车削圆心角大于90的圆弧常采用的粗车方法是。6 .车削圆心角小于90且不跨象限的凸圆弧常采用的粗车方法是。7

7、.凸圆弧面的形状精度一般采用测量。8 .G18G02G03X_Z_I_K_指令中,I含义是,K含义是。9 .车凸圆弧面零件,刀尖圆弧半径影响零件形状与尺寸精度(填“会”或“不会”)。10 .法那科系统G73粗车循环指令中Ai含义是,k的含义是,d的含义是o11 .车零件外表面上的凸圆弧面时使用指令(填“G02”或“G03”)。二、判断题1 .用尖头车刀车凸圆弧一般不易产生主切削刃干涉。2 .棱形车刀常用于车带阶梯的凹凸圆弧面零件。3 .车锥法适用于圆心角大于90的凸圆弧。4 .车锥法粗车凸圆弧面时,刀具路径不能超过与圆弧相切的那条临界线。5 .法那科系统G73指令可以车跨象限的零件外表面上的凸

8、圆弧面。6 .法那科统G71指令可以车跨象限的零件外表面上的凸圆弧面。7 .法那科系统与西门子系统“终点坐标+圆心坐标”的圆弧插补指令格式是一样的。8 .车成形面零件也需要使用刀尖半径补偿功能指令。9 .车成形面零件刀尖圆弧不能影响表面的形状和精度。10 .车成形面零件,装刀时应将刀尖严格与工件回转中心等高,否则会发生形状误差。三、选择题1 .粗车圆心角小于90且不跨象限的凸圆弧常采用方法是OA.车球法B.车锥法C.车三角形D.车梯形法2 .粗车圆心角大于90的凸圆弧常采用的方法是oA.车球法B.车锥法C.车三角形D.车梯形法3 .外圆表面上,车凸圆弧用的指令是oA.GOlB.G02C.G03

9、D.G02或G034 .直径编程,圆弧插补指令格式G02X_Z_I_K_;其中K为圆弧圆心相对于圆弧起点OA.才方向增量B.Z方向增量C.才方向增量2倍D.Z方向增量2倍5 .直径编程,圆弧插补指令格式G02X_Z_I_K_;其中I为圆弧圆心相对于圆弧起点OA.才方向增量B.Z方向增量C.才方向增量2倍D.Z方向增量2倍6 .法那科系统,刀具起点在(0,0),执行指令G03X40Z-20R20F0.2加工圆弧,若用“终点坐标+圆心坐标”表示,贝Ul值为oA.0B.40C.-20D.207 .法那科系统,刀具起点在(0,0),执行指令603乂402-20区20尸0.2加工圆弧,若用“终点坐标+圆

10、心坐标”表示,则K值为OA.0B.40C.-20D.208 .法那科系统,刀具起点在(0,0),执行指令G03X50Z-40R40F0.2;加工圆弧,若用“终点坐标+圆心坐标”表示,则I值为OA.0B.正C.负D.不能确定9 .西门子系统,刀具起点在(0,0),执行指令G03X50Z-40R40F0.2;加工圆弧,若用“终点坐标+圆心坐标”表示,则K值为OA.0B.正C.负D.不能确定10 .西门子系统,刀具起点在(0,0),执行指令G03X30ZT5CR=15F0.2HM,若用“终点坐标+圆心坐标”表示,则I值为OA.-15B.0C.15D.3011 .西门子系统,刀具起点在(0,0),执行

11、指令G03X30ZT5CR=15F0.2;加工圆弧,若用“终点坐标+圆心坐标”表示,则K值为OA.-15B.0C.15D.3012 .西门子系统,刀具起点在(0,0),执行指令G03X40Z-30CR=30F0.2HM,若用“终点坐标+圆心坐标”表示,则I值为OA.0B.正C.负D.不能确定13 .西门子系统,刀具起点在(0,0),执行指令G03X40Z-30CR=30F0.2方口HM,若用“终点坐标+圆心坐标”表示,则K值为OA.0B.正C.负D.不能确定四、简答题L什么是车锥法粗车凸圆弧?用于什么场合?2 .什么是车球法粗车凸圆弧?用于什么场合?3 .法那科系统G73循环指令与G71循环指

12、令有何不同?4 .车成形面时,刀尖圆弧半径会不会对零件精度产生影响?为什么?五、编程题1.编写如图4-2球头手柄数控程序并加工练习,材料:45钢,毛坯:60mm75mmo1.mABT1804-m工25.510.0270.5图4-2球头手柄任务三一、填空题1 .车内凸圆弧面车刀易发生刃干涉,车内凹圆弧面易发生刃干涉。2 .车内凸圆弧面指令是,车内凹圆弧面指令是o3 .内圆弧面形状精度一般采用测量。4 .当内圆弧面尺寸较小成为内圆弧槽时,可选用车刀加工。5 .法那科系统圆弧过渡(倒圆)指令格是o6 .法那科系统圆弧过渡(倒圆)指令格是。7 .法那科系统GolX_Z_F_,R_;指令格式中,X、Z指

13、点坐标,R是指,F含义是o8 .西门子系统GOlX_Z_RND=_F_;指令格式中,X、Z指点坐标,RND后数值是,F含义是o二、判断题1 .车带阶梯的内成形面时,车刀主偏角应大于等于90。2 .车内圆弧面时,一般不会发生主、副切削刃干涉现象。3 .车内圆弧面时,刀尖圆弧半径不会影响表面的形状和尺寸精度。4 .圆弧过渡指令可以用于圆弧与直线间的圆弧过渡。5 .圆弧过渡指令只能用于直线与直线间的圆弧过渡。6 .法那科系统G71循环指令不能用来粗车带圆弧的内轮廓表面。7 .法那科系统G73循环指令也可以用来粗车径向尺寸单向递增或递减的内轮廓表面。8 .西门子系统CYCLE952循环不能用来粗车带圆

14、弧的内轮廓表面。9 .西门子系统CYCLE952循环也可以用来粗车径向尺寸单向递增或递减的内轮廓表面。10 .车内成形面也可以用车球法或车锥法去除余量11 .车内圆弧面,车刀刀尖可略高于工件回转轴线。三、选择题1 .车无预制孔的内圆弧,车刀主偏角应OA.大于90B.小于90C.大于0D.小于02 .法那科系统指令格式GOlX_Z_F_,R_;其中Z、X是指以下哪点的坐标。A.起点B.终点C.拐点D.临界点3 .法那科系统指令GOlX_Z_F_,R_;基中R后是指。A.倒角值B.拐点到起点的距离C.拐点到终点距离D.拐角半径4 .西门子系统指令格式GOlX_Z_F_RND=_;其中Z、X是指以下

15、哪点的坐标。A.起点B.终点C.拐点D.临界点5 .西门子系统指令GOlX_Z_F_RND=_;其中RND后是指。A.倒角值B.拐点到起点的距离C.拐点到终点距离D.拐角半径6 .车内圆弧面时,为消除刀尖圆弧半径对圆弧形状和精度的影响,应使用的刀尖半径补偿指令是OA.G40B.G41C.G42D.G43四、简答题1 .数控车床上,内圆弧面粗车余量如何去除?2 .比较法那科系统倒角指令和倒圆指令格式的异同。3 .西门子系统倒角指令和倒圆指令格式有何异同?六、加工训练题1.编写如图4-3所示内圆弧面零件数控程序并加工练习,材料:45钢,毛坯:。4Omm3Ommo图4-3内圆弧面零件项目四成形面类零件加工任务一一、填充题1 .成形2

展开阅读全文
相关资源
猜你喜欢
相关搜索

当前位置:首页 > 汽车/机械/制造 > 数控机床

copyright@ 2008-2023 1wenmi网站版权所有

经营许可证编号:宁ICP备2022001189号-1

本站为文档C2C交易模式,即用户上传的文档直接被用户下载,本站只是中间服务平台,本站所有文档下载所得的收益归上传人(含作者)所有。第壹文秘仅提供信息存储空间,仅对用户上传内容的表现方式做保护处理,对上载内容本身不做任何修改或编辑。若文档所含内容侵犯了您的版权或隐私,请立即通知第壹文秘网,我们立即给予删除!