既有幕墙安全性和使用性鉴定项目.docx

上传人:p** 文档编号:162749 上传时间:2023-03-06 格式:DOCX 页数:4 大小:30.51KB
下载 相关 举报
既有幕墙安全性和使用性鉴定项目.docx_第1页
第1页 / 共4页
既有幕墙安全性和使用性鉴定项目.docx_第2页
第2页 / 共4页
既有幕墙安全性和使用性鉴定项目.docx_第3页
第3页 / 共4页
既有幕墙安全性和使用性鉴定项目.docx_第4页
第4页 / 共4页
亲,该文档总共4页,全部预览完了,如果喜欢就下载吧!
资源描述

《既有幕墙安全性和使用性鉴定项目.docx》由会员分享,可在线阅读,更多相关《既有幕墙安全性和使用性鉴定项目.docx(4页珍藏版)》请在第壹文秘上搜索。

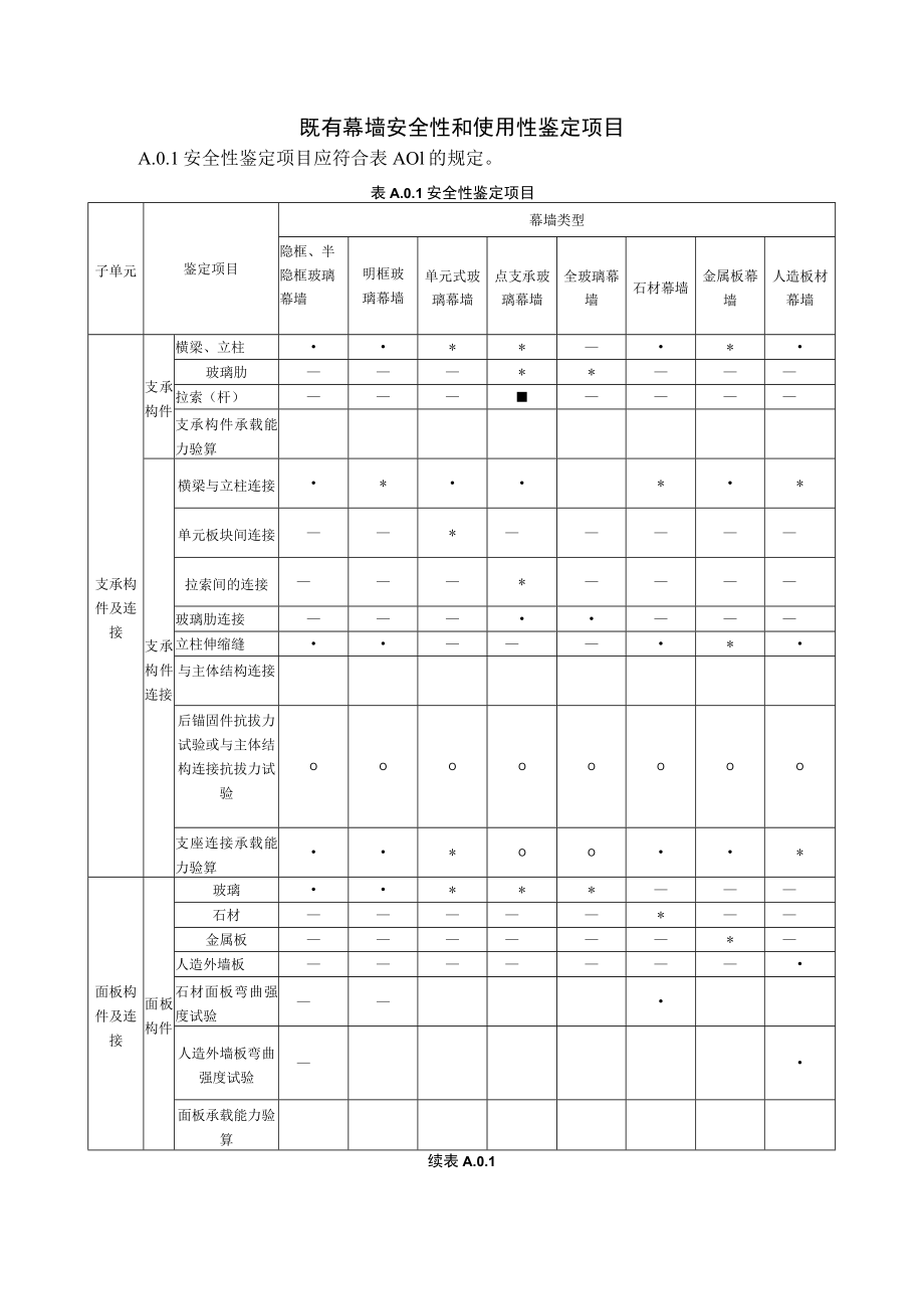
1、既有幕墙安全性和使用性鉴定项目A.0.1安全性鉴定项目应符合表AOl的规定。表A.0.1安全性鉴定项目子单元鉴定项目幕墙类型隐框、半隐框玻璃幕墙明框玻璃幕墙单元式玻璃幕墙点支承玻璃幕墙全玻璃幕墙石材幕墙金属板幕墙人造板材幕墙支承构件及连接支承构件横梁、立柱*玻璃肋*拉索(杆)支承构件承载能力验算支承构件连接横梁与立柱连接*单元板块间连接*拉索间的连接*玻璃肋连接立柱伸缩缝*与主体结构连接后锚固件抗拔力试验或与主体结构连接抗拔力试验OOOOOOOO支座连接承载能力验算*OO*面板构件及连接面板构件玻璃*石材*金属板*人造外墙板石材面板弯曲强度试验人造外墙板弯曲强度试验面板承载能力验算续表A.0.

2、1子单元鉴定项目幕墙类型隐框、半隐框玻璃幕墙明框玻璃幕墙单元式玻璃幕墙点支承玻璃幕墙全玻璃幕墙石材幕墙金属板幕墙人造板材幕墙面板构件及连接面板连接玻璃面板连接*石材面板连接金属板连接人造外墙板连接硅酮结构胶检查*硅酮结构胶手拉剥离试验*硅酮结构胶现场拉伸粘结强度试验*硅酮结构邵氏硬度试验玻璃面板荷载试验OO石材面板挂件挂装强度试验*人造外墙板挂件挂装强度试验*面板连接承载能力验算*室外构件及连接夕接连卜遮阳及连、装饰条及接、灯光设施*续表A.0.1子单元鉴定项目幕墙类型隐框、半隐框玻璃幕墙明框玻璃幕墙单元式玻璃幕墙点支承玻璃幕墙全玻璃幕墙石材幕墙金属板幕墙人造板材幕墙防火构造防火承托钢板、防火

3、棉、防火密封胶*OOO防雷构造幕墙结构自身导通连接、与主体结构防雷装置连接金属构件的腐蚀和锈蚀横梁、立柱*拉索(杆)横梁与立柱连接*拉索间的连接*玻璃肋连接与主体结构连接注:“”为必选项目;“。”为必要时应选项目;为可选项目;“”为不要月A.0.2正常使用性鉴定项目应符合表A.0.2的规定。表A.0.2正常使用性鉴定项目子单元鉴定项目幕墙类型隐框、半隐框玻璃幕墙明框玻璃幕墙单元式玻璃幕墙点支承玻璃幕墙全玻璃幕墙石材幕墙金属板幕墙人造板材幕墙支承构件横梁、立柱拉索(杆)*支承构件变形挠度验算拉索间的连接玻璃肋连接与主体结构连接面板构件玻璃*石材金属板*人造外墙板面板变形挠度验算开启窗开启窗密封、使用功能防雨水渗漏雨水渗漏痕迹、现场淋水试验密封材料耐久性面板接缝密封胶、密封胶条隔声性能现场检测隔声性能采光功能玻璃可见光透射比、可见光反射比热工性能玻璃光学热工性能注:“”为必选项目;“口为可选项目;为不要求。

展开阅读全文
相关资源
猜你喜欢
相关搜索

当前位置:首页 > 建筑/环境 > 施工组织

copyright@ 2008-2023 1wenmi网站版权所有

经营许可证编号:宁ICP备2022001189号-1

本站为文档C2C交易模式,即用户上传的文档直接被用户下载,本站只是中间服务平台,本站所有文档下载所得的收益归上传人(含作者)所有。第壹文秘仅提供信息存储空间,仅对用户上传内容的表现方式做保护处理,对上载内容本身不做任何修改或编辑。若文档所含内容侵犯了您的版权或隐私,请立即通知第壹文秘网,我们立即给予删除!