铜陵有色金属集团股份有限公司金冠铜业分公司排渣小车改造项目渣包平板小车技术要求.docx

上传人:p** 文档编号:163559 上传时间:2023-03-06 格式:DOCX 页数:5 大小:25.92KB
下载 相关 举报
铜陵有色金属集团股份有限公司金冠铜业分公司排渣小车改造项目渣包平板小车技术要求.docx_第1页
第1页 / 共5页
铜陵有色金属集团股份有限公司金冠铜业分公司排渣小车改造项目渣包平板小车技术要求.docx_第2页
第2页 / 共5页
铜陵有色金属集团股份有限公司金冠铜业分公司排渣小车改造项目渣包平板小车技术要求.docx_第3页
第3页 / 共5页
铜陵有色金属集团股份有限公司金冠铜业分公司排渣小车改造项目渣包平板小车技术要求.docx_第4页
第4页 / 共5页
铜陵有色金属集团股份有限公司金冠铜业分公司排渣小车改造项目渣包平板小车技术要求.docx_第5页
第5页 / 共5页
亲,该文档总共5页,全部预览完了,如果喜欢就下载吧!
资源描述

《铜陵有色金属集团股份有限公司金冠铜业分公司排渣小车改造项目渣包平板小车技术要求.docx》由会员分享,可在线阅读,更多相关《铜陵有色金属集团股份有限公司金冠铜业分公司排渣小车改造项目渣包平板小车技术要求.docx(5页珍藏版)》请在第壹文秘上搜索。

1、铜陵有色金属集团股份有限公司金冠铜业分公司排渣小车改造项目渣包平板小车技术要求第一章货物技术要求及其它1.1货物需求序号设备名称数量规格参数交货期备注1渣包平板小车1台额定承载40t,轨距为2100mm2021年9月24日1.2设备主要性能参数及要求1.2.1设备名称:渣包平板小车数量:1台用途:车本体上安放分离式方型渣包,用于盛装铜渣并将其运输至破渣点。设备工作环境:阳极炉厂房额定负载:40t轮压:IOt型式:有轨工作温度():200车体基本尺寸400Omm*310Omm*70Omm,轨距(内侧)2050mm(中心轨距210Omm)钢轨:QU80离地间隙:15Omm工作方式:一用工作制度:3

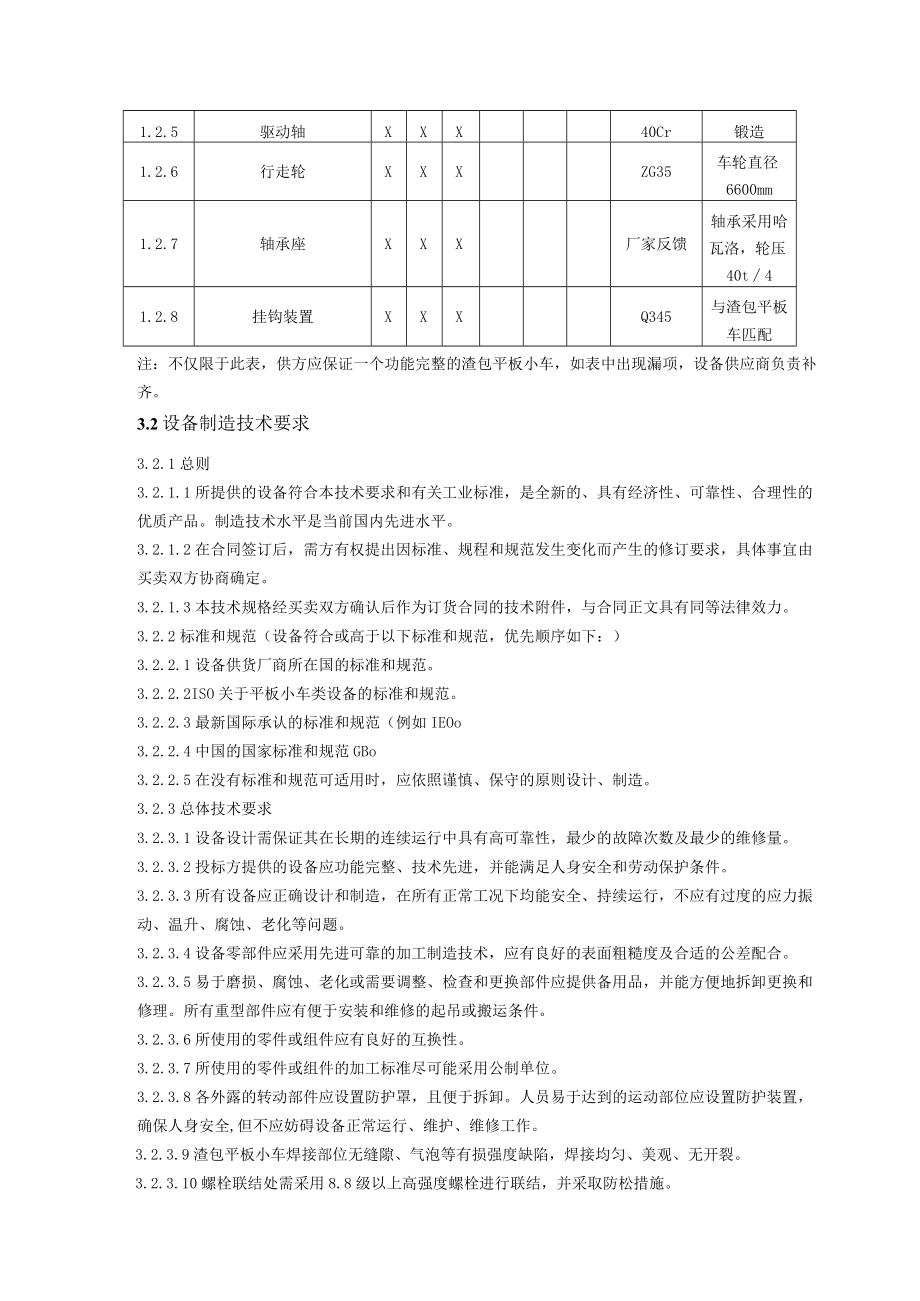
2、-4次/周主要性能参数序号名称型号负载运行速度KW底部高度(mm)车轮直径(Inm)备注1渣包平板小车4025mmin80600第三节设备供货范围及要求3.1供货范围渣包平板小车(1台;备注:2021年7月24日交货)序号零、部件名称方买方材质与规格与产地备注初步设计详细设计供货方初步设计详细设计供货方1.1渣包平板小车Q3451.1.1本体XXXQ345钢板厚度不低于6mm1.1.2承重钢XXX厂家反馈不低于IOmm1.2.5驱动轴XXX40Cr锻造1.2.6行走轮XXXZG35车轮直径6600mm1.2.7轴承座XXX厂家反馈轴承采用哈瓦洛,轮压40t41.2.8挂钩装置XXXQ345与渣

3、包平板车匹配注:不仅限于此表,供方应保证一个功能完整的渣包平板小车,如表中出现漏项,设备供应商负责补齐。3.2设备制造技术要求3.2.1总则3.2.1.1所提供的设备符合本技术要求和有关工业标准,是全新的、具有经济性、可靠性、合理性的优质产品。制造技术水平是当前国内先进水平。3.2.1.2在合同签订后,需方有权提出因标准、规程和规范发生变化而产生的修订要求,具体事宜由买卖双方协商确定。3.2.1.3本技术规格经买卖双方确认后作为订货合同的技术附件,与合同正文具有同等法律效力。3.2.2标准和规范(设备符合或高于以下标准和规范,优先顺序如下:)3.2.2.1设备供货厂商所在国的标准和规范。3.2

4、.2.2ISO关于平板小车类设备的标准和规范。3.2.2.3最新国际承认的标准和规范(例如IEOo3.2.2.4中国的国家标准和规范GBo3.2.2.5在没有标准和规范可适用时,应依照谨慎、保守的原则设计、制造。3.2.3总体技术要求3.2.3.1设备设计需保证其在长期的连续运行中具有高可靠性,最少的故障次数及最少的维修量。3.2.3.2投标方提供的设备应功能完整、技术先进,并能满足人身安全和劳动保护条件。3.2.3.3所有设备应正确设计和制造,在所有正常工况下均能安全、持续运行,不应有过度的应力振动、温升、腐蚀、老化等问题。3.2.3.4设备零部件应采用先进可靠的加工制造技术,应有良好的表面

5、粗糙度及合适的公差配合。3.2.3.5易于磨损、腐蚀、老化或需要调整、检查和更换部件应提供备用品,并能方便地拆卸更换和修理。所有重型部件应有便于安装和维修的起吊或搬运条件。3.2.3.6所使用的零件或组件应有良好的互换性。3.2.3.7所使用的零件或组件的加工标准尽可能采用公制单位。3.2.3.8各外露的转动部件应设置防护罩,且便于拆卸。人员易于达到的运动部位应设置防护装置,确保人身安全,但不应妨碍设备正常运行、维护、维修工作。3.2.3.9渣包平板小车焊接部位无缝隙、气泡等有损强度缺陷,焊接均匀、美观、无开裂。3.2.3.10螺栓联结处需采用8.8级以上高强度螺栓进行联结,并采取防松措施。3

6、.2.3.11车体周身去毛刺,棱角处进行倒角处理,车轮支座需进行加强筋加固,以防疲劳运行后称重梁变形。3.2.3.12所有的总成件必须装有耐腐蚀中文铭牌,铭牌应标有该总成件的主要技术规格参数。配套厂的总成件铭牌要完好保留,便于察看。3.2.3.13小车在运行中必须稳定,噪声必须符合国家标准。3. 2.3.14设备采用材质应适合生产条件的要求,材料应符合国家标准规定的化学成份和机械性能要求以及设备规定的技术要求;4. 2.3.15表面涂装:由于设备为室外布置,且环境中有酸性腐蚀气体存在,要求采用防腐防锈专用油漆进行涂装(色标由需方提供),涂装前进行Sa2.5除锈处理,二底二面。5. 2.3.16

7、设备选型性能参数与实际测试之参数的偏离必须事先说明并取得需方的认可。第四节性能保证与质量控制设备的设计及制造需根据第二节设备主要性能参数及要求,参照设备制造之国际/国家标准进行,并不得低于中国国家相应设备制做及制造标准,同时必须符合中国国家相关部门及行业的强制规范要求。5.1 性能保证5.1.1 根据第二节设备主要性能参数及要求,必须满足需方需求,达到设备选型时的技术性能,如振动、异音等;5.1.2 出厂前需要进行至少2小时的运转试验;5.2 质量控制4. 2.1供方提供材料证明及原厂材料性能报告、小车机械性能测试报告等。4 .2.2制造过程中按以下进行检验并附有符合国家相关标准的合格报告。项

8、目化学成分机械性能超声波着色水压试验动平衡尺寸检查组装外观渣包小车主轴减速机行走轮组装75 .2.3设备出厂前压力测试,组装及性能测试时,供方应至少提前一周通知需方,以便需方派员参预性能测试。4. 2.4设备安装结束生产正常进行性能检测。6. 3质量保证期质量保证期:12个月。保证在质保期内因设备质量原因出现损坏时,免费及时服务和更换,并承担直接损失。5安装和调试卖方根据买方的要求,派出合格的专业人员在买方的现场对设备进行指导安装和调试,以及对买方有关人员进行维修和操作的技术培训。6.2. 1设备现场安装时,卖方应派专业人员到现场进行设备的安装指导、调试工作。6.2.2设备试运行前,卖方向用户提出负荷试运行方案,由用户负责组织实施,卖方派人参加。6.2.3试车:试运行期间,卖方应派人到现场服务,负荷试车连续运行72小时无故障,并能满足甲方提供的技术要求。

展开阅读全文
相关资源
猜你喜欢
相关搜索

当前位置:首页 > 办公文档 > 统计图表

copyright@ 2008-2023 1wenmi网站版权所有

经营许可证编号:宁ICP备2022001189号-1

本站为文档C2C交易模式,即用户上传的文档直接被用户下载,本站只是中间服务平台,本站所有文档下载所得的收益归上传人(含作者)所有。第壹文秘仅提供信息存储空间,仅对用户上传内容的表现方式做保护处理,对上载内容本身不做任何修改或编辑。若文档所含内容侵犯了您的版权或隐私,请立即通知第壹文秘网,我们立即给予删除!