工程质量检查记录表.docx

上传人:p** 文档编号:173566 上传时间:2023-03-20 格式:DOCX 页数:4 大小:19.40KB
下载 相关 举报
工程质量检查记录表.docx_第1页
第1页 / 共4页
工程质量检查记录表.docx_第2页
第2页 / 共4页
工程质量检查记录表.docx_第3页
第3页 / 共4页
工程质量检查记录表.docx_第4页
第4页 / 共4页
亲,该文档总共4页,全部预览完了,如果喜欢就下载吧!
资源描述

《工程质量检查记录表.docx》由会员分享,可在线阅读,更多相关《工程质量检查记录表.docx(4页珍藏版)》请在第壹文秘上搜索。

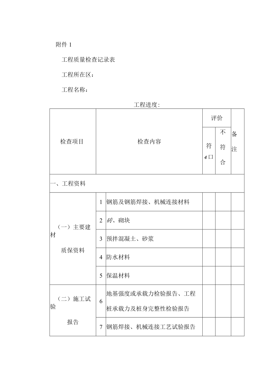
1、附件1工程质量检查记录表工程所在区:工程名称:工程进度:检查项目检查内容评价备注符4口不符合一、工程资料(一)主要建材质保资料1钢筋及钢筋焊接、机械连接材料2砖、砌块3预拌混凝土、砂浆4防水材料5保温材料(二)施工试验报告6地基强度或承载力检验报告、工程桩承载力及桩身完整性检验报告7钢筋焊接、机械连接工艺试验报告8钢筋焊接、机械连接试验报告(三)施工及验收记录9试桩或验槽记录10填充墙砌体植筋锚固力检测报告11结构实体检验记录12桩位偏差、桩顶标高验收记录13隐蔽工程验收记录14检验批、分项、分部(子分部)验收记录15工程质量问题处理及验收记录二、工程实体(四)混凝土工程16混凝土、砂浆试块留

2、置:检查试块留置数量、养护环境、标示等17混凝土的外观质量和尺寸偏差:检查混凝土外观质量(五)砌体工程18墙体转角处、交接处及临时间断处砌筑方式19灰缝厚度及砂浆饱满度20构造柱、圈梁和拉结筋的设置等抗震构造措施情况(六)钢结构工程21钢结构用钢材及焊接、紧固件连接材料22钢结构连接(焊接)质量检测报告23预制构件、钢构件吊装记录24钢结构整体垂直度和整体平面弯曲度、钢网架挠度检验记录(七)其它25三、质量常见问题治理(八)质量常见问题治理26施工荷载控制:观察检查楼层堆载情况27工程质量通病防治的相关措施(方案)28样板引路方案编制与审批29样板引路实物:是否与工程进度一致四、信息化管理(九)信息化应30是否采用信息化手段对工程质量是否用程度进行管理31信息化管理系统中是否包括建设、监理单位是否检查组成员签字:检查日期:年月日施工单位现场负责人签字:

展开阅读全文
相关资源
猜你喜欢
相关搜索

当前位置:首页 > 建筑/环境 > 工程监理

copyright@ 2008-2023 1wenmi网站版权所有

经营许可证编号:宁ICP备2022001189号-1

本站为文档C2C交易模式,即用户上传的文档直接被用户下载,本站只是中间服务平台,本站所有文档下载所得的收益归上传人(含作者)所有。第壹文秘仅提供信息存储空间,仅对用户上传内容的表现方式做保护处理,对上载内容本身不做任何修改或编辑。若文档所含内容侵犯了您的版权或隐私,请立即通知第壹文秘网,我们立即给予删除!