白城市成品油产品质量监督抽查实施细则.docx

上传人:p** 文档编号:174108 上传时间:2023-03-20 格式:DOCX 页数:4 大小:24.21KB
下载 相关 举报
白城市成品油产品质量监督抽查实施细则.docx_第1页
第1页 / 共4页
白城市成品油产品质量监督抽查实施细则.docx_第2页
第2页 / 共4页
白城市成品油产品质量监督抽查实施细则.docx_第3页
第3页 / 共4页
白城市成品油产品质量监督抽查实施细则.docx_第4页
第4页 / 共4页
亲,该文档总共4页,全部预览完了,如果喜欢就下载吧!
资源描述

《白城市成品油产品质量监督抽查实施细则.docx》由会员分享,可在线阅读,更多相关《白城市成品油产品质量监督抽查实施细则.docx(4页珍藏版)》请在第壹文秘上搜索。

1、白城市成品油产品质量监督抽查实施细则1范围本细则适用于白城市场监督管理局成品油产品质量监督抽查,针对特殊情况的专项监督抽查、其他部门组织的监督抽查可参照执行。监督抽查产品范围包括车用乙醇汽油、车用柴油。本细则内容包括产品分类、企业规模划分、检验依据、抽样、检验要求、判定原则及异议处理复检及附则。注:针对特殊情况的专项监督抽查是指应急工作需要而进行的或者由于某种特殊情况(或原因)仅需要对部分项目进行抽样检验的专项监督抽查。2产品分类2.1产品分类及代码产品分类及代码见表1。表1产品分类及代码产品分类成品油分类代码0102分类名称车用乙醇汽油车用柴油2.2产品种类本细则成品油按照用途等不同分类车用

2、乙醇汽油E92号、E95号、E98号等;车用柴油O号、TO号、-20号、-35号等。3企业规模划分根据成品油产品行业的实际情况,规模以被抽查产品年销售额为标准划分为大、中、小型企业。见表2。表2企业规模划分企业规模大型中型小型销售额/万元成品油10050且VIOO504检验依据下列引用的文件,其最新版本或修改单均适用于本细则。GB18351车用乙醇汽油GB19147车用柴油NB/SH/T0663汽油中醇类和醒类含量的测定气相色谱法SH/T0711汽油中镒含量测定法(原子吸收光谱法)GB/T511石油产品和添加剂机械杂质测定法(重量法)SH/T0806中间偏分芳泾含量的测定示差折光检测高效液相色

3、谱法SH/T0689轻质煌及发动机燃料和其它油品的总硫含量测定法(紫外荧光法)GB/T5487汽油辛烷值测定法(研究法)GB/T6536石油产品中常压蒸储特性SH/T0175储分燃料油氧化安定性测定法(加速法)GB/T510石油产品凝点测定法SH/T0693汽油中芳烧含量测定法(气相色谱法)SH/T0248柴油和民用取暖油冷滤点测定法GB/T261闪点的测定宾斯基-马丁闭口杯法GB/T4756石油液体手工取样法GB/T265石油产品粘度测定法经备案现行有效的企业标准、地方标准及产品明示质量要求相关的法律法规、部门规章和规定5抽样5.1 抽样型号或规格成品油通常有多种型号,抽样时应优先抽取被抽样

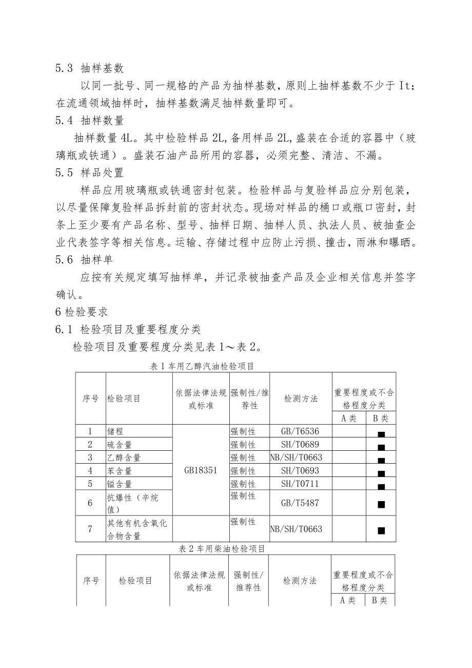
4、单位有代表性的型号。5.2 抽样方法采用GB/T4756石油液体手工取样法。样品应按照同一批号、同一规格在经受检单位检验合格的成品中或待销的经检验合格的产品中随机抽取。在加油站抽样时,直接从加油枪口取样,汽油取样时应避光。5.3 抽样基数以同一批号、同一规格的产品为抽样基数,原则上抽样基数不少于It;在流通领域抽样时,抽样基数满足抽样数量即可。5.4 抽样数量抽样数量4L。其中检验样品2L,备用样品2L,盛装在合适的容器中(玻璃瓶或铁通)。盛装石油产品所用的容器,必须完整、清洁、不漏。5.5 样品处置样品应用玻璃瓶或铁通密封包装。检验样品与复验样品应分别包装,以尽量保障复验样品拆封前的密封状态

5、。现场对样品的桶口或瓶口密封,封条上至少要有产品名称、型号、抽样日期、抽样人员、执法人员、被抽查企业代表签字等相关信息。运输、存储过程中应防止污损、撞击,雨淋和曝晒。5.6 抽样单应按有关规定填写抽样单,并记录被抽查产品及企业相关信息并签字确认。6检验要求6.1 检验项目及重要程度分类检验项目及重要程度分类见表1表2。表1车用乙醇汽油检验项目序号检验项目依据法律法规或标准强制性/推荐性检测方法重要程度或不合格程度分类A类B类1储程GB18351强制性GB/T65362硫含量强制性SH/T06893乙醇含量强制性NB/SH/T06634苯含量强制性SH/T06935镒含量强制性SH/T07116

6、抗爆性(辛烷值)强制性GB/T54877其他有机含氧化合物含量强制性NB/SH/T0663表2车用柴油检验项目序号检验项目依据法律法规或标准强制性/推荐性检测方法重要程度或不合格程度分类A类B类1硫含量GB19147强制性SH/T06892运动粘度强制性GB/T2653凝点强制性GB/T5104闪点(闭口)强制性GB/T2615氧化安定性强制性SH/T01756多环芳烧含量含量强制性SH/T08067冷滤点强制性SH/T0248注:A类为极重要质量项目;B类为重要质量项目。7判定原则经检验,检验项目全部合格,判定为被抽查产品合格;检验项目中任一项或一项以上不合格,判定为被抽查产品不合格。当产品存在A类不合格时,属于严重不合格;当产品仅有B类不合格时,属于一般不合格。8异议处理及复检对判定不合格产品进行复检时,按以下方式进行:8.1 核查不合格项目相关证据,能够以记录(纸质记录或电子记录或影像记录)或与不合格项目相关联的其它质量数据等检验证据证明,并得到被检方认可的,作出维持原检验结论的复检结论。8.2 对不合格项目复检(指异议处理时的复检,非产品标准中规定的复验)时,采用备用样检验。当备用样复检结果合格时,以复检结果为准,否则维持原检验结果不变。

展开阅读全文
相关资源
猜你喜欢
相关搜索

当前位置:首页 > 管理/人力资源 > 质量管理

copyright@ 2008-2023 1wenmi网站版权所有

经营许可证编号:宁ICP备2022001189号-1

本站为文档C2C交易模式,即用户上传的文档直接被用户下载,本站只是中间服务平台,本站所有文档下载所得的收益归上传人(含作者)所有。第壹文秘仅提供信息存储空间,仅对用户上传内容的表现方式做保护处理,对上载内容本身不做任何修改或编辑。若文档所含内容侵犯了您的版权或隐私,请立即通知第壹文秘网,我们立即给予删除!