芜湖新兴铸管有限责任公司炼铁部烧结工艺高精度皮带秤.docx

上传人:p** 文档编号:174328 上传时间:2023-03-20 格式:DOCX 页数:5 大小:26.86KB
下载 相关 举报
芜湖新兴铸管有限责任公司炼铁部烧结工艺高精度皮带秤.docx_第1页
第1页 / 共5页
芜湖新兴铸管有限责任公司炼铁部烧结工艺高精度皮带秤.docx_第2页
第2页 / 共5页
芜湖新兴铸管有限责任公司炼铁部烧结工艺高精度皮带秤.docx_第3页
第3页 / 共5页
芜湖新兴铸管有限责任公司炼铁部烧结工艺高精度皮带秤.docx_第4页
第4页 / 共5页
芜湖新兴铸管有限责任公司炼铁部烧结工艺高精度皮带秤.docx_第5页
第5页 / 共5页
亲,该文档总共5页,全部预览完了,如果喜欢就下载吧!
资源描述

《芜湖新兴铸管有限责任公司炼铁部烧结工艺高精度皮带秤.docx》由会员分享,可在线阅读,更多相关《芜湖新兴铸管有限责任公司炼铁部烧结工艺高精度皮带秤.docx(5页珍藏版)》请在第壹文秘上搜索。

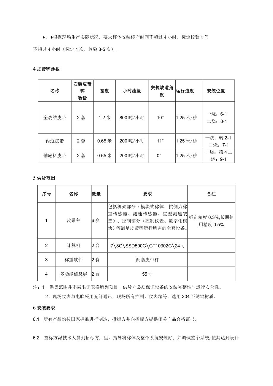
1、芜湖新兴铸管有限责任公司炼铁部烧结工艺高精度皮带秤 计核审准 设审会批技术规格书2021年3月12日1项目概述1.1 芜湖新兴铸管有限责任公司炼铁部新订6套烧结工艺高精度皮带秤。1.2 该项目具体要求包括烧结工艺高精度皮带秤设备供货、指导安装、调试、培训、售后等方面的内容。1.3 对所提供设备的安全性、可靠性、适用性、完整性负责。2产品执行标准执行GB/T7721-2017连续累计自动衡器(皮带秤)国家标准。3皮带秤体结构要求现场需在2条带速1.25ms,带宽1.2m和4条带速1.25ms,带宽0.65m的运输皮带上加装皮带秤,计量物料重量。要求:采用多单元阵(分)列高精度皮带秤,每台秤共八组

2、独立称重单元,每组称重单元带两只抗侧向力传感器。双轮重力测速传感器,具有双秤对比功能,进行偏差报警,可在线校验,无需停产,在线标定。自动挂码检测方便、可靠,控制箱材质为不锈钢304。称重传感器要求采用抗侧向力形式,增加温度、角度补偿模块,提高精度,防护等级IP68o要求对皮带秤架改动小。智能化仪表,通过建模算法,提升系统稳定性。标定精度0.3%(实物标定),使用精度优于0.5%;设备使用稳定,三个月以上不需校验调整,自动校零和跑皮功能。皮带秤系统具备数字通信RS485或232接口,标准modbus协议,可接入计量网络系统,具备远距离去皮、检定等操作功能。配备专用软件,可远程实时观察数据;远距离

3、去皮、检定、皮带秤运行状态记录、运行过程各种报警内容记录、各项操作内容记录、故障维护日志、生产统计报表等查询功能。:根据现场生产实际状况,要求秤体安装停产时间不超过4小时,标定校验时间不超过4小时(标定1次,校验3-5次)。4皮带秤参数名称安装皮带秤数量宽度小时流量安装坡道角度运行速度安装位置全烧结皮带2套1.2米800吨/小时101.25米/秒一烧:6-1二烧:8-1内返皮带2套0.65米200吨/小时111.25米/秒一烧:转2-1二烧:7-1铺底料皮带2套0.65米200吨/小时01.25米/秒一烧:筛4二烧:9-15供货范围序号名称数量要求备注1皮带秤6套包括机架部分(模块式称体、抗侧

4、力称重传感器、测速传感器、重型测速装置)、控制部分(控制仪表、数字化模块)等满足皮带秤运行所需的全套设备。标定精度0.3%,长期使用精度0.5%2计算机2台I78GSSD500GGT10302G24寸3称重软件2食配套皮带秤4多功能信息屏2台55寸注:1、供货范围并不局限于表格所列项目,供货方必须保证设备的安装完整性与运行安全性。2、现场仪表与电脑采用光纤通讯,现场所有控制、仪表箱等,选用304不锈钢材质。6安装要求6.1 所有产品均按国家标准进行制造,投标方并向招标方提供相关产品合格证书。6.2 投标方派技术人员到招标方厂里,指导将称体及整个系统安装好;并调试整个系统,使其达到设计要求,投标

5、方对招标方相关使用人员进行培训。6.3 秤体的安装及注意事项将秤体均匀的安装在皮带架上面。如遇皮带运行时,皮带架子震动较大,招标方需出方案加固架子。运输时锁好限位螺栓,装卸及运输过程中保护好传感器出线不要碰断。6.4 多功能信息屏安装在招标方指定的位置悬挂起来,便于相关人员观看。6.5 称重显示仪表安装在招标方指定的位置,将仪表安装牢固,考虑调试、维修、碰撞等。7双方的责任和义务7.1 招标方在项目施工前根据投标方的要求,提供现有设备的使用和工艺要求等相关资料,投标方根据所提供要求进行设计并指导施工。7.2 招标方需派专业安装人员配合投标方的指导现场施工。7.3 投标方提供整套设备,负责整个系

6、统的设计与调试;对系统的完整性,可靠性负责。7.4 投标方提供设备的相关技术资料(含说明书、合格证等技术文件)。7.5 投标方负责对招标方技术人员、操作人员、维护人员进行培训。7.6 投标方必须严格按照招标方的相关安全操作规程标准化作业,遵守招标方相关规章制度,协调指挥,严格按照施工规范及工程进度进行安装调试指导。8售后服务要求8.1 投标方保证给招标方提供的货物是全新的、未使用过的、是用严格的工艺和最佳材料制造而成的正品,并完全符合本协议规定的质量、规格和性能的要求。8.2 投标方对货物在正确安装、正常使用和保养的条件下,对在质保期和保修期和使用期限内具有满意的性能负责。8.3 质保期或成本保修期内,如果系统其他任何部件需要返修或更换,投标方提供临时部件,保证系统的运行和使用不中断或受到任何影响,直到返修或更换的部件到达和安装调试好为止。8.4 成本保修期到期后,投标方承诺向招标方继续提供以下维修服务:硬件设备故障检查和维修、备件更换、软件故障的排除、软件升级服务等。并在接到传真件通知后的24小时内派技术人员到现场提供服务。8.5 投标方保证售后服务技术人员将切实保障业主的利益、实事求是的向业主提供故障原因、售后服务处理办法等情况,以最快的速度解决发生的故障。

展开阅读全文
相关资源
猜你喜欢
相关搜索

当前位置:首页 > 行业资料 > 冶金工业

copyright@ 2008-2023 1wenmi网站版权所有

经营许可证编号:宁ICP备2022001189号-1

本站为文档C2C交易模式,即用户上传的文档直接被用户下载,本站只是中间服务平台,本站所有文档下载所得的收益归上传人(含作者)所有。第壹文秘仅提供信息存储空间,仅对用户上传内容的表现方式做保护处理,对上载内容本身不做任何修改或编辑。若文档所含内容侵犯了您的版权或隐私,请立即通知第壹文秘网,我们立即给予删除!