装配化装修楼地面隔墙墙面吊顶门窗厨房卫生间收纳集成构件设备及管线系统措施项目工程量清单计价标准.docx

上传人:p** 文档编号:182286 上传时间:2023-03-28 格式:DOCX 页数:15 大小:59.51KB
下载 相关 举报
装配化装修楼地面隔墙墙面吊顶门窗厨房卫生间收纳集成构件设备及管线系统措施项目工程量清单计价标准.docx_第1页
第1页 / 共15页
装配化装修楼地面隔墙墙面吊顶门窗厨房卫生间收纳集成构件设备及管线系统措施项目工程量清单计价标准.docx_第2页
第2页 / 共15页
装配化装修楼地面隔墙墙面吊顶门窗厨房卫生间收纳集成构件设备及管线系统措施项目工程量清单计价标准.docx_第3页
第3页 / 共15页
装配化装修楼地面隔墙墙面吊顶门窗厨房卫生间收纳集成构件设备及管线系统措施项目工程量清单计价标准.docx_第4页
第4页 / 共15页
装配化装修楼地面隔墙墙面吊顶门窗厨房卫生间收纳集成构件设备及管线系统措施项目工程量清单计价标准.docx_第5页
第5页 / 共15页
装配化装修楼地面隔墙墙面吊顶门窗厨房卫生间收纳集成构件设备及管线系统措施项目工程量清单计价标准.docx_第6页
第6页 / 共15页
装配化装修楼地面隔墙墙面吊顶门窗厨房卫生间收纳集成构件设备及管线系统措施项目工程量清单计价标准.docx_第7页
第7页 / 共15页
装配化装修楼地面隔墙墙面吊顶门窗厨房卫生间收纳集成构件设备及管线系统措施项目工程量清单计价标准.docx_第8页
第8页 / 共15页
装配化装修楼地面隔墙墙面吊顶门窗厨房卫生间收纳集成构件设备及管线系统措施项目工程量清单计价标准.docx_第9页
第9页 / 共15页
装配化装修楼地面隔墙墙面吊顶门窗厨房卫生间收纳集成构件设备及管线系统措施项目工程量清单计价标准.docx_第10页
第10页 / 共15页
亲,该文档总共15页,到这儿已超出免费预览范围,如果喜欢就下载吧!
资源描述

《装配化装修楼地面隔墙墙面吊顶门窗厨房卫生间收纳集成构件设备及管线系统措施项目工程量清单计价标准.docx》由会员分享,可在线阅读,更多相关《装配化装修楼地面隔墙墙面吊顶门窗厨房卫生间收纳集成构件设备及管线系统措施项目工程量清单计价标准.docx(15页珍藏版)》请在第壹文秘上搜索。

1、附录A楼地面系统A.0.1集成楼地面工程量清单项目设置、项目特征描述的内容、计量单位及工程量计算规则应按表AOl的规定执行。表AOl集成楼地面(编码:01ZPS01)项目编码项目名称项目特征计量单位工程量计算规则工作内容OlZPSOIOl集地有空楼架成面带暖L可调支架高度、材料种类2.基层(承重板、减震板)模块材料种类、规格3 .地暖模块材料种类、规格4 .平衡板材料种类、规格5 .粘结材料种类6.面层材料品种、规格、颜色7 .收口及配件m2按设计图示尺寸以面积计算。门洞、空圈、暖气包槽、壁龛的开Ll部分并入相应的工程量内。I.基层清理2.固定可调支架安装3.基层模块(承重板、减震板)安装4

2、.地暖模块安装5 .平衡板安装6 .面层安装OlZPSO102集地不空楼1地架成面带暖1 .支架高度、材料种类2 .基层(承垂板、减震板、平衡板)模块材料种类、规格3 .粘结材料种类4 .面层材料品种、规格、颜色5 .收口及配件1.基层清理2.固定可调支架安装3 .基层模块(承重板、减震板、平衡板)安装4 .面层安装续表A.0.1OlZPSO103干式集成楼地而I.基层材料种类、规格2.粘结材料种类或锁扣式连接件材料种类等3.面层材料品种、规格、颜色4.收口及配件1 .基层清理2 .面层安装A. 0.2集成踢脚线工程量清单项目设置、项目特征描述的内容、计量单位及工程量计算规则,应按表A.0.2

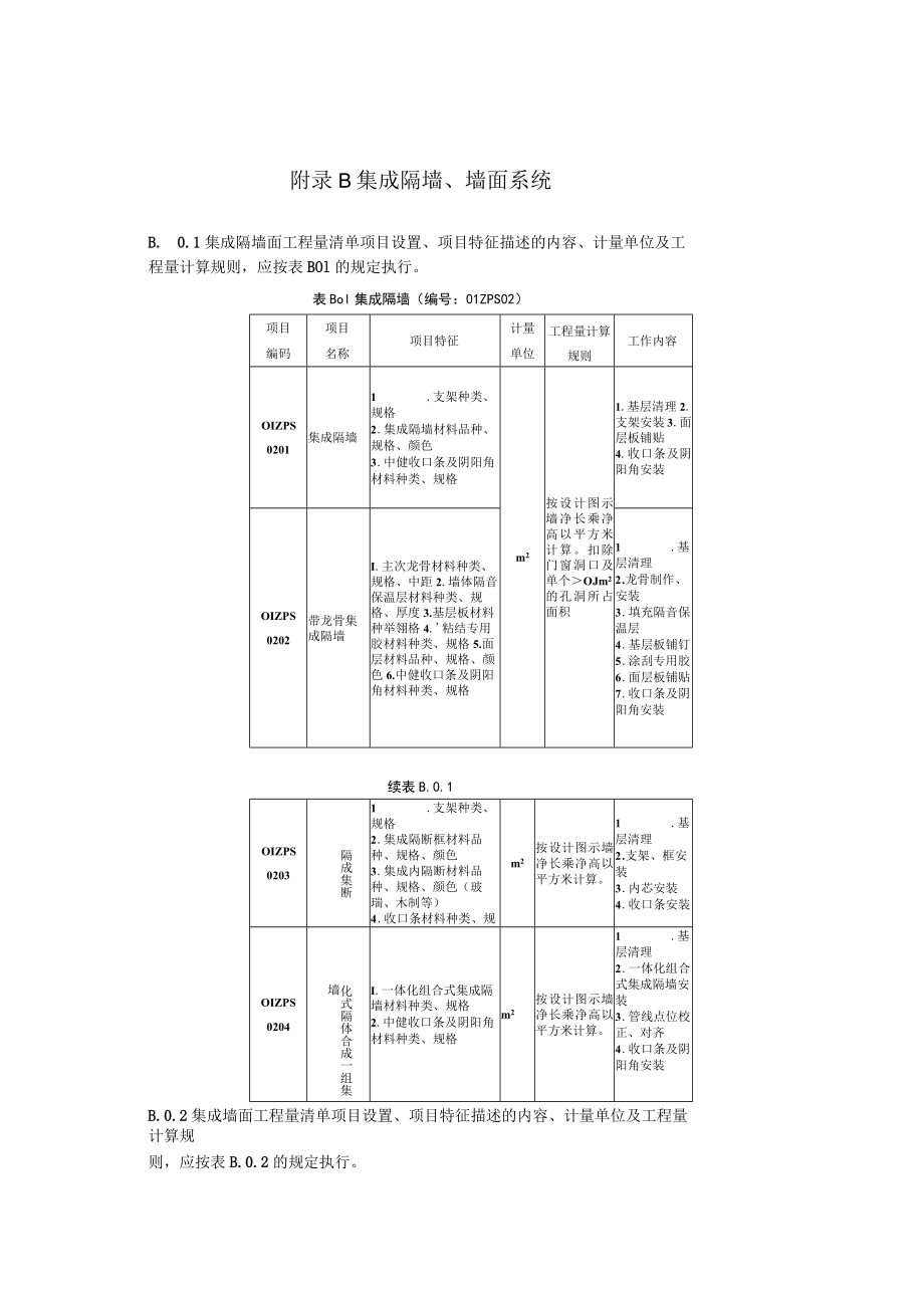
3、的规定执行。表A.0.2集成踢脚线(编码:01ZPS01)项目编码项目名称项目特征计量单位工程量计算规则工作内容OlZPSO110卡踢成式线集扣脚L踢脚线高度2 .卡件材料品种、规格、间距等3 .面层材料品种、规格、颜色m按延长米计算。1.基层清理2.卡件安装3.面层安装OlZPSO111干式铺贴踢脚线I.踢脚线高度2 .粘结材料种类等3 .面层材料品种、规格、颜色L基层清理2.面层铺贴附录B集成隔墙、墙面系统B. 0.1集成隔墙面工程量清单项目设置、项目特征描述的内容、计量单位及工程量计算规则,应按表BOl的规定执行。表Bol集成隔墙(编号:01ZPS02)项目编码项目名称项目特征计量单位工

4、程量计算规则工作内容OIZPS0201集成隔墙1 .支架种类、规格2 .集成隔墙材料品种、规格、颜色3 .中健收口条及阴阳角材料种类、规格m2按设计图示墙净长乘净高以平方米计算。扣除门窗洞口及单个OJm2的孔洞所占面积1.基层清理2.支架安装3.面层板铺贴4.收口条及阴阳角安装OIZPS0202带龙骨集成隔墙I.主次龙骨材料种类、规格、中距2.墙体隔音保温层材料种类、规格、厚度3.基层板材料种举翎格4.粘结专用胶材料种类、规格5.面层材料品种、规格、颜色6.中健收口条及阴阳角材料种类、规格1 .基层清理2 .龙骨制作、安装3 .填充隔音保温层4 .基层板铺钉5 .涂刮专用胶6 .面层板铺贴7

5、.收口条及阴阳角安装续表B.0.1OIZPS0203隔成集断1 .支架种类、规格2 .集成隔断框材料品种、规格、颜色3 .集成内隔断材料品种、规格、颜色(玻瑞、木制等)4 .收口条材料种类、规格m2按设计图示墙净长乘净高以平方米计算。1 .基层清理2 .支架、框安装3 .内芯安装4 .收口条安装OIZPS0204化式隔体合成一组集墙I.一体化组合式集成隔墙材料种类、规格2.中健收口条及阴阳角材料种类、规格m2按设计图示墙净长乘净高以平方米计算。1 .基层清理2 .一体化组合式集成隔墙安装3 .管线点位校正、对齐4 .收口条及阴阳角安装B.0.2集成墙面工程量清单项目设置、项目特征描述的内容、计

6、量单位及工程量计算规则,应按表B.0.2的规定执行。表B.0.2集成墙面(编号:OIZPSo2)项目编码项目名称项目特征计量单位工程量计算规则工作内容OlZPSO210带龙骨集成墙面L可调节墙面支架种类、据格2 .龙骨材料种类、规格、中距3 .墙体隔音保温层种举掘格4捻层板材料种类、规格5 .粘结专用胶材料种类、规格6 .百层材料品种、规格、颜色7 .中缝收口条及阴阳角材料种类、规格m2按设计图示墙净长乘净高以平方米计算.扣除门窗洞口及单个03m2的孔洞所占面积1 .基层清理2 .可调节墙面支架安装3 .龙骨制作、安装4 .填充隔音保温层5 .基层板铺钉6 .面层板铺贴7 .收口条及阴阳角安装

7、续表B.0.2OlZPSO211干式铺贴集成墙面1 .粘结材料种类等2 .面层材料品种、规格、颜色3 .中缝收口条及阴阳角材料种类、规格m2按设计图示墙净长乘净高以平方米计算。扣除门窗洞口及单个OQm2的孔洞所占面积1 .基层清理2 .面层铺贴3 .收口条及阴阳角安装OlZPSO212墙板龙成挂带集面I#1 .可调节支架种类、规格2 .龙骨材料种类、规格、中距3 .墙体隔音保温层材料种类、规格4 .挂件材料种类、规格5 .挂板材料品种、规格、颜色6 .中收口条及阴阳角材料种类、规格1 .基层清理2 .可调节支架安装3 .龙骨制作、安装4 .填充隔音保温层5 .挂件安装6 .挂板铺贴7 .收LI

8、条及阴阳角安装附录C吊顶系统c.0.1集成吊顶工程量清单项目设置、项目特征描述的内容、计量单位及工程量计算规则,应按表COl的规定执行。表COl集成吊顶(编号:01ZPS03)项目编码项目名称项目特征计量单位工程量计算规则工作内容OlZPSO301集成平吊顶I.龙骨材料种类、规格、中距2 .面层材料品种、规格3 .检修口4 .收边压条材料种类、规格m2按设计图示尺寸以水平投影面积计算1.基层清理2,吊杆、龙骨安装3 .面层安装4 .检修安装5 .收边压条安装OlZPSO302集成跌级吊顶L龙骨材料种类、规格、中距2 .面层材料品种、规格3 .跌级材料品种、规格4 .跌级高度、尺寸及个数5 .检

9、修口6 .收边压条材料种类、规格m2按设计图示尺寸以水平投影面积计算L基层清理2 .吊杆、龙骨安装3 .面层、跌级安装4;修口安装5 .收边乐条安装OlZPSO303集成软膜吊顶I.周边龙骨材料、规格2 .软膜面层材料品种、规格3 .软膜压条材料种类、规格OITr按设计图示尺寸以水平投影面积计算1.基层清理2.周边龙骨安装3.软膜张铺续表C.0.1OlZPSO304集成灯槽I.基层材料种类、规格2 .灯槽宽度、高度3 .集成灯槽材料品种、规格、颠色m按设计图示尺寸以长度计算1.基层清理2.集成灯槽安装OIZPSO305成品窗帘盒I.基层材料(龙骨、卡口等)种类、规格2.成品窗帘盒材料品种、规格

10、、颜色m或个按设计图示尺寸以m或个计算1.基层清理2.成品窗帘盒安装附录D内门窗系统D. 0.1内门窗工程量清单项目设置、项目特征描述的内容、计量单位及工程量计算规则,应按表D.1的规定执行。表D.0.I内门窗(编号:OIZPSO4)项目编码项目名称项目特征计量单位工程量计算规则工作内容OlZPSO401集成套装门(窗)系统L洞口尺寸2 .套装门(窗)框、扇材质、规格、颜色3 .隔音要求,防火等级4,玻璃质式、规格、颜色5 .J(窗)套及门头的材质、规格、颜色6 .开启方式7 .一体式纱门、窗材质、规格、颜色8 .五金配件(含锁)m2/橙按设计图示洞口尺寸以面积或“松”计算1,套装门(窗)套及

11、门头安装2.J(窗)扇安装3 .五金件安装4 .周边塞缝打胶5 .清洁OlZPSO402集成门(窗)I.洞口尺寸2 .门(窗)框扇材质、规格、颜色3 .隔音要求,防火等级4 .玻璃质式、规格、颜色5 .开启方式6 .五金配件1 .门(窗)框、扇安装2 .五金件安装3 .周边塞缝打胶4 .清洁续表DOlOlZPSO403集成纱,J(窗)I.洞口尺寸2.纱门、窗框扇材质、规格、颜色3门、窗纱材质、规格、颜色4 .开启方式5 .五金配件系统m2按设计图示洞口尺寸以面积计算L纱门(窗)框、扇安装2.五金件安装3.清洁OlZPSO404式,窗配窗、压装门I套台顶I.龙骨材料品种、规格2 .基层材料品种、

12、规格3 .粘结材料种类等4 .面层材料品种、规格、颜色5 .压(线)条材料品种、规格m2按设计图示洞口尺寸以面积计算1 .基层清理2 .龙骨安装3 .基层安装4 .面层铺贴附录E集成厨房系统E. 0.1集成厨房系统工程量清单项目设置、项目特征描述的内容、计量单位及工程量计算规则,应按表E.0.1的规定执行。表EOl集成厨房系统(编号:OlZPSO5)项目编码项目名称项目特征计量单位工程量计算规则工作内容OlZPSO501干式集成楼地I.基层材料种类、规格2 .防水材料品种、规格3 .粘结材料种类或锁扣式连接件等4 .面层材料品种、规格、颜色m2按设计图示尺寸以面积计算。门洞、空圈的开口部分并入

13、相应的工程量:内I.基层清理2 .防水安装3 .面层安装OlZPSO502干式集成墙面1 .可调节墙面支架种半iUK.2 .龙骨材料种类、规格、中距3 .墙体保温、防火层种类、规格4 .基层板材料种类、规格5 .粘结专用胶材料种类、规格6 .面层材料品种、规格、颜色7 .中收口条及阴阳角材料种类、规格m2按设计图示净长乘净高以平方米计算。扣除门窗洞口及单个0.3m?的孔洞所占面积L基层清理2.可调节墙面支架安装3.龙骨制作、安装4.基层板铺钉5 .防火层安装6 .面层板铺贴7 .收口条及阴阳角安装续表E.0.1OlZPSO503集成吊顶L龙骨材料种类、规格、中距2 .吊杆高度3 .面层材料品种、规格4 .收边压条材料种类、规格m2按设计图示尺寸以水平投膨面积计算I.基层清理2 .吊杆、龙骨安装3 .面层安装4 .收边压条OlZPSO504集成橱柜系统地柜、吊柜、高柜的门、柜体板及台面材料、规格、样式、颜色2 .拉屉及五金材料、规格3 .台面、柜体内开孔尺寸套按套计算集成橱柜系统安装附录F集成(整体)卫生间系统F. 0.1集成(整体)卫生间系统工程量清单项目设置、项目特征描述的内容、计量单位及工程量计算规则,应按表FOl的规定执行。表Fol集成

展开阅读全文
相关资源
猜你喜欢
相关搜索

当前位置:首页 > 生活休闲 > 手工制作

copyright@ 2008-2023 1wenmi网站版权所有

经营许可证编号:宁ICP备2022001189号-1

本站为文档C2C交易模式,即用户上传的文档直接被用户下载,本站只是中间服务平台,本站所有文档下载所得的收益归上传人(含作者)所有。第壹文秘仅提供信息存储空间,仅对用户上传内容的表现方式做保护处理,对上载内容本身不做任何修改或编辑。若文档所含内容侵犯了您的版权或隐私,请立即通知第壹文秘网,我们立即给予删除!