多联机空调系统运行能效与节能量测量装置的检验、实际运行制冷(热)量和耗电量计算方法.docx

上传人:p** 文档编号:184392 上传时间:2023-04-04 格式:DOCX 页数:11 大小:122.66KB
下载 相关 举报
多联机空调系统运行能效与节能量测量装置的检验、实际运行制冷(热)量和耗电量计算方法.docx_第1页
第1页 / 共11页
多联机空调系统运行能效与节能量测量装置的检验、实际运行制冷(热)量和耗电量计算方法.docx_第2页
第2页 / 共11页
多联机空调系统运行能效与节能量测量装置的检验、实际运行制冷(热)量和耗电量计算方法.docx_第3页
第3页 / 共11页
多联机空调系统运行能效与节能量测量装置的检验、实际运行制冷(热)量和耗电量计算方法.docx_第4页
第4页 / 共11页
多联机空调系统运行能效与节能量测量装置的检验、实际运行制冷(热)量和耗电量计算方法.docx_第5页
第5页 / 共11页
多联机空调系统运行能效与节能量测量装置的检验、实际运行制冷(热)量和耗电量计算方法.docx_第6页
第6页 / 共11页
多联机空调系统运行能效与节能量测量装置的检验、实际运行制冷(热)量和耗电量计算方法.docx_第7页
第7页 / 共11页
多联机空调系统运行能效与节能量测量装置的检验、实际运行制冷(热)量和耗电量计算方法.docx_第8页
第8页 / 共11页
多联机空调系统运行能效与节能量测量装置的检验、实际运行制冷(热)量和耗电量计算方法.docx_第9页
第9页 / 共11页
多联机空调系统运行能效与节能量测量装置的检验、实际运行制冷(热)量和耗电量计算方法.docx_第10页
第10页 / 共11页
亲,该文档总共11页,到这儿已超出免费预览范围,如果喜欢就下载吧!
资源描述

《多联机空调系统运行能效与节能量测量装置的检验、实际运行制冷(热)量和耗电量计算方法.docx》由会员分享,可在线阅读,更多相关《多联机空调系统运行能效与节能量测量装置的检验、实际运行制冷(热)量和耗电量计算方法.docx(11页珍藏版)》请在第壹文秘上搜索。

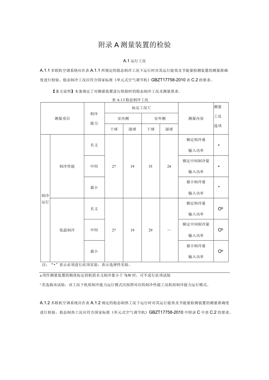
1、附录A测量装置的检验A.1运行工况A.1.1多联机空调系统应在表A.1.1所规定的稳态制冷工况下运行时对其运行能效及节能量检测装置的测量准确度进行检验。稳态制冷工况应符合国家标准单元式空气调节机GBZT17758-2010表C.2的要求。【条文说明】本条规定了对测量装置进行检脸时的稳态制冷工况及测量要求。表A.1.I稳态制冷工况测量项目制冷能力标定工况测量内容测量工况选项室内侧室外侧干球湿球干球湿球制冷运行制冷性能名义27193524额定制冷量输入功率中间额定中间制冷量输入功率最小最小制冷量输入功率*低温制冷名义271929额定制冷量输入功率Ob中间额定中间制冷量输入功率Ob最小最小制冷量输入

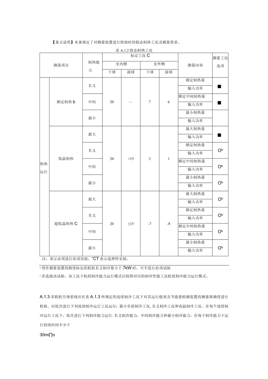
2、功率Ob注:“”表示必须进行此项实验,表示选择性实验。a用作测量装置的精度标定的机组名义制冷量小于7kW时,可不进行此项试验b若选做该试验,该工况下机组制冷能力运行模式应按照对应的制冷性能工况机组制冷能力运行模式。A.1.2多联机空调系统应在表A.1.2规定的稳态制热工况下运行时对其运行能效及节能量检测装置的测量准确度进行检验。稳态制热工况应符合国家标准单元式空气调节机GBZT17758-2010中附录C中表C.2的要求。【条文说明】本条规定了对测量装置进行检验时的稳态制热工况及测量要求。表A.1.2稳态制热工况测量项目制热能力标定工况C测量内容测量工况选项室内侧室外侧干球湿球干球湿球制热运行

3、额定制热b名义2076额定制热量输入功率中间额定中间制热量输入功率最小最小制热量输入功率低温制热最大205,且等端压缩效率SemVO.8时,应采用压缩机能量平衡法(CEC法)计算多联机空调系统的制冷(热)量。当吸气过热度57;“CaW5,或等燧压缩效率小208时,应采用容积效率法(CVE法)计算多联机空调系统的制冷(热)量。Wg及植Mn应按下列公式计算:suc,sh=T1-Tual(B.I-D%is-九小二十丁(B122)注:等嫡压缩过程对应的制冷剂排气始值历田由压缩机排气压力和吸气篇值联合计算得到。气液分离器制冷剂进口温度A(或气液分离器制冷剂进口温度)、压缩机排气管温度73(或油分离器出口

4、温度)及室外机换热器制冷剂进(制热)出(制冷)口温度公应按照中国工程建设标准化协会标注多联机空调系统改造技术规程T/CECS910-2021MB.3.1条的规定进行修正。【条文说明】本条规定了采用“压缩机能量平衡-容积效率测量法”计算多联机系统实际运行制冷(热)量时的计算方法判断准则。当吸气过热度37:皿.励5,且等炳压缩效率机,mV0.8时,压缩机吸气口的制冷剂处于“吸气过热”状态,采用压缩机能量平衡法能够高精度地测量多联机空调系统的制冷(热)量,同时该工况数据可纳入压缩机容积效率的计算修正数据集。当吸气过热度57;“CRW5,或等埔压缩效率小WW20.8时,压缩机吸气口的制冷剂处于“吸气两

5、相”状态,此时由于压缩机吸气口制冷蛤值无法准确确定,导致能量平衡法易产生偏差,故此时根据压缁机排气状态和修正后的容积效率确定的吸气状态点,采用容积效率法计算多联机空调系统的制冷(热)量。8.1.2 采用压缩机能量平衡法(CEC)计算多联机空调系统实际运行制冷(热)量,应符合下列规定:1常规热泵型多联机空调系统,某一段时间的累计制冷量CCC应按下式计算:NCCC= -(丸)3.6106xjh3-hXTi3.61062常规热泵型多联机空调系统,某一段时间的累计制热量C/7C应按下式计算:CHC=(-)+3.6106E,z,.-L3.6106(B.1.2-2)3带过冷却支路的多联机空调系统,某一段时间的累计制冷量CCC计算方法与常规热泵型多联机空调系统相同;4带过冷却支路的多联机空调系统,某一段时间的累计制热量CWC应按下式计算:CHC=/3.6106Ezn,(-11)+i3.6106(B.1.2-3)5对于带喷射支路热泵型多联机空调系统,某一段时间的累计制冷量CCC应按下式计算:弋(仅。加-2M”)(,3一姐也一片)3.6xl()6gJ海(&-色)+他-,13乂*5-%) Ti 73.6106(B.1.2-4)6对于带喷射支路热泵型

展开阅读全文
相关资源
猜你喜欢
相关搜索

当前位置:首页 > 行业资料 > 能源与动力工程

copyright@ 2008-2023 1wenmi网站版权所有

经营许可证编号:宁ICP备2022001189号-1

本站为文档C2C交易模式,即用户上传的文档直接被用户下载,本站只是中间服务平台,本站所有文档下载所得的收益归上传人(含作者)所有。第壹文秘仅提供信息存储空间,仅对用户上传内容的表现方式做保护处理,对上载内容本身不做任何修改或编辑。若文档所含内容侵犯了您的版权或隐私,请立即通知第壹文秘网,我们立即给予删除!