电梯使用安全规范化管理相关记录表格.docx

上传人:p** 文档编号:185901 上传时间:2023-04-04 格式:DOCX 页数:19 大小:63.60KB
下载 相关 举报
电梯使用安全规范化管理相关记录表格.docx_第1页
第1页 / 共19页
电梯使用安全规范化管理相关记录表格.docx_第2页
第2页 / 共19页
电梯使用安全规范化管理相关记录表格.docx_第3页
第3页 / 共19页
电梯使用安全规范化管理相关记录表格.docx_第4页
第4页 / 共19页
电梯使用安全规范化管理相关记录表格.docx_第5页
第5页 / 共19页
电梯使用安全规范化管理相关记录表格.docx_第6页
第6页 / 共19页
电梯使用安全规范化管理相关记录表格.docx_第7页
第7页 / 共19页
电梯使用安全规范化管理相关记录表格.docx_第8页
第8页 / 共19页
电梯使用安全规范化管理相关记录表格.docx_第9页
第9页 / 共19页
电梯使用安全规范化管理相关记录表格.docx_第10页
第10页 / 共19页
亲,该文档总共19页,到这儿已超出免费预览范围,如果喜欢就下载吧!
资源描述

《电梯使用安全规范化管理相关记录表格.docx》由会员分享,可在线阅读,更多相关《电梯使用安全规范化管理相关记录表格.docx(19页珍藏版)》请在第壹文秘上搜索。

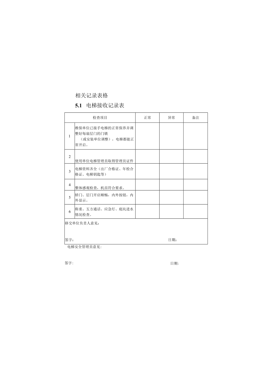
1、相关记录表格5.1 电梯接收记录表检查项目正常异常备注1维保单位已接手电梯的正常保养并调整好每扇层门的门锁(或安装单位调整),电梯都能正常开启。2使用单位电梯管理员取得管理员证件3电梯资料齐全(出厂合格证、年检合格证、电梯钥匙等)4整体感观检查,机房符合要求。5轿门、层门开启顺畅,内外按钮,内外显示。6称重、五方通话、应急灯、底坑进水情况检查。移交单位负责人意见:签字:日期:电梯安全管理员意见:日期:签字:安全管理负责人意见:签字:日期:5.2 电梯设备资料移交清单工程名称#电梯合同编号移交日期开工日期竣工日期序号移交资料名称数量备注1开工告知书份2随机图样图册份3安装维护使用说明书份验收检验

2、报告份5电梯安全部件型式试验合格证份6特种设备注册登记表份7电梯安装监督检验报告份8产品出厂合格证份9产品合格证份施工单位产权单位使用管理单位移交人:见证人:接收人:(盖章)(盖章)(盖章)年月日年月日年月日5.3电梯设备清单序号安装位置造位制单设备型号出厂编号额定载重量(Kg)额定速度(ms)层/站注册代码使用登记证编号96333识别码维保单位检验日期5.4 电梯日常巡检记录项目名称:楼号:电梯编号:检查时间:年 月检查项目检查标准123456789101112131415厅门锁闭正常,门镣标识完好,照明良好外白、上下显示正常警示标识齐全、消防装置完好装饰品完好轿厢内轿厢与地炊平层度良好地坎

3、清洁无杂物光幕、防止门夹人装St有效无异常声音照明、楼层晶示正常楼层按键、报警装园完好检脸标志有效,乘梯须知完好房无房梯检此J机I机电不衣项环境温度(5-40匕)机房卫生清洁、照明正常门、窗关闭完好专用盆车袋置齐全楼梯、护栏完好消防器材完好换气炮运行正常戋引机运行正常保养时间推报单位第一次保养时间:检杳人员签字:电梯安全管理员确认:检查项目桧查标准123456789101112131415缶注1.检杏符合标准打“J2.枪杳异常打“X”3.其他事项说明:5.5 电梯维保质量检查表项目名称:检查时间:序号工作内容检查内容未执行项1维保要求维保单位未编制保养计划。每15天未对电梯进行清洁、润泡、检查

4、、调整.保养记录不齐全、不完整,填写不规范。发现电梯故障或隐患不按约定时间及时处理,。各台电悌每月故障率控制在2次以内“2电梯安全控制系统,戈引机等附件维修保养。每月未对电梯安全控制系统检杳保养。每月未对曳引机的润滑油油质、油位检杳,钢丝绳检查。电梯保养存在违章操作。未检查紧固曳引机底座和箱体螺栓及曳引机清洁。涧滑油缺少未及时添加。3厢境机井轿环要梯,、部洁:电房道顶整求电梯机房、辅厢顶部环境卫生不清洁。电梯平层标示不齐全,或不准确.电梯电源控制柜内线头裸漏凌乱,灰尘较大。电梯井道照明及电梯轿厢内应急灯损坏未维修。4电梯安全运行.理.电梯进行保养检修时,未在电梯厅门前和电梯轿用内放置“电梯正在

5、检修,请勿使用”告示牌。电梯突发故障时,维保单位未按合同规定时间到达现场进行维修处理。维保单位未按合同要求进行电梯困人救援预案演练。电梯运行因维保不力遭到业主投诉。5配备专业维修人员,严格执行维修保养规程。电梯维保人员不配合项目电梯安全管理员日常保养质量的监督检查。电梯维保人员未统一着装,佩戴标志进行现场作业。电梯维保人员未按照维保合同要求,及时更换合同范用内的易损配件。维保人员保养时未按要求做好自身安全措施“本次保养设缶编号:维保单位保养人签字确认:安全管理人员签字确认:日期:日期:5.6 电梯故障维修记录填表时间:年月日设备所属项目设备注册登记编号设备具体位置设备型号故障现象维修单位维修单

6、位负贲人故障时间维修开始时间维修结束时间故障原因、分析及维修过程记录维修结果维修人电梯安全管理员5.7 电梯安全隐患排查月报表建档生产使用单位:序号息源信来安全隐患存在部门或区域(小区)患置隐位设备名称设备使用登记证号安全隐患的现状及其产生原因安全隐患查出时间检查人员整改措施、责任资金、时限和保障预案安全隐患整改动态情况整改落实责任人实际整改完成时间单位负责人:电梯安全管理负责人:填报人:联系电话:填报日期:年月日注1:特种设省安全皓忠统计原则:设得的不安全状态按台件进行计算,每一台件存在的不安全状态总和视作一条安全隐患:人的不安全行为和管理上的缺陷按本单位有违反相关法律、法规、规章、安全技术

7、规范、标准和单位的各项安全管理制度的规定进行统计,每存在一个违反相关规定的,即为一条安全隐患.注2:信息来源:按照生产使用总位自查,检验检测机构反馈,第三方监督抽查机构反馈,96333监控中心反馈,镇政府(街办)反馈,有关行业管理部门反馈,区县市场监管局、市质监相关分局现场监督检查反馈,投诉举报反映,新闻媒体报道,上级批示督办等填写。5.8 电梯及所属附件报废记录填表时间:年月日设备所属项目设备注册登记编号设备具体位置报废部件名称报废部件规格型号电梯生产厂家电梯现状报废原因特种设备检验机构安全评估结论电梯安全管理人员部门经理总经理姓名所属项目持证代号持证有效期培训人考核人培训时间考核时间考核方

8、式培训内容考核成绩考核人(签字):5.10 电梯应急救援演练记录演练地点西安国际港务区演练日期演练目的演练电梯编号维保单位轿内紧急报警口无口有但失效有效有报警电话号码无报警电话号码模拟电梯事故口困人事故挤压事故口坠落事故剪切事故应急救援单位使用单位电梯作业人员持证口无证模拟事故发生时间时分通知维保单位时间时分物业单位接报时间时分维保单位到达时间时分应急救援开始时间时分应急救援完成时间时分应急救援情况:电梯事故原因及排除情况:救援操作人员演练讲评:演练日期:演练总指挥(签字):填报项目(章):填报人(签名):5.11 电梯事故上报及处理记录表填报时间:填报人联系电话:事故发生单位名称维保单位事故

9、发生时间年月日时分事故发生地点西安国际港务区事故类型困人口踮底口冲顶口人员坠落口夹人口其它()设备类型设备型号设备参数额定速度m/s敦重kg层/站/伤亡情况死亡()人:伤亡()人:被困人数():困人时间()事故类别经济损失万元事故(事件)概况初步原因判断和已经采取的措施事故报告签发意见:签发人:年月日时分类别安全技术档案内容集理收管保存期限备注设计资料招投标文件长期设备销售合同及技术附件长期电梯上建布置图长期制造资料电梯制造许可证明文件长期电梯整机型式试验合格证书或报告书长期单台电梯产品质地证明文件及附件长期单台电梯安全保护装置和主要部件的里式试验合格证长期单台电梯限速器和渐进式安全钳的调试证节长期电梯机房及井道布置图(CAD图)长期电梯电气原理图或接线图长期电梯安装、使用、维护说明书长期安装资料制造授权委托文件、安装许可证和安装告知书长期施工方案,审批手续齐全K期施工过程记录长期施工变更设计证明文件长期自检报告及质量证明文件长期安装监督检险报告长期造大理料改重修资制造单位或其授权单位资质证书(授权文件),改造或重大修理告知书长期改

展开阅读全文
相关资源
猜你喜欢
相关搜索

当前位置:首页 > 管理/人力资源 > 人事档案

copyright@ 2008-2023 1wenmi网站版权所有

经营许可证编号:宁ICP备2022001189号-1

本站为文档C2C交易模式,即用户上传的文档直接被用户下载,本站只是中间服务平台,本站所有文档下载所得的收益归上传人(含作者)所有。第壹文秘仅提供信息存储空间,仅对用户上传内容的表现方式做保护处理,对上载内容本身不做任何修改或编辑。若文档所含内容侵犯了您的版权或隐私,请立即通知第壹文秘网,我们立即给予删除!