(6)模板分项工程(现浇结构模板安装)检验批质量验收记录.docx

上传人:p** 文档编号:198156 上传时间:2023-04-16 格式:DOCX 页数:1 大小:24.23KB
下载 相关 举报
(6)模板分项工程(现浇结构模板安装)检验批质量验收记录.docx_第1页
第1页 / 共1页
亲,该文档总共1页,全部预览完了,如果喜欢就下载吧!
资源描述

《(6)模板分项工程(现浇结构模板安装)检验批质量验收记录.docx》由会员分享,可在线阅读,更多相关《(6)模板分项工程(现浇结构模板安装)检验批质量验收记录.docx(1页珍藏版)》请在第壹文秘上搜索。

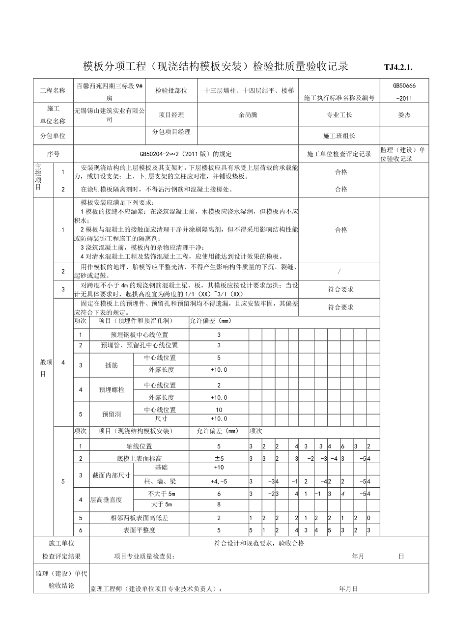
1、TJ4.2.1.模板分项工程(现浇结构模板安装)检验批质量验收记录工程名称百馨西苑四期三标段9#房检验批部位十三层墙柱、十四层结平、楼梯施工执行标准名称及编号GB50666-2011施工单位名称无锡锡山建筑实业有限公司项目经理余尚腾专业工长娄杰分包单位分包项目经理施工班组长序号GB50204-22(2011版)的规定施工单位检查评定记录监理(建设)单位验收记录主控项目1安装现浇结构的上层模板及其支架时,下层楼板应具有承受上层荷载的承载能力,或加设支架;上、卜.层支架的立柱应对准,并铺设垫板。合格2在涂刷模板隔离剂时,不得沾污钢筋和混凝土接槎处。合格般项目1模板安装应满足下列要求:1模板的接缝不

2、应漏浆:在浇筑混凝土前,木模板应浇水湿润,但模板内不应积水;2模板与混凝土的接触面应清理干净并涂刷隔离剂,但不得采用影响结构性能或防碍装饰工程施工的隔离剂;3浇筑混凝土前,模板内的杂物应清理干净:4对清水混凝土工程及装饰混凝土工程,应使用能达到设计效果的模板。合格2用作模板的地坪、胎模等应平整光洁,不得产生影响构件质量的下沉、裂缝、起砂或起鼓。/3对跨度不小于4m的现浇钢筋混凝土梁、板,其模板应按设计要求起拱;当设计无具体要求时,起拱高度宜为跨度的1/1(XX)3/I(XX)符合要求4固定在模板上的预埋件、预留孔和预留洞均不得遗漏,且应安装牢固,其偏差应符合下表的规定。符合要求项次项目(预埋件

3、和预留孔洞)允许偏差(mm)1预埋钢板中心线位置32预埋管、预留孔中心线位置33插筋中心线位置5外露长度+10.04预埋螺栓中心线位置2外露长度+10.05预留洞中心线位置10尺寸+10.05项次项目(现浇结构模板安装)允许偏差(mm)项次1轴线位置532243346322底模上表面标高53323-2-3-43-543截面内部尺寸基础+10柱、墙、梁+4,-53-34-12-422-544层高垂直度不大于5m63-2341-134-54大于5m85相邻两板表面高低差212221221206表面平整度55124345323施工单位检查评定结果符合设计和规范要求,验收合格项目专业质量检查员:年月日监理(建设)单代验收结论监理工程师(建设单位项目专业技术负责人):年月日

展开阅读全文
相关资源
猜你喜欢
相关搜索

当前位置:首页 > 建筑/环境 > 工程监理

copyright@ 2008-2023 1wenmi网站版权所有

经营许可证编号:宁ICP备2022001189号-1

本站为文档C2C交易模式,即用户上传的文档直接被用户下载,本站只是中间服务平台,本站所有文档下载所得的收益归上传人(含作者)所有。第壹文秘仅提供信息存储空间,仅对用户上传内容的表现方式做保护处理,对上载内容本身不做任何修改或编辑。若文档所含内容侵犯了您的版权或隐私,请立即通知第壹文秘网,我们立即给予删除!