3轮廓标(设置于土中)施工记录919.docx

上传人:p** 文档编号:200340 上传时间:2023-04-16 格式:DOCX 页数:2 大小:32.51KB
下载 相关 举报
3轮廓标(设置于土中)施工记录919.docx_第1页
第1页 / 共2页
3轮廓标(设置于土中)施工记录919.docx_第2页
第2页 / 共2页
亲,该文档总共2页,全部预览完了,如果喜欢就下载吧!
资源描述

《3轮廓标(设置于土中)施工记录919.docx》由会员分享,可在线阅读,更多相关《3轮廓标(设置于土中)施工记录919.docx(2页珍藏版)》请在第壹文秘上搜索。

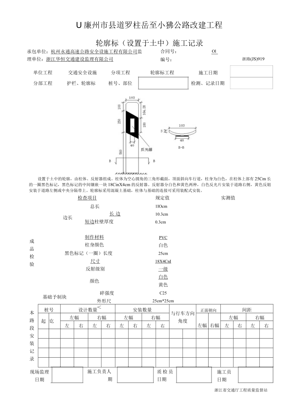
U廉州市县道罗柱岳至小狒公路改建工程轮廓标(设置于土中)施工记录承包单位:杭州永通高速公路安全设施工程有限公司监理单位:浙江华恒交通建设监理有限公司合同号:编号:Ol浙路(JS)919单位工程交通安全设施分项工程轮廓标工程施工日期分部工程护栏、轮廓标桩号、部位检测、记录日期设置于土中的轮廓,由柱体、反射器组成。柱体为空心圆角的三角形截面,顶面斜向车行道,柱身为白色,在柱体上部有25Cm长的一圈黑色标记,黑色标记的中间镶嵌一块18CinX4cm的反射器。反射器分白色和黄色两种,白色反光片安装于道路右侧,黄色反姐安装于道路左侧或中央分隔带上。轮廓标采用混凝土基础,柱体与基础的连接可采用装配式安装。检查项目总长边长长边短边柱壁厚度规定值1IOcm10.3cm0.3cm实测值成品检验制作材料柱身颜色黑色标记(一圈)长度尺寸反射级别颜色PVC白色25cm18X4CnI一级白色黄色C2525cm*25cm本路段安装记录桩号设计数量安装数量与行车方向角度正面朝向间距起讫左幅右幅左幅右幅左幅右幅左幅右幅左右左右左右左右左右左右碎强度基础予制块外形尺施工负责人现场监理日期期质检员日期施工员日期浙江省交通厅工程质量监督站

展开阅读全文
相关资源
猜你喜欢
相关搜索

当前位置:首页 > 建筑/环境 > 施工组织

copyright@ 2008-2023 1wenmi网站版权所有

经营许可证编号:宁ICP备2022001189号-1

本站为文档C2C交易模式,即用户上传的文档直接被用户下载,本站只是中间服务平台,本站所有文档下载所得的收益归上传人(含作者)所有。第壹文秘仅提供信息存储空间,仅对用户上传内容的表现方式做保护处理,对上载内容本身不做任何修改或编辑。若文档所含内容侵犯了您的版权或隐私,请立即通知第壹文秘网,我们立即给予删除!