5.10.7综合楼C轴4-7轴段钢筋加工工程检验批质量验收记录.docx

上传人:p** 文档编号:200370 上传时间:2023-04-16 格式:DOCX 页数:2 大小:24.98KB
下载 相关 举报
5.10.7综合楼C轴4-7轴段钢筋加工工程检验批质量验收记录.docx_第1页
第1页 / 共2页
5.10.7综合楼C轴4-7轴段钢筋加工工程检验批质量验收记录.docx_第2页
第2页 / 共2页
亲,该文档总共2页,全部预览完了,如果喜欢就下载吧!
资源描述

《5.10.7综合楼C轴4-7轴段钢筋加工工程检验批质量验收记录.docx》由会员分享,可在线阅读,更多相关《5.10.7综合楼C轴4-7轴段钢筋加工工程检验批质量验收记录.docx(2页珍藏版)》请在第壹文秘上搜索。

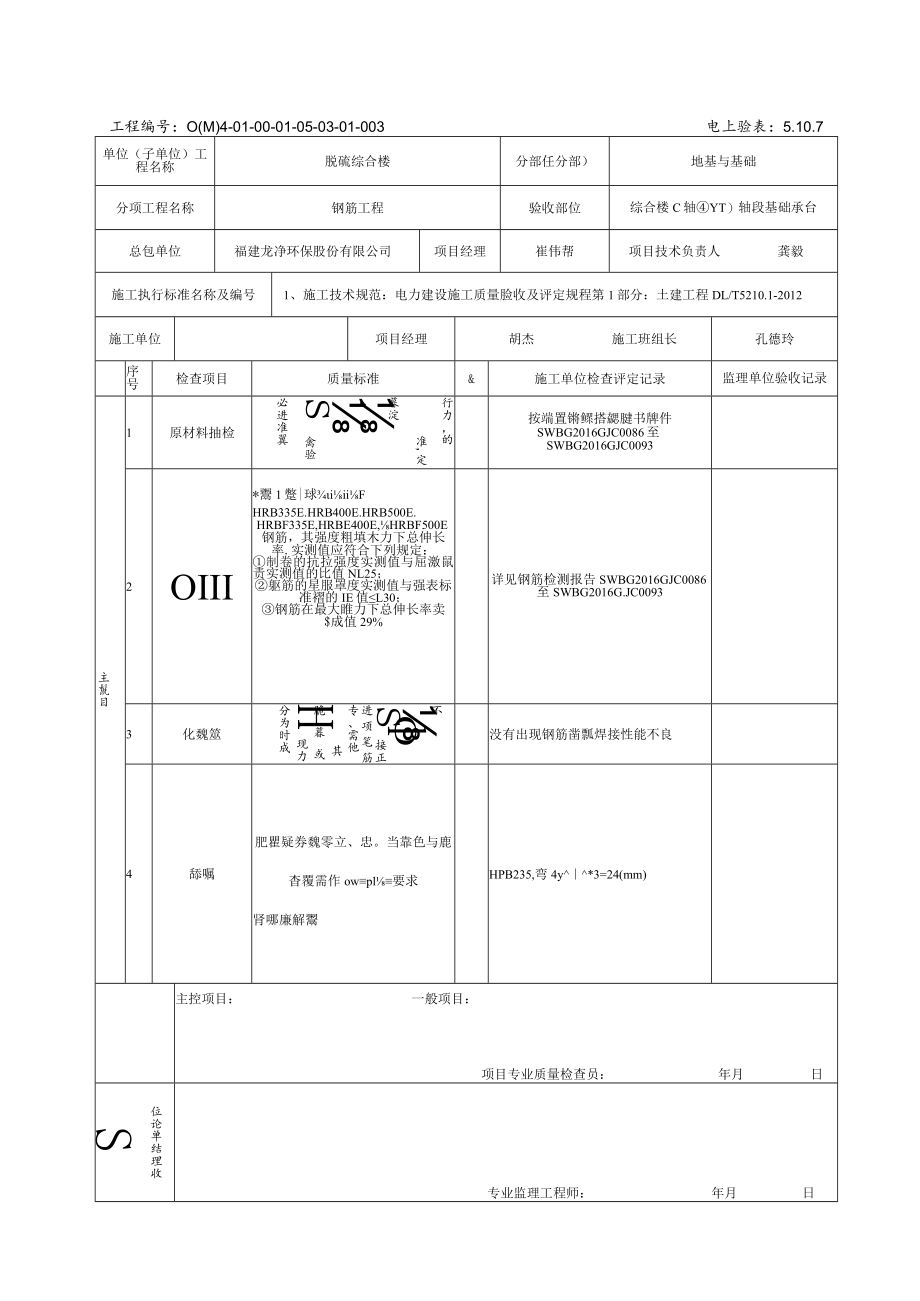
1、工程编号:O(M)4-01-00-01-05-03-01-003电上验表:5.10.7单位(子单位)工程名称脱硫综合楼分部任分部)地基与基础分项工程名称钢筋工程验收部位综合楼C轴YT)轴段基础承台总包单位福建龙净环保股份有限公司项目经理崔伟帮项目技术负责人龚毅施工执行标准名称及编号1、施工技术规范:电力建设施工质量脸收及评定规程第1部分:土建工程DL/T5210.1-2012施工单位项目经理胡杰施工班组长孔德玲序号检查项目质量标准&施工单位检查评定记录监理单位验收记录主鬣目1原材料抽检行力,的准,定暮淀s禽验必进准翼按端置锵鳏搭勰腱书牌件SWBG2016GJC0086至SWBG2016GJC0

2、0932OIII*鬻1蹩|球iiiFHRB335E.HRB400E.HRB500E.HRBF335E,HRBE400E,HRBF500E钢筋,其强度粗填木力下总伸长率.实测值应符合下列规定:制卷的抗拉强度实测值与屈激鼠责实测值的比值NL25;躯筋的星服罩度实测值与强表标准褶的IE值L30;钢筋在最大睢力下总伸长率卖$成值29%详见钢筋检测报告SWBG2016GJC0086至SWBG2016G.JC00933化魏筮不s接正进项笔筋专、需他其脆暮或H现力,分为时成没有出现钢筋凿瓢焊接性能不良4舔嘱肥瞿疑券魏零立、忠。当靠色与鹿杳覆需作owpl要求肾哪廉解鬻HPB235,弯4y*3=24(mm)主控

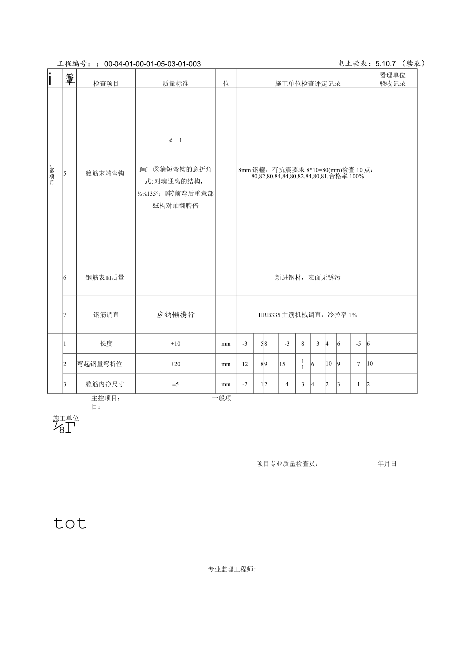
3、项目:一般项目:项目专业质量检查员:年月日位论单结理收S专业监理工程师:年月日i簟检查项目质量标准位施工单位检查评定记录器理单位骁收记录、塞项目5籁筋末端弯钩1ff箍短弯钩的意折角式;对魂通离的结构,135;转前弯后重意部&构对岫翻聘倍8mm钢箍,有抗震要求8*10=80(mm)检查10点:80,82,80,84,84,80,82,84,80,81,合格率100%6钢筋表面质量新进钢材,表面无锈污7钢筋调直应钠懒携行HRB335主筋机械调直,冷拉率1%1长度10mm-358-38346-562弯起钢量弯折位+20mm1289151161097103籁筋内净尺寸5mm-2124342312工程编号:00-04-01-00-01-05-03-01-003主控项目:一般项目:电土验表:5.10.7 (续表)施工单位项目专业质量检查员:年月日tot专业监理工程师:

展开阅读全文
相关资源
猜你喜欢
相关搜索

当前位置:首页 > 建筑/环境 > 施工组织

copyright@ 2008-2023 1wenmi网站版权所有

经营许可证编号:宁ICP备2022001189号-1

本站为文档C2C交易模式,即用户上传的文档直接被用户下载,本站只是中间服务平台,本站所有文档下载所得的收益归上传人(含作者)所有。第壹文秘仅提供信息存储空间,仅对用户上传内容的表现方式做保护处理,对上载内容本身不做任何修改或编辑。若文档所含内容侵犯了您的版权或隐私,请立即通知第壹文秘网,我们立即给予删除!