QLYHS0005S-2022良友海狮企标:葵花籽油(A类).docx

上传人:p** 文档编号:200957 上传时间:2023-04-16 格式:DOCX 页数:6 大小:27.92KB
下载 相关 举报
QLYHS0005S-2022良友海狮企标:葵花籽油(A类).docx_第1页
第1页 / 共6页
QLYHS0005S-2022良友海狮企标:葵花籽油(A类).docx_第2页
第2页 / 共6页
QLYHS0005S-2022良友海狮企标:葵花籽油(A类).docx_第3页
第3页 / 共6页
QLYHS0005S-2022良友海狮企标:葵花籽油(A类).docx_第4页
第4页 / 共6页
QLYHS0005S-2022良友海狮企标:葵花籽油(A类).docx_第5页
第5页 / 共6页
QLYHS0005S-2022良友海狮企标:葵花籽油(A类).docx_第6页
第6页 / 共6页
亲,该文档总共6页,全部预览完了,如果喜欢就下载吧!
资源描述

《QLYHS0005S-2022良友海狮企标:葵花籽油(A类).docx》由会员分享,可在线阅读,更多相关《QLYHS0005S-2022良友海狮企标:葵花籽油(A类).docx(6页珍藏版)》请在第壹文秘上搜索。

1、本文件按照GB/TE1-2020标准化工作导则第1部分:标准化文件的结构和起草规则的规定起草。本文件在制定过程中主要参考了GB2716食品安全国家标准植物油、GB2761食品安全国家标准食品中真菌毒素限量、GB2762食品安全国家标准食品中污染物限量、GB/T10464葵花籽油的规定。本文件由上海良友海狮油脂实业有限公司提出并归口。本文件起草单位:上海良友海狮油脂实业有限公司。本文件的主要起草人:顾斌、张俊、陈艳、蔡郁峰。本文件为首次发布。葵花籽油(A类)1范围本文件规定了葵花籽油的术语和定义、技术要求、检验规则、标签、标志、包装、贮存和运输。本文件适用于以葵花籽为原料,经或不经蒸、煮、炒等加

2、热工艺产香,经压榨工艺制取,经精炼(如脱胶、脱酸、脱水、脱色、脱臭、脱蜡等)工艺中的全部或部分工序加工而成的可食用葵花籽油(以下简称“产品”)。本文件同时适用于以压榨葵花籽原油为原料,经精炼(如脱胶、脱酸、脱水、脱色、脱臭、脱蜡等)工艺中的全部或部分工序加工而成的可食用葵花籽油(以下简称“产品”)。2规范性引用文件下列文件中内容通过文中的规范性引用而构成本文件必不可少的条款。其中,注日期的引用文件,仅该日期对应的版本适用于本文件;不注日期的引用文件,其最新版本(包括所有的修改单)适用于本文件。3术语和定义下列术语和定义适用于本文件。3. 1压榨葵花籽油葵花籽经蒸炒或焙炒处理后利用机械压力挤压制

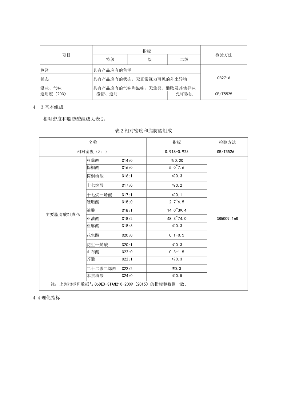
3、取的或再经精炼生产的符合本标准质量指标的油品的统称。注,其中,全部剥壳脱皮、色选的葵花仁经焙炒、蒸炒等处理后,采用压榨法制取的油品可称为压榨葵花仁油。4技术要求4.1原辅料要求4.1.1 葵花籽应符合GB19641的规定。4.1.2 葵花籽原油应符合GB2716的规定。4.1.3 其他原辅料应符合相应的食品标准或相关规定。4. 2感官要求项目指标检验方法特级一级二级色泽具有产品应有的色泽GB2716状态具有产品应有的状态,无正常视力可见的外来异物滋味、气味具有产品应有的气味和滋味,无焦臭、酸败及其他异味透明度(20C)澄清、透明允许微浊GB/T55254. 3基本组成相对密度和脂肪酸组成见表2

4、。表2相对密度和脂肪酸组成名称指标检验方法相对密度($:)0.918-0.923GB/T5526豆蔻酸C14:00.20棕桐酸C16:05.07.6棕桐油酸C16:l0.3十七烷酸C17:00.2十七烷一烯酸C17:l0.1硬脂酸C18:02.76.5主要脂肪酸组成/%油酸C18:l14.039.4亚油酸C18:248.374.0GB5009.168亚麻酸C18:30.3花生酸C20:0O.1-0.5花生一烯酸C20:l0.3山布酸C22:0O.3-1.5芥酸C22:l0.3二十二碳二烯酸C22:2WO.3木焦油酸C24:00.5注:上列指标和数据与CoDEX-STAN210-2009(201

5、5)的指标和数据一致。4.4理化指标表3理化指标项目指标检验方法特级一级二级酸价(KoH)/(mgg)1.51.52.5GB5009.229过氧化值/(g100g)0.25GB5009.227溶剂残留量/(mgkg)不得检出GB5009.262维丝素E(用-生育酚当量表示)mg100g245GB5009.82,溶剂残留量检出值小于IOmgZkg时,视为未检出。4. 5真菌毒素限量黄曲霉毒素R应符合表4的要求,其他真菌毒素限量应符合GB2761的规定。表4真菌毒素限量项目限量/(gkg)检验方法特级二级黄曲霉毒素R8.0GB5009.224.6 污染物限量苯并(a)花应符合表5的规定,其他污染物

6、限量应符合GB2762的规定。表5污染物限量项目限量/(gkg)检验方法特级苯并(a)花8.0GB5009.274.7 农药残留限量农药残留限量应符合GB2763的规定。4.8 食品添加剂产品中不允许使用食品添加剂。4.9 塑化剂最大残留量邻苯二甲酸二(2-乙基)己酯(DEHP)、邻苯二甲酸二异壬酯(DINP)和邻苯二甲酸二正丁酯(DBP)最大残留量应符合表6要求。表6塑化剂最大残留量项目最大残留量/(mgkg)检验方法特级一级二级邻苯二甲酸二(2-乙基)己酯(DEHP)1.4GB5009.271邻苯二甲酸二异壬酯(DlNP)9.0邻苯二甲酸二正丁酯(DBP)WO.34.10 净含量按国家质量

7、监督检验检疫总局2005第75号令定量包装商品计量监督管理办法和JJFIO70执行。4.11 生产加工过程的卫生要求应符合GB8955和GB14881的规定。5检验规则4.12 批和抽样以同一生产口期的产品为一个产品批次,抽样方法按照GB/T5524的要求执行。4.13 厂检验5. 2.1应逐批检验,并出具检验报告。5. 2.2出厂检验项目应包括感官要求、酸价、过氧化值、溶剂残留量。5. 2.3溶剂残留量可使用每批或每罐成品油的检测结果作为出厂检验结果.5.6 型式检验5. 3.1在正常情况下,每年至少进行一次型式试验。当有下列情况之一时需进行型式检验:a)设备进行初次生产、更换设备或停产一年

8、再恢发生产时。b)原料、工艺有较大变化时。c)监督管理部门提出要求时。6. 3.2按感官要求、基本组成、理化指标、真菌毒素限量、污染物限量、农药残留限量、塑化剂最大残留量的规定检测。5.7 判定规则5.4.1出厂检验结果:出厂检验有不合格的项目,允许加倍抽样复验,仍有一项不合格,则判定该批产品不合格。5.4.2型式检验结果:有一项不合格,即判定为该型式检验为不合格。5. 4.3定量包装净含量判定:按国家质量监督检验检疫总局令2005第75号第九条执行。净含量不合格,则判定该检验不合格。6标签、标志、包装、贮存和运输6. 1标签1.1.1 预包装产品标签应符合GB7718、GB28050的规定。

9、1.1.2 产品名称:根据术语和定义内容标注产品名称。1.1.3 应在包装或随行文件上标识加工工艺。6.2 标志包装储运图示标志应符合GB/T191的规定。6.3 包装6.3.1塑料袋/复合塑料袋(食品接触用)应符合GB4806.1、GB4806.7和GB9683的规定。6.3.2聚对苯二甲酸乙二醇酯(PET)食用油瓶应符合GB4806.1和GB4806.7的规定。6.3.3其他包装材料应符合GB4806.1和其他有关标准及规定。6.4 贮存产品应贮存于阴凉、干燥及避光处。成品仓库应保持通风、干燥、清洁卫生、不得与易燃、易爆、有害、有毒、有异味等其他物品同库存放。6.5 运输运输中应注意安全,防止日晒、雨淋、渗漏、污染、受潮、标签脱落及避免重力撞击等情况,符合食品运输的有关规定。

展开阅读全文
相关资源
猜你喜欢
相关搜索

当前位置:首页 > 生活休闲 > 时政新闻

copyright@ 2008-2023 1wenmi网站版权所有

经营许可证编号:宁ICP备2022001189号-1

本站为文档C2C交易模式,即用户上传的文档直接被用户下载,本站只是中间服务平台,本站所有文档下载所得的收益归上传人(含作者)所有。第壹文秘仅提供信息存储空间,仅对用户上传内容的表现方式做保护处理,对上载内容本身不做任何修改或编辑。若文档所含内容侵犯了您的版权或隐私,请立即通知第壹文秘网,我们立即给予删除!