5个中国石化HSE绩效报表.docx

上传人:p** 文档编号:200992 上传时间:2023-04-16 格式:DOCX 页数:5 大小:33.11KB
下载 相关 举报
5个中国石化HSE绩效报表.docx_第1页
第1页 / 共5页
5个中国石化HSE绩效报表.docx_第2页
第2页 / 共5页
5个中国石化HSE绩效报表.docx_第3页
第3页 / 共5页
5个中国石化HSE绩效报表.docx_第4页
第4页 / 共5页
5个中国石化HSE绩效报表.docx_第5页
第5页 / 共5页
亲,该文档总共5页,全部预览完了,如果喜欢就下载吧!
资源描述

《5个中国石化HSE绩效报表.docx》由会员分享,可在线阅读,更多相关《5个中国石化HSE绩效报表.docx(5页珍藏版)》请在第壹文秘上搜索。

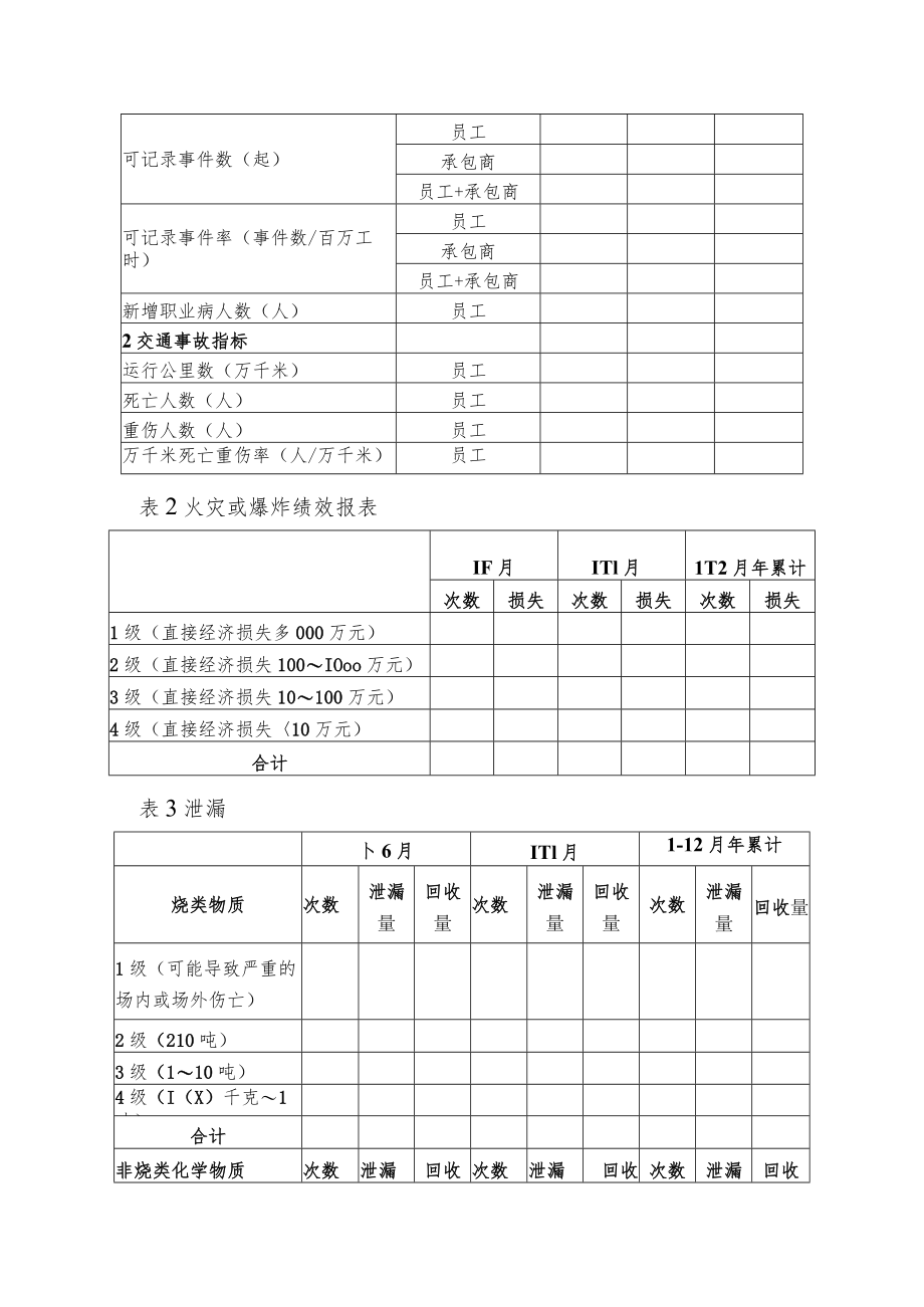
1、5个中国石化HSE绩效报表表1人身伤害绩效报表项目范围16月ITI月1-12月年累计工时数(小时)员工承包商员工+承包商1人身伤害或疾病死亡死亡人数(人)员工承包商员工+承包商死亡事故数(起)员工承包商员工+承包商损失工作日损失工作日人数(人)厂-承包商员工+承包商损失工作日事故数(起)员工承包商员工+承包商损失工作日事故率(次数/百万工时)员工承包商员工+承包商工作受限工作受限人数(人)员工承包商员工+承包商工作受限事件数(起)员工承包商员工+承包商医疗处理医疗处理人数(人)员工承包商员工+承包商医疗处理事件数(起)员工承包商员工+承包商可记录事件数(起)员工承包商员工+承包商可记录事件率(

2、事件数/百万工时)员工承包商员工+承包商新增职业病人数(人)员工2交通事故指标运行公里数(万千米)员工死亡人数(人)员工重伤人数(人)员工万千米死亡重伤率(人/万千米)员工表2火灾或爆炸绩效报表IF月ITl月1T2月年累计次数损失次数损失次数损失1级(直接经济损失多000万元)2级(直接经济损失100IOoo万元)3级(直接经济损失10100万元)4级(直接经济损失10万元)合计表3泄漏卜6月ITl月1-12月年累计烧类物质次数泄漏量回收量次数泄漏量回收量次数泄漏量回收量1级(可能导致严重的场内或场外伤亡)2级(210吨)3级(110吨)4级(I(X)千克1吨)合计非烧类化学物质次数泄漏回收次

3、数泄漏回收次数泄漏回收1级(可能导致严重的场内或场外伤亡)2级(210吨)3级(110吨)4级(Ioo千克1吨)合计表4环境事件1-6月ITI月1-12月年累计次数次数次数重大及以上环境事件较大环境事件一般环境事件其他环境事件合计表5环境绩效报表油田项目指标1-6月1-11月1T2月年累计总产量油气当量(万吨)温室气体Co2排放总量(万吨)吨油气当量CO2排放量(千克/吨)工业水工业工业水取水量(万吨)吨油气当量工业水取水量(吨/吨)大气污染物SCh排放量(吨)NOX排放量(吨)VOCs可挥发有机化合物排放量(吨)X吨油气当量气体排放量(千克/吨)SO2NOxVOCS派废水外排废水总量(万吨)

4、石油类排放量(吨)COD排放量(吨)氨氮排放量(吨)吨油气当量石油类排放量(千克/吨)吨油气当量COD排放量(千克/吨)吨油气当量氨氮排放量(千克/吨)外排废水达标率()废弃物作业废液排放量(吨)作业废液处理达标率()废弃泥浆排放量(吨)废弃泥浆妥善处理率(%)环境费用环境费用(百万元)炼油总产量原油加工量(万吨)温室气体CO2排放量(万吨)吨原油CO2排放量(千克/吨原油)工业水工业工业水取水量(万吨)吨原油工业水取水量(吨/吨原油)大气污染物SO2排放量(吨)NOX排放量(吨)VOCs可挥发有机化合物排放量(吨)X吨原油气体排放量(千克/吨原油)SO2NOxVOCs)派废水外排废水总量(万

5、吨)石油类排放量(吨)Ce)D排放总量(吨)氨氮排放总量(吨)外排废水达标率()石油类排放量(千克/吨原油)CoD排放量(千克/吨原油)氨氮排放量(千克/吨原油)废弃物危险废弃物产生总量(吨)危险废弃物妥善处理总量(吨)危险废物妥善处理处置率()环境费用环境费用(百万元)化工总产量产品总量(万吨)温室气体CCh排放量(万吨)吨产品C02排放量(千克/吨产品)工业水工业工业水取水量(万吨)工业水取水量(吨/吨产品)大气污染物SO2排放量(吨)NoX排放量(吨)VOCs可挥发有机化合物排放量(吨)X吨产品气体排放量(千克/吨产品)SO2NOxVoCS派废水外排废水总量(万吨)石油类排放量(吨)CO

6、D排放总量(吨)氨氮排放总量(吨)外排废水达标率(%)石油类排放量(千克/吨产品)COD排放量(千克/吨产品)氨氮排放量(千克/吨产品)废弃物危险废弃物产生总量(吨)危险废弃物妥善处理总量(吨)危险废物妥善处理处置率()环境费用环境费用(百万元)销售进油量总进油量(万吨)大气污染物VoCS可挥发有机化合物排放量(吨)废水外排废水总量(万吨)外排废水石油类排放量(吨)吨进油石油类排放量(千克/吨)外排废水达标率(%)废弃物危险废弃物产生总量(吨)危险废弃物妥善处理总量(吨)危险废物妥善处理处置率()环境费用环境费用(百万元)注:环境费用包括排污费、处罚费和赔偿费直属企业HSE部门负责人/日期:主管领导/日期:

展开阅读全文
相关资源
猜你喜欢
相关搜索

当前位置:首页 > 管理/人力资源 > 绩效管理

copyright@ 2008-2023 1wenmi网站版权所有

经营许可证编号:宁ICP备2022001189号-1

本站为文档C2C交易模式,即用户上传的文档直接被用户下载,本站只是中间服务平台,本站所有文档下载所得的收益归上传人(含作者)所有。第壹文秘仅提供信息存储空间,仅对用户上传内容的表现方式做保护处理,对上载内容本身不做任何修改或编辑。若文档所含内容侵犯了您的版权或隐私,请立即通知第壹文秘网,我们立即给予删除!